首页 > 器件类别 > 模拟混合信号IC > 驱动程序和接口
 PDF数据手册

ML9470-02GA

描述:
Interface Circuit, PQFP100,
分类:
文件大小:
352KB,共20页
制造商:
概述
Interface Circuit, PQFP100,
器件参数
参数名称
属性值
厂商名称
LAPIS Semiconductor Co Ltd
包装说明
QFP, QFP100,.7X1.0
Reach Compliance Code
unknow
显示模式
SEGMENT
JESD-30 代码
R-PQFP-G100
区段数
80
端子数量
100
最高工作温度
105 °C
最低工作温度
-40 °C
封装主体材料
PLASTIC/EPOXY
封装代码
QFP
封装等效代码
QFP100,.7X1.0
封装形状
RECTANGULAR
封装形式
FLATPACK
电源
3.3/5 V
认证状态
Not Qualified
最大压摆率
0.5 mA
表面贴装
YES
温度等级
INDUSTRIAL
端子形式
GULL WING
端子节距
0.635 mm
端子位置
QUAD
文档预览
Semiconductor
ML9470-01/02
Static,1/2Duty 80 Output LCD Driver
FEDL9470-01
Issue Date: July. 2, 2007
GENERAL DESCRIPTION
The ML9470 is a LCD driver which can directly drive up to 80 segments in the static display mode and up to 160
segments in the 1/2 duty dynamic display mode.
FEATURES
• Operating range
Supply voltage
: 3.0 to 5.5 V
Operating temperature range
:
−40
to + 105°C
• Segment output
Static display mode
: Up to 80 segments can be displayed.
1/2 duty
: Up to 160 segments can be displayed.
• Simple interface with microcomputer
• Built-in common signal generator
• One-to-one correspondence between input data and output data
When input data is at “H” level
: Display goes on.
When input data is at “L” level
: Display goes off.
• Test pin for all-on (SEG_TEST) and all-off (BLANK / BLNAK)
• Can be cascade-connected
• Can be synchronized with the external common signal
• Applicable as an output expander
• LCD driving voltage can be adjusted by the combination of V
LC1
and V
LC2
• Package
100-pin plastic QFP (QFP100-P-1420-0.65-BK) (Product name: ML9470-01GA)
(Product name: ML9470-02GA)
•Comparison of device codes and function
Device code
ML9470-01
ML9470-02
Symbol
Function
Active “L”
Active “H”
BLANK
BLANK
1/20
FEDL9470-01
OKI Semiconductor
ML9470-01/02
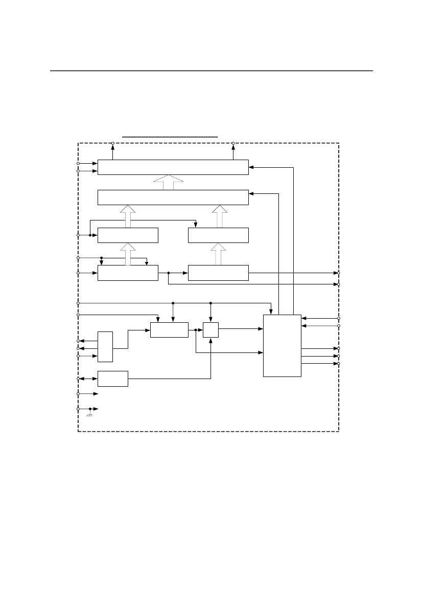
BLOCK DIAGRAM
ML9470-01
SEG1
SEG80
SEG_TEST
BLANK
80-Dot Segment Driver
80-Ch Data Selector
80
80
LOAD
80-Bit Latch (A)
80-Bit Latch (B)
CLOCK
DATA_IN
80
80
80-Stage Shift Register (A)
80-Stage Shift Register (B)
DATA_OUT2
DATA_OUT1
D/S
EXT/INT
1/4 or 1/8
OSC_OUT
OSC_OUT
OSC_IN
1/2
V
LC1
V
LC2
OSC
Common
Driver
COM_A
COM_B
COM_OUT
SYNC
SYNC Circuit
V
DD
GND
2/20
FEDL9470-01
OKI Semiconductor
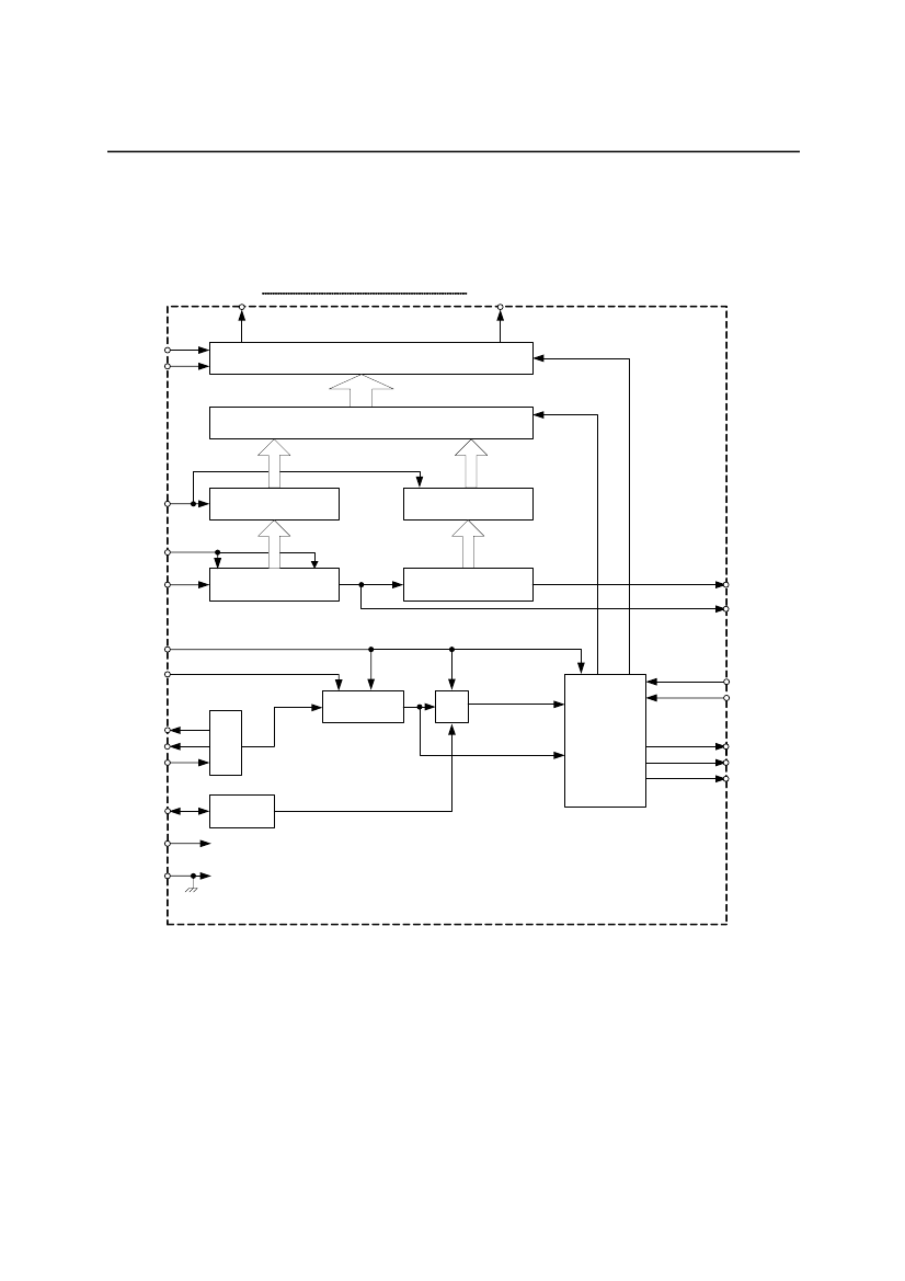
ML9470-01/02
BLOCK DIAGRAM
ML9470-02
SEG1
SEG80
SEG_TEST
BLANK
80-Dot Segment Driver
80-Ch Data Selector
80
80
LOAD
80-Bit Latch (A)
80-Bit Latch (B)
CLOCK
DATA_IN
80
80
80-Stage Shift Register (A)
80-Stage Shift Register (B)
DATA_OUT2
DATA_OUT1
D/S
EXT/INT
1/4 or 1/8
OSC_OUT
OSC_OUT
OSC_IN
1/2
V
LC1
V
LC2
OSC
Common
Driver
COM_A
COM_B
COM_OUT
SYNC
SYNC Circuit
V
DD
GND
3/20
FEDL9470-01
OKI Semiconductor
ML9470-01/02
PIN CONFIGURATION (TOP VIEW)
ML9470-01
SEG41
SEG50
SEG49
SEG48
SEG46
SEG42
SEG40
SEG39
SEG37
SEG36
SEG33
SEG47
SEG45
SEG44
SEG43
SEG38
SEG35
SEG34
SEG32
82
SEG31
81
100
99
98
97
96
95
94
93
92
91
90
89
88
87
86
85
84
SEG51
SEG52
SEG53
SEG54
SEG55
SEG56
SEG57
SEG58
SEG59
SEG60
SEG61
SEG62
SEG63
SEG64
SEG65
SEG66
SEG67
SEG68
SEG69
SEG70
SEG71
SEG72
SEG73
SEG74
SEG75
SEG76
SEG77
SEG78
SEG79
SEG80
1
2
3
4
5
6
7
8
9
10
11
12
13
14
15
16
17
18
19
20
21
22
23
24
25
26
27
28
29
30
83
80
79
78
77
76
75
74
73
72
71
70
69
68
67
66
65
64
63
62
61
60
59
58
57
56
55
54
53
52
51
SEG30
SEG29
SEG28
SEG27
SEG26
SEG25
SEG24
SEG23
SEG22
SEG21
SEG20
SEG19
SEG18
SEG17
SEG16
SEG15
SEG14
SEG13
SEG12
SEG11
SEG10
SEG9
SEG8
SEG7
SEG6
SEG5
SEG4
SEG3
SEG2
SEG1
31
32
33
34
35
36
37
38
39
40
41
42
43
44
45
46
47
48
49
COM_B
DATA_IN
LOAD
OSC_OUT
GND
DATA_OUT1
DATA_OUT2
CLOCK
EXT/INT
SEG_TEST
BLANK
COM_OUT
V
LC1
V
DD
D/S
OSC_IN
OS C_OUT
SYNC
100-Pin Plastic QFP
COM_A
V
LC2
50
4/20
FEDL9470-01
OKI Semiconductor
ML9470-01/02
PIN CONFIGURATION (TOP VIEW)
ML9470-02
SEG 41
SEG47
SEG45
SEG44
SEG43
SEG38
SEG35
SEG34
SEG50
SEG49
SEG48
SEG46
SEG42
SEG40
SEG39
SEG37
SEG36
SEG33
SEG32
82
SEG 31
81
100
99
98
97
96
95
94
93
92
91
90
89
88
87
86
85
84
SEG51
SEG52
SEG53
SEG54
SEG55
SEG56
SEG57
SEG58
SEG59
SEG60
SEG61
SEG62
SEG63
SEG64
SEG65
SEG66
SEG67
SEG68
SEG69
SEG70
SEG71
SEG72
SEG73
SEG74
SEG75
SEG76
SEG77
SEG78
SEG79
SEG80
1
2
3
4
5
6
7
8
9
10
11
12
13
14
15
16
17
18
19
20
21
22
23
24
25
26
27
28
29
30
83
80
79
78
77
76
75
74
73
72
71
70
69
68
67
66
65
64
63
62
61
60
59
58
57
56
55
54
53
52
51
SEG30
SEG29
SEG28
SEG27
SEG26
SEG25
SEG24
SEG23
SEG22
SEG21
SEG20
SEG19
SEG18
SEG17
SEG16
SEG15
SEG14
SEG13
SEG12
SEG11
SEG10
SEG 9
SEG 8
SEG 7
SEG 6
SEG 5
SEG 4
SEG 3
SEG 2
SEG 1
31
32
33
34
35
36
37
38
39
40
41
42
43
44
45
46
47
48
49
CO M_B
DATA_IN
LOAD
OSC_OUT
GND
DATA_OUT1
DATA_OUT2
CLOCK
EXT/INT
SEG_TEST
BLANK
COM_OUT
V
LC1
V
DD
D/S
OSC_IN
OS C_OUT
SYNC
100-Pin Plastic QFP
CO M_A
V
LC2
50
5/20
模拟电子技术教程[推荐]
模拟电子技术教程 想学习模拟电子的会员来下啊! 模拟电子技术教程 好好学习了 Re: 模拟电子技术教...
fighting 嵌入式系统
采用SPI的高速ADC双线控制电路
    多数现行微处理器、 DSP 、现 场可编程门阵列都集成了硬件和软件...
feifei 工业自动化与控制
新型电话侦听器
本电话侦听器号称能对电话并机进行侦听而不易被发现,电路如下图。 新型电话侦听器 ...
fighting 模拟电子
ADC信噪比的分析及高速高分辨率ADC电路的实现
首先从理论上分析了影响 ADC 信噪比的因素,然后以此为依据,从电路设计和器件选择两方出发,采用模...
fighting 测试/测量
普中科技F28335开发板每次上电复位后数码管都会显示,如何熄灭它?
首先,我为了解决这个问题,烧写了如下的代码进FLASH: void main() { MemCo...
准音频算法工程师 DSP 与 ARM 处理器
用PSPICE FOR TI 仿真出现如下情况是什么意思?
用这个软件做了一个很小的电路,但是就是仿真没结果,也没有波形输出,提示器件悬空实际上应该没有悬空,...
乱世煮酒论天下 模拟与混合信号
热门器件
热门资源推荐
器件捷径:
00 01 02 03 04 05 06 07 08 09 0A 0C 0F 0J 0L 0M 0R 0S 0T 0Z 10 11 12 13 14 15 16 17 18 19 1A 1B 1C 1D 1E 1F 1H 1K 1M 1N 1P 1S 1T 1V 1X 1Z 20 21 22 23 24 25 26 27 28 29 2A 2B 2C 2D 2E 2F 2G 2K 2M 2N 2P 2Q 2R 2S 2T 2W 2Z 30 31 32 33 34 35 36 37 38 39 3A 3B 3C 3D 3E 3F 3G 3H 3J 3K 3L 3M 3N 3P 3R 3S 3T 3V 40 41 42 43 44 45 46 47 48 49 4A 4B 4C 4D 4M 4N 4P 4S 4T 50 51 52 53 54 55 56 57 58 59 5A 5B 5C 5E 5G 5H 5K 5M 5N 5P 5S 5T 5V 60 61 62 63 64 65 66 67 68 69 6A 6C 6E 6F 6M 6N 6P 6R 6S 6T 70 71 72 73 74 75 76 77 78 79 7A 7B 7C 7M 7N 7P 7Q 7V 7W 7X 80 81 82 83 84 85 86 87 88 89 8A 8D 8E 8L 8N 8P 8S 8T 8W 8Y 8Z 90 91 92 93 94 95 96 97 98 99 9A 9B 9C 9D 9F 9G 9H 9L 9S 9T 9W
索引文件:
40  2791  2871  2411  1538  1  57  58  49  31 
需要登录后才可以下载。
登录取消
下载 PDF 文件