首页 > 器件类别 > 无线/射频/通信 > 电信电路
 PDF数据手册

MSA4709ASS

描述:
SLIC, 2-4 Conversion, Bipolar, PDIP30,
分类:
文件大小:
110KB,共11页
制造商:
概述
SLIC, 2-4 Conversion, Bipolar, PDIP30,
器件参数
参数名称
属性值
是否Rohs认证
不符合
厂商名称
LAPIS Semiconductor Co Ltd
包装说明
SDIP, SDIP30,.4
Reach Compliance Code
unknown
电池馈电
CONSTANT CURRENT/RESISTIVE
电池供电
-24 TO -48 V
混合
2-4 CONVERSION
JESD-30 代码
R-PDIP-T30
JESD-609代码
e0
负电源额定电压
-5 V
端子数量
30
最高工作温度
70 °C
最低工作温度
PSRR-Min
20 dB
封装主体材料
PLASTIC/EPOXY
封装代码
SDIP
封装等效代码
SDIP30,.4
封装形状
RECTANGULAR
封装形式
IN-LINE, SHRINK PITCH
电源
+-5 V
认证状态
Not Qualified
最大压摆率
9.2 mA
标称供电电压
5 V
表面贴装
NO
技术
BIPOLAR
电信集成电路类型
SLIC
温度等级
COMMERCIAL
端子面层
Tin/Lead (Sn/Pb)
端子形式
THROUGH-HOLE
端子节距
1.78 mm
端子位置
DUAL
文档预览
E2A0032-16-X0
¡ Semiconductor
MSA4709A
¡ Semiconductor
Subscriber Line Interface Circuit
This version:
MSA4709A
Jan. 1998
Previous version: Nov. 1996
GENERAL DESCRIPTION
The MSA4709A is designed to provide BSH functions and to meet PABX transmission performance
requirements.
This device provides two-wire to four-wire conversion function (Hybrid).
FEATURES
• B (Battery feed), S (Supervision), and H (Hybrid) functions integrated on chip.
• Design to meet Central Office and PABX quality transmission requirements.
• All transmission performance parameters can be externally programmable.
• Free from parasitic SCR's using dielectric isolation technology.
• Size and weight reduction over conventional approaches.
• Supply voltage selectable (V
BB
= –24 V/–48 V).
• 1 channel built-in relay driver.
• Package:
30-pin plastic Shrink DIP (SDIP30-P-400-1.78) (Product name: MSA4709ASS)
1/11
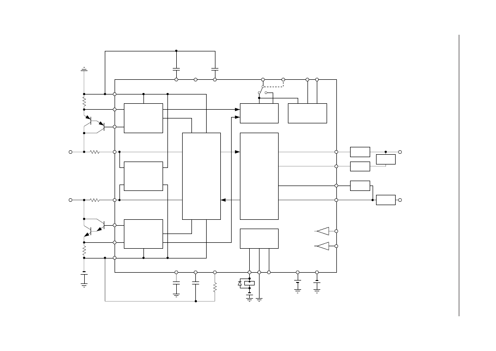
BLOCK DIAGRAM
¡ Semiconductor
CDP
CB
G
PE
PB
TIP Current
DET
TIP Current
Drive Amp.
IL
SCN
SEL
RG RB
Loop & Fault
DET
RING TRIP
TIP
B
ZX
BN
Over Voltage
Protection
Interface
Circuit
HYB
ZR
4WR
Z
X
Z
b
Z
t
Z
FR
Z
R
4WS
RING
A
4WR
NB
NE
V
BB
Ring Current
DET
Ring Current
Drive Amp.
VBS
Relay Driver
BF
RSI
CN
CDC
RY
RSO
V
BB
or
V
EE
RI
V
CC
V
EE
MSA4709A
2/11
¡ Semiconductor
MSA4709A
PIN CONFIGURATION (TOP VIEW)
V
BB
1
A 2
NE 3
NB 4
RSO 5
CN 6
RY 7
CDC 8
RSI 9
RB 10
RG 11
V
EE
12
4WR 13
BN 14
ZR 15
30 NC
29 B
28 PE
27 PB
26 G
25 CB
24 ZX
23 V
CC
22 RI
21
BF
20 VBS
19 IL
18 CDP
17 SEL
16
SCN
30-Pin Plastic Shrink DIP
Note:
NC: No connect pin
3/11
¡ Semiconductor
MSA4709A
PIN DESCRIPTION
Pin No.
1
2
3
4
5
6
7
8
9
10
11
12
13
14
15
Name
V
BB
A
NE
NB
RSO
CN
RY
CDC
RSI
RB
RG
V
EE
4WR
BN
ZR
Description
Battery supply, –48 V or –24 V input.
The Ring voltage sensing input. This input is high impedance (apr. 37 kW), and is
connected to the built-in over voltage protection circuit.
The Ring current sensing input is connected to the emitter of NPN Darlington transistor
and the power resistor REA.
The base drive output for the NPN Darlington transistor.
Relay driver current sink terminal.
Battery noise rejection capacitor input. This capacitor value is 1
mF
(60V).
AC performance adjusting resistor RY input.
AC high impedance providing capacitor Cdc input and constant current feed at the short
line adjusting zener diode input. This capacitor value is 1
mF
(15V).
Relay driver current source terminal.
Ring-Trip filtering capacitor input (RING).
Ring-Trip filtering capacitor input (TIP).
–5 V input.
Receive input and is connected to the negative input of the built-in buffer operational
amplifier.
Balancing network drive output.
Receive gain adjust and frequency compensation input.
Output of both the fault current detector and loop current detector. This output is open-
collector with a built-in pull-up resistor. (apr. 10 kW).
Condition
• ON-Hook
16
SCN
• OFF-Hook
• Dial pulse: break
• Dial pulse: make
• RING TRIP
• Ground/Battery fault
SEL = "H"
H
L
H
L
L
L
SEL = "L"
H
H
H
H
H
L
4/11
¡ Semiconductor
MSA4709A
Pin No.
17
18
19
20
21
22
23
24
25
26
27
28
29
30
Name
SEL
CDP
IL
VBS
BF
RI
V
CC
ZX
CB
G
PB
PE
B
NC
Description
SCN
output information select control input. At SEL = "L",
SCN
Indicates only ground/
battery fault condition.
Dial pulse shaping capacitor input.
Tip to Ring constant loop current determination resistor input.
Supply voltage selection terminal.
V
BS
= V
CC
(–24 V), V
BS
= G (–48 V).
Battery-feed mode control input. A logic level "H" switches off both the Ring and Tip
current drive amp. and presents a high impedance to the line. (apr. 80 kW).
Relay driver control input.
+5 V input
2 wire terminating impedance compornent Zx input. This pin has a low input
impedance.
Compensation capacitor input.
This capacitor value is 4700 pF(35V).
Ground input.
The base drive output for the PNP Darlington power transistor.
The Tip current sensing input is connected to the emitter of the PNP Darlington power
transister and the power resistor REB.
The Tip voltage sensing input. This input is high impedance (apr. 37 kW) and is
connected to the built-in over voltage protection circuit.
No connection
RI = "H" is Driver "ON"
5/11
热门器件
热门资源推荐
器件捷径:
E0 E1 E2 E3 E4 E5 E6 E7 E8 E9 EA EB EC ED EE EF EG EH EI EJ EK EL EM EN EO EP EQ ER ES ET EU EV EW EX EY EZ F0 F1 F2 F3 F4 F5 F6 F7 F8 F9 FA FB FC FD FE FF FG FH FI FJ FK FL FM FN FO FP FQ FR FS FT FU FV FW FX FY FZ G0 G1 G2 G3 G4 G5 G6 G7 G8 G9 GA GB GC GD GE GF GG GH GI GJ GK GL GM GN GO GP GQ GR GS GT GU GV GW GX GZ H0 H1 H2 H3 H4 H5 H6 H7 H8 HA HB HC HD HE HF HG HH HI HJ HK HL HM HN HO HP HQ HR HS HT HU HV HW HX HY HZ I1 I2 I3 I4 I5 I6 I7 IA IB IC ID IE IF IG IH II IK IL IM IN IO IP IQ IR IS IT IU IV IW IX J0 J1 J2 J6 J7 JA JB JC JD JE JF JG JH JJ JK JL JM JN JP JQ JR JS JT JV JW JX JZ K0 K1 K2 K3 K4 K5 K6 K7 K8 K9 KA KB KC KD KE KF KG KH KI KJ KK KL KM KN KO KP KQ KR KS KT KU KV KW KX KY KZ
索引文件:
806  766  78  1024  229  17  16  2  21  5 
需要登录后才可以下载。
登录取消
下载 PDF 文件