首页 > 器件类别 > 存储 > 存储
 PDF数据手册

MSC23409C-70DS9

描述:
Fast Page DRAM Module, 4MX9, 70ns, CMOS, PSMA30,
分类:
存储    存储   
文件大小:
255KB,共13页
制造商:
概述
Fast Page DRAM Module, 4MX9, 70ns, CMOS, PSMA30,
器件参数
参数名称
属性值
厂商名称
LAPIS Semiconductor Co Ltd
包装说明
SIMM, SIM30
Reach Compliance Code
unknown
最长访问时间
70 ns
I/O 类型
COMMON
JESD-30 代码
R-PSMA-N30
内存密度
37748736 bit
内存集成电路类型
FAST PAGE DRAM MODULE
内存宽度
9
端子数量
30
字数
4194304 words
字数代码
4000000
最高工作温度
70 °C
最低工作温度
组织
4MX9
输出特性
3-STATE
封装主体材料
PLASTIC/EPOXY
封装代码
SIMM
封装等效代码
SIM30
封装形状
RECTANGULAR
封装形式
MICROELECTRONIC ASSEMBLY
电源
5 V
认证状态
Not Qualified
刷新周期
1024
座面最大高度
20.447 mm
最大待机电流
0.009 A
最大压摆率
0.81 mA
标称供电电压 (Vsup)
5 V
表面贴装
NO
技术
CMOS
温度等级
COMMERCIAL
端子形式
NO LEAD
端子节距
2.54 mm
端子位置
SINGLE
文档预览
E2H0093-15-90
¡ Semiconductor
¡ Semiconductor
MSC23409C/CL-xxDS9
DESCRIPTION
This version: Sep. 1995
MSC23409C/CL-xxDS9
4,194,304-Word
¥
9-Bit DRAM MODULE : FAST PAGE MODE TYPE
The OKI MSC23409C/CL-xxDS9 is a fully decoded 4,194,304-word
¥
9-bit CMOS Dynamic
Random Access Memory Module composed of nine 4-Mb DRAMs (4M
¥
1) in SOJ packages
mounted with nine decoupling capacitors on a 30-pin glass epoxy single-inline package. This
module is generally used for memory expansion in parity applications such as workstations. The
low-power version (CL) offers reduced power consumption for mobile computing applications
like laptops and palmtops.
FEATURES
• 4-Meg
¥
9-bit organization
• 30-Pin Socket Insertable Module
MSC23409C/CL-xxDS9 : Solder tab
• Single 5 V supply
±10%
tolerance
• Access times : 60, 70, 80 ns
• Input : TTL compatible
• Output : TTL compatible, 3-state
• Refresh : 1024 cycles/16 ms (128 ms : L-version)
CAS
before
RAS
refresh,
CAS
before
RAS
hidden refresh,
RAS-only
refresh capability
• Multi-bit test mode capability
• Fast Page Mode capability
PRODUCT FAMILY
Family
MSC23409C/CL-60DS9
MSC23409C/CL-70DS9
MSC23409C/CL-80DS9
Access Time (Max.)
t
RAC
60 ns
70 ns
80 ns
t
AA
30 ns
35 ns
40 ns
t
CAC
15 ns
20 ns
20 ns
Power Dissipation
Cycle Time
Operating (Max.) Standby (Max.)
(Min.)
110 ns
130 ns
150 ns
4950 mW
4455 mW
3960 mW
49.5 mW/
9.9 mW (L-version)
1/13
¡ Semiconductor
MSC23409C/CL-xxDS9
PIN CONFIGURATION
MSC23409C/CL-xxDS9
3.38 Tpy.
f
3.18
20.45 Max.
Typ.
10.16
Typ.
6.35
88.9 ±0.2
82.14 Typ.
*1
5.28 Max.
1
5.59 Typ.
2.54 ±0.1
73.66
1.78 Typ.
30
2.54 Min.
+0.1
1.27 –0.08
2.03 Typ.
*1 The common size difference of the board width 12.5 mm of its height is
specified as ±0.2. The value above 12.5 mm is specified as ±0.5.
Pin No.
1
2
3
4
5
6
7
8
9
10
Pin Name
V
CC
CAS
DQ0
A0
A1
DQ1
A2
A3
V
SS
DQ2
Pin No.
11
12
13
14
15
16
17
18
19
20
Pin Name
A4
A5
DQ3
A6
A7
DQ4
A8
A9
A10
DQ5
Pin No.
21
22
23
24
25
26
27
28
29
30
Pin Name
WE
V
SS
DQ6
NC
DQ7
Q8
RAS
CAS8
D8
V
CC
2/13
¡ Semiconductor
MSC23409C/CL-xxDS9
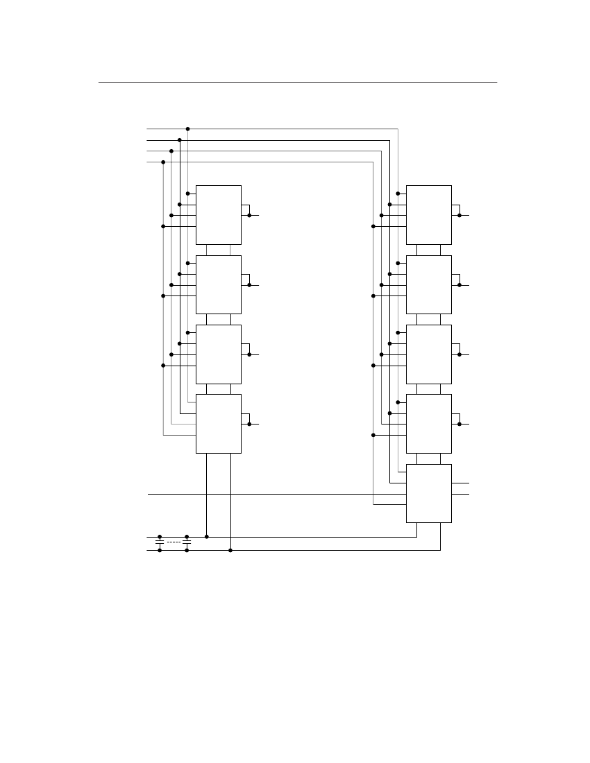
BLOCK DIAGRAM
A0 - A10
RAS0
CAS0
WE
A0 - A10
RAS
D
CAS
Q
WE
V
CC
V
SS
A0 - A10
RAS
D
CAS
Q
WE
V
CC
V
SS
A0 - A10
RAS
D
CAS
Q
WE
V
CC
V
SS
A0 - A10
RAS
D
CAS
Q
WE
V
CC
V
SS
DQ0
A0 - A10
RAS
D
CAS
Q
WE
V
CC
V
SS
A0 - A10
RAS
D
CAS
Q
WE
V
CC
V
SS
A0 - A10
RAS
D
CAS
Q
WE
V
CC
V
SS
A0 - A10
RAS
D
CAS
Q
WE
V
CC
V
SS
A0 - A10
RAS
D
CAS
Q
WE
V
CC
V
SS
DQ4
DQ1
DQ5
DQ2
DQ6
DQ3
DQ7
CAS8
D8
Q8
V
CC
V
SS
C1
C9
3/13
¡ Semiconductor
MSC23409C/CL-xxDS9
ELECTRICAL CHARACTERISTICS
Absolute Maximum Ratings
Parameter
Voltage on Any Pin Relative to V
SS
Voltage V
CC
Supply Relative to V
SS
Short Circuit Output Current
Power Dissipation
Operating Temperature
Storage Temperature
Symbol
V
IN
, V
OUT
V
CC
I
OS
P
D
T
opr
T
stg
Rating
–1.0 to 7.0
–1.0 to 7.0
50
9
0 to 70
–40 to 125
Unit
V
V
mA
W
°C
°C
Note: Permanent device damage may occur if ABSOLUTE MAXIMUM RATINGS are
exceeded. Functional operation should be restricted to the conditions as detailed in the
operational sections of this data sheet. Exposure to absolute maximum rating conditions
for extended periods may affect device reliability.
Recommended Operating Conditions
Parameter
Power Supply Voltage
Input High Voltage
Input Low Voltage
Symbol
V
CC
V
SS
V
IH
V
IL
Min.
4.5
0
2.4
–1.0
Typ.
5.0
0
Max.
5.5
0
6.5
0.8
(Ta = 0°C to 70°C)
Unit
V
V
V
V
Capacitance
Parameter
Input Capacitance (A0 - A10)
Input Capacitance (RAS,
CAS, WE)
I/O Capacitance (DQ0 - DQ7)
Input Capacitance (CAS8)
Input Capacitance (D8)
Output Capacitance (Q8)
Symbol
C
IN1
C
IN2
C
DQ
C
IN3
C
IN4
C
OUT
Typ.
Max.
64
73
19
13
12
13
(Ta = 25°C, f = 1 MHz)
Unit
pF
pF
pF
pF
pF
pF
Note : Capacitance measured with Boonton Meter.
4/13
¡ Semiconductor
DC Characteristics
MSC23409C/CL-xxDS9
(V
CC
= 5 V ±10%, Ta = 0°C to 70°C)
MSC23409C/CL MSC23409C/CL MSC23409C/CL
Symbol
Parameter
Condition
0 V
£
V
I
£
6.5 V;
-60DS9
-70DS9
-80DS9
Unit Note
Min.
Input Leakage Current
I
LI
All other pins not
under test = 0 V
Output Leakage Current
Output High Voltage
Output Low Voltage
Average Power
Supply Current
(Operating)
Power Supply
Current (Standby)
Average Power
Supply Current
(RAS-only Refresh)
Average Power
Supply Current
(CAS before
RAS
Refresh)
Average Power
Supply Current
(Fast Page Mode)
Average Power
Supply Current
(Battery Backup)
I
CC7
I
CC6
I
CC3
I
CC2
I
CC1
I
LO
V
OH
V
OL
D
OUT
disable
0 V
£
V
O
£
5.5 V
I
OH
= –5.0 mA
I
OL
= 4.2 mA
RAS, CAS
cycling,
t
RC
= Min.
RAS, CAS
= V
IH
RAS, CAS
V
CC
–0.2 V
RAS
cycling,
CAS
= V
IH
,
t
RC
= Min.
RAS
cycling,
CAS
before
RAS,
t
RC
= Min.
RAS
= V
IL
,
CAS
cycling,
t
PC
= Min.
t
RC
= 125 µs,
I
CC10
CAS
before
RAS
cycling
–10
2.4
0
–90
Max.
90
Min.
–90
Max.
90
Min.
–90
Max.
90
µA
10
V
CC
0.4
900
18
9
1.8
900
–10
2.4
0
10
V
CC
0.4
810
18
9
1.8
810
–10
2.4
0
10
V
CC
0.4
720
18
9
1.8
720
µA
V
V
mA 1, 2
mA
mA
1
1
mA 1, 5
mA 1, 2
900
810
720
mA 1, 2
720
630
540
mA 1, 3
2.7
2.7
2.7
mA
1, 2
4, 5
Notes: 1.
2.
3.
4.
5.
Specified values are obtained with the output open.
Address can be changed once or less while
RAS=V
IL
.
Address can be changed once or less while
CAS=V
IH
.
V
CC
- 0.2 V
V
IH
6.5 V, -1.0 V
V
IL
0.2 V.
L-version.
5/13
参数对比
与MSC23409C-70DS9相近的元器件有:MSC23409C-60DS9、MSC23409CL-70DS9、MSC23409CL-60DS9。描述及对比如下:
型号 MSC23409C-70DS9 MSC23409C-60DS9 MSC23409CL-70DS9 MSC23409CL-60DS9
描述 Fast Page DRAM Module, 4MX9, 70ns, CMOS, PSMA30, Fast Page DRAM Module, 4MX9, 60ns, CMOS, PSMA30, Fast Page DRAM Module, 4MX9, 70ns, CMOS, PSMA30, Fast Page DRAM Module, 4MX9, 60ns, CMOS, PSMA30,
包装说明 SIMM, SIM30 SIMM, SIM30 SIMM, SIM30 SIMM, SIM30
Reach Compliance Code unknown unknown unknown unknown
最长访问时间 70 ns 60 ns 70 ns 60 ns
I/O 类型 COMMON COMMON COMMON COMMON
JESD-30 代码 R-PSMA-N30 R-PSMA-N30 R-PSMA-N30 R-PSMA-N30
内存密度 37748736 bit 37748736 bit 37748736 bit 37748736 bit
内存集成电路类型 FAST PAGE DRAM MODULE FAST PAGE DRAM MODULE FAST PAGE DRAM MODULE FAST PAGE DRAM MODULE
内存宽度 9 9 9 9
端子数量 30 30 30 30
字数 4194304 words 4194304 words 4194304 words 4194304 words
字数代码 4000000 4000000 4000000 4000000
最高工作温度 70 °C 70 °C 70 °C 70 °C
组织 4MX9 4MX9 4MX9 4MX9
输出特性 3-STATE 3-STATE 3-STATE 3-STATE
封装主体材料 PLASTIC/EPOXY PLASTIC/EPOXY PLASTIC/EPOXY PLASTIC/EPOXY
封装代码 SIMM SIMM SIMM SIMM
封装等效代码 SIM30 SIM30 SIM30 SIM30
封装形状 RECTANGULAR RECTANGULAR RECTANGULAR RECTANGULAR
封装形式 MICROELECTRONIC ASSEMBLY MICROELECTRONIC ASSEMBLY MICROELECTRONIC ASSEMBLY MICROELECTRONIC ASSEMBLY
电源 5 V 5 V 5 V 5 V
认证状态 Not Qualified Not Qualified Not Qualified Not Qualified
刷新周期 1024 1024 1024 1024
座面最大高度 20.447 mm 20.447 mm 20.447 mm 20.447 mm
最大待机电流 0.009 A 0.009 A 0.0018 A 0.0018 A
最大压摆率 0.81 mA 0.9 mA 0.81 mA 0.9 mA
标称供电电压 (Vsup) 5 V 5 V 5 V 5 V
表面贴装 NO NO NO NO
技术 CMOS CMOS CMOS CMOS
温度等级 COMMERCIAL COMMERCIAL COMMERCIAL COMMERCIAL
端子形式 NO LEAD NO LEAD NO LEAD NO LEAD
端子节距 2.54 mm 2.54 mm 2.54 mm 2.54 mm
端子位置 SINGLE SINGLE SINGLE SINGLE
厂商名称 LAPIS Semiconductor Co Ltd - LAPIS Semiconductor Co Ltd LAPIS Semiconductor Co Ltd
热门器件
热门资源推荐
器件捷径:
E0 E1 E2 E3 E4 E5 E6 E7 E8 E9 EA EB EC ED EE EF EG EH EI EJ EK EL EM EN EO EP EQ ER ES ET EU EV EW EX EY EZ F0 F1 F2 F3 F4 F5 F6 F7 F8 F9 FA FB FC FD FE FF FG FH FI FJ FK FL FM FN FO FP FQ FR FS FT FU FV FW FX FY FZ G0 G1 G2 G3 G4 G5 G6 G7 G8 G9 GA GB GC GD GE GF GG GH GI GJ GK GL GM GN GO GP GQ GR GS GT GU GV GW GX GZ H0 H1 H2 H3 H4 H5 H6 H7 H8 HA HB HC HD HE HF HG HH HI HJ HK HL HM HN HO HP HQ HR HS HT HU HV HW HX HY HZ I1 I2 I3 I4 I5 I6 I7 IA IB IC ID IE IF IG IH II IK IL IM IN IO IP IQ IR IS IT IU IV IW IX J0 J1 J2 J6 J7 JA JB JC JD JE JF JG JH JJ JK JL JM JN JP JQ JR JS JT JV JW JX JZ K0 K1 K2 K3 K4 K5 K6 K7 K8 K9 KA KB KC KD KE KF KG KH KI KJ KK KL KM KN KO KP KQ KR KS KT KU KV KW KX KY KZ
索引文件:
643  1046  2847  1115  1655  13  22  58  23  34 
需要登录后才可以下载。
登录取消
下载 PDF 文件