Datasheet
X
首页
最能打的中国芯评选
技术
模拟电子
单片机
半导体
电源管理
嵌入式
传感器
应用
汽车电子
工业控制
家用电子
手机便携
安防电子
医疗电子
网络通信
测试测量
物联网
大学堂
首页
直播
专题
TI 培训
论坛
汽车电子
国产芯片交流
电机驱动控制
电源技术
单片机
模拟电子
PCB设计
电子竞赛
DIY/开源
嵌入式系统
医疗电子
颁奖专区
【厂商专区】
【电子技术交流】
【创意与实践】
【行业应用】
【休息一下】
活动中心
直播
发现活动
颁奖区
电子头条
参考设计
下载中心
分类资源
文集
排行榜
电路图
Datasheet
语言
中文
EN
X
搜索
型号
型号
关键词
首页
>
器件类别
>
存储
>
存储
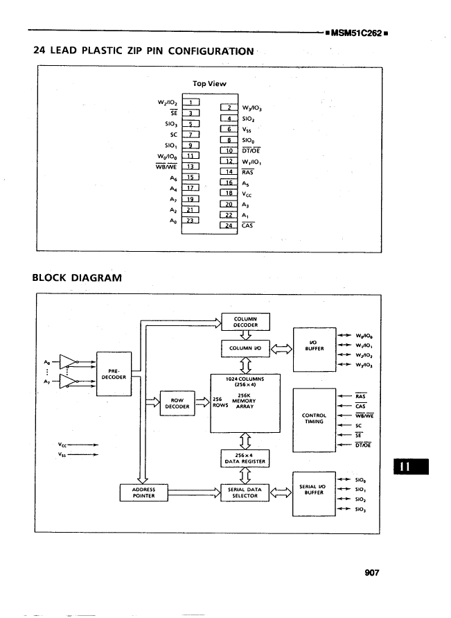
MSM51C262-10ZS
描述:
Video DRAM, 64KX4, CMOS, PZIP24
分类:
存储
存储
文件大小:
1MB,共30页
制造商:
LAPIS Semiconductor Co Ltd
概述
Video DRAM, 64KX4, CMOS, PZIP24
器件参数
参数名称
属性值
是否Rohs认证
不符合
厂商名称
LAPIS Semiconductor Co Ltd
包装说明
ZIP, ZIP24,.1
Reach Compliance Code
unknow
最长访问时间
100 ns
JESD-30 代码
R-PZIP-T24
JESD-609代码
e0
内存密度
262144 bi
内存集成电路类型
VIDEO DRAM
内存宽度
4
端子数量
24
字数
65536 words
字数代码
64000
最高工作温度
70 °C
最低工作温度
组织
64KX4
封装主体材料
PLASTIC/EPOXY
封装代码
ZIP
封装等效代码
ZIP24,.1
封装形状
RECTANGULAR
封装形式
IN-LINE
电源
5 V
认证状态
Not Qualified
最大待机电流
0.008 A
最大压摆率
0.105 mA
标称供电电压 (Vsup)
5 V
表面贴装
NO
技术
CMOS
温度等级
COMMERCIAL
端子面层
Tin/Lead (Sn/Pb)
端子形式
THROUGH-HOLE
端子节距
1.27 mm
端子位置
ZIG-ZAG
文档预览
查看更多>
热门器件
BZT52-B8V2
1SMB5921-AU_BD_00001
BZX84C3V0TW-AU
SC5389
SMBJ16
A3961WVA-12P-R-C1747D476
A5001WRA-11P
A2007H-15P-RD
B1000H-13P-G
TC212A105K010Y
热门资源推荐
论坛推荐
技术资料
技术文章
超高性价比,超高灵活性的SST89 系列单片机中文资料
MT795X-AC-DC隔离LED恒流驱动电源设计参数表
西门子PLC例程_提供几个siemens的程序(塑料,水处理)3
基于模糊控制的电梯群控系统的研究与设计
数控音频放大器的设计
微小差分电容检测电路设计
基于泰克MSO64的全新时频域信号分析技术_应用篇
魔兽WOW登陆器易语言源码
ELF文件格式详细说明
基于C8051F020单片机的液晶驱动程序
家用电器射频控制
20MHz 函数发生器
数字式伏安表
稳压二极管测试仪 1V至50V
基于AVR微控制器的LC测量仪
100千赫兹晶体振荡器
电源软启动
带锁定继电器的开关
超低功耗非稳态多谐振荡器
通用型3V LED闪烁器
器件捷径:
A0
A1
A2
A3
A4
A5
A6
A7
A8
A9
AA
AB
AC
AD
AE
AF
AG
AH
AI
AJ
AK
AL
AM
AN
AO
AP
AQ
AR
AS
AT
AU
AV
AW
AX
AY
AZ
B0
B1
B2
B3
B4
B5
B6
B7
B8
B9
BA
BB
BC
BD
BE
BF
BG
BH
BI
BJ
BK
BL
BM
BN
BO
BP
BQ
BR
BS
BT
BU
BV
BW
BX
BY
BZ
C0
C1
C2
C3
C4
C5
C6
C7
C8
C9
CA
CB
CC
CD
CE
CF
CG
CH
CI
CJ
CK
CL
CM
CN
CO
CP
CQ
CR
CS
CT
CU
CV
CW
CX
CY
CZ
D0
D1
D2
D3
D4
D5
D6
D7
D8
D9
DA
DB
DC
DD
DE
DF
DG
DH
DI
DJ
DK
DL
DM
DN
DO
DP
DQ
DR
DS
DT
DU
DV
DW
DX
DZ
索引文件:
1963
464
2770
1398
1340
40
10
56
29
27
需要登录后才可以下载。
登录
取消
下载 PDF 文件