首页 > 器件类别 > 存储 > 存储
 PDF数据手册

MSM5416125A-40TS-K

描述:
Fast Page DRAM, 128KX16, 40ns, CMOS, PDSO40, 0.400 INCH, 0.80 MM PITCH, PLASTIC, TSOP2-44/40
分类:
存储    存储   
文件大小:
277KB,共21页
制造商:
概述
Fast Page DRAM, 128KX16, 40ns, CMOS, PDSO40, 0.400 INCH, 0.80 MM PITCH, PLASTIC, TSOP2-44/40
器件参数
参数名称
属性值
是否Rohs认证
不符合
厂商名称
LAPIS Semiconductor Co Ltd
零件包装代码
TSOP2
包装说明
TSOP2, TSOP40/44,.46,32
针数
44
Reach Compliance Code
unknown
ECCN代码
EAR99
访问模式
FAST PAGE
最长访问时间
40 ns
其他特性
RAS ONLY/CAS BEFORE RAS/HIDDEN REFRESH
I/O 类型
COMMON
JESD-30 代码
R-PDSO-G40
JESD-609代码
e0
长度
18.41 mm
内存密度
2097152 bit
内存集成电路类型
FAST PAGE DRAM
内存宽度
16
功能数量
1
端口数量
1
端子数量
40
字数
131072 words
字数代码
128000
工作模式
ASYNCHRONOUS
最高工作温度
70 °C
最低工作温度
组织
128KX16
输出特性
3-STATE
封装主体材料
PLASTIC/EPOXY
封装代码
TSOP2
封装等效代码
TSOP40/44,.46,32
封装形状
RECTANGULAR
封装形式
SMALL OUTLINE, THIN PROFILE
峰值回流温度(摄氏度)
NOT SPECIFIED
电源
5 V
认证状态
Not Qualified
刷新周期
512
座面最大高度
1.2 mm
自我刷新
NO
最大待机电流
0.002 A
最大压摆率
0.14 mA
最大供电电压 (Vsup)
5.5 V
最小供电电压 (Vsup)
4.5 V
标称供电电压 (Vsup)
5 V
表面贴装
YES
技术
CMOS
温度等级
COMMERCIAL
端子面层
Tin/Lead (Sn/Pb)
端子形式
GULL WING
端子节距
0.8 mm
端子位置
DUAL
处于峰值回流温度下的最长时间
NOT SPECIFIED
宽度
10.16 mm
文档预览
Dear customers,
About the change in the name such as "Oki Electric Industry Co. Ltd." and
"OKI" in documents to OKI Semiconductor Co., Ltd.
The semiconductor business of Oki Electric Industry Co., Ltd. was succeeded to OKI
Semiconductor Co., Ltd. on October 1, 2008.
Therefore, please accept that although
the terms and marks of "Oki Electric Industry Co., Ltd.", “Oki Electric”, and "OKI"
remain in the documents, they all have been changed to "OKI Semiconductor Co., Ltd.".
It is a change of the company name, the company trademark, and the logo, etc. , and
NOT a content change in documents.
October 1, 2008
OKI Semiconductor Co., Ltd.
550-1 Higashiasakawa-cho, Hachioji-shi, Tokyo 193-8550, Japan
http://www.okisemi.com/en/
E2L0049-17-Y1
¡ Semiconductor
¡ Semiconductor
MSM5416125A
DESCRIPTION
This version: Jan. 1998
MSM5416125A
Previous version: Dec. 1996
131,072-Word
¥
16-Bit DYNAMIC RAM : FAST PAGE MODE TYPE
The OKI MSM5416125A is a 128K-word
¥
16-bit dynamic RAM fabricated in OKI's CMOS silicon
gate technology. The MSM5416125A achieves high integration, high-speed operation, and low-
power consumption due to quadruple polysilicon double metal CMOS. The MSM5416125A has
conventional two
CAS
type 256K
¥
16 DRAM compatible pinout. The MSM5416125A is available in
a 40-pin plastic SOJ or 44/40-pin plastic TSOP.
FEATURES
• Fast Page Mode Operation
• Byte wide control: 2
CAS
control
• 131,072-word
¥
16-bit organization
• Pin compatible with 2
CAS
type 256K
¥
16 DRAM
• Single 5 V power supply,
±10%
tolerance
CAS
before
RAS
refresh, Hidden refresh,
RAS
only refresh capability
• Refresh: 512 cycles/8 ms
• Package options:
40-pin 400 mil plastic SOJ
(SOJ40-P-400-1.27)
(Product : MSM5416125A-xxJS)
44/40-pin 400 mil plastic TSOP (Type II) (TSOPII44/40-P-400-0.80-K) (Product : MSM5416125A-xxTS-K)
xx indicates speed rank.
PRODUCT FAMILY
Family
MSM5416125A-40
MSM5416125A-45
MSM5416125A-50
MSM5416125A-60
Access Time (Max.)
t
RAC
t
AA
t
CAC
t
OEA
40 ns 22 ns 14 ns 14 ns
45 ns 24 ns 14 ns 14 ns
50 ns 26 ns 14 ns 14 ns
60 ns 30 ns 15 ns 15 ns
Cycle Time (Min.)
t
RC
80 ns
90 ns
100 ns
120 ns
Power Dissipation
Operating (Max.) Standby (Max.)
770 mW
715 mW
660 mW
605mW
11 mW
1/20
¡ Semiconductor
MSM5416125A
PIN CONFIGURATION (TOP VIEW)
 
V
CC
1
40 V
SS
DQ0 2
DQ1 3
DQ2 4
DQ3 5
V
CC
6
39 DQ15
38 DQ14
37 DQ13
36 DQ12
35 V
SS
DQ4 7
DQ5 8
DQ6 9
34 DQ11
33 DQ10
32 DQ9
31 DQ8
30 NC
V
CC
DQ0
DQ1
DQ2
DQ3
V
CC
DQ4
DQ5
DQ6
DQ7
1
2
3
4
5
6
7
8
9
10
13
14
15
16
17
18
19
20
21
22
DQ7 10
NC 11
NC 12
29
LCAS
27
OE
26 A8
25 A7
24 A6
23 A5
22 A4
21 V
SS
40-Pin Plastic SOJ
44/40-Pin Plastic TSOP (II)
(K Type)
WE
13
28
UCAS
RAS
14
NC 15
A0 16
A1 17
A2 18
A3 19
V
CC
20
NC
NC
WE
RAS
NC
A0
A1
A2
A3
V
CC
44
43
42
41
40
39
38
37
36
35
32
31
30
29
28
27
26
25
24
23
V
SS
DQ15
DQ14
DQ13
DQ12
V
SS
DQ11
DQ10
DQ9
DQ8
NC
LCAS
UCAS
OE
A8
A7
A6
A5
A4
V
SS
Pin Name
A0 - A8
RAS
LCAS
UCAS
DQ0 - DQ15
WE
OE
V
CC
V
SS
NC
Function
Address Input
Row Address
: A0 - A8
Column Address : A0 - A7
Row Address Strobe
Lower Byte Column Address Strobe
Upper Byte Column Address Strobe
Data - Input / Data - Output
Write Enable
Output Enable
Power Supply (5 V)
Ground (0 V)
No Connection
Note: The same power supply voltage must be provided to every V
CC
pin, and the same GND
voltage level must be provided to every V
SS
pin.
2/20
¡ Semiconductor
MSM5416125A
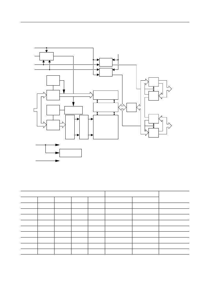
BLOCK DIAGRAM
OE
RAS
LCAS
UCAS
Burst
Address
Counter
Column
Address
Buffers
Internal
Address
Counter
Row
Address
Buffers
Timing
Generator
WE
I/O
Controller
I/O
Controller
8
Output
Buffers
8
DQ0 - DQ7
8
8
Column Decoders
8
I/O
Selector 16
Input
Buffers
Input
Buffers
8
A0 - A8
Refresh
Control Clock
Sense Amplifiers
16
8
9
9
Row
Deco-
ders
Word
Drivers
Memory
Cells
8
8
DQ8 - DQ15
Output
Buffers
8
V
CC
On-chip
V
BB
Generator
V
SS
FUNCTION TABLE
Input Pin
RAS
H
L
L
L
L
L
L
L
L
LCAS
*
H
L
H
L
L
H
L
L
UCAS
*
H
H
L
L
H
L
L
L
WE
*
*
H
H
H
L
L
L
H
OE
*
*
L
L
L
H
H
H
H
High-Z
High-Z
D
OUT
High-Z
D
OUT
D
IN
Don't Care
D
IN
High-Z
DQ Pin
DQ0 - DQ7
DQ8 - DQ15
High-Z
High-Z
High-Z
D
OUT
D
OUT
Don't Care
D
IN
D
IN
High-Z
Function Mode
Standby
Refresh
Lower Byte Read
Upper Byte Read
Word Read
Lower Byte Write
Upper Byte Write
Word Write
* : "H" or "L"
3/20
¡ Semiconductor
MSM5416125A
ELECTRICAL CHARACTERISTICS
Absolute Maximum Ratings
Parameter
Voltage on Any Pin Relative to V
SS
Short Circuit Output Current
Power Dissipation
Operating Temperature
Storage Temperature
Symbol
V
T
I
OS
P
D
T
opr
T
stg
Condition
Ta = 25°C
Ta = 25°C
Ta = 25°C
Rating
–1.0 to 7.0
50
1
0 to 70
–55 to 150
Unit
V
mA
W
°C
°C
Recommended Operating Conditions
Parameter
Power Supply Voltage
Input High Voltage
Input Low Voltage
Symbol
V
CC
V
SS
V
IH
V
IL
Min.
4.5
0
2.4
–1.0
Typ.
5.0
0
Max.
5.5
0
6.5
0.8
(Ta = 0°C to 70°C)
Unit
V
V
V
V
Capacitance
Parameter
Input Capacitance (A0 - A8)
Input Capacitance
(RAS,
LCAS, UCAS, WE, OE)
Output Capacitance (DQ0 - DQ15)
Symbol
C
IN1
C
IN2
C
I/O
Typ.
(V
CC
= 5 V ±10%, Ta = 25°C, f = 1 MHz)
Max.
7
7
10
Unit
pF
pF
pF
4/20
参数对比
与MSM5416125A-40TS-K相近的元器件有:MSM5416125A-45TS-K、MSM5416125A-50JS、MSM5416125A-60TS-K、MSM5416125A-45JS、MSM5416125A-50TS-K、MSM5416125A-60JS、MSM5416125A-40JS。描述及对比如下:
型号 MSM5416125A-40TS-K MSM5416125A-45TS-K MSM5416125A-50JS MSM5416125A-60TS-K MSM5416125A-45JS MSM5416125A-50TS-K MSM5416125A-60JS MSM5416125A-40JS
描述 Fast Page DRAM, 128KX16, 40ns, CMOS, PDSO40, 0.400 INCH, 0.80 MM PITCH, PLASTIC, TSOP2-44/40 Fast Page DRAM, 128KX16, 45ns, CMOS, PDSO40, 0.400 INCH, 0.80 MM PITCH, PLASTIC, TSOP2-44/40 Fast Page DRAM, 128KX16, 50ns, CMOS, PDSO40, 0.400 INCH, 1.27 MM PITCH, PLASTIC, SOJ-40 Fast Page DRAM, 128KX16, 60ns, CMOS, PDSO40, 0.400 INCH, 0.80 MM PITCH, PLASTIC, TSOP2-44/40 Fast Page DRAM, 128KX16, 45ns, CMOS, PDSO40, 0.400 INCH, 1.27 MM PITCH, PLASTIC, SOJ-40 Fast Page DRAM, 128KX16, 50ns, CMOS, PDSO40, 0.400 INCH, 0.80 MM PITCH, PLASTIC, TSOP2-44/40 Fast Page DRAM, 128KX16, 60ns, CMOS, PDSO40, 0.400 INCH, 1.27 MM PITCH, PLASTIC, SOJ-40 Fast Page DRAM, 128KX16, 40ns, CMOS, PDSO40, 0.400 INCH, 1.27 MM PITCH, PLASTIC, SOJ-40
是否Rohs认证 不符合 不符合 不符合 不符合 不符合 不符合 不符合 不符合
零件包装代码 TSOP2 TSOP2 SOJ TSOP2 SOJ TSOP2 SOJ SOJ
包装说明 TSOP2, TSOP40/44,.46,32 TSOP2, TSOP40/44,.46,32 SOJ, SOJ40,.44 TSOP2, TSOP40/44,.46,32 SOJ, SOJ40,.44 TSOP2, TSOP40/44,.46,32 SOJ, SOJ40,.44 SOJ, SOJ40,.44
针数 44 44 40 44 40 44 40 40
Reach Compliance Code unknown unknown unknown unknown unknown unknown unknown unknown
ECCN代码 EAR99 EAR99 EAR99 EAR99 EAR99 EAR99 EAR99 EAR99
访问模式 FAST PAGE FAST PAGE FAST PAGE FAST PAGE FAST PAGE FAST PAGE FAST PAGE FAST PAGE
最长访问时间 40 ns 45 ns 50 ns 60 ns 45 ns 50 ns 60 ns 40 ns
其他特性 RAS ONLY/CAS BEFORE RAS/HIDDEN REFRESH RAS ONLY/CAS BEFORE RAS/HIDDEN REFRESH RAS ONLY/CAS BEFORE RAS/HIDDEN REFRESH RAS ONLY/CAS BEFORE RAS/HIDDEN REFRESH RAS ONLY/CAS BEFORE RAS/HIDDEN REFRESH RAS ONLY/CAS BEFORE RAS/HIDDEN REFRESH RAS ONLY/CAS BEFORE RAS/HIDDEN REFRESH RAS ONLY/CAS BEFORE RAS/HIDDEN REFRESH
I/O 类型 COMMON COMMON COMMON COMMON COMMON COMMON COMMON COMMON
JESD-30 代码 R-PDSO-G40 R-PDSO-G40 R-PDSO-J40 R-PDSO-G40 R-PDSO-J40 R-PDSO-G40 R-PDSO-J40 R-PDSO-J40
JESD-609代码 e0 e0 e0 e0 e0 e0 e0 e0
长度 18.41 mm 18.41 mm 26.03 mm 18.41 mm 26.03 mm 18.41 mm 26.03 mm 26.03 mm
内存密度 2097152 bit 2097152 bit 2097152 bit 2097152 bit 2097152 bit 2097152 bit 2097152 bit 2097152 bit
内存集成电路类型 FAST PAGE DRAM FAST PAGE DRAM FAST PAGE DRAM FAST PAGE DRAM FAST PAGE DRAM FAST PAGE DRAM FAST PAGE DRAM FAST PAGE DRAM
内存宽度 16 16 16 16 16 16 16 16
功能数量 1 1 1 1 1 1 1 1
端口数量 1 1 1 1 1 1 1 1
端子数量 40 40 40 40 40 40 40 40
字数 131072 words 131072 words 131072 words 131072 words 131072 words 131072 words 131072 words 131072 words
字数代码 128000 128000 128000 128000 128000 128000 128000 128000
工作模式 ASYNCHRONOUS ASYNCHRONOUS ASYNCHRONOUS ASYNCHRONOUS ASYNCHRONOUS ASYNCHRONOUS ASYNCHRONOUS ASYNCHRONOUS
最高工作温度 70 °C 70 °C 70 °C 70 °C 70 °C 70 °C 70 °C 70 °C
组织 128KX16 128KX16 128KX16 128KX16 128KX16 128KX16 128KX16 128KX16
输出特性 3-STATE 3-STATE 3-STATE 3-STATE 3-STATE 3-STATE 3-STATE 3-STATE
封装主体材料 PLASTIC/EPOXY PLASTIC/EPOXY PLASTIC/EPOXY PLASTIC/EPOXY PLASTIC/EPOXY PLASTIC/EPOXY PLASTIC/EPOXY PLASTIC/EPOXY
封装代码 TSOP2 TSOP2 SOJ TSOP2 SOJ TSOP2 SOJ SOJ
封装等效代码 TSOP40/44,.46,32 TSOP40/44,.46,32 SOJ40,.44 TSOP40/44,.46,32 SOJ40,.44 TSOP40/44,.46,32 SOJ40,.44 SOJ40,.44
封装形状 RECTANGULAR RECTANGULAR RECTANGULAR RECTANGULAR RECTANGULAR RECTANGULAR RECTANGULAR RECTANGULAR
封装形式 SMALL OUTLINE, THIN PROFILE SMALL OUTLINE, THIN PROFILE SMALL OUTLINE SMALL OUTLINE, THIN PROFILE SMALL OUTLINE SMALL OUTLINE, THIN PROFILE SMALL OUTLINE SMALL OUTLINE
峰值回流温度(摄氏度) NOT SPECIFIED NOT SPECIFIED NOT SPECIFIED NOT SPECIFIED NOT SPECIFIED NOT SPECIFIED NOT SPECIFIED NOT SPECIFIED
电源 5 V 5 V 5 V 5 V 5 V 5 V 5 V 5 V
认证状态 Not Qualified Not Qualified Not Qualified Not Qualified Not Qualified Not Qualified Not Qualified Not Qualified
刷新周期 512 512 512 512 512 512 512 512
座面最大高度 1.2 mm 1.2 mm 3.75 mm 1.2 mm 3.75 mm 1.2 mm 3.75 mm 3.75 mm
自我刷新 NO NO NO NO NO NO NO NO
最大待机电流 0.002 A 0.002 A 0.002 A 0.002 A 0.002 A 0.002 A 0.002 A 0.002 A
最大压摆率 0.14 mA 0.13 mA 0.12 mA 0.11 mA 0.13 mA 0.12 mA 0.11 mA 0.14 mA
最大供电电压 (Vsup) 5.5 V 5.5 V 5.5 V 5.5 V 5.5 V 5.5 V 5.5 V 5.5 V
最小供电电压 (Vsup) 4.5 V 4.5 V 4.5 V 4.5 V 4.5 V 4.5 V 4.5 V 4.5 V
标称供电电压 (Vsup) 5 V 5 V 5 V 5 V 5 V 5 V 5 V 5 V
表面贴装 YES YES YES YES YES YES YES YES
技术 CMOS CMOS CMOS CMOS CMOS CMOS CMOS CMOS
温度等级 COMMERCIAL COMMERCIAL COMMERCIAL COMMERCIAL COMMERCIAL COMMERCIAL COMMERCIAL COMMERCIAL
端子面层 Tin/Lead (Sn/Pb) Tin/Lead (Sn/Pb) Tin/Lead (Sn/Pb) Tin/Lead (Sn/Pb) Tin/Lead (Sn/Pb) Tin/Lead (Sn/Pb) Tin/Lead (Sn/Pb) Tin/Lead (Sn/Pb)
端子形式 GULL WING GULL WING J BEND GULL WING J BEND GULL WING J BEND J BEND
端子节距 0.8 mm 0.8 mm 1.27 mm 0.8 mm 1.27 mm 0.8 mm 1.27 mm 1.27 mm
端子位置 DUAL DUAL DUAL DUAL DUAL DUAL DUAL DUAL
处于峰值回流温度下的最长时间 NOT SPECIFIED NOT SPECIFIED NOT SPECIFIED NOT SPECIFIED NOT SPECIFIED NOT SPECIFIED NOT SPECIFIED NOT SPECIFIED
宽度 10.16 mm 10.16 mm 10.16 mm 10.16 mm 10.16 mm 10.16 mm 10.16 mm 10.16 mm
厂商名称 LAPIS Semiconductor Co Ltd - - - LAPIS Semiconductor Co Ltd LAPIS Semiconductor Co Ltd LAPIS Semiconductor Co Ltd LAPIS Semiconductor Co Ltd
热门器件
热门资源推荐
器件捷径:
A0 A1 A2 A3 A4 A5 A6 A7 A8 A9 AA AB AC AD AE AF AG AH AI AJ AK AL AM AN AO AP AQ AR AS AT AU AV AW AX AY AZ B0 B1 B2 B3 B4 B5 B6 B7 B8 B9 BA BB BC BD BE BF BG BH BI BJ BK BL BM BN BO BP BQ BR BS BT BU BV BW BX BY BZ C0 C1 C2 C3 C4 C5 C6 C7 C8 C9 CA CB CC CD CE CF CG CH CI CJ CK CL CM CN CO CP CQ CR CS CT CU CV CW CX CY CZ D0 D1 D2 D3 D4 D5 D6 D7 D8 D9 DA DB DC DD DE DF DG DH DI DJ DK DL DM DN DO DP DQ DR DS DT DU DV DW DX DZ
索引文件:
713  2712  1786  1215  1096  15  55  36  25  23 
需要登录后才可以下载。
登录取消
下载 PDF 文件