首页 > 器件类别 > 嵌入式处理器和控制器 > 微控制器和处理器
 PDF数据手册

MSM6352-XXRS

描述:
Microcontroller, 4-Bit, MROM, CMOS, PDIP40, 0.600 INCH, 2.54 MM PITCH, PLASTIC, DIP-40
分类:
文件大小:
244KB,共23页
制造商:
概述
Microcontroller, 4-Bit, MROM, CMOS, PDIP40, 0.600 INCH, 2.54 MM PITCH, PLASTIC, DIP-40
器件参数
参数名称
属性值
厂商名称
LAPIS Semiconductor Co Ltd
零件包装代码
DIP
包装说明
DIP,
针数
40
Reach Compliance Code
unknown
具有ADC
NO
地址总线宽度
位大小
4
最大时钟频率
3.58 MHz
DAC 通道
NO
DMA 通道
NO
外部数据总线宽度
JESD-30 代码
R-PDIP-T40
长度
51.98 mm
I/O 线路数量
28
端子数量
40
最高工作温度
75 °C
最低工作温度
-20 °C
PWM 通道
NO
封装主体材料
PLASTIC/EPOXY
封装代码
DIP
封装形状
RECTANGULAR
封装形式
IN-LINE
认证状态
Not Qualified
ROM可编程性
MROM
座面最大高度
5.08 mm
最大供电电压
5.5 V
最小供电电压
2 V
表面贴装
NO
技术
CMOS
温度等级
COMMERCIAL EXTENDED
端子形式
THROUGH-HOLE
端子节距
2.54 mm
端子位置
DUAL
宽度
15.24 mm
uPs/uCs/外围集成电路类型
MICROCONTROLLER
文档预览
Dear customers,
About the change in the name such as "Oki Electric Industry Co. Ltd." and
"OKI" in documents to OKI Semiconductor Co., Ltd.
The semiconductor business of Oki Electric Industry Co., Ltd. was succeeded to OKI
Semiconductor Co., Ltd. on October 1, 2008.
Therefore, please accept that although
the terms and marks of "Oki Electric Industry Co., Ltd.", “Oki Electric”, and "OKI"
remain in the documents, they all have been changed to "OKI Semiconductor Co., Ltd.".
It is a change of the company name, the company trademark, and the logo, etc. , and
NOT a content change in documents.
October 1, 2008
OKI Semiconductor Co., Ltd.
550-1 Higashiasakawa-cho, Hachioji-shi, Tokyo 193-8550, Japan
http://www.okisemi.com/en/
E2E0011-27-Y4
¡ Semiconductor
¡ Semiconductor
MSM6352
Built-in DTMF Generator 4-Bit Microcontroller
This version: Jan. 1998
MSM6352
Previous version: Mar. 1996
GENERAL DESCRIPTION
The MSM6352 is a high-performance 4-bit microcontroller employing complementary metal
oxide semiconductor technology. The use of this device for a repertory telephone, which
employed a conventional microcomputer that was difficult to be configured in a single-chip
device, allows a compact and high-performance telephone set to be monufactured easily.
FEATURES
• Lower power consumption
• Mask ROM
: 2048
¥
14 bits
• ROM
: 640
¥
4 bits
• I/O port
Input-output port
: 1 port
¥
4 bits
Input port
: 3 ports
¥
4 bits
Output port
: 3 ports
¥
4 bits
• DTMF generator
• Built-in programmable timer
Applicable for dial pulse output
(Positive phase/negative phase, 34%/40%, 10 pps/20 pps selectable)
• Watch dog timer
• Stack
: 5 Level
• Power down by STOP instruction
• Instructions useful for data management (data search and block data transfer)
• Operating voltage
: 2.0 to 5.5V (2.2 to 5.5V in Tone mode)
• 3.58 MHz oscillator
• Instruciton execution time
:17.9
ms
• Package options:
28-pin plastic DIP (DIP28-P-600-2.54)
: (Product name: MSM6352-¥¥RS)
40-pin plastic DIP (DIP40-P-600-2.54)
: (Product name: MSM6352-¥¥RS)
42-pin plastic shrink DIP (SDIP42-P-600-1.78) : (Product name: MSM6352-¥¥SS)
44-pin plastic QFP (QFP44-P-910-0.80-K)
: (Product name: MSM6352-¥¥GS-K)
44-pin plastic QFP (QFP44-P-910-0.80-2K)
: (Product name: MSM6352-¥¥GS-2K)
¥¥
indicates the code number.
1/22
¡ Semiconductor
MSM6352
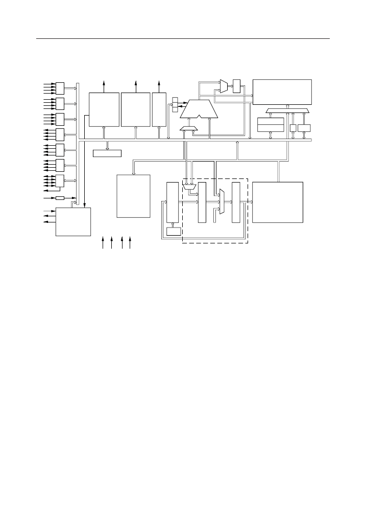
BLOCK DIAGRAM
DP OUT
R1
R2
R3
R4
R5
R6
R7
R8
I1
I2
I3
I4
C1
C2
C3
C4
O1
O2
O3
O4
EO1
EO2
EO3
EO4
IO1
IO2
IO3
IO4
IOE
HS
XT
XT
32kHz
DTMF OUT
BD
RAM
640
¥
4bits
D
IN
D
OUT
MPX
ACC
PROGRAMMABLE
TIMER
DTMF
CIRCUIT
BD
CIRCUT
Z
C
G
A9-A0
MPX
AR1
AR2
ALU
MPX
4bit BUS
B
P
L
L loop counter
AR1
AR2
B
P
address register
bank register
page register
PC
MPX
ISNTRUCTION
DECODER
D
OUT
RAM 6
¥
11bits
D
IN
DI3-D0
ROM
2048
¥
14bits
interrupt
ADDER
LATCH
MPX
A10-A0
TIMING
GENERATOR
STACK
CONTROL
VECTOR
ADDRESS
AC TEST V
DD
V
SS
2/22
¡ Semiconductor
MSM6352
PIN CONFIGURATION (TOP VIEW)
42 EO4
41 EO3
40 EO2
38 EO1
39 NC
44 R2
43 R1
37 C1
36 C2
35 C3
34 C4
R4
R5
R6
R7
R8
R3
HS
I4
I1
1
2
3
4
5
6
7
8
9
33 I3
32 O2
31 O1
30 O3
29 NC
28 O4
27 DP OUT
26 DTMF OUT
25 IO4
24 IO3
23 IO2
XT 12
XT
13
32kHz 14
IOE 15
TEST 16
NC 17
V
SS
18
AC 19
BD 20
V
DD
21
IO1 22
NC 10
I2 11
NC : No-connection pin
44-Pin Plastic QFP
3/22
¡ Semiconductor
MSM6352
PIN CONFIGURATION (TOP VIEW) (Continued)
EO2
EO3
EO4
R1
R2
R4
R5
R6
R7
R8
R3
HS
I4
I1
I2
XT
XT
32kHz
IOE
TEST
1
2
3
4
5
6
7
8
9
10
11
12
13
14
15
16
17
18
19
20
40
39
38
37
36
35
34
33
32
31
30
29
28
27
26
25
24
23
22
21
EO1
C1
C2
C3
C4
I3
O2
O1
O3
O4
DP OUT
DTMF OUT
IO4
IO3
IO2
IO1
V
DD
BD
AC
V
SS
R1
R2
R3
R4
R5
R6
R7
HS
I4
I1
I2
XT
XT
TEST
1
2
3
4
5
6
7
8
9
10
11
12
13
14
28
27
26
25
24
23
22
21
20
19
18
17
16
15
C1
C2
C3
C4
I3
O1
O3
O4
DP OUT
DTMF OUT
V
DD
BD
AC
V
SS
28-Pin Plastic DIP
40-Pin Plastic DIP
EO2
EO3
EO4
R1
R2
R4
R5
R6
R7
R8
R3
HS
I4
I1
I2
XT
NC
XT
32kHz
IOE
TEST
1
2
3
4
5
6
7
8
9
10
11
12
13
14
15
16
17
18
19
20
21
42
41
40
39
38
37
36
35
34
33
32
31
30
29
28
27
26
25
24
23
22
EO1
C1
C2
C3
C4
I3
O2
O1
O3
O4
DP OUT
DTMF OUT
IO4
IO3
IO2
IO1
NC
V
DD
BD
AC
V
SS
NC : No-connection pin
42-Pin Plastic Shrink DIP
4/22
参数对比
与MSM6352-XXRS相近的元器件有:MSM6352-XXSS、MSM6352-XXGS-2K、MSM6352-XXGS-K。描述及对比如下:
型号 MSM6352-XXRS MSM6352-XXSS MSM6352-XXGS-2K MSM6352-XXGS-K
描述 Microcontroller, 4-Bit, MROM, CMOS, PDIP40, 0.600 INCH, 2.54 MM PITCH, PLASTIC, DIP-40 Microcontroller, 4-Bit, MROM, OLMS-63 CPU, 3.58MHz, CMOS, PDIP42, 0.600 INCH, 1.78 MM PITCH, PLASTIC, SDIP-42 Microcontroller, 4-Bit, MROM, CMOS, PQFP44, 0.910 INCH, 0.80 MM PITCH, PLASTIC, QFP-44 Microcontroller, 4-Bit, MROM, OLMS-63 CPU, 3.58MHz, CMOS, PQFP44, 0.910 INCH, 0.80 MM PITCH, PLASTIC, QFP-44
厂商名称 LAPIS Semiconductor Co Ltd LAPIS Semiconductor Co Ltd LAPIS Semiconductor Co Ltd LAPIS Semiconductor Co Ltd
零件包装代码 DIP DIP QFP QFP
包装说明 DIP, SDIP, SDIP42,.6 QFP, QFP, QFP44,.53X.57,32
针数 40 42 44 44
Reach Compliance Code unknown unknown unknown unknown
具有ADC NO NO NO NO
位大小 4 4 4 4
最大时钟频率 3.58 MHz 3.58 MHz 3.58 MHz 3.58 MHz
DAC 通道 NO NO NO NO
DMA 通道 NO NO NO NO
JESD-30 代码 R-PDIP-T40 R-PDIP-T42 R-PQFP-G44 R-PQFP-G44
长度 51.98 mm 37.34 mm 10.5 mm 10.5 mm
I/O 线路数量 28 28 28 28
端子数量 40 42 44 44
最高工作温度 75 °C 75 °C 75 °C 75 °C
最低工作温度 -20 °C -20 °C -20 °C -20 °C
PWM 通道 NO NO NO NO
封装主体材料 PLASTIC/EPOXY PLASTIC/EPOXY PLASTIC/EPOXY PLASTIC/EPOXY
封装代码 DIP SDIP QFP QFP
封装形状 RECTANGULAR RECTANGULAR RECTANGULAR RECTANGULAR
封装形式 IN-LINE IN-LINE, SHRINK PITCH FLATPACK FLATPACK
认证状态 Not Qualified Not Qualified Not Qualified Not Qualified
ROM可编程性 MROM MROM MROM MROM
座面最大高度 5.08 mm 5.1 mm 2.25 mm 2 mm
最大供电电压 5.5 V 5.5 V 5.5 V 5.5 V
最小供电电压 2 V 2 V 2 V 2 V
表面贴装 NO NO YES YES
技术 CMOS CMOS CMOS CMOS
温度等级 COMMERCIAL EXTENDED COMMERCIAL EXTENDED COMMERCIAL EXTENDED COMMERCIAL EXTENDED
端子形式 THROUGH-HOLE THROUGH-HOLE GULL WING GULL WING
端子节距 2.54 mm 1.778 mm 0.8 mm 0.8 mm
端子位置 DUAL DUAL QUAD QUAD
宽度 15.24 mm 15.24 mm 9.5 mm 9.5 mm
uPs/uCs/外围集成电路类型 MICROCONTROLLER MICROCONTROLLER MICROCONTROLLER MICROCONTROLLER
热门器件
热门资源推荐
器件捷径:
00 01 02 03 04 05 06 07 08 09 0A 0C 0F 0J 0L 0M 0R 0S 0T 0Z 10 11 12 13 14 15 16 17 18 19 1A 1B 1C 1D 1E 1F 1H 1K 1M 1N 1P 1S 1T 1V 1X 1Z 20 21 22 23 24 25 26 27 28 29 2A 2B 2C 2D 2E 2F 2G 2K 2M 2N 2P 2Q 2R 2S 2T 2W 2Z 30 31 32 33 34 35 36 37 38 39 3A 3B 3C 3D 3E 3F 3G 3H 3J 3K 3L 3M 3N 3P 3R 3S 3T 3V 40 41 42 43 44 45 46 47 48 49 4A 4B 4C 4D 4M 4N 4P 4S 4T 50 51 52 53 54 55 56 57 58 59 5A 5B 5C 5E 5G 5H 5K 5M 5N 5P 5S 5T 5V 60 61 62 63 64 65 66 67 68 69 6A 6C 6E 6F 6M 6N 6P 6R 6S 6T 70 71 72 73 74 75 76 77 78 79 7A 7B 7C 7M 7N 7P 7Q 7V 7W 7X 80 81 82 83 84 85 86 87 88 89 8A 8D 8E 8L 8N 8P 8S 8T 8W 8Y 8Z 90 91 92 93 94 95 96 97 98 99 9A 9B 9C 9D 9F 9G 9H 9L 9S 9T 9W
索引文件:
998  1603  1612  1226  497  21  33  25  10  54 
需要登录后才可以下载。
登录取消
下载 PDF 文件