首页 > 器件类别 > 嵌入式处理器和控制器 > 微控制器和处理器
 PDF数据手册

MSM65354-XXXGS-BK4

描述:
Microcontroller, 8-Bit, MROM, OLMS-65K CPU, 10MHz, CMOS, PQFP100, 14 X 20 MM, 0.65 MM PITCH, PLASTIC, QFP-100
分类:
文件大小:
157KB,共21页
制造商:
概述
Microcontroller, 8-Bit, MROM, OLMS-65K CPU, 10MHz, CMOS, PQFP100, 14 X 20 MM, 0.65 MM PITCH, PLASTIC, QFP-100
器件参数
参数名称
属性值
是否Rohs认证
不符合
厂商名称
LAPIS Semiconductor Co Ltd
零件包装代码
QFP
包装说明
QFP, QFP100,.7X.9
针数
100
Reach Compliance Code
unknown
具有ADC
YES
其他特性
OPERATES AT 2.7V MIN SUPPLY @ 5 MHZ
地址总线宽度
位大小
8
CPU系列
OLMS-65K
最大时钟频率
10 MHz
DAC 通道
NO
DMA 通道
NO
外部数据总线宽度
JESD-30 代码
R-PQFP-G100
JESD-609代码
e0
长度
20 mm
I/O 线路数量
50
端子数量
100
最高工作温度
70 °C
最低工作温度
-20 °C
PWM 通道
NO
封装主体材料
PLASTIC/EPOXY
封装代码
QFP
封装等效代码
QFP100,.7X.9
封装形状
RECTANGULAR
封装形式
FLATPACK
峰值回流温度(摄氏度)
NOT SPECIFIED
电源
3/5 V
认证状态
Not Qualified
RAM(字节)
640
ROM(单词)
24576
ROM可编程性
MROM
座面最大高度
3 mm
速度
10 MHz
最大压摆率
50 mA
最大供电电压
5.5 V
最小供电电压
4.5 V
标称供电电压
5 V
表面贴装
YES
技术
CMOS
温度等级
OTHER
端子面层
Tin/Lead (Sn/Pb)
端子形式
GULL WING
端子节距
0.65 mm
端子位置
QUAD
处于峰值回流温度下的最长时间
NOT SPECIFIED
宽度
14 mm
uPs/uCs/外围集成电路类型
MICROCONTROLLER
文档预览
Dear customers,
About the change in the name such as "Oki Electric Industry Co. Ltd." and
"OKI" in documents to OKI Semiconductor Co., Ltd.
The semiconductor business of Oki Electric Industry Co., Ltd. was succeeded to OKI
Semiconductor Co., Ltd. on October 1, 2008.
Therefore, please accept that although
the terms and marks of "Oki Electric Industry Co., Ltd.", “Oki Electric”, and "OKI"
remain in the documents, they all have been changed to "OKI Semiconductor Co., Ltd.".
It is a change of the company name, the company trademark, and the logo, etc. , and
NOT a content change in documents.
October 1, 2008
OKI Semiconductor Co., Ltd.
550-1 Higashiasakawa-cho, Hachioji-shi, Tokyo 193-8550, Japan
http://www.okisemi.com/en/
E2E1020-27-Y3
¡ Semiconductor
¡ Semiconductor
MSM65354/65353A
GENERAL DESCRIPTION
This
MSM65354/65353A
version: Jan. 1998
Previous version: Nov. 1996
8-Bit Microcontroller with A/D Converter (with LCD Driver)
The MSM65354/MSM65353A is a high performance 8-bit microcontroller that employs
OKI original CPU core nX-8/50. The MSM65354 contains 24K-byte program memory, 640-
byte data memory, LCD driver, A/D converter and shift register. The MSM65353A contains
16K-byte program memory, 384-byte data memory, LCD driver, A/D converter and shift
register. Also available is the MSM65P354, which replace the on-chip program memory with
one-time PROM.
FEATURES
• Operating range
Operating voltage
Operating temperature
Operating frequency (dual clock)
High speed side
Low speed side
Current consumption (Typ.)
High speed side
:
:
:
:
:
2.7V to 5.5V
–20°C to +70°C
0 to 10MHz (@V
DD
=5V±10%)
0 to 5MHz (@V
DD
=2.7V to 5.5V)
32.768kHz (@V
DD
=2.7V to 5.5V)
5mA (@5MHz, V
DD
=3V)
20mA (@10MHz, V
DD
=5V)
1.5mA (@5MHz, V
DD
=3V, Halt mode)
4mA (V
DD
=3V), Stop mode)
45mA (@32.768kHz, V
DD
=3V)
400ns (@10MHz), 800ns (@5MHz)
8-bit CPU core nX-8/50
24K-byte program memory + 256-byte data
memory (MSM65354)
16K-byte program memory (MSM65353A)
384-byte data memory + SFR
32
¥
4 (selectable duty cycle from 1/4, 1/3 or
1/2 with software)
5 ports
¥
8 bits
1 port
¥
1 bit, 1 port
¥
8 bits
1 port
¥
1 bit
8-bit auto-reload timer
¥
3 (one of them can
be used for the shift clock of shift register)
Watch timer counter
¥
1
Time base counter
¥
1 (14 bits)
1 line, selectable from 1000Hz to 16000Hz
(@10MHz)
2ch, with 16-byte automatic transfer
function
¥
1, clock sync mode
¥
1
8ch, 8 bits (4ch of them can start the CPU
according to level detection interrupt)
1/20
Low speed side
• Minimum instruction execution time
• CPU core
• General memory space
:
:
:
:
• Local memory space
• LCD driver
• I/O port
Input-output port
Input port
Output port
• Timer
:
:
:
:
:
:
:
:
:
:
:
• Counter
• Buzzer output circuit
• Shift register
• A/D converter
¡ Semiconductor
• External interrupt
• Remote control circuit
:
:
MSM65354/65353A
Three lines, selectable from rising edge/
falling edge/both edges
Receives signal in 32.768kHz/5MHz/
10MHz operations
13
• Interrupt source
:
• Package:
100-pin plastic QFP (QFP100-P-1420-0.65-BK4) (Product name:MSM65354-¥¥¥GS-BK4,
MSM65353A-¥¥¥GS-BK4)
¥¥¥
indicates the code number.
• Others
: CPU clock can be an OSC, half-OSC, XT or 4
times XT clock
: Time base counter clock can be selected with
1/4n of a CPU clock (n=1 to 8)
: Stop status can be set at each port (high
impedance or prior status is retained)
: Pull-up or open can be set for each input-
output port
2/20
¡ Semiconductor
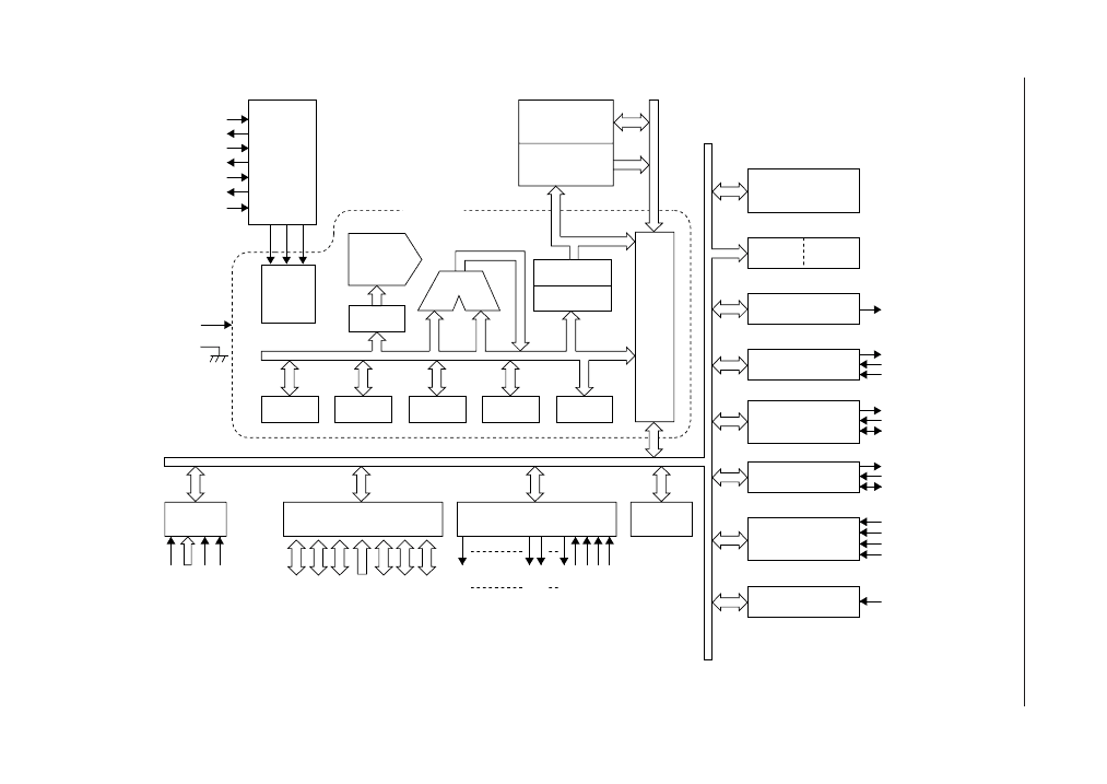
BLOCK DIAGRAM
XT
XT
OCS0
OSC1
RESET
CLKOUT*
XSTOP*
RAM
(256 bytes)
OSC.
CONT.
CPU CORE
INST.
DEC.
T/C
ALU
IR
TBC
GMAR
PC
BUS
CONT.
ROM
(24K bytes)
RAM
(384 bytes)
WDT
BUZZER OUTPUT
BZ*
V
DD
GND
8-bit TIMER
¥
3
AR
BR
PSW
SP
LMAR
8-bit SHIFT REG.
(16-BYTE AUTOMATIC
TRANSFER FUNCTION)
T1OUT*
T0CK*
GATE*
SFTO0*
SFTI0*
SFTCK0*
SFTO1*
SFTI1*
SFTCK1*
INT0*
INT1*
INT2*
INT3*
8-bit SHIFT REG.
8-bit A/D C
¥
8ch
I/O PORT
LCD DRIVER
WATCH
TIMER
INTERRUPT
CONT.
MSM65354/65353A
AGND
AI0-7*
AV
DD
V
RH
SEG31
COM4
SEG0
V
DD3
V
DD2
V
DD1
V
DDL
COM1
P0
P1
P2
P3
*secondary function of each port
**The MSM65353A contains 16K byte ROM only
P4
P5
P6
REMOTE CONT.
RMCIN*
3/20
¡ Semiconductor
PIN CONFIGURATION (TOP VIEW)
94
RESET
93
P2.0/SFTCK0
,

92
P2.1/SFTI0
91
P2.2/SFTO0
97
V
DDL
96
P6.1 (OUT)
95
P6.0 (IN)
90
P2.3/INT2
100
V
DD3
99
V
DD2
98
V
DD1
89
P2.4
MSM65354/65353A
82
OSC0
81
OSC1
83
GND
88
P2.5
87
P2.6
86
P2.7
85
XT
84
XT
COM1
COM2
COM3
COM4
SEG0
SEG1
SEG2
SEG3
SEG4
SEG5
SEG6
SEG7
SEG8
SEG9
SEG10
SEG11
SEG12
SEG13
SEG14
SEG15
SEG16
SEG17
SEG18
SEG19
SEG20
SEG21
SEG22
SEG23
SEG24
SEG25
1
2
3
4
5
6
7
8
9
10
11
12
13
14
15
16
17
18
19
20
21
22
23
24
25
26
27
28
29
30
80
79
78
77
76
75
74
73
72
71
70
69
68
67
66
65
64
63
62
61
60
59
58
57
56
55
54
53
52
51
44
45
46
47
48
49
50
P0.0/INT0
P0.1/HSTOP
P0.2/T1OUT
P0.3/T1OUT
P0.4/INT1/GATE
P0.5/CLKOUT
P0.6
P0.7/BZ
V
DD
P1.0
P1.1
P1.2
P1.3
P1.4/RMCIN
P1.5/SFTCK1
P1.6/SFTI1
P1.7/SFTO1
P4.0
P4.1
P4.2
P4.3
P4.4
P4.5
P4.6
P4.7
P5.0
P5.1
P5.2
P5.3
P5.4
31
32
33
34
35
36
37
38
39
40
41
42
SEG26
SEG27
SEG28
SEG29
SEG30
SEG31
AGND
P3.0/AI0/INT3
P3.1/AI1/INT3
P3.2/AI2/INT3
P3.3/AI3/INT3
P3.4/AI4
P3.5/AI5
P3.6/AI6
P3.7/AI7
V
RH
AV
DD
P5.7
P5.6
P5.5
100-Pin Plastic QFP
43
4/20
参数对比
与MSM65354-XXXGS-BK4相近的元器件有:MSM65353A-XXXGS-BK4。描述及对比如下:
型号 MSM65354-XXXGS-BK4 MSM65353A-XXXGS-BK4
描述 Microcontroller, 8-Bit, MROM, OLMS-65K CPU, 10MHz, CMOS, PQFP100, 14 X 20 MM, 0.65 MM PITCH, PLASTIC, QFP-100 Microcontroller, 8-Bit, MROM, OLMS-65K CPU, 10MHz, CMOS, PQFP100, 14 X 20 MM, 0.65 MM PITCH, PLASTIC, QFP-100
是否Rohs认证 不符合 不符合
厂商名称 LAPIS Semiconductor Co Ltd LAPIS Semiconductor Co Ltd
零件包装代码 QFP QFP
包装说明 QFP, QFP100,.7X.9 QFP, QFP100,.7X.9
针数 100 100
Reach Compliance Code unknown unknown
具有ADC YES YES
其他特性 OPERATES AT 2.7V MIN SUPPLY @ 5 MHZ OPERATES AT 2.7V MIN SUPPLY @ 5 MHZ
位大小 8 8
CPU系列 OLMS-65K OLMS-65K
最大时钟频率 10 MHz 10 MHz
DAC 通道 NO NO
DMA 通道 NO NO
JESD-30 代码 R-PQFP-G100 R-PQFP-G100
JESD-609代码 e0 e0
长度 20 mm 20 mm
I/O 线路数量 50 50
端子数量 100 100
最高工作温度 70 °C 70 °C
最低工作温度 -20 °C -20 °C
PWM 通道 NO NO
封装主体材料 PLASTIC/EPOXY PLASTIC/EPOXY
封装代码 QFP QFP
封装等效代码 QFP100,.7X.9 QFP100,.7X.9
封装形状 RECTANGULAR RECTANGULAR
封装形式 FLATPACK FLATPACK
电源 3/5 V 3/5 V
认证状态 Not Qualified Not Qualified
RAM(字节) 640 384
ROM(单词) 24576 16384
ROM可编程性 MROM MROM
座面最大高度 3 mm 3 mm
速度 10 MHz 10 MHz
最大压摆率 50 mA 50 mA
最大供电电压 5.5 V 5.5 V
最小供电电压 4.5 V 4.5 V
标称供电电压 5 V 5 V
表面贴装 YES YES
技术 CMOS CMOS
温度等级 OTHER OTHER
端子面层 Tin/Lead (Sn/Pb) Tin/Lead (Sn/Pb)
端子形式 GULL WING GULL WING
端子节距 0.65 mm 0.65 mm
端子位置 QUAD QUAD
宽度 14 mm 14 mm
uPs/uCs/外围集成电路类型 MICROCONTROLLER MICROCONTROLLER
热门器件
热门资源推荐
器件捷径:
L0 L1 L2 L3 L4 L5 L6 L7 L8 L9 LA LB LC LD LE LF LG LH LI LJ LK LL LM LN LO LP LQ LR LS LT LU LV LW LX LY LZ M0 M1 M2 M3 M4 M5 M6 M7 M8 M9 MA MB MC MD ME MF MG MH MI MJ MK ML MM MN MO MP MQ MR MS MT MU MV MW MX MY MZ N0 N1 N2 N3 N4 N5 N6 N7 N8 NA NB NC ND NE NF NG NH NI NJ NK NL NM NN NO NP NQ NR NS NT NU NV NX NZ O0 O1 O2 O3 OA OB OC OD OE OF OG OH OI OJ OK OL OM ON OP OQ OR OS OT OV OX OY OZ P0 P1 P2 P3 P4 P5 P6 P7 P8 P9 PA PB PC PD PE PF PG PH PI PJ PK PL PM PN PO PP PQ PR PS PT PU PV PW PX PY PZ Q1 Q2 Q3 Q4 Q5 Q6 Q8 Q9 QA QB QC QE QF QG QH QK QL QM QP QR QS QT QV QW QX QY R0 R1 R2 R3 R4 R5 R6 R7 R8 R9 RA RB RC RD RE RF RG RH RI RJ RK RL RM RN RO RP RQ RR RS RT RU RV RW RX RY RZ
索引文件:
1539  1284  1649  1053  1064  31  26  34  22  8 
需要登录后才可以下载。
登录取消
下载 PDF 文件