首页 > 器件类别 > 嵌入式处理器和控制器 > 微控制器和处理器
 PDF数据手册

MSM6577E-XXGS-K

描述:
Microcontroller
分类:
文件大小:
173KB,共22页
制造商:
概述
Microcontroller
器件参数
参数名称
属性值
厂商名称
LAPIS Semiconductor Co Ltd
包装说明
,
Reach Compliance Code
unknown
文档预览
E2E0022-27-Y3
¡ Semiconductor
¡ Semiconductor
MSM6577-xx
GENERAL DESCRIPTION
This version: Jan. 1998
MSM6577-xx
Previous version: Mar. 1996
Operatable at 0.9V and Built-in LCD Driver 4-Bit Microcontroller
The MSM6577 is a 4-bit microcontroller that is fabricated in OKI's low-voltage CMOS technology,
enabling operation at 0.9 V. This device incorporates LCD drivers, 8-bit synchronous serial
ports, and a buzzer output circuit. The MSM6577 is optimized for remote-control microcontroller
applications that are portable and battery powered.
FEATURES
• Operating range
Operating frequency
Operating voltage
: 32.768 kHz
: MSM6577K/N/S/U
: MSM6577L/C/D/E
(See Mask Option List.)
: –20 to +70°C
: 1536 words
¥
17 bits
: 128 words
¥
4 bits
: 61
ms
1.5 V operation
3.0 V operation
ROM
RAM
• Minimum instruction execution time
• I/O port
Input-output port
: 1 port
¥
4 bits
Input only port
: 1 port
¥
4 bits
Output only port
: 1 port
¥
4 bits
• Serial port
: 8-bit clock synchronous type
• LCD drivers
: 28
Duty and frame frequency are selectable by the mask options.
1/3 duty, 1/3 bias
: Up to 75 segments
1/2 duty, 1/3 bias
: Up to 52 segments
• Halt release timers
: 4
Timer frequency is selectable by the mask options.
• External interrupt
: 4
• Buzzer output
: 1
• Clock
: 32.768 kHz crystal oscillator
Oscillation starts at 0.9 V.
• Power supply voltage
: 1.5 V/3.0 V (selectable by mask
option)
(See Mask Option List)
• Packageoptions:
56-pin plastic QFP (QFP56-P-910-0.65-K)
(Product name : MSM6577 -¥¥GS-K)
56-pin plastic QFP (QFP56-P-910-0.65-2K)
(Product name : MSM6577 -¥¥GS-2K)
Chip
¥¥
indicates the code number.
indicates the option code.
Operating temperature
• Memory space
1/22
¡ Semiconductor
BLOCK DIAGRAM
ACC
RAM
128¥4 bits
FLAG
PAGE
WORK
ADRS
S-Bus
ALU
A-Bus
MPX
D-Bus
P2.3
P2.2
P2.1
P2.0
P1.3
P1.2
P1.1
P1.0
P0.3
P0.2
P0.1
P0.0
PORT2
PORT1
PORT0
PCIO0
XT
OSC
XTB
SYSTEM CLOCK
GENERATOR
HRQSER EHRSER
SERIAL
HALT RELEASE
SCND0
SCND1
SBFF
H
SBFF
L
IRQEX EIEX
PNEX
SERIAL I/O
INTERRUPT CONTROL
MDTH
MDTL
BD
BUZZER
FRMT
PROGRAM ROM
HRQTMR EHRTMR
1536¥17 bits
HALT RELEASE
TIMER
TEMPO
PROGRAM
COUNTER
ADDER
TMOUT
TIME BASE
COUNTER
INSTRUCTION
DECODER
STACK
V
CP
V
CM
INSTRUCTION
REG.
LCDCT
SEG0
LCD DRIVER
MSM6577-xx
VOLTAGE
REGULATOR
SEG27
V
DD
V
SS1
V
SS2
V
SS3
V
EE
2/22
¡ Semiconductor
MSM6577-xx
PIN CONFIGURATION (TOP VIEW)
RESET
P2.3
P2.2
P2.1
P2.0/SOUT
P1.3/SIN
P1.2/SCLK
V
DD
*
P1.1
P1.0
P0.3
P0.2
P0.1
P0.0
SEG0
SEG1
SEG2
SEG3
SEG4
SEG5
SEG6
SEG7
SEG8
SEG9
SEG10
SEG11
SEG12
SEG13
1
2
3
4
5
6
7
8
9
10
11
12
13
14
15
16
17
18
19
20
21
22
23
24
25
26
27
28
56
55
54
53
52
51
50
49
48
47
46
45
44
43
42
41
40
39
38
37
36
35
34
33
32
31
30
29
SEG27
SEG26
SEG25
SEG24
SEG23
SEG22
SEG21
SEG20
SEG19
SEG18
SEG17
SEG16
SEG15
SEG14
*
Pin 49 (V
DD
) is provided only when a 56-pin flat package is used.
TEST
(NC)
BD
V
SS1
XTB
XT
V
DD
V
SS2
V
SS3
V
CM
V
CP
V
EE
(NC)
(NC)
NC: No-connection pin
56-Pin Plastic QFP
3/22
¡ Semiconductor
MSM6577-xx
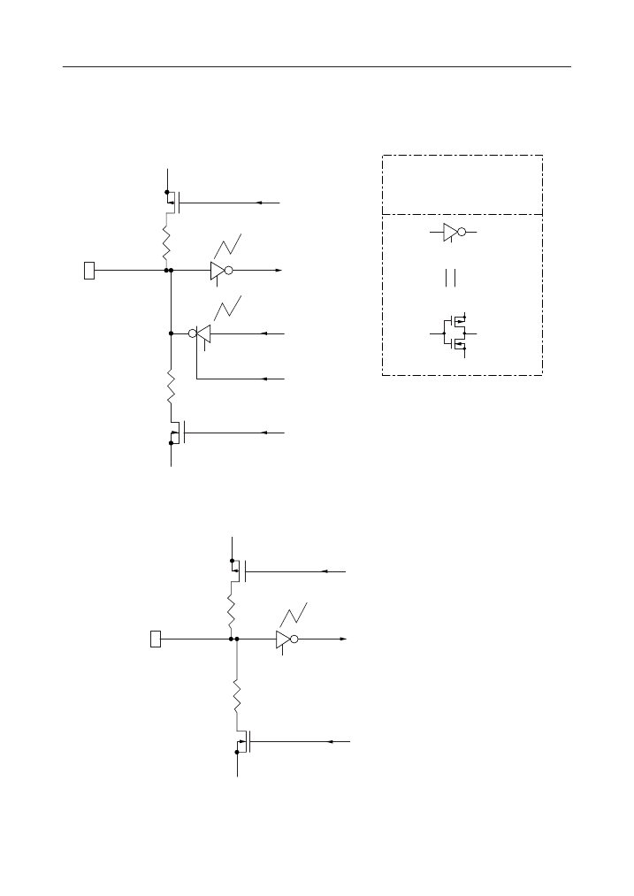
PIN DESCRIPTIONS
Symbol
PORT0
(P0.0 to P0.3)
Type
I/O
• 4-bit input-output port
Description
Circuit
• Input or output software selectable.
• A pull-up resistor or pull-down resistor can be selected for each bit (P0.0 to P0.3)
(via mask option).
• When using port as output, the pull-up or pull-down resistor is disconnected
from the pin.
A
PORT1
(P1.0 to P1.3)
I
• 4-bit input port
• Pull-up resistor or pull-down
resistor can be selected for
PORT1 (P1.0 to P1.3)
(via mask option).
P1.0
P1.1
P1.2
P1.3
P2.0
External
Interrupt
ports
Serial clock pin
Serial input pin
Serial output pin
SCLK
SIN
SOUT
B
C
B
D
E
E
F
PORT2
(P2.0 to P2.3)
O
O
I
• 4-bit output port
Buzzer output pin
• Reset input pin
P2.1 to P2.3
BD
RESET
• System reset generation level "H" or "L" selectable (mask option)
Note : If "H" is selected, pull-down resistor is used and if "L" is selected,
pull-up resistor is used.
TEST
XT
XTB
V
DD
V
SS1
V
SS2
V
SS3
V
CP
V
CM
V
EE
SEG0 to
SEG27
I
I
O
O
0V power supply pin
–1.5 V power supply pin (power supply pin for –1.5 V operation)
–3.0 V power supply pin (power supply pin for –3.0 V operation)
–4.5 V power supply pin
Capacitor connection pin for voltage converter
Internal logic power supply pin (voltage regulator output pin)
Liquid crystal display driving pins
Test pin (Tie to the negative pole of the battery.)*
Oscillation crystal connection pin
G
H
I
*
3.0 V operation ...... V
SS
= V
SS2
1.5 V operation ...... V
SS
= V
SS1
4/22
¡ Semiconductor
MSM6577-xx
Pin Circuits
A. Input-output port
V
DD
V
SS
: by power supply specification
Pull-up control signal
CMOS inverter
(Internal logic)
V
SS
3-state CMOS buffer
V
DD
I
V
SS
I/O switching signal
O
3.0 V operation ... V
SS
=V
SS2
1.5 V operation ... V
SS
=V
SS1
I
V
SS
O
(Internal logic)
V
SS
Pull-down control signal
V
SS
B. Input port
V
DD
Pull-up control signal
CMOS inverter
(Internal logic)
V
SS
Pull-down control signal
V
SS
5/22
SPI 介面的三相功率-电能集成电路
集中说明了SPI 介面的三相功率的运用 电能集成电路 本书中收录了很详细的电路图和解析过程 SPI ...
rain 模拟电子
第五届全国大学生电子设计竞赛获奖作品选编2
本帖最后由 paulhyde 于 2014-9-15 09:37 编辑 第五届全国大学生电子设计...
fighting 电子竞赛
MAXQ7654在信号滤波中的应用
  本文描述的应用旨在展示 MAXQ7654 的混合信号特性。微控制器利用一个...
feifei FPGA/CPLD
单片机是如何在液晶上显示字符的(pdf)
单片机是如何在液晶上显示字符的(pdf) 单片机是如何在液晶上显示字符的(pdf) ...
rain PCB设计
PIC系列单片机简介
PIC 系列单片机简介 PIC系列单片机简介 ...
rain Microchip MCU
of_iomap函数在内核中返回值是NULL,这是怎么通过函数返回值得到映射后的地址的?
如图,of_iomap函数的返回值一直是NULL,但是看网上的使用方法是将该函数的返回值作为设备树...
seven_spark Linux开发
热门器件
热门资源推荐
器件捷径:
00 01 02 03 04 05 06 07 08 09 0A 0C 0F 0J 0L 0M 0R 0S 0T 0Z 10 11 12 13 14 15 16 17 18 19 1A 1B 1C 1D 1E 1F 1H 1K 1M 1N 1P 1S 1T 1V 1X 1Z 20 21 22 23 24 25 26 27 28 29 2A 2B 2C 2D 2E 2F 2G 2K 2M 2N 2P 2Q 2R 2S 2T 2W 2Z 30 31 32 33 34 35 36 37 38 39 3A 3B 3C 3D 3E 3F 3G 3H 3J 3K 3L 3M 3N 3P 3R 3S 3T 3V 40 41 42 43 44 45 46 47 48 49 4A 4B 4C 4D 4M 4N 4P 4S 4T 50 51 52 53 54 55 56 57 58 59 5A 5B 5C 5E 5G 5H 5K 5M 5N 5P 5S 5T 5V 60 61 62 63 64 65 66 67 68 69 6A 6C 6E 6F 6M 6N 6P 6R 6S 6T 70 71 72 73 74 75 76 77 78 79 7A 7B 7C 7M 7N 7P 7Q 7V 7W 7X 80 81 82 83 84 85 86 87 88 89 8A 8D 8E 8L 8N 8P 8S 8T 8W 8Y 8Z 90 91 92 93 94 95 96 97 98 99 9A 9B 9C 9D 9F 9G 9H 9L 9S 9T 9W
索引文件:
378  1949  392  828  1345  8  40  17  28  47 
需要登录后才可以下载。
登录取消
下载 PDF 文件