首页 > 器件类别 > 嵌入式处理器和控制器 > 微控制器和处理器
 PDF数据手册

MSM66101-XXXGS-BK

描述:
Microcontroller, 16-Bit, MROM, OLMS-66K CPU, 10MHz, CMOS, PQFP64
分类:
文件大小:
570KB,共28页
制造商:
概述
Microcontroller, 16-Bit, MROM, OLMS-66K CPU, 10MHz, CMOS, PQFP64
器件参数
参数名称
属性值
是否Rohs认证
不符合
厂商名称
LAPIS Semiconductor Co Ltd
包装说明
QFP, QFP64,.66SQ,32
Reach Compliance Code
unknown
位大小
16
CPU系列
OLMS-66K
JESD-30 代码
S-PQFP-G64
JESD-609代码
e0
端子数量
64
最高工作温度
85 °C
最低工作温度
-40 °C
封装主体材料
PLASTIC/EPOXY
封装代码
QFP
封装等效代码
QFP64,.66SQ,32
封装形状
SQUARE
封装形式
FLATPACK
电源
5 V
认证状态
Not Qualified
RAM(字节)
384
ROM(单词)
12288
ROM可编程性
MROM
速度
10 MHz
最大压摆率
35 mA
标称供电电压
5 V
表面贴装
YES
技术
CMOS
温度等级
INDUSTRIAL
端子面层
Tin/Lead (Sn/Pb)
端子形式
GULL WING
端子节距
0.8 mm
端子位置
QUAD
文档预览
E2E1026-27-Y4
¡ Semiconductor
MSM66101
¡ Semiconductor
OLMS-66K Series 16-Bit Microcontroller
This version:
MSM66101
Jan. 1998
Previous version: Nov. 1996
GENERAL DESCRIPTION
The MSM66101 is a high performance microcontroller that employs OKI original nX-8/100 CPU
core. This chip includes a 16-bit CPU, ROM, RAM, I/O ports, multifunction 16-bit timers, 10-
bit A/D converter, serial I/O port, and pulse width modulator (PWM).
FEATURES
• 64K address space for program memory
• 64K address space for data memory
• High-speed execution
Minimum cycle for instruction
• Powerful instruction set
:
:
:
:
Internal ROM : 12K bytes
Internal RAM : 384 bytes
400ns @ 10MHz
Instruction set superior in orthogonal matrix
8/16-bit data transfer instructions
8/16-bit arithmetic instructions
Multiplication and division operation
instructions
Bit manipulation instructions
Bit logic instrucitons
ROM table reference instructions
Register addressing
Page addressing
Pointing register indirect addressing
Stack addressing
Immediate value addressing
• Abundant addressing modes
:
• I/O port
Input-output port
5 ports
¥
8 bits
(Each bit can be assigned to input or output)
Input port
: 1 port
¥
8 bits
• Built-in multifunctional 16-bit timer
: 2
Following 4 modes can be set for each timer :Auto-reload timer mode
Clock output mode
Capture register mode
Real time output mode
• Serial port
: 1 channel (UART mode with baud rate
generator)
• 12-bit pulse width modulator
: 2
• Watchdog timer
• Transition detector
: 4
• 10-bit A/D converter
: 8 channels
• Interrupts
Nonmaskable
: 1
Maskable
: Internal 10/external 2
• Stand-by function
STOP mode
: Software clock stop mode
HALT mode
: Software CPU stop mode
HOLD mode
: Hardware CPU stop mode
:
1/28
¡ Semiconductor
MSM66101
• Package options:
64-pin plastic shrink DIP (SDIP64-P-750-1.78) : (Product name: MSM66101-¥¥¥SS)
64-pin plastic QFP (QFP64-P-1414-0.80-BK)
: (Product name: MSM66101-¥¥¥GS-BK)
68-pin plastic QFJ (PLCC) (QFJ68-P-S950-1.27) : (Product name: MSM66101-¥¥¥JS)
64-pin ceramic piggyback (ADIP64-C-750-1.78) : (Product name: MSM66G101VS)
* The piggyback type is used only for engineering samples.
¥¥¥
indicates the code number.
2/28
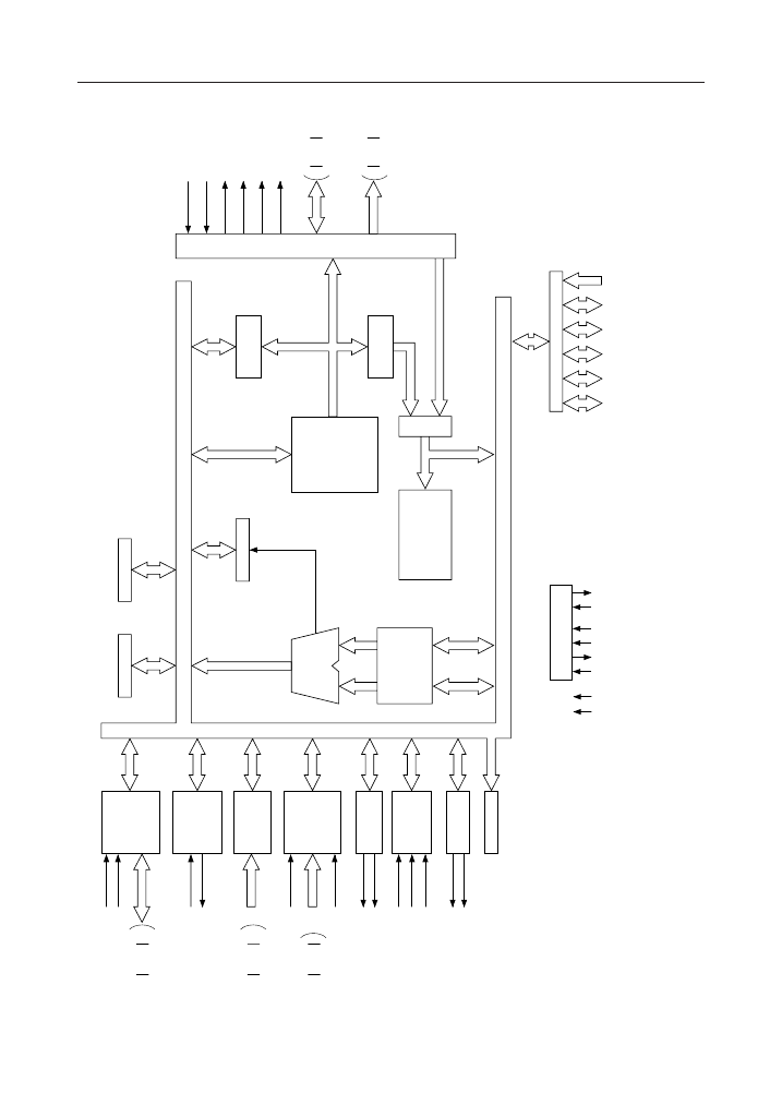
P4.0/TM0CK
P4.1/TM1CK
P3.4/TM0IO
SSP
LRB
TIMER
0–1
P3.5/TM1IO
EA
READY
ALE
PSEN
RD
WR
AD0/P0.0
AD7/P0.7
A8 /P1.0
ROM
12K
¥
8 bits
IR
INSTRUCTION
DEC.
A15/P1.7
BLOCK DIAGRAM
¡ Semiconductor
P3.1/RXD
P3.0/TXD
B
U
S
PSW
RAM
384
¥
8 bits
SERIAL
PORT
P4.4/TRNS0
P
O
R
T
P4.7/TRNS3
MEMORY
ALU
CONT.
PC
RAP
ALU
ACC
TEMPORARY R.
CONSTANTS
CONT.
TRANSI-
TION D.
V
REF
P5.0/AI 0
P5.7/AI 7
AGND
A/D
CONV.
C
O
N
T
.
P4.2/PWM0
P4.3/PWM1
PWM
0,1
NMI
P3.2/INT0
P3.3/INT1
INTERRUPT
CONT.
RESOUT
P2.3/CLKOUT
PERIPHERAL
CONT.
WDT
SYSTEM
CONT.
PORT
GND
V
DD
FLT
RES
OSC1
OSC0
HLDA/P2.5
HOLD/P2.4
P0
P1
P2
P3
P4
P5
MSM66101
3/28
¡ Semiconductor
MSM66101
PIN CONFIGURATION (TOP VIEW)
AD0/P0.0
AD1/P0.1
AD2/P0.2
AD3/P0.3
AD4/P0.4
AD5/P0.5
AD6/P0.6
AD7/P0.7
A8/P1.0
A9/P1.1
A10/P1.2
A11/P1.3
A12/P1.4
A13/P1.5
A14/P1.6
A15/P1.7
P2.0
P2.1
P2.2
CLKOUT/P2.3
RESOUT
ALE
PSEN
RD
WR
READY
EA
FLT
RES
OSC0
OSC1
GND
1
2
3
4
5
6
7
8
9
10
11
12
13
14
15
16
17
18
19
20
21
22
23
24
25
26
27
28
29
30
31
32
64
63
62
61
60
59
58
57
56
55
54
53
52
51
50
49
48
47
46
45
44
43
42
41
40
39
38
37
36
35
34
33
V
DD
V
REF
AGND
P5.7/AI7
P5.6/AI6
P5.5/AI5
P5.4/AI4
P5.3/AI3
P5.2/AI2
P5.1/AI1
P5.0/AI0
P4.7/TRNS3
P4.6/TRNS2
P4.5/TRNS1
P4.4/TRNS0
P4.3/PWM1
P4.2/PWM0
P4.1/TM1CK
P4.0/TM0CK
P3.7
P3.6
P3.5/TM1IO
P3.4/TM0IO
P3.3/INT1
P3.2/INT0
P3.1/RXD
P3.0/TXD
P2.7
P2.6
P2.5/HLDA
P2.4/HOLD
NMI
64-Pin Plastic Shrink DIP
4/28
¡ Semiconductor
PIN CONFIGURATION (TOP VIEW) (Continued)
A8/P1.0
A9/P1.1
A10/P1.2
A11/P1.3
A12/P1.4
A13/P1.5
A14/P1.6
A15/P1.7
P2.0
P2.1 10
P2.2 11

,
64 P0.7/AD7
63 P0.6/AD6
62 P0.5/AD5
61 P0.4/AD4
60 P0.3/AD3
59 P0.2/AD2
1
2
3
4
5
6
7
8
9
MSM66101
58 P0.1/AD1
57 P0.0/AD0
53 P5.7/AI7
52 P5.6/AI6
54 P5.5/AI5
50 P5.4/AI4
49 P5.3/AI3
48 P5.2/AI2
47 P5.1/AI1
46 P5.0/AI0
45 P4.7/TRNS3
44 P4.6/TRNS2
43 P4.5/TRNS1
42 P4.4/TRNS0
41 P4.3/PWM1
40 P4.2/PWM0
39 P4.1/TM1CK
38 P4.0/TM0CK
37 P3.7/TM3IO
36 P3.6/TM2IO
35 P3.5/TM1IO
34 P3.4/TM0IO
33 P3.3/INT1
CLKOUT/P2.3 12
RESOUT 13
ALE 14
PSEN
15
RD
16
WR
17
READY 18
EA
19
FLT
20
RES
21
OSC0 22
OSC1
23
GND 24
NMI
25
HOLD/P2.4 26
HLDA/P2.5 27
54 AGND
55 V
REF
56 V
DD
TXC/P2.6 28
RXC/P2.7 29
TXD/P3.0 30
RXD/P3.1 31
64-Pin Plastic QFP
INT0/P3.2
32
5/28
热门器件
热门资源推荐
器件捷径:
S0 S1 S2 S3 S4 S5 S6 S7 S8 S9 SA SB SC SD SE SF SG SH SI SJ SK SL SM SN SO SP SQ SR SS ST SU SV SW SX SY SZ T0 T1 T2 T3 T4 T5 T6 T7 T8 T9 TA TB TC TD TE TF TG TH TI TJ TK TL TM TN TO TP TQ TR TS TT TU TV TW TX TY TZ U0 U1 U2 U3 U4 U6 U7 U8 UA UB UC UD UE UF UG UH UI UJ UK UL UM UN UP UQ UR US UT UU UV UW UX UZ V0 V1 V2 V3 V4 V5 V6 V7 V8 V9 VA VB VC VD VE VF VG VH VI VJ VK VL VM VN VO VP VQ VR VS VT VU VV VW VX VY VZ W0 W1 W2 W3 W4 W5 W6 W7 W8 W9 WA WB WC WD WE WF WG WH WI WJ WK WL WM WN WO WP WR WS WT WU WV WW WY X0 X1 X2 X3 X4 X5 X7 X8 X9 XA XB XC XD XE XF XG XH XK XL XM XN XO XP XQ XR XS XT XU XV XW XX XY XZ Y0 Y1 Y2 Y4 Y5 Y6 Y9 YA YB YC YD YE YF YG YH YK YL YM YN YP YQ YR YS YT YX Z0 Z1 Z2 Z3 Z4 Z5 Z6 Z8 ZA ZB ZC ZD ZE ZF ZG ZH ZJ ZL ZM ZN ZP ZR ZS ZT ZU ZV ZW ZX ZY
索引文件:
205  30  2355  2312  1940  5  1  48  47  40 
需要登录后才可以下载。
登录取消
下载 PDF 文件