首页 > 器件类别 > 嵌入式处理器和控制器 > 微控制器和处理器
 PDF数据手册

MSM66201-XXXSS

描述:
Microcontroller, 16-Bit, MROM, OLMS-66K CPU, 10MHz, CMOS, PDIP64
分类:
文件大小:
579KB,共30页
制造商:
概述
Microcontroller, 16-Bit, MROM, OLMS-66K CPU, 10MHz, CMOS, PDIP64
器件参数
参数名称
属性值
是否Rohs认证
不符合
厂商名称
LAPIS Semiconductor Co Ltd
Objectid
103124736
包装说明
SDIP, SDIP64,.75
Reach Compliance Code
unknown
compound_id
182037837
位大小
16
CPU系列
OLMS-66K
JESD-30 代码
R-PDIP-T64
JESD-609代码
e0
端子数量
64
最高工作温度
85 °C
最低工作温度
-40 °C
封装主体材料
PLASTIC/EPOXY
封装代码
SDIP
封装等效代码
SDIP64,.75
封装形状
RECTANGULAR
封装形式
IN-LINE, SHRINK PITCH
电源
5 V
认证状态
Not Qualified
RAM(字节)
512
ROM(单词)
16384
ROM可编程性
MROM
速度
10 MHz
最大压摆率
35 mA
标称供电电压
5 V
表面贴装
NO
技术
CMOS
温度等级
INDUSTRIAL
端子面层
Tin/Lead (Sn/Pb)
端子形式
THROUGH-HOLE
端子节距
1.78 mm
端子位置
DUAL
文档预览
E2E1027-27-Y4
¡ Semiconductor
MSM66201/66P201/66207/
66P207
¡ Semiconductor
OLMS-66K Series 16-Bit Microcontroller
This version: Jan. 1998
MSM66201/66P201/66207/66P207
Previous version: Nov. 1996
GENERAL DESCRIPTION
The MSM66201/66207 is a high performance microcontroller that employs OKI original nX-8/
200 CPU core. This chip includes a 16-bit CPU, ROM, RAM, I/O ports, multifunction 16-bit
timers, 10-bit A/D converter, serial I/O port, and pulse width modulator (PWM). The
MSM66P201/66P207 is the OTP (One-Time Programmable) version of the MSM66201/66207.
FEATURES
• 64K address space for program memory
• 64K address space for data memory
• High-speed execution
Minimum cycle for instruction
• Powerful instruction set
: Internal ROM : MSM66201
MSM66207
: Internal RAM : MSM66201
MSM66207
16K bytes
32K bytes
512 bytes
1024 bytes
• Abundant addressing modes
: 400ns @ 10MHz
: Instruction set superior in orthogonal matrix
8/16-bit data transfer instructions
8/16-bit arithmetic instructions
Multiplication and division operation instructions
Bit manipulation instructions
Bit logic instrucitons
ROM table reference instructions
: Register addressing
Page addressing
Pointing register indirect addressing
Stack addressing
Immediate value addressing
: 5 ports
¥
8 bits
(Each bit can be assigned to input or output)
Input port
: 1 port
¥
8 bits
• Built-in multifunctional 16-bit timer
:4
Following 4 modes can be set for each timer : Auto-reload timer mode
Clock output mode
Capture register mode
Real time output mode
• Serial port
: 1 channel (Synchronous/UART switchable
mode with baud rate generators)
• 16-bit pulse width modulator
:2
• Watchdog timer
• Transition detector
:4
• 10-bit A/D converter
: 8 channels
• Interrupts
Nonmaskable
:1
Maskable
: Internal 16/external 2
• Stand-by function
STOP mode
: Software clock stop mode
HALT mode
: Software CPU stop mode
HOLD mode
: Hardware CPU stop mode
1/30
• I/O port
Input-output port
¡ Semiconductor
• Package
64-pin plastic shrink DIP (SDIP64-P-750-1.78)
MSM66201/66P201/66207/66P207
*
: (MSM66201-¥¥¥SS) (MSM66P201-¥¥¥SS)
(MSM66207-¥¥¥SS) (MSM66P207-¥¥¥SS)
64-pin plastic QFP (QFP64-P-1414-0.80-BK)
: (MSM66201-¥¥¥GSBK)(MSM66207¥¥¥GS-
BK)
68-pin plastic QFJ (PLCC) (QFJ68-P-S950-1.27) : (MSM66201-¥¥¥JS) (MSM66P201-¥¥¥JS)
(MSM66207-¥¥¥JS) (MSM66P207-¥¥¥JS)
64-pin ceramic piggyback (ADIP64-C-750-1.78) : (MSM66G207VS)
(¥¥¥ indicates the code number.)
The piggyback type is used only for engineering samples.
2/30
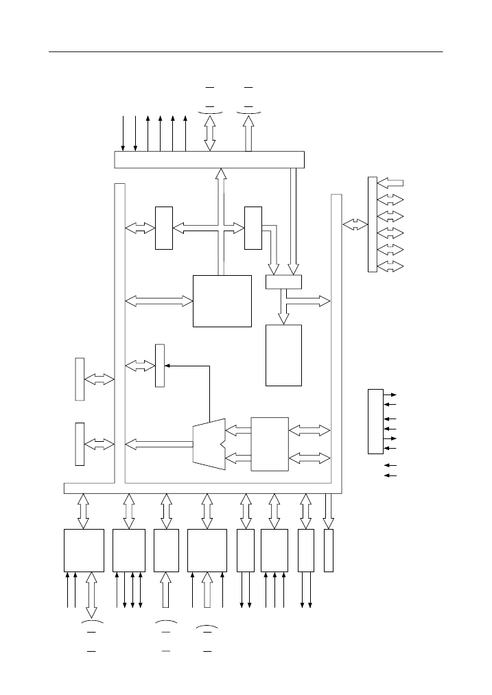
P4.0/TM0CK
P4.1/TM1CK
P3.4/TM0IO
SSP
LRB
TIMER
0–3
P3.7/TM3IO
EA
READY
ALE
PSEN
P
O
R
T
RD
WR
BLOCK DIAGRAM
¡ Semiconductor
P3.1/RXD
P3.0/TXD
P2.7/RXC
P2.6/TXC
*2
PSW
RAM
1024
¥
8 bits
B
U
S
SERIAL
PORT
P4.4/TRNS0
P4.7/TRNS3
MEMORY
ALU
CONT.
PC
RAP
*1
ROM
32K
¥
8 bits
IR
INSTRUCTION
DECODER
ALU
ACCUMULATOR
TEMPORARY R.
CONSTANTS
CONT.
TRANSI-
TION D.
V
REF
P5.0/AI 0
P5.7/AI 7
AGND
A/D
CONV.
AD0/P0.0
AD7/P0.7
A8 /P1.0
A15/P1.7
C
O
N
T
.
P4.2/PWM0
P4.3/PWM1
PWM
0,1
NMI
P3.2/INT0
P3.3/INT1
INTERRUPT
CONT.
P2.3/CLKOUT
RESOUT
PERIPHERAL
CONT.
WDT
SYSTEM
CONTROLLER
PORT
*1 MSM66201 16K
¥
8
*2 MSM66201 512
¥
8
P2
P3
P4
P5
P0
P1
MSM66201/66P201/66207/66P207
FLT
RES
OSC1
OSC0
HLDA/P2.5
HOLD/P2.4
GND
V
DD
3/30
¡ Semiconductor
MSM66201/66P201/66207/66P207
PIN CONFIGURATION (TOP VIEW)
AD0/P0.0
AD1/P0.1
AD2/P0.2
AD3/P0.3
AD4/P0.4
AD5/P0.5
AD6/P0.6
AD7/P0.7
A8/P1.0
A9/P1.1
A10/P1.2
A11/P1.3
A12/P1.4
A13/P1.5
A14/P1.6
A15/P1.7
P2.0
P2.1
P2.2
CLKOUT/P2.3
RESOUT
ALE
PSEN
RD
WR
READY
EA
FLT
RES
OSC0
OSC1
GND
1
2
3
4
5
6
7
8
9
10
11
12
13
14
15
16
17
18
19
20
21
22
23
24
25
26
27
28
29
30
31
32
64
63
62
61
60
59
58
57
56
55
54
53
52
51
50
49
48
47
46
45
44
43
42
41
40
39
38
37
36
35
34
33
V
DD
V
REF
AGND
P5.7/AI7
P5.6/AI6
P5.5/AI5
P5.4/AI4
P5.3/AI3
P5.2/AI2
P5.1/AI1
P5.0/AI0
P4.7/TRNS3
P4.6/TRNS2
P4.5/TRNS1
P4.4/TRNS0
P4.3/PWM1
P4.2/PWM0
P4.1/TM1CK
P4.0/TM0CK
P3.7/TM3IO
P3.6/TM2IO
P3.5/TM1IO
P3.4/TM0IO
P3.3/INT1
P3.2/INT0
P3.1/RXD
P3.0/TXD
P2.7/RXC
P2.6/TXC
P2.5/HLDA
P2.4/HOLD
NMI
64-Pin Plastic Shrink DIP
4/30
¡ Semiconductor
PIN CONFIGURATION (TOP VIEW) (Continued)
A8/P1.0
A9/P1.1
A10/P1.2
A11/P1.3
A12/P1.4
A13/P1.5
A14/P1.6
A15/P1.7
P2.0
P2.1 10
P2.2 11
CLKOUT/P2.3 12
RESOUT 13
ALE 14
PSEN
15
RD
16

,
64 P0.7/AD7
63 P0.6/AD6
62 P0.5/AD5
61 P0.4/AD4
60 P0.3/AD3
59 P0.2/AD2
1
2
3
4
5
6
7
8
9
WR
17
READY 18
EA
19
FLT
20
RES
21
OSC0 22
MSM66201/66P201/66207/66P207
58 P0.1/AD1
57 P0.0/AD0
53 P5.7/AI7
52 P5.6/AI6
54 P5.5/AI5
50 P5.4/AI4
49 P5.3/AI3
48 P5.2/AI2
47 P5.1/AI1
46 P5.0/AI0
45 P4.7/TRNS3
44 P4.6/TRNS2
43 P4.5/TRNS1
42 P4.4/TRNS0
41 P4.3/PWM1
40 P4.2/PWM0
39 P4.1/TM1CK
38 P4.0/TM0CK
37 P3.7/TM3IO
36 P3.6/TM2IO
35 P3.5/TM1IO
34 P3.4/TM0IO
33 P3.3/INT1
INT0/P3.2
32
OSC1
23
GND 24
NMI
25
HOLD/P2.4 26
HLDA/P2.5 27
54 AGND
55 V
REF
56 V
DD
TXC/P2.6 28
RXC/P2.7 29
TXD/P3.0 30
64-Pin Plastic QFP
RXD/P3.1 31
5/30
参数对比
与MSM66201-XXXSS相近的元器件有:MSM66P207-XXXJS。描述及对比如下:
型号 MSM66201-XXXSS MSM66P207-XXXJS
描述 Microcontroller, 16-Bit, MROM, OLMS-66K CPU, 10MHz, CMOS, PDIP64 Microcontroller, 16-Bit, UVPROM, OLMS-66K CPU, 10MHz, CMOS, PQCC68
是否Rohs认证 不符合 不符合
厂商名称 LAPIS Semiconductor Co Ltd LAPIS Semiconductor Co Ltd
包装说明 SDIP, SDIP64,.75 QCCJ, LDCC68,1.0SQ
Reach Compliance Code unknown unknown
位大小 16 16
CPU系列 OLMS-66K OLMS-66K
JESD-30 代码 R-PDIP-T64 S-PQCC-J68
JESD-609代码 e0 e0
端子数量 64 68
最高工作温度 85 °C 85 °C
最低工作温度 -40 °C -40 °C
封装主体材料 PLASTIC/EPOXY PLASTIC/EPOXY
封装代码 SDIP QCCJ
封装等效代码 SDIP64,.75 LDCC68,1.0SQ
封装形状 RECTANGULAR SQUARE
封装形式 IN-LINE, SHRINK PITCH CHIP CARRIER
电源 5 V 5 V
认证状态 Not Qualified Not Qualified
RAM(字节) 512 1024
ROM(单词) 16384 32768
ROM可编程性 MROM UVPROM
速度 10 MHz 10 MHz
最大压摆率 35 mA 40 mA
标称供电电压 5 V 5 V
表面贴装 NO YES
技术 CMOS CMOS
温度等级 INDUSTRIAL INDUSTRIAL
端子面层 Tin/Lead (Sn/Pb) Tin/Lead (Sn/Pb)
端子形式 THROUGH-HOLE J BEND
端子节距 1.78 mm 1.27 mm
端子位置 DUAL QUAD
热门器件
热门资源推荐
器件捷径:
00 01 02 03 04 05 06 07 08 09 0A 0C 0F 0J 0L 0M 0R 0S 0T 0Z 10 11 12 13 14 15 16 17 18 19 1A 1B 1C 1D 1E 1F 1H 1K 1M 1N 1P 1S 1T 1V 1X 1Z 20 21 22 23 24 25 26 27 28 29 2A 2B 2C 2D 2E 2F 2G 2K 2M 2N 2P 2Q 2R 2S 2T 2W 2Z 30 31 32 33 34 35 36 37 38 39 3A 3B 3C 3D 3E 3F 3G 3H 3J 3K 3L 3M 3N 3P 3R 3S 3T 3V 40 41 42 43 44 45 46 47 48 49 4A 4B 4C 4D 4M 4N 4P 4S 4T 50 51 52 53 54 55 56 57 58 59 5A 5B 5C 5E 5G 5H 5K 5M 5N 5P 5S 5T 5V 60 61 62 63 64 65 66 67 68 69 6A 6C 6E 6F 6M 6N 6P 6R 6S 6T 70 71 72 73 74 75 76 77 78 79 7A 7B 7C 7M 7N 7P 7Q 7V 7W 7X 80 81 82 83 84 85 86 87 88 89 8A 8D 8E 8L 8N 8P 8S 8T 8W 8Y 8Z 90 91 92 93 94 95 96 97 98 99 9A 9B 9C 9D 9F 9G 9H 9L 9S 9T 9W
索引文件:
643  1046  2847  1115  1655  13  22  58  23  34 
需要登录后才可以下载。
登录取消
下载 PDF 文件