首页 > 器件类别 > 无线/射频/通信 > 电信电路
 PDF数据手册

MSM7557GS-2K

描述:
Telecom IC, PQFP56
分类:
文件大小:
126KB,共25页
制造商:
概述
Telecom IC, PQFP56
器件参数
参数名称
属性值
是否Rohs认证
不符合
厂商名称
LAPIS Semiconductor Co Ltd
包装说明
QFP, QFP56,.53X.57
Reach Compliance Code
unknow
JESD-30 代码
S-PQFP-G56
JESD-609代码
e0
端子数量
56
最高工作温度
70 °C
最低工作温度
-30 °C
封装主体材料
PLASTIC/EPOXY
封装代码
QFP
封装等效代码
QFP56,.53X.57
封装形状
SQUARE
封装形式
FLATPACK
电源
3/5 V
认证状态
Not Qualified
最大压摆率
24 mA
表面贴装
YES
温度等级
OTHER
端子面层
Tin/Lead (Sn/Pb)
端子形式
GULL WING
端子节距
0.635 mm
端子位置
QUAD
文档预览
E2A0046-16-X1
¡ Semiconductor
¡ Semiconductor
MSM7557
This version: Jan. 1998
MSM7557
Previous version: Nov. 1996
Single Chip MSK Modem with Compandor for Cordless Telephone
GENERAL DESCRIPTION
The MSM7557 is a single chip MSK modem with base band voice processor for cordless telephone.
The MSM7557 voice transmit block consists of high pass filter, compressor, pre-emphasis, limiter
and splatter filter.
Voice receive block consists of Band pass filter, De-emphasis and Expander.
FEATURES
• Available to transmit modem signal and also transmit base band voice signal through wireless
transmission path (0.3 kHz to 3.4 kHz)
• Built-in compandor circuit
• Upper limit of voice band (3306 Hz/3400 Hz/3500 Hz) is selectable
• Modem bit rate (2400/1200 bps) is selectable
• Transmit function and receive function operate separately
• Emphasis mode selectable
• Built-in bit synchronous detector and frame synchronous detector
• Built-in limiter level generator and external limit voltage input
• Dynamic range selectable
• Built-in crystal oscillator circuit
• Wide range power supply voltage (2.7V ~ 5.5V)
• Package :
56-pin plastic QFP
(QFP56-P-910-0.65-2K) (Product name : MSM7557GS-2K)
1/25
¡ Semiconductor
BLOCK DIAGRAM
CMPI
CC1
CC2
CC3N
CC3P
TVIO
TVI
LIM
Com-
pressor
+
HPF1
Pre-
Emphasis
Limiter
Splatter
Filter
RC-
LPF
TAO
SEC
DYN
TVE
ME
EMP
RCK1
RCK2
RD
RT
FD
FPS
BIT
FDE
CSH
SD
ST
BR
VR1
VR2
VR3
BYP
VDD
GND
SG
MOD
RC-
LPF
DEMOD
SG
Mix LPF
Mixer
DEM-
BPF
CONT
Flame
Det
Shaper
X1
X2
RAIO
OSC
+
RAI
RBPF
De-
Emphasis
Voltage
REF
HPF2
Expander
RC-
LPF
RVO
CE3N
PDN
PDN
CE3P
CE1
CE2
RVE
MSM7557
2/25
¡ Semiconductor
MSM7557
PIN CONFIGURATION (TOP VIEW)
50 PDN
49 VDD
48 RVE
55 TVE
44 FPS
54 ME
46 RD
51 NC
NC
ST
EMP
LIM
NC
VR1
VR2
VR3
NC
TVIO
CMPI
TVI
CC1
CC2
1
2
3
4
5
6
7
8
9
10
11
12
13
14
15
16
17
18
19
20
21
22
23
24
25
26
27
28
43 NC
42
41
40
39
38
37
36
35
34
33
32
31
30
29
56 SD
47 RT
53 X2
52 X1
45 FD
NC
BIT
FDE
BR
BYP
RCK2
RCK1
SEC
CSH
RAI
NC
RAIO
CE3P
NC
(VDD)
GND
DYN
CC3N
CC3P
RVO
SG
TAO
CE3N
NC
NC
CE1
Notes: The pin 49 should be used for V
DD
.
The pin 21 should be connected to V
DD
or opened.
NC : No connect pin
CE2
NC
3/25
¡ Semiconductor
MSM7557
PIN DESCRIPTION
Name
Transmit data input.
The data on SD pin are took into MSK modulator and the data are available on the positive edge of ST.
Description
ME
SD input
t
MS
SD
ST
Modulator
input data
In order to synchronize a receive modem, more than 18bits bit-synchronous signal should be
transmitted before data transmission. If S/N ratio of the receive signal is always good, more than
11bits bit-synchronous signal synchronizes the receiver.
ST
Transmit data timing clock output.
When digital "0" is put on ME pin, ST is fixed to digital "1" level.
Emphasis path selection.
EMP
EMP
0
1
path
Pre-emphasis circuit is connected to the
path
Transmit side
Pre-emphasis circuit is bypassed to the
path
De-emphasis circuit is connected to the
path
Receive side
De-emphasis circuit is bypassed to the
Deviation limiter control.
Voice signal maximum Rf modulation level is controlled by connecting external reference voltage to
this pin.
Input impedance of this pin is about 200 kW.
When this pin is left open, internal reference voltage is used as the clamp level.
LIM
Internal clamp level is as follows.
DYN
0
1
Internal clamp level
0.50 V
1.26 V
Limiter level
–9 dBV
–1 dBV
This internal clamp level is made by internal reference voltage which is unrelated with V
DD
.
Negative clamp level is made by internal operational amplifier and the voltage is reversed at VSG.
4/25
¡ Semiconductor
MSM7557
(Continued)
Name
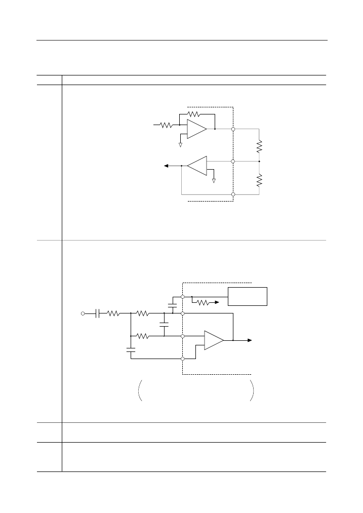
Modulator output level control.
Refer to the following figure.
R1
40 kW
R2
40 kW
R1
R2
R1
Description
From modulator
+
VR1
VR1
VR2
VR3
To transmit filter
+
VR2
R2
VR3
V
TAO
= 20
¥
log (R2/R1) – 9 dBV (DYN = "0" )
V
TAO
= 20
¥
log (R2/R1) – 1 dBV (DYN = "1" )
This level is made from internal voltage reference, so this level doesn't depend on power supply voltage.
Transmit side RC active filter input (TVI) and output (TVIO).
If over 50 kHz frequency element is in the input signal, folding noise is generated from internal SCF
circuit, so second order RC-active filter is needed. (fc = 10 kHz)
CMPI
C19
C1
R3
R5
C3
TVI
R4
C2
SG
+
TVIO
Compressor
R5
60 kW
C1 and C19 are used for DC cut.
TVIO
TVI
VTVI
Example of fc = 10 kHz and 0 dB gain
R3 = R4 = R5 = 68 k
W
C1 = 0.22
mF,
C2 = 510 pF, C3 = 110 pF
When digital "1" is applied to TVE pin, transmit voice signal comes out to TAO.
CC1
CC2
CC3N
CC3P
Capacitor connection pins to remove for DC offset of the compressor.
A 1
mF
capacitor between SG pin and each pin should be connected.
Capacitor connection pins for the compressor attack and recovery time.
When DYN is digital "0" level, a 0.22
mF
capacitor should be connected between CC3N and CC3P.
And when DYN is digital "1" level, a 0.47
mF
capacitor should be connected between them.
5/25
热门器件
热门资源推荐
器件捷径:
E0 E1 E2 E3 E4 E5 E6 E7 E8 E9 EA EB EC ED EE EF EG EH EI EJ EK EL EM EN EO EP EQ ER ES ET EU EV EW EX EY EZ F0 F1 F2 F3 F4 F5 F6 F7 F8 F9 FA FB FC FD FE FF FG FH FI FJ FK FL FM FN FO FP FQ FR FS FT FU FV FW FX FY FZ G0 G1 G2 G3 G4 G5 G6 G7 G8 G9 GA GB GC GD GE GF GG GH GI GJ GK GL GM GN GO GP GQ GR GS GT GU GV GW GX GZ H0 H1 H2 H3 H4 H5 H6 H7 H8 HA HB HC HD HE HF HG HH HI HJ HK HL HM HN HO HP HQ HR HS HT HU HV HW HX HY HZ I1 I2 I3 I4 I5 I6 I7 IA IB IC ID IE IF IG IH II IK IL IM IN IO IP IQ IR IS IT IU IV IW IX J0 J1 J2 J6 J7 JA JB JC JD JE JF JG JH JJ JK JL JM JN JP JQ JR JS JT JV JW JX JZ K0 K1 K2 K3 K4 K5 K6 K7 K8 K9 KA KB KC KD KE KF KG KH KI KJ KK KL KM KN KO KP KQ KR KS KT KU KV KW KX KY KZ
索引文件:
2770  932  1515  1850  447  56  19  31  38  9 
需要登录后才可以下载。
登录取消
下载 PDF 文件