首页 > 器件类别 > 嵌入式处理器和控制器 > 微控制器和处理器
 PDF数据手册

MSM82C59A-2RS

描述:
Interrupt Controller, 80C85AH; 80C86A; 80C88A Compatible, CMOS, PDIP28, 0.600 INCH, PLASTIC, DIP-28
分类:
文件大小:
270KB,共30页
制造商:
概述
Interrupt Controller, 80C85AH; 80C86A; 80C88A Compatible, CMOS, PDIP28, 0.600 INCH, PLASTIC, DIP-28
器件参数
参数名称
属性值
是否Rohs认证
不符合
厂商名称
LAPIS Semiconductor Co Ltd
零件包装代码
DIP
包装说明
DIP, DIP28,.6
针数
28
Reach Compliance Code
unknow
文档解析
MSM82C59A-2可编程中断控制器专为优化微计算机系统的中断管理而设计,基于CMOS技术提供低功耗和高速性能。产品支持8级中断优先级,并可扩展到64级通过级联连接,适用于需要多任务处理的嵌入式应用。核心特性包括3V至6V宽电压范围供电、最大待机电流100μA和操作电流5mA,兼容MSM80C85AH和MSM80C86A系统频率。中断模式可编程,包括可屏蔽中断和自动向量生成,确保高效的系统响应。 操作模式多样化,包括全嵌套模式、旋转优先级模式和特殊屏蔽模式,用户可通过初始化命令字(ICW)配置中断触发类型(边缘或电平)和级联设置。操作命令字(OCW)实现动态控制,如中断屏蔽、优先级调整和结束中断(EOI)命令。技术细节涵盖内部优先级解析器、中断请求寄存器和缓冲模式支持,通过SP/EN引脚实现总线使能。封装选项为28针DIP、28针QFJ和32针SSOP,提供灵活的硬件集成方案。 扩展能力方面,设备支持缓冲模式和级联配置,便于大型系统构建。在85系统模式下,自动释放CALL指令代码;在86系统模式下,生成中断向量数据。工作温度-40°C至+85°C,符合工业标准。这些功能使MSM82C59A-2适用于实时数据处理设备,如工业控制器和网络设备,提升系统中断处理的灵活性和可靠性。
文档预览
Dear customers,
About the change in the name such as "Oki Electric Industry Co. Ltd." and
"OKI" in documents to OKI Semiconductor Co., Ltd.
The semiconductor business of Oki Electric Industry Co., Ltd. was succeeded to OKI
Semiconductor Co., Ltd. on October 1, 2008.
Therefore, please accept that although
the terms and marks of "Oki Electric Industry Co., Ltd.", “Oki Electric”, and "OKI"
remain in the documents, they all have been changed to "OKI Semiconductor Co., Ltd.".
It is a change of the company name, the company trademark, and the logo, etc. , and
NOT a content change in documents.
October 1, 2008
OKI Semiconductor Co., Ltd.
550-1 Higashiasakawa-cho, Hachioji-shi, Tokyo 193-8550, Japan
http://www.okisemi.com/en/
FEDL82C59A-2-03
FEDL82C59A-2-03
This version: Mar. 2001
MSM82C59A-2RS/GS/JS
Previous version: Jan. 1998
¡ Semiconductor
MSM82C59A-2RS/GS/JS
¡ Semiconductor
PROGRAMMABLE INTERRUPT CONTROLLER
This product is not available in Asia and Oceania.
GENERAL DESCRIPTION
The MSM82C59A-2 is a programmable interrupt for use in MSM80C85AH and MSM80C86A-
10/88A-10 microcomputer systems.
Based on CMOS silicon gate technology, this device features an extremely low standby current
of 100
mA
(max.) in chip non-selective status. During interrupt control status, the power
consumption is very low with only 5 mA (max.) being required.
Internally, the MSM82C59A-2 can control priority interrupts up to 8 levels, and can be
expanded up to 64 levels by cascade connection of a number of devices.
FEATURES
• Silicon gate CMOS technology for high speed and low power consumption
• 3 V to 6 V single power supply
• MSM80C85AH system compatibility (MAX. 5 MHz)
• MSM80C86A-10/88A-10 system compatibility (MAX. 8 MHz)
• 8-level priority interrupt control
• Interrupt levels expandable up to 64 levels
• Programmable interrupt mode
• Maskable interrupt
• Automatically generated CALL code (85 mode)
• TTL compatible
• 28-pin Plastic DIP (DIP28-P-600-2.54): (Product name: MSM82C59A-2RS)
• 28-pin Plastic QFJ (QFJ28-P-S450-1.27): (Product name: MSM82C59A-2JS)
• 32-pin Plastic SSOP (SSOP32-P-430-1.00-K): (Product name: MSM82C59A-2GS-K)
1/29
FEDL82C59A-2-03
¡ Semiconductor
MSM82C59A-2RS/GS/JS
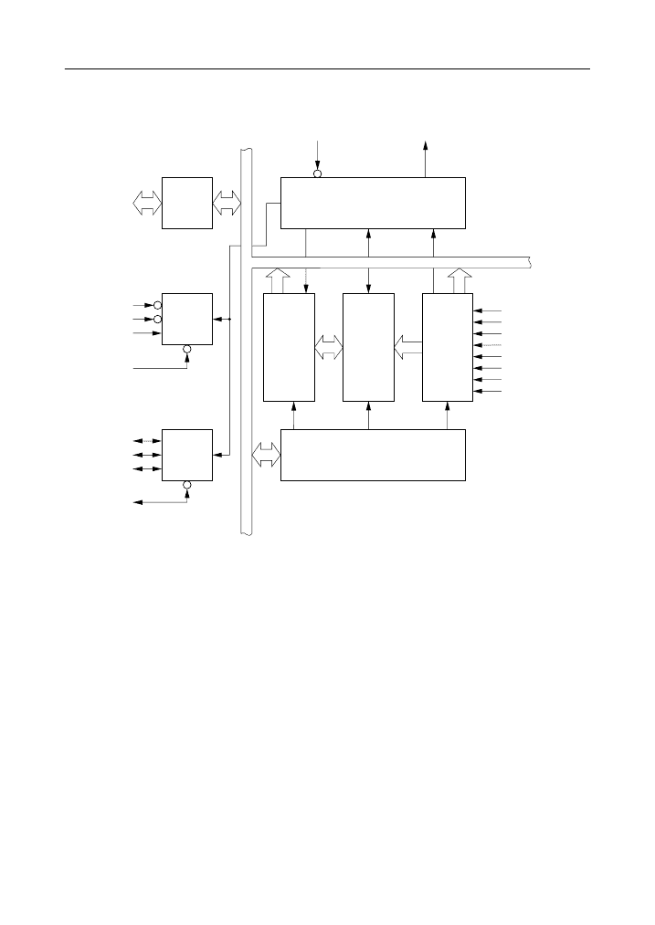
BLOCK DIAGRAM
INTA
INT
D
7
- D
0
Data
Bus
Buffer
Control Logic
RD
WR
A
0
CS
Read/
Write
Logic
In-
Service
Register
(ISR)
Priority
Resolver
Interrupt
Request
Register
(IRR)
IR
0
IR
1
IR
2
IR
3
IR
4
IR
5
IR
6
IR
7
CAS
0
CAS
1
CAS
2
SP/EN
Cascade
Buffer/
Comparator
Interrupt Mask Register (IMR)
Internal Bus (8 bits)
MSM82C59A-2 Internal Block Diagram
2/29
FEDL82C59A-2-03
¡ Semiconductor
MSM82C59A-2RS/GS/JS
PIN CONFIGURATION (TOP VIEW)
CS
WR
RD
D
7
D
6
D
5
D
4
D
3
D
2
D
1
D
0
CAS
0
CAS
1
GND
1
2
3
4
5
6
7
8
9
10
11
12
13
14
28
27
26
25
24
23
22
21
20
19
18
17
16
15
V
CC
A
O
INTA
IR
7
IR
6
IR
5
IR
4
IR
3
IR
2
IR
1
IR
0
INT
SP/EN
CAS
2
CS
WR
RD
NC
D
7
D
6
D
5
D
4
D
3
D
2
D
1
D
0
NC
CAS
0
CAS
1
GND
1
2
3
4
5
6
7
8
9
10
11
12
13
14
15
16
32
31
30
29
28
27
26
25
24
23
22
21
20
19
18
17
V
CC
A
O
INTA
NC
IR
7
IR
6
IR
5
IR
4
IR
3
IR
2
IR
1
IR
0
NC
INT
SP/EN
CAS
2
28-pin Plastic DIP
32-pin Plastic SSOP
28 V
CC
D
6
5
D
5
6
D
4
7
D
3
8
D
2
9
D
1
10
D
0
11
CAS
0
12
CAS
1
13
CAS
2
15
GND 14
SP/EN
16
INT 17
IR
0
18
27 A
O
26
INTA
25 IR
7
24 IR
6
23 IR
5
22 IR
4
21 IR
3
20 IR
2
19 IR
1
2
WR
3
RD
4 D
7
28-pin Plastic QFJ
1
CS
3/29
FEDL82C59A-2-03
¡ Semiconductor
MSM82C59A-2RS/GS/JS
ABSOLUTE MAXIMUM RATINGS
Parameter
Power Supply Voltage
Input Voltage
Output Voltage
Storage Temperature
Power Dissipation
Symbol
V
CC
V
IN
V
OUT
T
STG
P
D
Conditions
Respect
to GND
Ta = 25°C
0.9
Rating
MSM82C59A-2RS MSM82C59A-2GS MSM82C59A-2JS
Unit
V
V
V
°C
0.9
W
–0.5 to +7
–0.5 to V
CC
+ 0.5
–0.5 to V
CC
+ 0.5
–55 to +150
0.7
OPERATING RANGES
Parameter
Power Supply Voltage
Operating Temperature
Symbol
V
CC
T
OP
Range
3 to 6
–40 to +85
Unit
V
°C
RECOMMENDED OPERATING CONDITIONS
Parameter
Power Supply Voltage
Operating Temperature
"L" Level Input Voltage
"H" Level Input Voltage
Symbol
V
CC
T
OP
V
IL
V
IH
Min.
4.5
–40
–0.5
2.2
Typ.
5
+25
Max.
5.5
+85
+0.8
V
CC
+ 0.5
Unit
V
°C
V
V
DC CHARACTERISTICS
Parameter
"L" Level Output Voltage
"H" Level Output Voltage
Input Leak Current
IR Input Leak Current
Output Leak Current
Standby Power Supply
Current
Average Operation
Power Supply Current
Symbol
V
OL
V
OH
I
LI
I
LIR
I
LO
I
CCS
I
OL
= 2.5 mA
I
OH
= –2.5 mA
I
OH
= –100
mA
0
£
V
IN
£
V
CC
0
£
V
OUT
£
V
CC
CS
= V
CC,
IR = V
CC
V
IL
= 0 V, V
IH
= V
CC
V
IN
= 0 V/V
CC
C
L
= 0 pF
V
CC
= 4.5 V to 5.5 V
Ta = –40°C to +85°C
Conditions
Min.
3.0
V
CC
– 0.4
–1
–300
–10
Typ.
0.1
Max.
0.4
+1
+10
+10
100
Unit
V
V
mA
mA
mA
mA
I
CC
5
mA
4/29
参数对比
与MSM82C59A-2RS相近的元器件有:MSM82C59A-2GS-K、MSM82C59A-2JS。描述及对比如下:
型号 MSM82C59A-2RS MSM82C59A-2GS-K MSM82C59A-2JS
描述 Interrupt Controller, 80C85AH; 80C86A; 80C88A Compatible, CMOS, PDIP28, 0.600 INCH, PLASTIC, DIP-28 Interrupt Controller, 80C85AH; 80C86A; 80C88A Compatible, CMOS, PDSO32, PLASTIC, SSOP-32 Interrupt Controller, 80C85AH; 80C86A; 80C88A Compatible, CMOS, PQCC28, PLASTIC, QFJ-28
是否Rohs认证 不符合 不符合 不符合
厂商名称 LAPIS Semiconductor Co Ltd LAPIS Semiconductor Co Ltd LAPIS Semiconductor Co Ltd
零件包装代码 DIP SSOP QFJ
包装说明 DIP, DIP28,.6 SSOP, SOP32,.47,40 QCCJ, LDCC28,.5SQ
针数 28 32 28
Reach Compliance Code unknow unknown unknown
总线兼容性 - 80C85AH; 80C86A; 80C88A 80C85AH; 80C86A; 80C88A
外部数据总线宽度 - 8 8
JESD-30 代码 - R-PDSO-G32 S-PQCC-J28
JESD-609代码 - e0 e0
长度 - 15.95 mm 11.51 mm
外部中断装置数量 - 8 8
端子数量 - 32 28
最高工作温度 - 85 °C 85 °C
最低工作温度 - -40 °C -40 °C
封装主体材料 - PLASTIC/EPOXY PLASTIC/EPOXY
封装代码 - SSOP QCCJ
封装等效代码 - SOP32,.47,40 LDCC28,.5SQ
封装形状 - RECTANGULAR SQUARE
封装形式 - SMALL OUTLINE, SHRINK PITCH CHIP CARRIER
峰值回流温度(摄氏度) - NOT SPECIFIED NOT SPECIFIED
电源 - 5 V 5 V
认证状态 - Not Qualified Not Qualified
座面最大高度 - 2.5 mm 4.55 mm
最大压摆率 - 5 mA 5 mA
最大供电电压 - 5.5 V 5.5 V
最小供电电压 - 4.5 V 4.5 V
标称供电电压 - 5 V 5 V
表面贴装 - YES YES
技术 - CMOS CMOS
温度等级 - INDUSTRIAL INDUSTRIAL
端子面层 - Tin/Lead (Sn/Pb) Tin/Lead (Sn/Pb)
端子形式 - GULL WING J BEND
端子节距 - 1 mm 1.27 mm
端子位置 - DUAL QUAD
处于峰值回流温度下的最长时间 - NOT SPECIFIED NOT SPECIFIED
宽度 - 7.9 mm 11.51 mm
uPs/uCs/外围集成电路类型 - INTERRUPT CONTROLLER INTERRUPT CONTROLLER
热门器件
热门资源推荐
器件捷径:
S0 S1 S2 S3 S4 S5 S6 S7 S8 S9 SA SB SC SD SE SF SG SH SI SJ SK SL SM SN SO SP SQ SR SS ST SU SV SW SX SY SZ T0 T1 T2 T3 T4 T5 T6 T7 T8 T9 TA TB TC TD TE TF TG TH TI TJ TK TL TM TN TO TP TQ TR TS TT TU TV TW TX TY TZ U0 U1 U2 U3 U4 U6 U7 U8 UA UB UC UD UE UF UG UH UI UJ UK UL UM UN UP UQ UR US UT UU UV UW UX UZ V0 V1 V2 V3 V4 V5 V6 V7 V8 V9 VA VB VC VD VE VF VG VH VI VJ VK VL VM VN VO VP VQ VR VS VT VU VV VW VX VY VZ W0 W1 W2 W3 W4 W5 W6 W7 W8 W9 WA WB WC WD WE WF WG WH WI WJ WK WL WM WN WO WP WR WS WT WU WV WW WY X0 X1 X2 X3 X4 X5 X7 X8 X9 XA XB XC XD XE XF XG XH XK XL XM XN XO XP XQ XR XS XT XU XV XW XX XY XZ Y0 Y1 Y2 Y4 Y5 Y6 Y9 YA YB YC YD YE YF YG YH YK YL YM YN YP YQ YR YS YT YX Z0 Z1 Z2 Z3 Z4 Z5 Z6 Z8 ZA ZB ZC ZD ZE ZF ZG ZH ZJ ZL ZM ZN ZP ZR ZS ZT ZU ZV ZW ZX ZY
索引文件:
2150  2523  1661  608  2563  44  51  34  13  52 
需要登录后才可以下载。
登录取消
下载 PDF 文件