首页 > 器件类别 > 无线/射频/通信 > 光纤
 PDF数据手册

OAT1043S-V1-D-05

描述:
Transceiver
分类:
文件大小:
306KB,共4页
制造商:
概述
Transceiver
器件参数
参数名称
属性值
厂商名称
LAPIS Semiconductor Co Ltd
Reach Compliance Code
unknown
光纤设备类型
TRANSCEIVER
最高工作温度
65 °C
最低工作温度
最大供电电压
5.2 V
文档预览
OKI Electronic Components
OAT1043x-V1-z-yy
OC192/STM -64 Optical Transceiver Module
FEDFOAT1043X-V1-01
Issue Data : Jan. 15, 2002
APPLICATION
· OC- 192 and STM- 64 SERDES Transceiver
FEATURES
·
·
·
·
·
Optical performance compliant with OC-192 IR- 2/STM- 64 S-64.2b
Electrical interface compliant with OIF1999.102.8 SFI- 4
TX/RX Loss of Lock
300pins connector(Pin Assignments compliant with OIF2001.063.1)
Supply voltage; +3.3V , +5V and -5.2V
SPECIFICATION
Parameter
Parameter
Operating Bit rate
Mean launched power range
Center wavelength range
Minimum extinction ratio
Maximum spectral width
Side mode suppression ratio
Received optical power [BER = 10 -12]
Transmission distance
Power consumption
Operating temperature
Dimension
Unit
-
Gbps
dBm
nm
dB
nm
dB
dBm
km
W
°C
mm
OAT1043x-V1 -A-yy
IR-2
9.95328
-1 to +2
1530 to 1565
8.2
1.0 (@ –20 dB)
30
-14 to -1
40
10 (Typ.)
0 to +65
88.9 × 114. 3 × 13 (without heat sink)
1/4
FEDFOAT1043X-V1-01
OKI Semiconductor
OAT1043x-V1-z-yy
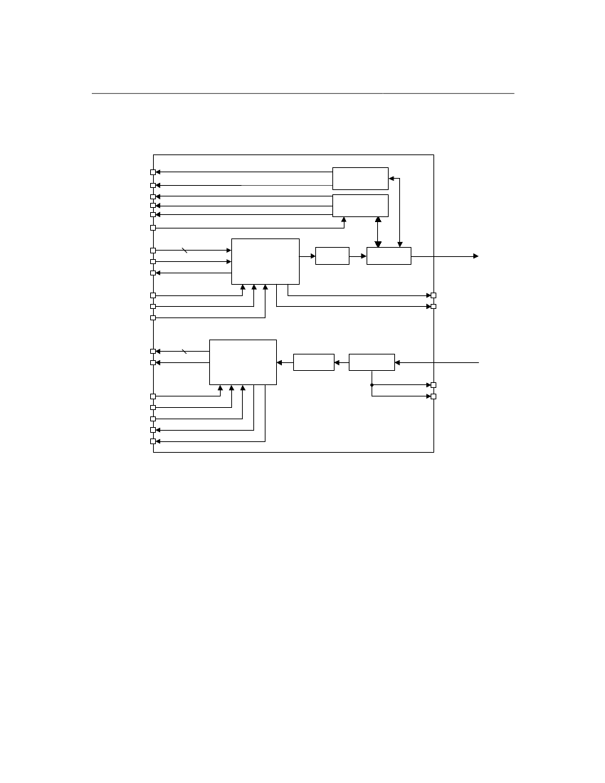
BLOCK DIAGRAM
LsTEMPMON
LsTEMPALM
LsPOWMON
LsBIASMON
LsBIASALM
LsENABLE
16
ATC
APC
TxDin0-15P/N
TxPICLKP/N
TxPCLKP/N
10Gbps Optical Signal
Output
MUX
with CMU
Driver
TX E-O
TxRESET
TxREFSEL
TxREFCLKP/N
TxLOCKERR
TxMCLKP/N
RxPOCLKP/N
RxDout0-15P/N
16
CDR
with DEMUX
10Gbps Optical Signal
Input
Post AMP
RX O-E
RxPOWMON
RxREFCLKP/N
RxLCKREF
RxRESET
RxLOCKERR
RxMCLKP/N
RxPOWALM
2/4
FEDFOAT1043X-V1-01
OKI Semiconductor
OAT1043x-V1-z-yy
PACKAGE OUTLINE
(Unit: mm)
ORDERING INFORMATION
OAT1043x-V1-z-yy
x
Optical connector
S
SC
F
FC
L
LC
M
MU
A
B
C
D
z
Bit rate(Gbps)
9.95
10.3
9.95/10.3/10.7
10.7
10
05
yy
Fiber length
1m
0.5m
3/4
FEDFOAT1043X-V1-01
OKI Semiconductor
OAT1043x-V1-z-yy
NOTICE
1. The information contained herein can change without notice owing to product and/or technical improvements.
Before using the product, please make sure that the information being referred to is up -to- date.
2.
The outline of action and examples for application circuits described herein have been chosen as an
explanation for the standard action and performance of the product. When planning to use the product, please
ensure that the external conditions are reflected in the actual circuit, assembly, and program designs.
When designing your product, please use our product below the specified maximum ratings and within the
specified operating ranges including, but not limited to, operating voltage, power dissipation, and operating
temperature.
Oki assumes no responsibility or liability whatsoever for any failure or unusual or unexpected operation
resulting from misuse, neglect, improper installation, repair, alteration or accident, improper handling, or
unusual physical or electrical stress including, but not limited to, exposure to parameters beyond the specified
maximum ratings or operation outside the specified operating range.
Neither indemnity against nor license of a third party’s industrial and intellect ual property right, etc. is
granted by us in connection with the use of the product and/or the information and drawings contained herein.
No responsibility is assumed by us for any infringement of a third party’s right which may result from the use
thereof.
The products listed in this document are intended for use in general electronics equipment for commercial
applications (e.g., office automation, communication equipment, measurement equipment, consumer
electronics, etc.). These products are not autho rized for use in any system or application that requires special
or enhanced quality and reliability characteristics nor in any system or application where the failure of such
system or application may result in the loss or damage of property, or death or injury to humans.
Such applications include, but are not limited to, traffic and automotive equipment, safety devices, aerospace
equipment, nuclear power control, medical equipment, and life- support systems.
Certain products in this document may need government approval before they can be exported to particular
countries. The purchaser assumes the responsibility of determining the legality of export of these products
and will take appropriate and necessary steps at their own expense for these.
No part of the contents contained herein may be reprinted or reproduced without our prior permission.
Qualification and Reliability
To help ensure high product reliability and customer satisfaction, OKI is committed to an intensive quality
program tha t starts in the design phase and proceeds through the manufacturing process.
Optical transceiver modules are qualified to OKI internal standards using MIL-STD-883 test methods and
procedures and using sample techniques consistent with Telcordia requirements.
This qualification program fully meets the intent of Telcordia reliability practices GR-468-CORE.
3.
4.
5.
6.
7.
8.
9.
10. Laser Safety
All version of transceiver are Class 1 Laser products FDA complies with 21 CFR 1040.10 and 1040.11
requirements.
Also, all versions are Class 1 Laser products pre IEC 825- 1.
Copyright 2002 Oki Electric Industry Co., Ltd.
4/4
参数对比
与OAT1043S-V1-D-05相近的元器件有:OAT1043S-V1-A-05、OAT1043M-V1-C-10。描述及对比如下:
型号 OAT1043S-V1-D-05 OAT1043S-V1-A-05 OAT1043M-V1-C-10
描述 Transceiver Transceiver Transceiver
Reach Compliance Code unknown unknown unknown
光纤设备类型 TRANSCEIVER TRANSCEIVER TRANSCEIVER
最高工作温度 65 °C 65 °C 65 °C
最大供电电压 5.2 V 5.2 V 5.2 V
厂商名称 LAPIS Semiconductor Co Ltd - LAPIS Semiconductor Co Ltd
IPTV运营宜走第三方模式 网络改造因地制宜
本帖最后由 jameswangsynnex 于 2015-3-3 19:59 编辑 【赛迪网讯】...
newlooking 消费电子
MAX1148型高精度14位串行A/D转换器
  摘要: MAXll48 是 Maxim 公司 2005 年最...
feifei FPGA/CPLD
PCB上电子元器件温升要求
1、变压器的绝缘等级,并不是绝缘强度的概念,而是允许的温升的标准,即绝缘等级是指其所用绝缘材料的耐...
乱世煮酒论天下 工业自动化与控制
【2024 DigiKey创意大赛】物料开箱
物料收到几天了,今天终于有时间来开箱,感谢EEWORLD和Digikey举办的 【2024 Dig...
fangkaixin DigiKey得捷技术专区
友善之臂mini2440开发板 无法开机,电源上电后 LCD白屏 串口无任何输出,麻烦DX看看
本帖最后由 tianyou121 于 2024-8-16 22:54 编辑 友善之臂mini...
tianyou121 ARM技术
SPIN3201(STSPIN32F0)三电阻控制板:FOC电机驱动原理图/代码/调试文档等详细资料...
此内容由EEWORLD论坛网友 music_586 原创,如需转载或用于商业用途需征得作者同...
music_586 stm32/stm8
热门器件
热门资源推荐
器件捷径:
00 01 02 03 04 05 06 07 08 09 0A 0C 0F 0J 0L 0M 0R 0S 0T 0Z 10 11 12 13 14 15 16 17 18 19 1A 1B 1C 1D 1E 1F 1H 1K 1M 1N 1P 1S 1T 1V 1X 1Z 20 21 22 23 24 25 26 27 28 29 2A 2B 2C 2D 2E 2F 2G 2K 2M 2N 2P 2Q 2R 2S 2T 2W 2Z 30 31 32 33 34 35 36 37 38 39 3A 3B 3C 3D 3E 3F 3G 3H 3J 3K 3L 3M 3N 3P 3R 3S 3T 3V 40 41 42 43 44 45 46 47 48 49 4A 4B 4C 4D 4M 4N 4P 4S 4T 50 51 52 53 54 55 56 57 58 59 5A 5B 5C 5E 5G 5H 5K 5M 5N 5P 5S 5T 5V 60 61 62 63 64 65 66 67 68 69 6A 6C 6E 6F 6M 6N 6P 6R 6S 6T 70 71 72 73 74 75 76 77 78 79 7A 7B 7C 7M 7N 7P 7Q 7V 7W 7X 80 81 82 83 84 85 86 87 88 89 8A 8D 8E 8L 8N 8P 8S 8T 8W 8Y 8Z 90 91 92 93 94 95 96 97 98 99 9A 9B 9C 9D 9F 9G 9H 9L 9S 9T 9W
索引文件:
1471  737  2589  753  114  30  15  53  16  3 
需要登录后才可以下载。
登录取消
下载 PDF 文件