首页 > 器件类别 > 光电子/LED > 光电
 PDF数据手册

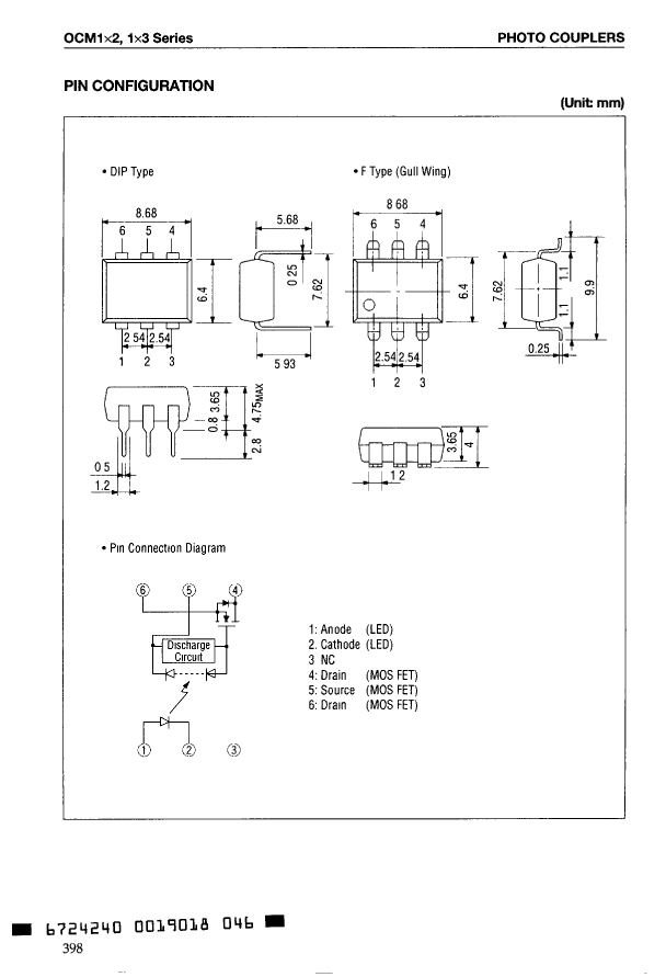
OCM122F

描述:
FET Output Optocoupler
分类:
文件大小:
453KB,共13页
制造商:
概述
FET Output Optocoupler
器件参数
参数名称
属性值
是否Rohs认证
不符合
厂商名称
LAPIS Semiconductor Co Ltd
Reach Compliance Code
unknown
最大正向电流
0.05 A
最大正向电压
1.3 V
最大绝缘电压
1500 V
JESD-609代码
e0
安装特点
SURFACE MOUNT
元件数量
1
最大通态电流
0.35 A
最高工作温度
85 °C
最低工作温度
-40 °C
光电设备类型
FET OUTPUT OPTOCOUPLER
最大功率耗散
0.3 W
表面贴装
YES
端子面层
Tin/Lead (Sn/Pb)
文档预览
参数对比
与OCM122F相近的元器件有:OCM142F、OCM103F、OCM123F、OCM143F。描述及对比如下:
型号 OCM122F OCM142F OCM103F OCM123F OCM143F
描述 FET Output Optocoupler FET Output Optocoupler FET Output Optocoupler FET Output Optocoupler FET Output Optocoupler
是否Rohs认证 不符合 不符合 不符合 不符合 不符合
厂商名称 LAPIS Semiconductor Co Ltd LAPIS Semiconductor Co Ltd LAPIS Semiconductor Co Ltd LAPIS Semiconductor Co Ltd LAPIS Semiconductor Co Ltd
Reach Compliance Code unknown unknown unknown unknown unknown
最大正向电流 0.05 A 0.05 A 0.05 A 0.05 A 0.05 A
最大正向电压 1.3 V 1.3 V 1.3 V 1.3 V 1.3 V
最大绝缘电压 1500 V 1500 V 4000 V 4000 V 4000 V
JESD-609代码 e0 e0 e0 e0 e0
安装特点 SURFACE MOUNT SURFACE MOUNT SURFACE MOUNT SURFACE MOUNT SURFACE MOUNT
元件数量 1 1 1 1 1
最大通态电流 0.35 A 0.2 A 0.5 A 0.35 A 0.2 A
最高工作温度 85 °C 85 °C 85 °C 85 °C 85 °C
最低工作温度 -40 °C -40 °C -40 °C -40 °C -40 °C
光电设备类型 FET OUTPUT OPTOCOUPLER FET OUTPUT OPTOCOUPLER FET OUTPUT OPTOCOUPLER FET OUTPUT OPTOCOUPLER FET OUTPUT OPTOCOUPLER
最大功率耗散 0.3 W 0.3 W 0.3 W 0.3 W 0.3 W
表面贴装 YES YES YES YES YES
端子面层 Tin/Lead (Sn/Pb) Tin/Lead (Sn/Pb) Tin/Lead (Sn/Pb) Tin/Lead (Sn/Pb) Tin/Lead (Sn/Pb)
“零辐射”≠绝对无辐射 专家称有电路就有辐射
专家称:只要是带电的,都会有电磁辐射。 “零辐射、健康、环保”、“A级超薄大屏液晶显示器,健康无...
fighting 模拟电子
【GE32E231_DIY】FreeRTOS+DAP_RTT+多功能按键+USART_DMA再加入FREEMODBUS
FreeRTOS+DAP_RTT+多功能按键+USART_DMA再加入FREEMODBUS 到这...
boming GD32 MCU
NUCLEO-H533RE开发板测评09(HASH算法加密)
群里已经看到关于AES加解密的,这里就评测下hash算法加密 ## 9:HASH算法加密 在现代计算...
qzc0927 stm32/stm8
值得学习的电子基础,电子制作5000例
值得学习的电子基础,电子制作5000例,可以打发时间 值得学习的电子基础,电子制作5000例 学...
iverson8571 下载中心专版
低触发电压可控硅结构静电防护器件
导语: 可控硅SCR(Silicon Controlled Rectifier)结构静电防护器件...
涛意隆 综合技术交流
锁相环
在锁相环的计算流程中,需要计算电网电压的alpha和beta分量,既然如此,为什么不直接用atan...
TTTQ10 开关电源学习小组
热门器件
热门资源推荐
器件捷径:
S0 S1 S2 S3 S4 S5 S6 S7 S8 S9 SA SB SC SD SE SF SG SH SI SJ SK SL SM SN SO SP SQ SR SS ST SU SV SW SX SY SZ T0 T1 T2 T3 T4 T5 T6 T7 T8 T9 TA TB TC TD TE TF TG TH TI TJ TK TL TM TN TO TP TQ TR TS TT TU TV TW TX TY TZ U0 U1 U2 U3 U4 U6 U7 U8 UA UB UC UD UE UF UG UH UI UJ UK UL UM UN UP UQ UR US UT UU UV UW UX UZ V0 V1 V2 V3 V4 V5 V6 V7 V8 V9 VA VB VC VD VE VF VG VH VI VJ VK VL VM VN VO VP VQ VR VS VT VU VV VW VX VY VZ W0 W1 W2 W3 W4 W5 W6 W7 W8 W9 WA WB WC WD WE WF WG WH WI WJ WK WL WM WN WO WP WR WS WT WU WV WW WY X0 X1 X2 X3 X4 X5 X7 X8 X9 XA XB XC XD XE XF XG XH XK XL XM XN XO XP XQ XR XS XT XU XV XW XX XY XZ Y0 Y1 Y2 Y4 Y5 Y6 Y9 YA YB YC YD YE YF YG YH YK YL YM YN YP YQ YR YS YT YX Z0 Z1 Z2 Z3 Z4 Z5 Z6 Z8 ZA ZB ZC ZD ZE ZF ZG ZH ZJ ZL ZM ZN ZP ZR ZS ZT ZU ZV ZW ZX ZY
索引文件:
998  1603  1612  1226  497  21  33  25  10  54 
需要登录后才可以下载。
登录取消
下载 PDF 文件