首页 > 器件类别 > 无线/射频/通信 > 光纤
 PDF数据手册

OL5415L-2

描述:
Transmitter, 1500nm Min, 1580nm Max, 2500Mbps, Pigtail Connector, Through Hole Mount
分类:
文件大小:
85KB,共5页
制造商:
概述
Transmitter, 1500nm Min, 1580nm Max, 2500Mbps, Pigtail Connector, Through Hole Mount
器件参数
参数名称
属性值
厂商名称
LAPIS Semiconductor Co Ltd
Reach Compliance Code
unknown
主体高度
12 mm
主体长度或直径
3.8 mm
通信标准
OC-48, STM-16
连接类型
PIGTAIL CONNECTOR
数据速率
2500 Mbps
发射极/检测器类型
LASER
光纤设备类型
TRANSMITTER
光纤类型
SMF
JESD-609代码
e0
安装特点
THROUGH HOLE MOUNT
最高工作温度
85 °C
最低工作温度
最大工作波长
1580 nm
最小工作波长
1500 nm
标称工作波长
1540 nm
标称光功率输出
2.2 mW
最大供电电压
1.6 V
表面贴装
NO
端子面层
TIN LEAD
文档预览
JOG-01037
OKI
Electronics Components
Preliminary
OL5415L-2
Rev. 3 [5. 2003]
Transmitter optical sub-assembly for SFP/SFF
1.DESCRIPTION
The OL5415L-2 consists of a1.55µm MQW-DFB laser diode, a monitor PD, a single-stage
optical isolator, a single-mode fiber-stub, a split sleeve for the optical connector with
φ
1.25 mm
ferrule
and a coaxial package.
This module is a transmitter optical sub-assembly for 2.5Gbit/s transmission with high power at high
temperature.
2. FEATURES
Fiber output power: Pf=2.2mW
Multi-quantum-well (MQW) DFB structure
Includes monitor PD for power control
Built-in single-stage optical isolator
Coaxial Package
Wide operation range: Ta=0 to +85
°C
Side mode suppression: 32dB
3. APPLICATION
STM-16
OC-48
Drawing No: JOG-01037
OL5415L-2
-1-
Oki Electric Industry Co., Ltd.
JOG-01037
OKI
Electronics Components
OL5415L-2
4.OPTICAL AND ELECTRICAL CHARACTERISTICS
(Ta = 0 to +85°C, unless otherwise specified)
Test Conditions
Min. Typ.
Max.
Unit
CW
2.2
mW
Ta=+25°C,CW
7
15
Ta=+85°C,CW,BOL
40
mA
Ta=+85°C,CW,EOL
Operation Current
Slope efficiency
Modulation Current
Peak Wavelength
Spectral Wideth
Side-mode suppression ratio
LD Forward Voltage
Rise/Fall times
Relative Intensity Noise
Monitor Current
Photodiode Dark Current
Photodiode Capacitance
Tracking Error
Connector repetability
Iop
η
Imod
λ
p
∆λ
SMSR
Vf
Tr/Tf
RIN
Im
Id
Ct
TRE
-
Pf=2.2mW,CW,Ta=+25°C
Pf=2.2mW,CW
Pf=2.2mW,CW,Ta=+25°C
Pf=2.2mW,CW,Ta=+25°C
Pf= 2.2mW,CW
Pf=2.2mW,CW, -20dB
Pf=2.2mW,CW
Pf=2.2mW,CW,Ta=+25°C
Pf=2.2mW,CW
P
ave
=1.1
mW,20-80%,Ext=9dB
Pf=2.2mW,CW
Pf=2.2mW,CW
VRD=1.5V,Ta=+25°C
VRD=1.5V,Ta=+25°C
VRD=1.5V,
f=1MHz,Ta=+25°C
(RT to WCT)
master pigtail
1500
32
1.3
1.6
0.15
-130
120
2200
20
10
-1
-0.5
+1
+0.5
34.5
110
0.08
27.5
40
1580
0.5
1.5*Ith-
BOL
Parameter
Fiber Output Power
Threshold Current
Symbol
Pf
Ith
mA
W/A
mA
nm
nm
dB
V
ns
dB/Hz
µ
A
nA
pF
dB
dB
5.ABSOLUTE MAXIMUM RATING
(Ta = +25°C, unless otherwise specified)
Rating
Unit
5
mW
2
V
10
mA
2
mA
30
V
0 to +85
°
C
-40 to +85
°
C
260
°
C
Drawing No: JOG-01037
OL5415L-2
-2-
Parameter
Fiber Output Power
LD Reverse Voltage
Monitor PD Forward Current
Monitor PD Reverse Current
Monitor PD Reverse Voltage
Operating Ambient Temperature (Ta)
Storage Temperature
Lead Soldering Temperature (10s)
Symbol
Pf
V
R
I
F
I
R
V
R
Ta
Tstg
-
Oki Electric Industry Co., Ltd.
JOG-01037
OKI
Electronics Components
OL5415L-2
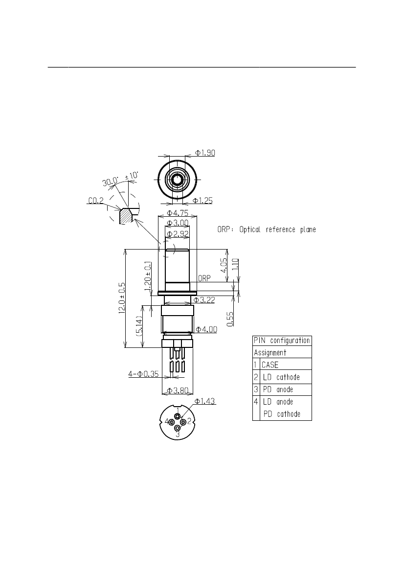
6.OUTLINE DRAWING
All dimensions in millimeters
Package No. (Unit: mm)
Drawing No: JOG-01037
OL5415L-2
-3-
Oki Electric Industry Co., Ltd.
JOG-01037
OKI
Electronics Components
OL5415L-2
7. SAFETY INFORMATION ON THIS PRODUCT
A laser beam is emitted from this laser diode during operation.
The invisible or visible laser beam, directly or indirectly, may cause injury to
Laser Beam the eye
or loss of eyesight.
Do not look directly into the laser beam.
Avoid exposure to the laser beam, any reflected or collimated beam.
Caution
The product contains gallium arsenide, GaAs.
GaAs vapor and powder are hazardous to human health if inhaled, ingested or
GaAs
swallowed.
Product
Do not destory or burn the product.
Do not crush or chemically dissolve the product.
Do not put the product in the mouth.
Observe related laws and company regulations when discarding this product.
The product should be excluded from general industrial waste or household
garbage.
Caution
A glass-fiber is attached on the product. Handle with care.
Optical Fiber When the fiber is broken or damaged, handle carefully to avoid injury from
the damaged part or fragments.
All specifications described herein are subject to change without notice.
Warning
Drawing No: JOG-01037
OL5415L-2
-4-
Oki Electric Industry Co., Ltd.
JOG-01037
OKI
Electronics Components
OL5415L-2
Notice
1.
The information contained herein can change without notice owing to product and/or technical improvements.
Before using the product, please make sure that the information being referred to is up-to-date.
The outline of action and examples for application circuits described herein have been chosen as an
explanation for the standard action and performance of the product. When planning to use the product, please
ensure that the external conditions are reflected in the actual circuit, assembly, and program designs.
When designing your product, please use our product below the specified maximum ratings and within the
specified operating ranges including, but not limited to, operating voltage, power dissipation, and operating
temperature.
Oki assumes no responsibility or liability whatsoever for any failure or unusual or unexpected operation
resulting from misuse, neglect, improper installation, repair, alteration or accident, improper handling, or
unusual physical or electrical stress including, but not limited to, exposure to parameters beyond the specified
maximum ratings or operation outside the specified operating range.
Neither indemnity against nor license of a third party’ industrial and intellectual property right, etc. is
s
granted by us in connection with the use of the product and/or the information and drawings contained herein.
No responsibility is assumed by us for any infringement of a third party’ right which may result from the use
s
thereof.
The products listed in this document are intended for use in general electronics equipment for commercial
applications (e.g., office automation, communication equipment, measurement equipment, consumer
electronics, etc.). These products are not authorized for use in any system or application that requires special
or enhanced quality and reliability characteristics nor in any system or application where the failure of such
system or application may result in the loss or damage of property, or death or injury to humans.
Such applications include, but are not limited to, traffic and automotive equipment, safety devices, aerospace
equipment, nuclear power control, medical equipment, and life-support systems.
Certain products in this document may need government approval before they can be exported to particular
countries. The purchaser assumes the responsibility of determining the legality of export of these products and
will take appropriate and necessary steps at their own expense for these.
No part of the contents contained herein may be reprinted or reproduced without our prior permission.
2.
3.
4.
5.
6.
7.
8.
Sales Support
JAPAN/ASIA
Oki Electric Industry Co., Ltd.
550-1, Higashiasakawa-cho, Hachioji-shi, Tokyo 193-8550
Phone: +81-426-62-6646
INTERNET:
http://www.oki.com
AMERICA
Oki Optical Components
785 North Mary Avenue, Sunnyvale, CA 94086
Phone: +1-408-737-6379 Fax: +1-408-737-6579
INTERNET:
http://www.okioptical.com
EUROPE
Oki Electric Europe GmbH
D-41460 Neuss, Germany
Phone: +49-2131-15960 Fax: +49-2131-103539
INTERNET:
http://www.oki-europe.de
Copyright 2003 Oki Electric Industry Co., Ltd
Drawing No: JOG-01037
OL5415L-2
-5-
Oki Electric Industry Co., Ltd.
参数对比
与OL5415L-2相近的元器件有:。描述及对比如下:
型号 OL5415L-2
描述 Transmitter, 1500nm Min, 1580nm Max, 2500Mbps, Pigtail Connector, Through Hole Mount
厂商名称 LAPIS Semiconductor Co Ltd
Reach Compliance Code unknown
主体高度 12 mm
主体长度或直径 3.8 mm
通信标准 OC-48, STM-16
连接类型 PIGTAIL CONNECTOR
数据速率 2500 Mbps
发射极/检测器类型 LASER
光纤设备类型 TRANSMITTER
光纤类型 SMF
JESD-609代码 e0
安装特点 THROUGH HOLE MOUNT
最高工作温度 85 °C
最大工作波长 1580 nm
最小工作波长 1500 nm
标称工作波长 1540 nm
标称光功率输出 2.2 mW
最大供电电压 1.6 V
表面贴装 NO
端子面层 TIN LEAD
热门器件
热门资源推荐
器件捷径:
S0 S1 S2 S3 S4 S5 S6 S7 S8 S9 SA SB SC SD SE SF SG SH SI SJ SK SL SM SN SO SP SQ SR SS ST SU SV SW SX SY SZ T0 T1 T2 T3 T4 T5 T6 T7 T8 T9 TA TB TC TD TE TF TG TH TI TJ TK TL TM TN TO TP TQ TR TS TT TU TV TW TX TY TZ U0 U1 U2 U3 U4 U6 U7 U8 UA UB UC UD UE UF UG UH UI UJ UK UL UM UN UP UQ UR US UT UU UV UW UX UZ V0 V1 V2 V3 V4 V5 V6 V7 V8 V9 VA VB VC VD VE VF VG VH VI VJ VK VL VM VN VO VP VQ VR VS VT VU VV VW VX VY VZ W0 W1 W2 W3 W4 W5 W6 W7 W8 W9 WA WB WC WD WE WF WG WH WI WJ WK WL WM WN WO WP WR WS WT WU WV WW WY X0 X1 X2 X3 X4 X5 X7 X8 X9 XA XB XC XD XE XF XG XH XK XL XM XN XO XP XQ XR XS XT XU XV XW XX XY XZ Y0 Y1 Y2 Y4 Y5 Y6 Y9 YA YB YC YD YE YF YG YH YK YL YM YN YP YQ YR YS YT YX Z0 Z1 Z2 Z3 Z4 Z5 Z6 Z8 ZA ZB ZC ZD ZE ZF ZG ZH ZJ ZL ZM ZN ZP ZR ZS ZT ZU ZV ZW ZX ZY
索引文件:
2743  2188  1618  2371  175  56  45  33  48  4 
需要登录后才可以下载。
登录取消
下载 PDF 文件