首页 > 器件类别 > 无线/射频/通信 > 光纤
 PDF数据手册

OL6450L-3-W159-SFSC

描述:
DFB Laser Diode Emitter, 1587nm Min, 1593nm Max, 2500Mbps, SC Connector, Panel Mount, Through Hole Mount
分类:
文件大小:
99KB,共7页
制造商:
概述
DFB Laser Diode Emitter, 1587nm Min, 1593nm Max, 2500Mbps, SC Connector, Panel Mount, Through Hole Mount
器件参数
参数名称
属性值
Is Samacsys
N
YTEOL
0
Objectid
1812540834
Reach Compliance Code
unknown
主体高度
27.6 mm
主体长度或直径
6.8 mm
连接类型
SC CONNECTOR
安装特点
PANEL MOUNT, THROUGH HOLE MOUNT
表面贴装
NO
端子面层
TIN LEAD
最大工作波长
1593 nm
最小工作波长
1587 nm
标称工作波长
1590 nm
数据速率
2500 Mbps
光纤设备类型
DFB LASER DIODE EMITTER
光纤类型
SMF
信道数量
1
上升时间
0.09 ns
Spectral Width
0.2 nm
Supply Current
70 mA
最小阈值电流
25 mA
传输类型
DIGITAL
最长下降时间
0.09 ns
JESD-609代码
e0
文档预览
JOG-01064 Rev.10
OKI
Electronics Components
Rev. 10 [12. 2005]
OL4450L-3-Wnnn,OL4451L-3-Wnnn
OL4453L-3-Wnnn,OL5450L-3-Wnnn
OL5451L-3-Wnnn,OL5453L-3-Wnnn
OL6450L-3-Wnnn,OL6451L-3-Wnnn
OL6453L-3-Wnnn Series(W147-W161)
3mWCoaxial DFB Laser Diode Modules
1. DESCRIPTION
The OL4450L-3-Wnnn, OL4451L-3-Wnnn, OL4453L-3-Wnnn, OL5450L-3-Wnnn,
OL5451L-3-Wnnn, OL5453L-3-Wnnn, OL6450L-3-Wnnn, OL6451L-3-Wnnn,
OL6453L-3-Wnnn series consist of an MQW-DFB laser diode, a monitor PD, a single-stage
optical isolator, a single-mode fiber and a coaxial package.
These modules are coaxial DFB Laser Diode Modules for CWDM 2.5Gbit/s transmission with
high power at high temperature.
2. FEATURES
High output power: 3.0mW fiber output power under CW
Wide operating temperature range: Tc=0 to +85
°C
Side-mode suppression: 32dB
Multi-quantum-well (MQW) DFB structure
Internal monitor PD for power control
Built-in single-stage optical isolator
Coaxial Package
No TEC required
3. APPLICATION
CWDM
Drawing No: JOG-01064 Rev.10
-1-
Oki Electric Industry Co., Ltd.
JOG-01064 Rev.10
OKI
Electronics Components
4.OPTICAL AND ELECTRICAL CHARACTERISTICS
(Tc = 0 to +85°C, unless otherwise specified)
Test Conditions
Min.
Typ.
Max.
Unit
CW
3.0
mW
Modulated
Tc=+25°C ,CW,BOL
Tc=+85°C,CW,BOL
Tc=+85°C,CW,EOL
Operation Current
Slope efficiency
Modulation Current
Iop
Imod
Pf=3.0mW,CW
Pf=3.0mW,
CW,Tc=+25°C
Pf=3.0mW,CW,Tc=+25°C
OL445xL-3-W147
OL445xL-3-W149
OL545xL-3-W151
Pf=
OL545xL-3-W153
3.0mW,
CW
OL545xL-3-W155
Tc=25°C OL545xL-3-W157
OL545xL-3-W159
OL645xL-3-W161
Pf= 3.0mW,CW,-20dB
Pf=3.0mW,CW
P
AVG
=
1.5mW,20-80%
ExR*=9dB
Pf=3.0mW,CW
Pf= 3.0mW,CW,Tc=+25°C
(RT to WCT)
-
70
0.075
1467
1487
1507
1527
1547
1567
1587
1607
32
0.11
30
1470
1490
1510
1530
1550
1570
1590
1610
0.2
40
0.09
50
-1
-140
400
---
0.15
-130
2200
+1
2
40
1473
1493
1513
1533
1553
1573
1593
1613
0.5
1.5
7
25
15
40
1.5*Ith-
BOL
Parameter
Fiber Output Power
Fiber Output Power
(Average)
Threshold Current
Symbol
Pf
P
AVG
mW
Ith
mA
mA
W/A
mA
110
Peak Wavelength
p
nm
Spectral Width
Side-mode suppression
ratio
Rise/Fall times
Relative Intensity Noise
Monitor Current
Tracking Error**
Dispersion Penalty***

SMSR
Tr/Tf
RIN
Im
TRE
DP
nm
dB
ns
dB/Hz
A
dB
dB
*ExR=Extinction ratio
**TRE=10*log(Pf@0+85°C)/(Pf@25°C)½at Im hold(@25°C)
***For OLx45xL-3-Wnnn-xxxxL (See P.4) after Corning SMF-28
TM
80km transmission
Test condition:ExR=9dB,NRZ,PRBS=2^23-1,@10^-10
Drawing No: JOG-01064 Rev.10
-2-
Oki Electric Industry Co., Ltd.
JOG-01064 Rev.10
OKI
Electronics Components
5.ABSOLUTE MAXIMUM RATING
(Tc = +25°C, unless otherwise specified)
Rating
Unit
5
mW
2
V
10
mA
3
mA
30
V
0 to +85
C
-40 to +85
C
260
C
Parameter
Fiber Output Power
LD Reverse Voltage
Monitor PD Forward Current
Monitor PD Reverse Current
Monitor PD Reverse Voltage
Operating Case Temperature (Tc)
Storage Temperature
Lead Soldering Temperature (10s)
Symbol
Pf
Vrl
Ifd
Ird
Vrd
Tc
Tstg
-
6.CONNECTOR AND FIBER SPECIFICATIONS
Parameter
Type
Mode Field Diameter
Cladding Diameter
Jacket Diameter
Length
Connector Type
Specifications
SM
9+/-1
125+/-2
900
1(Min)
FC/SC/LC/MU/MU-J
Unit
---
m
m
m
m
---
Drawing No: JOG-01064 Rev.10
-3-
Oki Electric Industry Co., Ltd.
JOG-01064 Rev.10
OKI
Electronics Components
7.ORDERING INFORMATION
OL 5 45 0 L
3
W155
AF SC L
Wavelength
4: 1.4
m
5: 1.5
m
6: 1.6
m
Pin Assignment
0: C type
1: A type
3: B type
(See P.5)
Peak Wavelength
W147: 1.47
m
W149: 1.49
m
W151: 1.51
m
W153: 1.53
m
W155: 1.55
m
W157: 1.57
m
W159: 1.59
m
W161: 1.61
m
Flange type
AF: Angled Flange
SF: Straight Flange
NF: No Flange
Connector type
SC: SC Connector
FC: FC Connector
LC: LC Connector
MU: MU Connector
MUJ: MU-J Connector
Distance
Default, no suffix: 40km
L: 80km
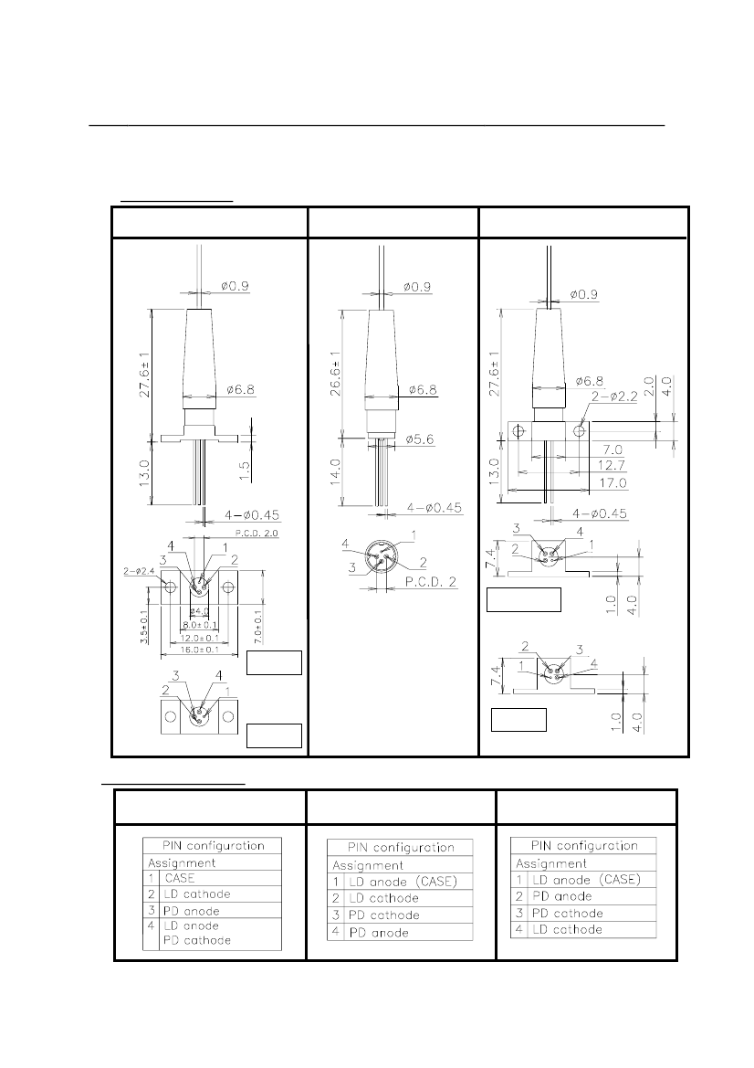
8.OUTLINE DRAWING
Length (mm)
Drawing No: JOG-01064 Rev.10
-4-
Oki Electric Industry Co., Ltd.
JOG-01064 Rev.10
OKI
Electronics Components
All dimensions in millimeters
Flange Type
Straight flange
No flange
Angled flange
A,C type
C type
B type
A type
Pin Assignment
OL5450L
(C type)
OL5451L
(A type)
OL5453L
(B type)
Drawing No: JOG-01064 Rev.10
-5-
Oki Electric Industry Co., Ltd.
热门器件
热门资源推荐
器件捷径:
L0 L1 L2 L3 L4 L5 L6 L7 L8 L9 LA LB LC LD LE LF LG LH LI LJ LK LL LM LN LO LP LQ LR LS LT LU LV LW LX LY LZ M0 M1 M2 M3 M4 M5 M6 M7 M8 M9 MA MB MC MD ME MF MG MH MI MJ MK ML MM MN MO MP MQ MR MS MT MU MV MW MX MY MZ N0 N1 N2 N3 N4 N5 N6 N7 N8 NA NB NC ND NE NF NG NH NI NJ NK NL NM NN NO NP NQ NR NS NT NU NV NX NZ O0 O1 O2 O3 OA OB OC OD OE OF OG OH OI OJ OK OL OM ON OP OQ OR OS OT OV OX OY OZ P0 P1 P2 P3 P4 P5 P6 P7 P8 P9 PA PB PC PD PE PF PG PH PI PJ PK PL PM PN PO PP PQ PR PS PT PU PV PW PX PY PZ Q1 Q2 Q3 Q4 Q5 Q6 Q8 Q9 QA QB QC QE QF QG QH QK QL QM QP QR QS QT QV QW QX QY R0 R1 R2 R3 R4 R5 R6 R7 R8 R9 RA RB RC RD RE RF RG RH RI RJ RK RL RM RN RO RP RQ RR RS RT RU RV RW RX RY RZ
索引文件:
1334  735  1499  275  1934  27  15  31  6  39 
需要登录后才可以下载。
登录取消
下载 PDF 文件