历史上的今天
今天是:2025年01月11日(星期六)
2018年01月11日 | 双节锂电池7.4V供电实现2X20W音频升压充电组合解决方案
2018-01-11
便携式蓝牙音响可以说是目前使用量最大、最受欢迎的音响产品,特别是随着智能手机、智能家居的兴起,其增长势如破竹。它连接方便,与手机等音乐设备可无缝连接;它具有一定的便携性,有的可随身携带,有的可放置在车中、卧室、客厅,甚至室外、广场,应用非常广泛。
最初,便携式蓝牙音响普遍的方案是仅靠一节锂电池驱动,成本不高、电池可持续播放时间较长,广泛被消费者接受。该方案的音频功放代表作是HT6873,在一节锂电池直接驱动下,保证了业界最大的功率和足够的音质。由此,便携式无线音响在消费者中开始收到欢迎。
但随着时间的推移,人们开始不满足于受限的功率。便携式蓝牙音响开始朝着更大功率、更饱满的音质、更浑厚的低音方向努力,以追求更广阔的市场。期间,人们有使用一节锂电池外置升压芯片供电给音频功放的方案,亦或使用一节锂电池供电给内置升压的音频功放的方案,还有直接有双节锂电池串联供电给音频功放的方案。这些方案均不同程度的提升了系统功率,在音质上有了更好的表现。
然而随着便携式蓝牙音响的流行,各方均涌向该市场,竞争逐渐激烈,成本要求渐高,性能追求更加极致,产品差异化需求进一步增加;另外,近年来由亚马逊Echo带来的智能音响热也带动了便携式蓝牙音响,部分便携式无线音响开始朝着语音识别方向发展,其对低功耗、人声表现、音质表现均有进一步的提高。
由此,深圳市永阜康科技有限公司推出的双节锂电池串联的音频升压整体方案,正是迎合了这种趋势,可作为独具一格的便携式蓝牙音响参考设计:
(1)一方面,其方案整合了HT7178升压芯片,7.4V的电压被提升至15V(该升压值可按需求调整)并提供给音频功放芯片HT317,系统功率提升至2×18W @ 4ohm, 1%,大大提升了音质,浑厚低音更易实现,可以说是便携式音响的极致表现了,并且这些芯片在良好音质和更大功率的前提下均具有不错的价格优势。
*HT7178: 20V, 2A全集成同步升压转换器
该器件具备12A开关电流能力,并且能够提供高达20V的输出电压,集成11mΩ功率开关管和13mΩ同步整流管,节省PCB面积及外围成本,并具有目前同类产品中最高的性价比。
*HT317:75W PBTL, 30W BTL, D类音频功放
该器件具有精简的外围(TSSOP28),24V, 8ohm, THD+N=1%条件下能提供2×30W的功率,并具有AGC、过温限幅和各类保护功能,因其具有明显的性价比优势和良好的音质表现,是明星产品TPA3116/8的有力继承者。
(2)另外,该方案整合了充电管理。
双节锂电串联方案普遍需要配置9V或12V的适配器和专门的充电管理芯片,以配合双节充电。这种方案增加了不少成本,由于需要专门的充电线,也给终端消费者带来了不必要的不便。
本方案采用的CS5080充电管理IC,可支持5V USB输入给两节锂电充电。其独有的升压充电管理IC系统可以利用手机充电器为双节锂电池串联充电,使得终端音频设备可以省去专门充电适配器,进一步降低了音频终端产品总体成本,缩小了音频终端产品外包装尺寸。
特性
适用于双节电池供电的便携式无线音响
2×18W (RL = 4ohm, THD+N = 1%) (可调)
THD+N = 0.02% (Po = 1W)
支持5V USB充电,无需专配充电适配器
超低功耗
设计简单,外围精简
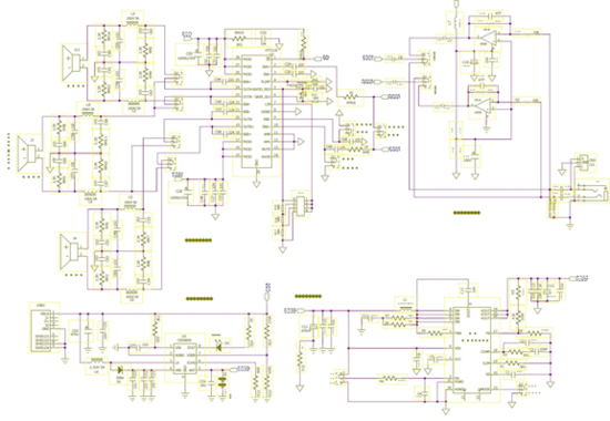
应用原理图

DEMO图

史海拾趣
|
大家好: 我买了扬创2440的开发板,随板子有BSP包的,我想查找他是如何定义GPIO的,应该查看哪个文件呢?我之前查看了头文件和INC文件夹,有了解的朋友可以指点下吗?… 查看全部问答> |
|
高分求助:WinCE下,删除一个对象,然后再调用该对象的方法,为啥不Crash??? 最近调试WinCE下的一个问题。有一个现象,百思不得其解。详述如下: Class A { ....... void destroy() { delete this; } ....... } 也就是说,类有一个Destroy方法,在对 ...… 查看全部问答> |
|
小弟正在做一个项目,是用飞思卡尔的MCU+2.4 G无线,无线可以随便 想找个做过或熟悉2.4G的帮我写,或教我写无线部分代码。可以付一定的报酬,不要太多哦,我也打工 .实在无办法了,只能自掏腰包。 跪求各 ...… 查看全部问答> |
|
最近在学习28027,也买了个开发板。下载了不少论坛里各位高手的例程,发现基本大家都没有利用到ti的库函数,都是在编辑寄存器的各个位来实现外设的初始化。 我之前用过lm3s系列的arm,感觉用库函数还是很方便的,但找了很久都没有找到ti官方的库函 ...… 查看全部问答> |




