历史上的今天
今天是:2025年03月12日(星期三)
2018年03月12日 | elmos推出基于E522.90系列芯片的汽车尾灯解决方案
2018-03-12 来源:电子创新网
2018年3月9日讯,德国elmos公司日前宣布elmos推出基于E522.90/91/92/93系列芯片用于汽车尾灯LED线性恒流驱动器的系列解决方案,包括车辆尾灯、车内氛围灯和48V电池系统的BLDC电机控制。E522.9x系列的每个通道输出电流为14mA至55mA,并联工作时单颗芯片最高输出165mA,即使在恶劣的散热条件下,这款拥有专利的电源管理芯片也可确保LED的恒流特性。该方案设计有外部分流电阻,可以把额外的功耗通过外部电阻耗散掉,这个方案将功耗成比例的分配到外部器件和PCB上,避免PCB上出现局部过热点。这个独特的方案中,功耗一部分通过芯片本身耗散,另外一部分则由外部器件耗散,减小了芯片自身的温升,为客户带来更多的设计余量。该家族系列产品还具有更高电流和相同特性的芯片(每通道48-151mA或并联工作450mA)E522.8x产品系列,该系列产品已经在汽车照明产品中有多个成功应用案例。
据悉,该系列最新应用解决方案将在2018年慕尼黑上海电子展(3月14日至16日)期间向观众现场展示并做详细说明。


elmos还将带来LIN自动寻址的单芯片RGB驱动方案E521.36,该方案用在车内RGB氛围灯应用中,采用才方案的RGB模块可直接连接到LIN总线上,elmos的 E521.36芯片实现了简单、灵活、经济高效且节省空间的设计。 该器件包括一个基于MSP430的16位微控制器,具有32k字节的NVM,128字节的 EEPROM,带有集成BSM自动寻址(总线分流法)的LIN收发器(符合LIN 2.2规范),四路高达40mA/单通道的恒流源驱动和三个16位PWM发生器。 48MHz PWM时钟确保732Hz刷新频率下提供全面的16位色彩分辨率,实现无闪烁效果,可以满足目前所有的OEM要求。

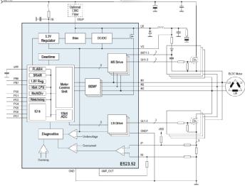
除此之外,此次展会上您还将看到基于E523.52芯片,elmos可以专门带来了48V电池系统的无刷直流(BLDC)电机单芯片控制器。 该芯片的最大输入电压为72V, 它集成了一个功能强大的16位微控制器,具有特殊的电机控制硬件支持。 该芯片可控制3路半桥NMOS,驱动的电机功率高达约1000W。 集成的DC / DC降压转换器设计用于11V / 100mA的门极驱动和其他负载的驱动。此外,该芯片还具有对MOSFET的各种监视和诊断功能。

欢迎莅临上海新国际博览中心E4馆4208展位,我们期待与您见面。
关于艾尔默斯半导体
艾尔默斯半导体公司(ELMOS)成立于1984年,长期致力于研发、生产基于半导体技术的系统解决方案,拥有丰厚的技术资源与设计经验。技术领域涉及混合信号技术、电机控制技术、传感、光电技术领域,可为用户提供量身定制的产品设计服务。产品主要应用于汽车、工业控制、医疗设备、安防系统等领域。
史海拾趣
|
EEWORLD DIY示波器活动惊喜大奖~~(本活动奖品由泰克提供) DIY示波器活动仍在进行中...... 目前DIY小组正在进行软、硬件设计及调试,预计9月中、下旬,比较完整的设计将与大家见面。 届时,EEWORLD会组织大家进行团购套件。 对DIY活动之后表现出色的网友,我们将进行奖励。(奖品由泰克提供) 奖励措施 ...… 查看全部问答> |
|
招聘人数: 若干名 薪资待遇: 工作每天3-5小时,100元/天工资每日支付; 岗位描述: 负责公司所要求的信息回复工作(有内容样版),工作地点不限,专兼职均可! 应聘要求: 上网熟练,平均每天工作投入约3小时,具体根据效率自定; 学历不限,在 ...… 查看全部问答> |
|
我现在用sndPlaySound播放声音,但是如果有系统弹出对话框播放系统声音时,我先前播放的声音会中断停止,用PlaySound也是如此,还有没有其它的方法播放声音,不会被其他的声音中断停止… 查看全部问答> |
|
在wince项目中,使用800x600 24位的bmp做对话框背景,发现切换的速度比较慢。背景的绘制是在OnEraseBkgnd方法中,绘制的方法是直接调用BitBlt,经测试发现绘制一次需要250毫秒以上。而且背景显示的效果是从上到下,渐渐的出来。程序运 ...… 查看全部问答> |
|
nand flash & mtd 驱动高手请进来,高分交流! 本人目前使用的单板是使用nand flash,本人在上面开发了基于mtd框架的NFTL驱动,目前读写擦除都ok,但是怎么利用mkdosfs为这个nand flash的某个分区生成fat文件系统呢? 我们的nand flash一个页有2048字节,默认的mkdosfs都是用的51 ...… 查看全部问答> |
|
请教一下我用S3C2440驱动三星的LMS283GF03液晶屏问题 1.我用S3C2440驱动三星的LMS283GF03液晶屏,SPI初始化部分是通过了,可以RGB寄存器怎么设置也不对 比如我让显示蓝屏,屏目上有很多黑色的断线,还有显示一段时间后,颜色会慢慢消失,又变成白屏. LCDCON1到LCDCON5也是按屏的数据手册设置的,不知道怎么 ...… 查看全部问答> |




