历史上的今天
今天是:2025年03月15日(星期六)
2018年03月15日 | 基于80C51单片机的智能电表设计分析
2018-03-15 来源:eefocus
智能电表的推广与使用是一项惠及百姓的民生工程,它大大改善了农村居民用电条件,提高了配电网的自动化水平,对于减少电力能源的消耗具有重大的意义。采用单片机80C51为核心,同时增加电能计量芯片CS5460A、LCD显示器1602、Wifi通信电路、SD存储卡等芯片,来实现电能的计量与显示、无线通信、数据存储等功能。用户可以通过电表上的按键来选择是显示用户当前用电量,还是某一时段用电量。
随着计算机技术和通信技术的发展,建筑智能化程度越来越高。住宅的智能化抄表系统在建筑智能化中是必不可少的。在我国,对用户的电表仍采用人工抄表的方法。这种原始的查表方法不仅造成了人力、物力的浪费,打扰居民正常生活 ,而且其精度差,电量数据需要人为读数不能实时传输 。为了从根本上解决这个问题,因此设计一种基于单片机的智能电表。电表若以单片机为主体取代传统仪器仪表的常规机械及电子线路,可以容易地将计算技术与测量控制技术结合在一起,形成智能化测量仪表 。这种仪表由计量电路、微处理器、LCD显示器、实时时钟、通信接口及电源等组成 ,具有电能量计量、信息存储及处理、实时监测、自动控制、信息交互等功能 。
1 智能电表的工作原理
智能电表的硬件方案框图如图1 所示。电能表主要由计量、电源管理、存储、显示、按键处理、脉冲输出和通信单元7 个部分组成 。本文的智能电表是以80C51为核心处理器。除此之外,加入了电能计量芯片CS5460A 和LCD 显示芯片1602,用于用户用电量的计量与显示。但是,由于CS5460A芯片只能测量瞬时的电量,所以,还需要采用时间芯片DS1302将时间分段,这样电表就可以通过按键,不但可以显示出用户的瞬时用电量,而且还能显示某个时段的用电量。WiFi通信电路的使用,可以实现智能电表的无线通信,这样查电表的工作人员不用再挨家挨户的登门查询,而是直接接收WiFi信号,就可以了解到用户的用电情况,比较方便、省时。对于存储模块,本文采用体积小、容量大的SD卡,相比于一般的存储模块,SD 卡还可以随时拆卸、更换,既方便又实用。对于电源模块,本文采用的是外部供电方式。
2 智能电表的硬件设计
2.1 电能计量电路设计
电能计量芯片采用CS5460A。其主要功能如下:具有特殊的自动引脚模式功能,能使芯片独立工作,得电时自动初始化 ;具有片内看门狗定时器与内部电源监视器;可以精确测量正反两个方向的电压瞬时值、电流瞬时值、电压有效值、电流有效值以及功率和能量 ;提供了外部复位引脚;双向串行接口与内部寄存器阵列可以方便地与微处理器相连接;外部时钟最高频率可达20 MHz;具有功率方向输出指示 。


2.2 WiFi通信模块设计
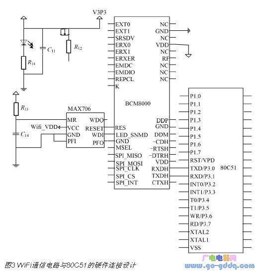
电表采用WiFi无线通信的方式,WiFi通信电路使用BCM8000。WiFi通信技术具有数据传输率高、组网灵活、可移动性好等优点。WiFi通信采用的是无线网络,使智能电表的安装不受通信线路的局限性,具有安装便利的优势 。WiFi通信电路与单片机80C51 的连接,只需要将BCM8000 的RXDH 和TXDH 引脚分别对应连接到80C51的TXD和RXD引脚,如图3所示。

3 智能电表的软件设计
智能电表的软件设计部分包括以下的几个部分:电能计量芯片CS5460A的数据传输、液晶显示器1602 显示子程序、键功能处理程序、WiFi 无线通信程序、时钟芯片DS1302 的读/写操作程序、SD卡储存模块的软件设计。其主程序的流程图如图4所示。CS5460A软件框图如图5所示。


4 结论
本次设计的智能电表集成了计量与显示电量、数据存储、数据通信等多种功能。经试验验证后,证实了电表性能的稳定、计算准确、误差较小、可以进行无线通信等。但是,本次设计的电表可能在故障自诊断方面有些不足,需要日后加以完善。
史海拾趣
|
最近一直都在调试我的控制板上外扩的ADDA,但是遇到了一个非常让人不爽的问题:同一个程序在不同的电脑上现象不同,在我的笔记本上ADDA都能调通,但是在实验室的电脑死活不行。前一段时间CCS3.3不知道为什么老出问题,我卸了好几次,昨天重装了一遍 ...… 查看全部问答> |
|
U-Boot 1.1.1 (Development build, svnversion: u-boot:已导出 , exec:已导出 ) (Build time: Jan 18 2010 - 21:30:42) BBBdr_hertz=333000000, ddr_ref_hertz=50000000, ddr_config_valid_mask=1 BBBdr_interface_mask=1, ddr_config_valid_mask ...… 查看全部问答> |
|
利用WINCE开发一个无线网络监控程序,希望能扫描得到当前可用的无线资源(这已实现)。 有个问题是,能不能指定扫描的channel呢?就是说,假设有11个CHANNEL可以用,但是我在扫描的时候只想扫描1、3、6号channel,如何在程序中设置呢? 哪位大侠能 ...… 查看全部问答> |
|
用SOPC的IP核生成了一个工程文件(暂时把这个顶层叫vip吧)之后,想要将vip模块作为我一个子模块例化一下。可是这样做了之后编译不能通过,报错如下:Error (10613): VHDL syntax error at video_conver_top.vhd(153): experienced unexpected end- ...… 查看全部问答> |
|
第一套应急灯我做的是3W功率的LED,这个是我独立设计并制作完成的。第二套LED应急灯是灰太狼设计的、我组装的采用MAX16804的应急灯。再次谢谢SOSO 琳子姐姐,还有灰太狼!有机会请你们吃饭!! 下面也是图片展示制作过程:… 查看全部问答> |
|
[诚寻] DSP开发 DSP测试 RF测试工程师 上海 15-22万 非诚勿扰 请自荐或是推荐的朋友发送简历到以下邮箱: Jerome.zhang@focu-search.com QQ:727190736 申请职位请务必在邮件中注明所申请职位的名称、目前的薪酬大致情况和期望、您目前的工作地点。 谢谢! 统招本科 硕士优先(本科3年左右 硕士2 ...… 查看全部问答> |
|
最近在调STM32F439的板子,想用双ADC同时采样,发现ADC1数据正常,ADC2无数据,求大神指点。 下边是程序代码: uint16_t ADC_Value[8]; #define ADC1_DR_ADDR 0x4001204C //ADC1_DR 地址 static void Init ...… 查看全部问答> |
|
基于串口的数字万用表创意进度帖+RL78G14开发环境的安装 有朋友问我怎么安装开发环境,过程中遇到了一些问题,特别是注册那个激活码。 我这里重新搞一遍,与大家分享一下经验 如图,建议把所带光盘使用UltraISO软碟通将光盘制作成ISO文件,然后加载到虚拟光驱,这样运行速度更快.安装更省时. 然后运行根目 ...… 查看全部问答> |




