历史上的今天
今天是:2025年03月21日(星期五)
2018年03月21日 | 射频芯片MFRC522在读写器终端中的应用设计
2018-03-21 来源:eefocus
在此主要叙述以STC89C52单片机为核心的脉动真空灭菌器控制系统的设计,给出了系统的实现原理、硬件组成及相应的软件设计。在灭菌过程中,采用Fuzzy—PID混和算法对温度进行非线性控制。利用该系统的智能化软件可方便地实现对脉动真空灭菌器的自动化控制。该系统在消毒灭菌的过程中,可以实时显示参数和图形化显示灭菌过程,还可以储存所需要的所有参数及打印等功能,同时还采取了软、硬件抗干扰措施。实验表明该系统提高了灭菌器的控制精度,功能齐全且实用性强,可以安全运行,实现了灭菌器的自动化工作过程。
现在人们生活水平提高了,人们更加的关注医疗灭菌消毒。在90年代中期,国内研制了_种新型灭菌设备——脉动真空灭菌系统。该系统采用了先进的脉动真空技术,其灭菌效果良好,因此在医院供应室、制药厂、手术室及科研部门被广泛应用。目前国内外出现了各式各样灭菌器控制系统,本文根据这一现状,开发了一种由单片机控制的脉动真空灭菌控制器。利用FUZZY—PID混和控制算法,通过控制灭菌温度、压力和时间等主要工艺参数,可以对多种物品进行快速有效地灭菌,例如包裹类、器械类等。该系统上位机视图监控软件采用VC++6.0来编写,通过采用串行通信接口,可以实现远程监控的功能。同时具有实时参数显示、消毒灭菌过程参数存储及打印等功能。该控制系统符合现代电子产品自动化、智能化、模块化、人性化的设计要求且人机界面友好。
1 脉动真空灭菌器基本工作原理
脉动真空灭菌器是由带有夹层及密封门的高压容器,内部还有温度、压力传感器及真空阀、进气阀、真空泵、排汽阀等控制器件组成。根据内部温度和压力是否到达设定的温度和压力要求来进行各种动作控制。根据工艺流程要求,该控制系统的工艺流程包括准备阶段、脉动真空阶段、升温升压阶段、恒温灭菌阶段、排气阶段、无菌阶段等几个阶段,工作流程如图1所示。

2 系统的硬件设计
2.1 系统总体设计
脉动真空灭菌器控制系统主要由5个部分组成:单片机主控系统、开关量输出/输入控制系统、数据采集系统和通信及人机交互系统。单片机采用STC89C52,晶振为12 MHz,单片机内部的2个16位定时器,一个用于系统的定时,另外一个用于看门狗电路,保证系统正常运行。在核心CPU板上有串行通信接口、开关量输入接口、继电器输出接口等。脉动真空灭菌控制系统框图如图2所示。
2.2 信号采集电路与开关量输入/输出电路
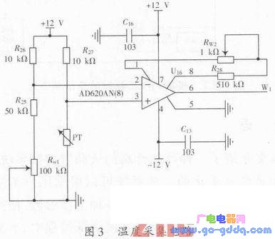
温度和压力的采集是由信号采集电路来实现,其中温度传感器使用铂热电阻,在-259~631℃之间它是标准的校准元件,PT100的阻值随温度的变化转换成电压的变化,调理电路对电压信号进行放大、变换,输出0~5 V的标准信号,经A/D转换送单片机,完成对温度的采集。温度采集电路如图3所示。
压力传感器采用的电流型传感器ETL-200-375系列。该产品提供4~20 mA电流输出,体积小、质量轻,适合于安装空间受限场合。ETL-200-375M系列供电电压(28±4)V DC。采用美国RURR-BROWN公司生产的精密电流环接收器芯片RCV420,可将压力传感器4~20 mA的电流直接转换成0~5 V的电压信号,经A/D转换送单片机,完成对压力的采集。压力采集转换电路如图4所示。其中A/D部分采用美国TI公司生产的多通道、低价格的模/数转换器TLC1543。它是10位逐次逼近式A/D转换器,测量范围为0~5 V。采集的数字信号,经过数字滤波变换后,通过通信电路传到PC机上显示,并且与设定的温度等参数进行比较,得到误差与误差变化率,可以提供后续控制的依据。开关量输入电路的主要作用是:在灭菌的过程中,用来判断高温高压容器的密封门开关和门限位开关的开与关。开关量输入电路的主要作用是:控制各个固态继电器的通与断,来控制所有的数字阀门的通与断,从而达到控制灭菌器内外的温度和压力作用。

2.3 通信电路
该部分电路主要作用是实现对灭菌器的远程控制与诊断,首先控制系统通过发送的命令和数据来对灭菌器进行各种控制;在通过上传的当前的温度与压力等各种工艺参数来实时的反映灭菌的详细情况。硬件电路使用的芯片是处理器STC89C52和MAX232。因为考虑到通信速度和传送距离的问题。采用RS 232C标准进行单向数据传输时,最大数据传输速率为20 Kb,最大传送距离为15 m,满足不了远距离的控制。改用RS 485标准传输大幅度提高,最大传输距离为300 m,降低数据传输速率,可传输的距离可达到1 200 m。基本上满足要求。
3 系统的软件设计
该系统的软件分为2个部分,一部分是C51的单片机程序;另一部分是VC++的上位机程序,采用C语言来进行程序的编写。其设计思想是:采用划分程序模块的方法,先进行各个模块的设计和调试,从而使程序更有条理性。采用自上向下的程序设计方式并采用中断方式和CPU联系,使整个系统的模块化增强。从而提高了系统的可靠性。
3.1 系统的主程序设计
主程序主要是用于链接各模块程序,图5为其流程图。主程序先进行各种初始化:系统初始化和继电器控制各个信号初始化。首先设置所有初始化为关闭状态。完成全部初始化后,单片机在主程序中不断循环,在主程序中还要执行各种相应的自检功能。可以检测系统的各种状态是否符合设计的要求。
3.2 定时中断程序设计
定时中断程序是整个系统的核心,整个控制都在定时中断中完成。在整个设计中设置定时中断100 ms,在中断中完成温度和压力的测量,完成排除真空、升温、恒温灭菌、排空气、干燥、结束等灭菌过程。其中排除真空主要是使灭菌器内部尽量是真空状态,可以根据需要设置脉动次数;蒸汽通过进汽阀门进入,从而使灭菌器内的温度慢慢上升,在温度上升的过程中,使用模糊控制算法,当温度升到132℃,开始采用PID控制算法。
进入恒温灭菌阶段,灭菌时间6~20 min自行设置,但不宜过长。达到恒温时间后自动转入干燥过程。干燥过程结束后,打开进汽阀门,直到灭菌过程全部结束。定时中断流程图如图6所示。

3.3 灭菌控制系统上位机监控程序设计
上位机实时监控系统软件采用Visual C++开发,主要用于各控制点的压力和温度的采集,并对采集到的温度和压力参数进行动态显示,还有各种数据信息的修改,打印以及历史数据的查询等等。使用VC++建立PC机和单片机可靠的串行通信,是保证数据传送的及时性和正确性的关键。VC++强大的数据库功能和API函数很好地实现了数据库的实时操作和实时数据曲线的生成。
4 FUZZY—PID混和控制算法
整个工作中的关键环节是灭菌器升温和恒温灭菌阶段。在这个阶段中,温度上升的速度直接影响灭菌器室内灭菌的效率,如当温度达到设定值时,要求灭菌的物品内部却达不到所需要灭菌的要求;此外超热的蒸汽温度虽然很高,但是当蒸汽遇到所要消毒的物品时,却不能凝结成水珠,潜伏热不能得到合理释放,对灭菌非常不利。在灭菌过程中,为了保证灭菌系统的灭菌效果和提高灭菌的效率,本文采用FUZZY—PID混和控制方法来控制温度的变化。当灭菌器内的温度与设定值出现偏差时,这时使用模糊控制方法,从而使温度理想的上升;当温度在偏差内时,则PID控制自动切换,从而得到高精度的温度控制。模糊PID混和控制器结构图如图7所示。
5 结语
本文介绍了一种可靠性高的灭菌器控制系统,其灭菌过程是全自动化的。该系统可以根据用户不同的灭菌要求来灵活的设置灭菌器的各种工作参数,使灭菌器的应用得到大大的扩展。在灭菌消毒过程中,本文使用了先进的控制理论方法,使温度上升的过程得到优化,从而使灭菌过程的压力、温度和时间得到精确控制,使灭菌设率得到大大的提高,因此具有很高的性价比。
史海拾趣
|
在多电平系统中,直流电平转换是很常见的事情,这直接关系到一个系统设计的成败,TI在直流电平转换上的方案还是不错的,如SN74LVC4245(3.3V~5V),SN74AVC8T245(1.2V~3.6V)等,附件是TI的相关器件的详细介绍。 … 查看全部问答> |
|
我用lpc1343枚举了一个USB HID键盘设备,描述符我用的USB 键盘的,以前用过没问题的。 用end1 发送键盘数据,但是空闲时段一直发送0x00,0x00,0x00,0x00,0x00,0x00,0x00,0x00.但是按键数据又是正常的,就是表象没什么影响。不知道会不会对别的有影 ...… 查看全部问答> |
|
上海汉的信息技术股份有限公司 诚招嵌入式软件工程师 任职要求: 1.本科以上学历,计算机软件或相关专业,2年以上工作经验。 2.具有2年以上C++语言,linux或unix开发经验。 3.熟悉嵌入式开发。 4.懂日语者优先。 有意者请将简历发 ...… 查看全部问答> |
|
单片机与PC机的串口通信时,刚开始的时候传的数据是正确的,工作一段时间,传的数据就出现错误,当向PC机传固定的一个数据时,还出现时而正确,时而错误的情形,不知道这是为什么。… 查看全部问答> |
|
Building configuration: gas - Release Error[e16]: Segment DATA16_Z (size: 0xb9 align: 0x1) is too long for segment definition. At least 0x38 more bytes needed. The pro××em occurred while processing the segment placement comma ...… 查看全部问答> |
|
哪位大侠写过msp430f149控制DHT11温室读传感器的串口显示程序,我调了好久总是不能显示数据 ?不知道什么原因?高手帮忙啊,不胜感激之至!! 串口程序; #include \"usart.h\"struct DHT_data{ unsigned char DH_H; ...… 查看全部问答> |
|
ucos ii 的中断处理过程是这样的(直接上代码): { OSIntEnter(); //Call ISR... OSIntExit (); return; } OSIntExit () { #if OS_CRITICAL_METHOD == 3&n ...… 查看全部问答> |




