历史上的今天
今天是:2025年03月22日(星期六)
2018年03月22日 | 基于单片机89C52卷烟机剔废阀控制器的设计
2018-03-22 来源:eefocus
随着我国加入WTO,烟草行业也正在发生变化,国内卷烟企业正强强联合,其目的就是为了把企业品牌做强、做大。我们都知道,要想把品牌做好,产品质量是关键,从制丝、卷接、包装每个环节都很重要。其中烟支缺陷检测是非常重要的环节,高速卷接烟机在运行的过程中会产生各种的废烟(如缺嘴、松头、翘边等等)。通过相应的检测设备对烟支进行全面检测,如缺滤嘴、烟丝脱落或者松头、翘边、折边,弯曲、畸形等,通过剔废阀控制器的控制电路驱动剔废阀将有问题烟支剔除。但现有的剔废阀控制器设计方案比较落后,大部分采用集成电路式控制模式,功能相对比较单一,且需要配备相应的剔废阀监视器。使用起来非常不方便,且维护难度大、成本高,对企业发展及技术革新造成相当大的制约。本控制系统以ATMEL公司生产的89C52单片机作为核心器件,通过A/D采样计算光电传感器检测到的烟支情况,来判断烟支是否完好。把检测到有问题的烟支通过控制剔废阀来剔除掉。同时对剔废阀的应答信号进行回读来判断剔废阀自身是否存在故障。这样就实现了纯粹的烟支生产检测、剔除、自检一体化的智能控制系统。
老式剔废阀控制器存在的弊端
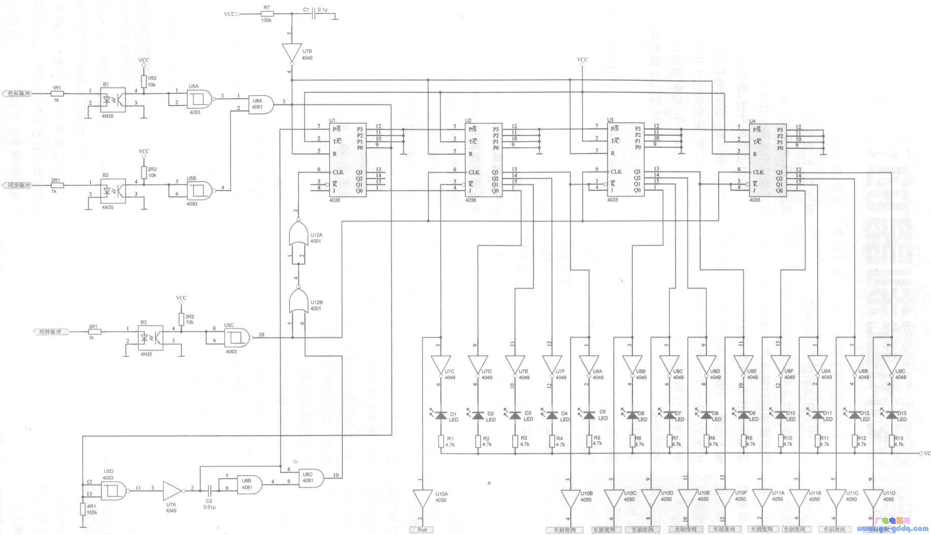
下面看看老式剔废阀控制器如何进行剔废操作的。在卷烟机控制器上的高速开关动作(包括剔废,取样要求等)都是以内部机器时钟作为基准的,每个时钟脉冲就是代表一支烟,其上升沿就是代表一支烟的开始。所以对于废烟剔除电路来说,最重要的就是同步性的问题。在老式剔废模块上,时钟信号通过4N25进行光隔后,在经过一个与非斯密特触发器后再经过几个整形后连上4025的CLK脚上作为触发。另外三个移位寄存器4035串联输出。下图是该剔废系统电路图。

在正常没有废烟的时候,输入端只有同步脉冲和时钟脉冲,色标输入始终呈现低电平的状态;当发现废烟的时候,色标输入出现一个脉冲,每一个色标脉冲就是代表了产生一支废烟。这个色标脉冲与同步脉冲组合后作为第一个移位寄存器4035的输入,与同步脉冲进行组合是为了要确保烟支动作的同步性。第一个移位寄存器的输出触发第二个移位寄存器,这时根据输入的时钟信号进行移位,当移位到Q3为1即输出为1000的时候触发第三个移为寄存器,同样道理,第三个移为寄存器也开始进行移为操作,最后触发第四个移为寄存器进行移为操作,这样输入的色际脉冲就实现了移位操作。在第二到第四个移位寄存器上一共有9个输出,这9个输出实际上代表的就是剔废阀到检测传感器之间的距离,距离的单位是烟支数。这9个输出实际上只有一个是有用的,因为剔废阀得剔废请求信号只有一个。之所以由9个输出实际上是用来调试用的,是因为卷烟机是在高速的运行的,而剔废阀与检测传感器之间的距离又是固定的,只能在安装后通过调试来确定究竟是哪个输出接到剔废阀才是合适的。那些LED的作用就是用来方便调试用的。
通过这个电路的分析,可以看出这个电路中的一些弊端:1、没有检测元件,需要外加检测传感器。2、剔废阀自身故障不能检测,当剔废阀出现自身故障时容易导致废烟误作好烟进入包装机。还需外加剔废阀监视器。3、所使用到的逻辑器件比较多,这样就会增加故障出现的几率,而且一旦出现故障后又难于检测。4、从电路的结构功能上可以看出,输出可以调整的范围较少,一旦剔废阀到检测传感器之间的距离大于9支烟的时候,这个电路就无能为力了。5、原来电路中用的4N25不属于高速光藕,如果到了卷烟机速度更快的时候可能这个光藕工作不过来。
经过上面的分析,老式剔废阀控制器的弊端一目了然。因此笔者选用单片机作为主控制芯片,把检测元件及自检功能加入到控制器系统中,使剔废阀控制器功能更加强大且控制精度及准确性都大大提高。
新式剔废阀控制器系统的硬件系统
鉴于老式剔废阀控制器所存在的问题和不足,改造后的新型剔废阀控制系统应该有以下的功能和特点:1、要把检测用的传感器集成到剔废阀控制器中,同时要能检测剔废阀自身故障。使英具备检测、判断、剔废、自检一体化控制系统02、用一个新式光电传感器检测,根据传感器反光程度不同输出电压就不同原理来判断烟支存在问题的不同。3、检测传感器到剔废阀之间的距离设定由两个拨码开关组成,可设定0~99,即检测传感器到剔废阀之间的距离可以大到99支烟。方便安装、调试。4、能通过串口实现单片机向计算机传送数据,这个目的是生产过程中记录的有问题的烟支类型及数量可随时上传的计算机中,供技术人员参考。5、要有工作指示灯来指示其工作的情况。
根据烟机运行的现场实际情况,结合老式烟机存在的问题。笔者以ATMEL公司生产的89C52单片机作为核心器件,通过A/D采样计算光电传感器检测到的电压信号,来判断烟支是否完好。把检测到有问题的烟支通过控制剔废阀来剔除掉。同时对剔废阀的应答信号进行回读来判断剔废阀自身是否存在故障。这样就实现了纯粹的烟支生产检测、剔除、自检一体化的智能控制系统。

硬件原理见上图。当烟支进入光电传感器器时候,传感器通过光的反射来判断烟支的缺损,传感器将光信号转化为0~5V的电信号,因为烟支存在问题的不同,反射的光线就不同,进而输出的电压就不一样。在这里分为3种,O~lV为翘边,3.5~4V是松头,4~5V为无嘴,其余电压值为正常烟支。通过ND芯片将模拟0~5V电压信号转化为数字信号送入单片机中,单片机通过采样量就知道烟支存在哪种问题。
传感器与剔废阀之间的距离通过二个8421拨码开关来设定,因此可以设定0~99个烟支,单片机通过读写拨码开关电路把整定值读入到单片机中,例如当传感器与剔废阀之间有15支烟的距离时,拨码开关整定到15即可。
单片机的13脚CLK为基准时钟脉冲信号输入,每一个时钟脉冲代表一支烟。当A/D采样判断到有坏烟时,便开始计数,当计数到拨码开关整定的数值时,有问题的烟支正好从检测装置运动到剔废阀,此时单片机P2.2管脚输出,启动剔废阀动作将有问题的烟支剔除。同时,启动相应的告警指示灯。
原理图中的开入部分是用来检测剔废阀自身是否正常运行的,若剔废阀正常工作,在其接受剔废请求动作后(剔除废烟),剔废阀立刻给单片机一个反馈信号(应答信号),告知单片机剔废阀的剔废情况。如单片机在发出剔废请求后在一定时间内没有收到剔废阀反馈回来的应答信号,说明剔废阀自身出现问题。此时装置自检报警灯亮直至故障消除,同时闭锁输出。防止剔废阀错误动作将有问题的烟支装入烟盒。
原理图中的74HC04是六反相器,在这里是用来驱动指示灯的,因为单片机自身的I/O口驱动功率不够。74HC00是用来当剔废阀自身出现故障时闭锁出口,防止误动作把好烟剔除掉,74HC02是用来单片机初始化过程中闭锁单片机出口的,防止此时I/O口状态不稳造成误发信号。
X5045在这里用到了它的上电复位和看门狗功能,同时它可以纪录存储各种有问题烟支的数量以便通过串口提供给计算机作为分析运算参考。
结束语
通过笔者的调试仿真,新式剔废阀控制器性能稳定、动作可靠。运算速度快且性价比极高,适合推广使用。
史海拾趣
|
上拉电阻和下拉电阻的选择应结合开关管特性和下级电路的输入特性进行设定,主要需要考虑以下几个因素:1. 驱动能力与功耗的平衡。以上拉电阻为例,一般地说,上拉电阻越小,驱动能力越强,但功耗越大,设计是应注意两者之间的均衡。2. 下级电路的 ...… 查看全部问答> |
|
问题一: 如下是服务器端的部分程序,accept成功后,客户端给服务器端发送两次消息,分别为\"01\",\"02\". 发现:如果把szText[]的大小改为3,则只能成功接受一次数据,改成16就能接受两次。 ...… 查看全部问答> |
|
紧急求助专家帮忙。本人大四毕业设计,做DSP的SPWM技术实现。用的是2407的芯片,要求仿真出波形图,并且还要进行算法的计算和改进,提出优化,对误差进行分析,并对死区控制进行分析。 本人现在急求 2407的SPWM C语言的程序,并且最好给张仿真的波 ...… 查看全部问答> |
|
各位硬件达人,我现在是研一,现在面临选向的问题,本科是自动化(并非电气自动化,就是传说中的“万金油”的那个自动化专业),研究生我没有报双控,报的是模式识别与智能系统(我是在研究所读研,报那个不重要,关键是自己选向)。师哥建议我搞电 ...… 查看全部问答> |
|
谁有LM3S8962的SD读写程序,发上来个研究一下我这边的stellarisware光盘里面的SD卡程序用不了,谁有个能用的,给个!谢谢… 查看全部问答> |




