历史上的今天
今天是:2024年08月29日(星期四)
2018年08月29日 | 电流检测方案解析
2018-08-29
与十年前相比,现在的电子产品具有更多的功能。工程师们不得不设计精密的系统,常以“创造性”满足严格的功率预算,以保持高能效。预测系统的维护和保护需要快速反应系统的响应。一个关键功能是监测系统的电流消耗和压降。
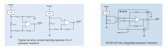
在所有的电流检测法中,使用放大器监测分流的电流是到目前为止最常用的方法。电流检测可以使用电流检测放大器(CSA)或带有外部增益设置电阻的运算放大器(Op Amp)来实现(图1)。这两者的选择,取决于性能要求和物料单(BOM) 的目标成本。
Typical op amp current sensing requires 2 to 4 precision resistors
普通的运放电流检测需要2至4个精密的电阻
NCS21xR has integrated precision resistors:NCS21xR集成精密的电阻
图1(a)带有外部增益设置电阻的运算放大器 图1(b)电流检测
从性能的角度,增益设置电阻之间的不匹配会影响电流测量的精度,继而影响并联器件的尺寸。其他设计考虑因素包括器件规格(输入偏置电压、共模抑制、增益误差)、并联器件尺寸、分流位置和PCB布局。我们将在随后的博客中深入分析这些因素。现在,让我们大体看看这些因素。
我们选取了四个放大器(LM358,NCS20081,NCS333和NCS214R),比较从通用到精密放大器(图2和图3中从左到右)的性能优势。
NCV214R集成增益设置电阻,以获得更好的匹配和共模性能。其他的则需要外部电阻网络。假设在LM 358、NCS20081和NCS333的性能比较中使用了匹配的电阻网络。NCS214R提供最高的精度(图2)和极高能效的方案(图3)。

With a 50 mV shunt drop: 14% offset error
50 mV分流压降:14%偏置误差
With a 50 mV shunt drop: 7% offset error
50 mV分流压降:7%偏置误差
With a 50 mV shunt drop: 0.02% offset error
50 mV分流压降:0.02%偏置误差
With a 50 mV shunt drop: 0.12% offset error
50 mV分流压降:0.12%偏置误差
Reduce offset voltage:减小偏置电压
Improve accuracy:提高精确度
System performance improves:系统性能提升
图2:对于固定的分流压降(例如50 mv),偏置误差有几个数量级的差异

To achieve 2% offset error: 350 mV shunt drop
要达到2%偏置误差:分流压降350 mV
To achieve 2% offset error: 175 mV shunt drop
要达到2%偏置误差:分流压降175 mV
To achieve 2% offset error: 0.5 mV shunt drop
要达到2%偏置误差:分流压降0.5 mV
To achieve 2% offset error: 3 mV shunt drop
要达到2%偏置误差:分流压降3 mV
Reduce voltage drop across sense resistor:减小检测电阻压降
Reduce power dissipation:降低功耗
System efficiency improves:系统能效提升
图3:若要实现最大的系统能效,对于固定的偏置误差,较低的分流压降会降低功耗
从BOM成本的角度,一个匹配良好的电阻网络将贵(~1美元)到足以抵消使用通用运放(~0.10美元)节省的成本。虽然电流检测放大器贵,但当比较完整的方案成本时,它们很可能比运放方案更便宜。
但是等等!不仅仅如此…另一个优势是:方案的尺寸。带外部电阻网络的运放不会像uQFN或SC70中的NCS21xR那样小。
产品 | NCS210R | NCS211R | NCS213R | NCS214R |
增益(V/V) | 200 | 500 | 50 | 100 |
增益误差(%) | 1 | 1 | 1 | 1 |
偏置电压(µV) | 35 | 35 | 100 | 60 |
史海拾趣
|
文件结构 模块化的程序应该是有一个很好的程序结构的。AVR C语言程序有两种用户文件,.c程序文件,.h头文件,程序中编写过程中需要在.c文件中包含.h头文件。初学者往往出现重复包含或者头文件包含错误的问题,我当时也时常为这种错误而发愁。下面 ...… 查看全部问答> |
|
如何编程识别U盘的唯一特征身份呢,不限方法,得要对每种U盘都适用,针对特定芯片的方法作为参考,如果提供的类型比较全,也可以得全分(但想全不太容易吧),或者没有完美方法的话,可以在散分的时候多得点。 但反对 ...… 查看全部问答> |
|
现在有一块18bpp(RGB666)的TFT屏,想在Windows Mobile6上点起来。可是发现Windows Mobile只支持16bpp和24bpp,并不支持18bpp。我应该怎么样做呢?十分感谢… 查看全部问答> |
|
keil下初始化串口老是不成功,串口输出的都是乱码,但是在ADS下初始化都是正常的,是不是在ADS和keil下初始化有什么区别,高手指点一下。。。 … 查看全部问答> |




