历史上的今天
今天是:2024年12月11日(星期三)
2018年12月11日 | STM32之DMA实例
2018-12-11 来源:eefocus
DMA简介:
DMA(Direct Memory Access,直接存储器存取),是一种可以减轻CPU工作量的数据存取方式,如今被广泛的使用。它在传输数据的同时,CPU可以做其他事,比如数据运算或者响应中断等,DMA就给CPU分担了不少的工作量!
DMA工作分析:
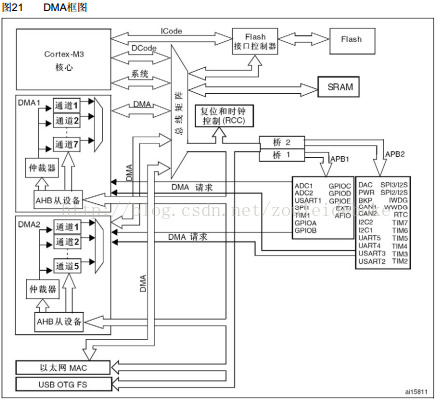
如图,我们可以看到STM32内核,存储器,外设及DMA的连接,这些硬件最终通过各种各样的线连接到总线矩阵中,硬件结构之间的数据转移都经过总线矩阵的协调,使各个外设和谐的使用总线来传输数据。
下面看有与没有DMA的情况下,ADC采集的数据是怎样存放到SRAM中的?
1.如果没有DMA,CPU传输数据还要以内核作为中转站,比如要将ADC采集的数据转移到到SRAM中,这个过程是这样的:内核通过DCode经过总线矩阵协调,使用AHB把外设ADC采集的数据,然后内核,DCode再通过总线矩阵协调把数据存放到内存SRAM中。
2.有DMA的话,DMA控制器的DMA总线与总线矩阵协调,使用AHB把外设ADC采集的数据经由DMA通道存放到SRAM中,这个数据的传输过程中,完全不需要内核的参与,也就是CPU的参与,不过DMA传输时要对DMA外设发出请求,才会触发其工作。
下面我是通过串口通信的例子来学习DMA的!
主函数main.c:
#include
uint8_t sendbuff[500];
uint16_t i;
int main()
{
printf_init();
dma_init();
for(i=0;i<500;i++)
{
sendbuff[i] =0xaf;
}
USART_DMACmd(USART1,USART_DMAReq_Tx,ENABLE);
LED3_ON;
while(1);
这个主函数实现的功能是利用DMA把数据(数组,数组里面的存放了500个AF字符)从内存转移到外设(串口),最后通过串口传输到我们的PC上显示。为了证明DMA在搬运数据的同时,CPU还可以做其他事,于是将LED3点亮,来测试一下。主函数至于为啥加while(1),才会产生中断?还不明白。。。
DMA配置dma.c:
#include "stm32f10x.h"
#include "stm32f10x_rcc.h"
#include "stm32f10x_usart.h"
#include "stm32f10x_dma.h"
#include "misc.h"
#include "dma.h"
void dma_init()
{
DMA_InitTypeDef DMA_InitStructure;
RCC_AHBPeriphClockCmd(RCC_AHBPeriph_DMA1,ENABLE);
NVIC_Config();
/*DMA配置*/
DMA_InitStructure.DMA_PeripheralBaseAddr = USART1_DR_Base;//串口数据寄存器地址
DMA_InitStructure.DMA_MemoryBaseAddr = (uint32_t)sendbuff; //内存地址(要传输的变量的指针)
DMA_InitStructure.DMA_DIR = DMA_DIR_PeripheralDST; //方向(从内存到外设)
DMA_InitStructure.DMA_BufferSize = 500; //传输内容的大小
DMA_InitStructure.DMA_PeripheralInc = DMA_PeripheralInc_Disable; //外设地址不增
DMA_InitStructure.DMA_MemoryInc = DMA_MemoryInc_Enable; //内存地址自增
DMA_InitStructure.DMA_PeripheralDataSize =
DMA_PeripheralDataSize_Byte ; //外设数据单位
DMA_InitStructure.DMA_MemoryDataSize =
DMA_MemoryDataSize_Byte ; //内存数据单位
DMA_InitStructure.DMA_Mode = DMA_Mode_Normal ; //DMA模式:一次传输,循环
DMA_InitStructure.DMA_Priority = DMA_Priority_Medium ; //优先级:高
DMA_InitStructure.DMA_M2M = DMA_M2M_Disable; //禁止内存到内存的传输
DMA_Init(DMA1_Channel4, &DMA_InitStructure); //配置DMA1的4通道
DMA_Cmd(DMA1_Channel4,ENABLE);
DMA_ITConfig(DMA1_Channel4,DMA_IT_TC,ENABLE);//配置DMA发送完成后产生中断
}
static void NVIC_Config(void)
{
NVIC_InitTypeDef NVIC_InitStructure;
/*中断配置*/
NVIC_PriorityGroupConfig(NVIC_PriorityGroup_1);
NVIC_InitStructure.NVIC_IRQChannel = DMA1_Channel4_IRQn;
NVIC_InitStructure.NVIC_IRQChannelPreemptionPriority = 1;
NVIC_InitStructure.NVIC_IRQChannelSubPriority = 1;
NVIC_InitStructure.NVIC_IRQChannelCmd = ENABLE;
NVIC_Init(&NVIC_InitStructure);
}
这里的串口数据寄存器地址配置是参考STM32的datasheet来设置的,USART1_DR_Base是一个宏,#define USART1_DR_Base 0x40013804,至于地址为啥是这个,请看下图:


存储器映射图,找到USART1的基址,再看USART1数据寄存器偏移地址就可以知道串口1的地址了。

至于在配置DMA1通道时,那里为啥是通道4,而不是其它通道,请看下图:

dma.h:
#ifndef _dma_H
#define _dma_H
#include "stm32f10x.h"
#define USART1_DR_Base 0x40013804;
extern uint8_t sendbuff[500];
static void NVIC_Config(void);
void dma_init(void);
#endif
串口配置:printf.c
#include "printf.h"
#include "stm32f10x.h"
#include "stm32f10x_rcc.h"
#include "stm32f10x_gpio.h"
#include "stm32f10x_usart.h"
#include "misc.h"
int fputc(int ch,FILE *f)
{
while(USART_GetFlagStatus(USART1,USART_FLAG_TC) != SET);
USART_SendData(USART1,(unsigned char)ch);
while(USART_GetFlagStatus(USART1,USART_FLAG_TC) != SET);
return (ch);
}
void printf_init(void)
{
GPIO_InitTypeDef GPIO_InitStructure;
USART_InitTypeDef USART_InitStructure;
/*config USART clock*/
RCC_APB2PeriphClockCmd(RCC_APB2Periph_GPIOA,ENABLE);
RCC_APB2PeriphClockCmd(RCC_APB2Periph_USART1,ENABLE);
RCC_APB2PeriphClockCmd(RCC_APB2Periph_GPIOD,ENABLE);
/*USART1 GPIO config*/
GPIO_InitStructure.GPIO_Pin= GPIO_Pin_9;
GPIO_InitStructure.GPIO_Mode= GPIO_Mode_AF_PP; //复用推挽输出
GPIO_InitStructure.GPIO_Speed = GPIO_Speed_50MHz;
GPIO_Init(GPIOA,&GPIO_InitStructure);
GPIO_InitStructure.GPIO_Pin= GPIO_Pin_10;
GPIO_InitStructure.GPIO_Mode= GPIO_Mode_IN_FLOATING; //复用开漏输入
GPIO_InitStructure.GPIO_Speed = GPIO_Speed_50MHz;
GPIO_Init(GPIOA,&GPIO_InitStructure);
GPIO_InitStructure.GPIO_Pin=GPIO_Pin_3;
GPIO_InitStructure.GPIO_Speed=GPIO_Speed_50MHz;
GPIO_InitStructure.GPIO_Mode=GPIO_Mode_Out_PP;
GPIO_Init(GPIOD,&GPIO_InitStructure);
/*USART1 mode Config*/
USART_InitStructure.USART_BaudRate = 9600;
USART_InitStructure.USART_WordLength = USART_WordLength_8b;
USART_InitStructure.USART_StopBits = USART_StopBits_1;
USART_InitStructure.USART_Parity = USART_Parity_No;
USART_InitStructure.USART_HardwareFlowControl = USART_HardwareFlowControl_None;
USART_InitStructure.USART_Mode = USART_Mode_Rx | USART_Mode_Tx;
USART_Init(USART1,&USART_InitStructure);
USART_Cmd(USART1,ENABLE);
printf.h:
#ifndef __printf_H
#define __printf_H
#include "stm32f10x.h"
#include
#define LED3_ON GPIO_SetBits(GPIOD,GPIO_Pin_3)
#define LED3_OFF GPIO_ResetBits(GPIOD,GPIO_Pin_3)
void printf_init(void);
int fputc(int ch,FILE *f);
#endif
中断代码:stm32f10x_it.c
#include "stm32f10x_it.h"
#include "stm32f10x.h"
#include "printf.h"
void DMA1_Channel4_IRQHandler(void)
{
if(DMA_GetFlagStatus(DMA1_FLAG_TC4)==SET)
{
LED3_OFF;
DMA_ClearFlag(DMA1_FLAG_TC4);
}
}
效果图:

史海拾趣
|
【EEWORLD】“简简单单DSP”系列学习活动(11月07日已更新第七期) 【EEWORLD】“简简单单DSP”系列学习活动 欢迎加入“简简单单DSP”系列学习活动,AQUA学习小组将和您一起学DSP281x。 活动目的: 数字信号处理器(DSP)是广大电子工程师几乎必备的利器,从运动控制到图像处理的诸多领域,DSP已 ...… 查看全部问答> |
|
一个LED的N种玩法 (二)---渐变 Author: chenzhufly Email: chenzhufly@126.com 2010-4-28 在第一篇中我已经能够上LED闪烁起来了,还可以怎么玩呢?想到网络上曾经讨论过LED亮度渐变的程序,实现的方式很多,我这里挑个最简单的—用延时 ...… 查看全部问答> |
|
ARM92440芯片IIC接口,驱动光强传感器TSL2561。 根据TSL2561手册中的描述,The TIMING register defaults to 02h at power on,现在我的代码可以读出这个02h;读ID Register (Ah),也能读到正确的值。 用示波器观察,能很清楚地观察到START、STOP ...… 查看全部问答> |
|
CE6.0下的Cellcore是不是已经帮我们实现了GSM协议栈?很多公司找人去设计GSM协议栈是什么意思? CE6.0下的Cellcore是不是已经帮我们实现了GSM协议栈?很多公司找人去设计GSM协议栈是什么意思?… 查看全部问答> |
|
关于16为data width如何在pSRM里面申请一个unsignd char CPU与SRAM的访问方式为WORD访问,也就是说,CPU能一次从SRAM里面读出16BIT的数据,这样现在有一个问题想不通: unsigned char testTemp; 请问,CPU如何在SRAM里面定位一个BYTE,并申请了这个空间的?… 查看全部问答> |
|
想要在TI送的8962板子上用计时器中断实现LED闪烁,代码是网上找的,但是下载到板子后没有实现功能,我看不出问题,请大家指教 #include \"hw_ints.h\" #include \"hw_memmap.h\" #include \"hw_types.h\" #include \"debug.h\" #include \"gpi ...… 查看全部问答> |
|
最近看了一下linux下面的防火墙的实现过程有些资料上传与大家分享Linux安全体系的防火墙实现linuxnetfilter&iptables实现机制的分析与应用 [ 本帖最后由 daicheng 于 2010-12-20 14:35 编辑 ]… 查看全部问答> |




