历史上的今天
今天是:2025年01月15日(星期三)
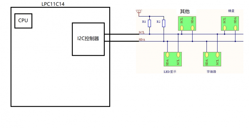
2019年01月15日 | LPC11C14通信接口之I2C
2019-01-15 来源:eefocus
1、什么是IIC?
IIC的英文全称Inter-IntegratedCircuit(集成电路总线),是一种多向控制总线,由飞利浦半导体公司在八十年代初设计,主要是用来连接整体电路(ICS)。在IIC中,多个芯片可以连接到同一总线结构下,同时每个芯片都可以作为实施数据传输的控制源,这种方式简化了信号传输总线。
因此,IIC实质是用来在芯片和外围器件之间连接的通信接口。
2、IIC接线
IIC通信一共要有2根线:SCL(时钟线)和SDA(数据线)
SCL时钟线:控制IIC通信双方进行数据传递控制
SDA数据线:IIC通信双方数据传输
一个主设备可以连接多个从设备,那么究竟什么是主设备,从设备?IIC总线结构如下:

所谓的主设备就是控制着SCL时钟输出的一方,那么被动接收SCL的一方就是从设备了。
3、IIC通信协议
IIC通信是属于同步串行通信的一种,并且支持1对多的通信方式(一主多从),所以IIC通信我就以主设备发送一个字节的数据0xaa为例讲解IIC通信协议。
首先,我们将发送一个字节0xaa需要解决的问题先思考下:
(1)MSB(高位)还是LSB(低位)在前?
0xaa转换成二进制是1010 1010,而串口发送数据是一个bit位一个bit位的发送的,那么在开始发送时应该先发送高位的1还是低位的0呢?
这里大家注意下,在同步串口通信中,一般是先发送高位,后发送低位。IIC就正好是同步串口通信的一种,所以发送0xaa的时候,是先从高位开始向低位的顺序发送的。怎么区分是同步还是异步呢,主要看通信接口中有没有时钟线SCL,有SCL的就是同步,反之没有的就是异步。
(2)开始发送的时候,怎么区分总线的空闲和繁忙状态?
作为通信接口,在收发双方之间必然存在实际的物理连接线路,那么线路必然存在两种状态:繁忙(有数据正在传输中)和空闲(线路空闲没有数据传输),IIC的两根线:SCL和SDA,在空闲的时候都是默认输出高电平的。那么怎么开始数据的传输(从空闲到繁忙)、怎么结束数据的传输(从繁忙到空闲)?
既然IIC总线在空闲的时候,SCL和SDA都是输出高电平,那么IIC总线协议规定,组合信号:SCL保持高电平不变,SDA输出低电平,产生下降沿突变,这个组合信号就是起始信号,用来是的IIC总线从开始的空闲态切换到繁忙态。
(3)怎么从主设备连接的多个从设备中选定要通信的从设备?
IIC支持一个主设备连接多个从设备的方式,那么在通信的时候只能有一个从设备和主设备建立通信,但是IIC又不能和SPI一样,增添一个独立的引脚用来区分,那IIC怎么实现和从设备的连接呢?
每一个IIC设备一般在出厂的时候都会编好号,这个编号就是IIC设备如果作为从设备通信的时候的从设备地址。当然有些设备在出厂的时候可能没有编号,比如咱们的LPC11C14,但是我们可以人为写入,只要注意这个IIC从设备地址是全球不唯一,但是在实际物理开发板上是惟一的原则就好。
从设备地址一般是7个bit位宽度。
所以,主设备要想从多个从设备中选中某一个从设备进行通信,只要知道这个从设备的地址就可以了(也必须要知道),在开始通信后(发送起始信号后),将要通信的从设备地址发送出去,那么挂在IIC总线上的所有从设备都会受到从设备地址,这时候他们会和自己的从设备地址进行比较,看是否一样,不一样的从设备就会陷入休眠。
(4)数据bit位中的1怎么发送?bit位中的0怎么发送?
IIC数据位传输是一位一位传输的,每传输一个bit位,耗时SCL的一个时钟周期,在这个时钟周期内,低电平期间,向引脚发送数据,高电平期间,保持稳定不变,具体时序如下:

(5)一次发送的帧的格式是什么?
IIC每次发送数据都是8bit一个字节为单位。
(6)能不能一次发送多个字节?如果能,怎么发送?
IIC可以一次发送多个字节,只要中途不出现停止信号,直接按顺序发送就可以了。
(7)发送方怎么确定自己发送的数据接收方收到了?
规范接收方每接收一个字节数据,都会在第9个时钟周期给IIC发送方回一个ACK应答信号(发送方释放SDA,从设备借助SDA输出低电平),否则其他情况全部视作NACK非应答信号(没有收到信号、或者收到的是高电平)。
(8)只有一根SDA用来进行收发数据,那么怎么判断方向?
在开始建立通信时,主设备发送了从设备地址,但是由于从设备地址宽度是7bit,而一次发送数据是一个字节,所以,通常做法是先将7个bit从设备地址逻辑左移1bit,在低位空出的bit位用来决定接下来通信的方向:0-表示发送,1-表示接收
因此,所谓的IIC通信协议的实质就是为了解决以上几个问题,可以同以下结构体现:


4、IIC控制器和IIC协议之间的关系
IIC通信协议就是上述的,规定实际通信过程的实现约定,这个只是书面约定,没有付诸实现,而IIC控制器就是实现IIC通信协议的硬件,我们一般实现IIC通信协议的方法有两种:通过IO口模拟IIC实训实现、或者直接使用IIC控制器。
史海拾趣
|
一、概述 在编写单片机程序的过程中,键盘作为一种人机接口的实现方式,是很常用的。 而一般的实现方法大概有: 1、外接键盘扫描芯片(例如8279,7279等等),然后由该芯片来完成去抖、键值读取、中断请求等功能。然后单片机响应中断并读取键值,有 ...… 查看全部问答> |
|
DSP 新手FAQ汇总 1、TI DSP的选型主要考虑处理速度、功耗、程序存储器和数据存储器的容量、片内的资源,如定时器的数量、I/O口数量、中断数量、DMA通道数等。DSP的主要供应商有TI,ADI,Motorola,Lucent和Zilog等,其中TI占有最大的市场份额。 TI公 ...… 查看全部问答> |
|
1. 引言 随着FPGA的设计速度和容量的明显增长,当前流行的FPGA芯片都提供高速总线,例如DDR内存总线,PCI-X总线、SPI总线;针对超高速的数据传输,FPGA通过集成SerDes提供高速串行IO,支持各种诸如PCI-E、GBE、XAUI等高 ...… 查看全部问答> |
|
现在的以太网芯片有支持IEEE802.1Q的吗? 我的意思就是有没有芯片硬件就能够自动识别VLAN的? 如果都不支持的话,那么是不是应该通过交换机来实现? 例如我的设备发送带有IEEE802.1Q标记的帧给交换机,然后交换机会选择匹配的VLAN端口,将数据 ...… 查看全部问答> |
|
在数字信号处理(DSP)中,乘加是最基本的运算,以至于很多FPGA厂商以MAC的多少及运算速度做为器件的一个重要指标。下面就乘法实现进行讨论。在DSP中,大多是有符合数的操作,这里给出有符号数乘法的VHDL和Verilog程序。LIBRARY ieee;USE ieee.std_ ...… 查看全部问答> |
|
我有个设备是直接和PC机通过串口连接的,我现在想做一个东西,串在这个串口线上,把PC机发给设备的数据给处理一下! 具体问题是:这个设备在通过与PC机串口通信的时候,需要手工按开关和拨换档位,我现在想用一个单片机加一些电路把这个手 ...… 查看全部问答> |
|
公司开发了一个新产品之前生产过几次基本没有发现ST芯片不良,上个月生产时发现200pcs芯片不良(这个月生产又发现12pcs不良),送给ST公司分析,分析原因为生产制程造成。我们公司生产工艺是采用红胶波峰焊,过锡炉后ST芯片pin16-32位置基本上 ...… 查看全部问答> |




