历史上的今天
今天是:2025年02月12日(星期三)
2019年02月12日 | STM32—cubeMX+HAL库的SPI接口使用
2019-02-12 来源:eefocus
摘要:
本文主要介绍STM32的SPI接口、cubeMX软件配置SPI接口和分析SPI相关代码。
STM32之SPI简介:
(1)SPI协议【Serial Peripheral Interface】
串行外围设备接口,是一种高速全双工的通信总线。主要用在MCU与FLASH\ADC\LCD等模块之间的通信。
(2)SPI信号线
SPI 共包含 4 条总线。
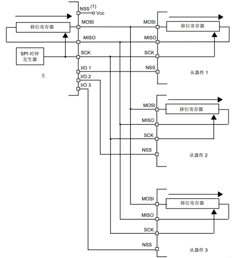
SS(Slave Select):片选信号线,当有多个SPI 设备与 MCU 相连时,每个设备的这个片选信号线是与 MCU 单独的引脚相连的,而其他的 SCK、MOSI、MISO 线则为多个设备并联到相同的 SPI 总线上,低电平有效。
SCK (Serial Clock):时钟信号线,由主通信设备产生,不同的设备支持的时钟频率不一样,如 STM32 的 SPI 时钟频率最大为 f PCLK /2。
MOSI (Master Output Slave Input):主设备输出 / 从设备输入引脚。主机的数据从这条信号线输出,从机由这条信号线读入数据,即这条线上数据的方向为主机到从机。
MISO(Master Input Slave Output):主设备输入 / 从设备输出引脚。主机从这条信号线读入数据,从机的数据则由这条信号线输出,即在这条线上数据的方向为从机到主机。
下图是主器件与多个从器件通信图。其中SCK,MOSI,MISO是接在一起的,NSS分别接到不同的IO管脚控制。主器件要和从器件通信就先拉低对应从器件的NSS管脚使能。默认状态IO1,IO2,IO3全为高电平,当主器件和从器件1通信时,拉低IO1管脚使能从器件1。而从器件2,3不使能,不作响应。

(3)SPI特性
单次传输可选择为 8 或 16 位。
波特率预分频系数(最大为 fPCLK/2) 。
时钟极性(CPOL)和相位(CPHA)可编程设置。
数据顺序的传输顺序可进行编程选择,MSB 在前或 LSB 在前。
注:MSB(Most Significant Bit)是“最高有效位”,LSB(Least Significant Bit)是“最低有效位”。
可触发中断的专用发送和接收标志。
可以使用 DMA 进行数据传输操作。
下图是STM32的SPI框架图。

如上图,MISO数据线接收到的信号经移位寄存器处理后把数据转移到接收缓冲区,然后这个数据就可以由我们的软件从接收缓冲区读出了。
当要发送数据时,我们把数据写入发送缓冲区,硬件将会把它用移位寄存器处理后输出到 MOSI数据线。
SCK 的时钟信号则由波特率发生器产生,我们可以通过波特率控制位(BR)来控制它输出的波特率。
控制寄存器 CR1掌管着主控制电路,STM32的 SPI模块的协议设置(时钟极性、相位等)就是由它来制定的。而控制寄存器 CR2则用于设置各种中断使能。
最后为 NSS引脚,这个引脚扮演着 SPI协议中的SS片选信号线的角色,如果我们把 NSS引脚配置为硬件自动控制,SPI模块能够自动判别它能否成为 SPI的主机,或自动进入 SPI从机模式。但实际上我们用得更多的是由软件控制某些 GPIO引脚单独作为SS信号,这个 GPIO引脚可以随便选择。
(4)SPI时钟时序
根据时钟极性(CPOL)及相位(CPHA)不同,SPI有四种工作模式。
时钟极性(CPOL)定义了时钟空闲状态电平:
CPOL=0为时钟空闲时为低电平
CPOL=1为时钟空闲时为高电平
时钟相位(CPHA)定义数据的采集时间。
CPHA=0:在时钟的第一个跳变沿(上升沿或下降沿)进行数据采样。
CPHA=1:在时钟的第二个跳变沿(上升沿或下降沿)进行数据采样。

cubeMX软件配置SPI:
下面继续介绍cubeMX软件配置STM32L152的SPI接口方法。
(1)打开软件,选择对应芯片后,配置好时钟源;
(2)勾选SPI1为全双工,硬件NSS关闭,如下图:

(3)勾选好后,PA5、PA6、PA7如下图,在配置PA4为普通io口,gpio_output

(4)SPI1的参数配置选择默认,如下图所示

(5)生成代码,保存即可。
HAL库的SPI函数分析:
下面具体分析下生成的SPI函数和函数调用。
SPI_HandleTypeDef hspi1; //SPI结构体类定义,下面看其结构体内部的声明。



下面分析SPI的初始化函数:
void HAL_SPI_MspInit(SPI_HandleTypeDef* hspi)
{
GPIO_InitTypeDef GPIO_InitStruct;
if(hspi->Instance==SPI1)
{
/* USER CODE BEGIN SPI1_MspInit 0 */
/* USER CODE END SPI1_MspInit 0 */
/* Peripheral clock enable */
__HAL_RCC_SPI1_CLK_ENABLE();//使能SPI1时钟
/**SPI1 GPIO Configuration
PA5 ------> SPI1_SCK
PA6 ------> SPI1_MISO
PA7 ------> SPI1_MOSI
*/
GPIO_InitStruct.Pin = GPIO_PIN_5|GPIO_PIN_6|GPIO_PIN_7;
GPIO_InitStruct.Mode = GPIO_MODE_AF_PP;
GPIO_InitStruct.Pull = GPIO_NOPULL;
GPIO_InitStruct.Speed = GPIO_SPEED_FREQ_VERY_HIGH;
GPIO_InitStruct.Alternate = GPIO_AF5_SPI1;
HAL_GPIO_Init(GPIOA, &GPIO_InitStruct);//配置SPI的数据线和时钟线
/* USER CODE BEGIN SPI1_MspInit 1 */
/* USER CODE END SPI1_MspInit 1 */
}
static void MX_SPI1_Init(void)
{
hspi1.Instance = SPI1;
hspi1.Init.Mode = SPI_MODE_MASTER;//主模式
hspi1.Init.Direction = SPI_DIRECTION_2LINES;//全双工
hspi1.Init.DataSize = SPI_DATASIZE_8BIT;//数据位为8位
hspi1.Init.CLKPolarity = SPI_POLARITY_LOW;//CPOL=0,low
hspi1.Init.CLKPhase = SPI_PHASE_1EDGE;//CPHA为数据线的第一个变化沿
hspi1.Init.NSS = SPI_NSS_SOFT;//软件控制NSS
hspi1.Init.BaudRatePrescaler = SPI_BAUDRATEPRESCALER_2;//2分频,32M/2=16MHz
hspi1.Init.FirstBit = SPI_FIRSTBIT_MSB;//最高位先发送
hspi1.Init.TIMode = SPI_TIMODE_DISABLE;//TIMODE模式关闭
hspi1.Init.CRCCalculation = SPI_CRCCALCULATION_DISABLE;//CRC关闭
hspi1.Init.CRCPolynomial = 10;//默认值,无效
if (HAL_SPI_Init(&hspi1) != HAL_OK)//初始化
{
_Error_Handler(__FILE__, __LINE__);
}
}
利用SPI接口发送和接收数据主要调用以下两个函数:
HAL_StatusTypeDef HAL_SPI_Transmit(SPI_HandleTypeDef *hspi, uint8_t *pData, uint16_t Size, uint32_t Timeout);//发送数据
HAL_StatusTypeDef HAL_SPI_Receive(SPI_HandleTypeDef *hspi, uint8_t *pData, uint16_t Size, uint32_t Timeout);//接收数据
史海拾趣
|
最新版本的keil软件--uvision4beta1及其使用手记 上传一份最新版本的KEIL 51 软件vision4beta1,看起来很不错的,这个是没有PJ的版本,如果你的机子上装有注册过的uvision3,那直接安装就可以使用,无需另外注册!!刚下载下来,简单打开看了下,就拿出来和大家分享了,里边有一份网上找的使用手记 ...… 查看全部问答> |
|
首先我一直关注学校有个2+2的项目,是去明尼苏达双城校区的。不过我大概了解到,一年所有的费用大概在20万左右,不知道你觉得是大概一个怎样的数目? 然后我家的情况不是特别好,只能这样说,最多够支付我一年的学费,也就是20万。而且我估计是家 ...… 查看全部问答> |
|
我用的stm32F103VC控制器外接一个TJA1050CAN收发器,加一个CAN分析仪(确定可用USBCAN-II(iTEK公司的))进行测试,至于stm32的CAN测试程序,首先采用回环模式,使能CAN接收中断,调试发现,可以进入接收中断,而且接收的数据与发送的数 ...… 查看全部问答> |
|
收到板子后就开始装软件,软件装了两次,第一次不知道为什么没装成功,第二次直接安装到C盘 ,安装类型选的全部,装好后可以用了。 我是听大学的老师说起PSoC的,感觉挺不错的就申请了一套板子,打算用到公司的方案上。 &n ...… 查看全部问答> |
|
2014 C2000研讨会课程汇总 https://www.eeworld.com.cn/traini ... ex&a=lists&catid=25 TI C2000是业界公认的最适合各种对实时性要求高的场合 工业应用是TI近几年明确的最重要的发展应用,即把工业应用作为其公司发展战略的重中之重, 因此C20 ...… 查看全部问答> |




