历史上的今天
今天是:2025年02月14日(星期五)
2019年02月14日 | 技术文章—RS-232、RS-485与RS-422转换方案
2019-02-14
工业现场应用中存在诸多总线应用情况,例如RS-232和RS-485转换且双向隔离、RS-485与RS-422接口共用,本文将为大家介绍这一类应用的方案,不仅简单方便,而且可以提高通信的可靠性。
一、高性能的RS-232与RS-485双向转换电路

图1 RS-232/RS-485双向转换模块
图1右侧所示为RS-232/RS-485总线双向转换模块,不仅体积大速度慢,而且RS-232和RS-485总线之间也没有实现隔离。图1左侧所示为MPM11T模块,通过如图2所示的简单连接即可实现RS-485与RS-232总线的自动切换。

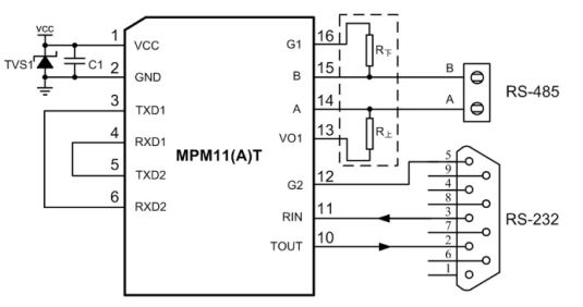
图2 RS-232转RS-485接口
MPM11(A)T是集成RS-232和RS-485收发器,体积仅为24.98mm×16.9mm×7.1mm,其RS-485接口通信速度为250kbps,RS-232的通信速度为120kbps,因此使用MPM11(A)T可以实现最高120kbps的RS-232与 RS-485双向转换速度,如图3、图4和图5所示为使用MPM11T实现RS-232和RS-485双向转换的通信波形,可以看出总线波形质量良好。

图3 MPM11T实现RS-485与RS-232双向转换通信波形1

图4 MPM11T实现RS-485与RS-232双向转换通信波形2

图5 MPM11T实现RS-485与RS-232双向转换通信波形3
MPM11(A)T模块不仅输入与输出之间隔离,输出RS-232通道与RS-485通道之间也相互隔离,并且具有较高的EMC防护能力,裸机情况下,RS-485接口和RS-232接口可以承受接触静电±4kV,共模浪涌±2kV。如果需要更高等级可以参考MPM11(A)T数据手册推荐保护电路,使用推荐保护电路后RS-485接口和RS-232接口可以承受接触静电±8kV,共模浪涌±4kV,差模浪涌±2kV。
二、RS-422和RS-485共用接口
在实际应用中需要通信的设备可能是RS-422接口也可能是RS-485接口,那么产品需要具有与RS-422和RS-485接口通信的能力,若单独留出接口位置则会使产品的体积增大,因此RS-422和RS-485共用接口是一种比较可行的减小产品体积的方法。
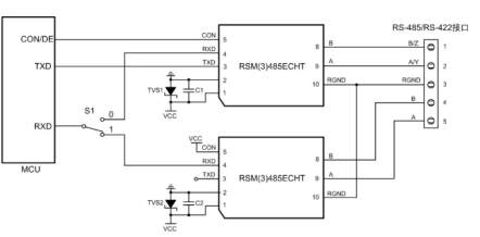
如图6所示,可以使用两个RSM(3)485ECHT模块,通过拨动开关S1即可实现RS-485总线与RS-422总线的切换。如表1所示,若使用RS-485模式,只需将S1开关拨至0位置,外部接口只需使用1-3接口;若使用RS-422模式,只需将S1开关拨至1位置,外部接口需要使用1-5接口。若总线使用屏蔽双绞线可将RGND脚连接至屏蔽层,屏蔽层单点接大地,若不使用RGND,可将RGND悬空。

图6 使用两个RSM(3)485ECHT实现RS-422和RS-485接口共用
表 1 开关说明及总线引脚连接

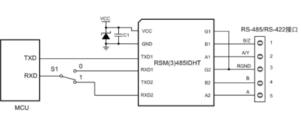
如果应用环境良好且总线中可不加终端电阻,可以使用1个RSM(3)485IDHT实现RS-485接口和RS-422接口共用,可以实现更小的占板面积,且不需要对CON进行控制,应用更加方便。

图7 RSM(3)485IDHT实现RS-485接口与RS-422接口共用
三、RS-422接成RS-485
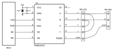
在实际应用中,若产品本身为RS-422接口,但与之通信的设备是RS-485接口,常需要将RS-422接口接成RS-485接口进行使用。下面以隔离RS-422收发器模块RSM422为例进行说明,将模块的A引脚与Y引脚短接,B引脚与Z引脚短接,即可与RS-485总线相连。因为RS-422总线是全双工的,若同时使能DE和RE,则RXD引脚会输出TXD发送的数据,MCU接收到错误数据从而导致异常,因此需同步操作DE和RE引脚使之保持相同的电平状态或者MCU程序中对接收数据进行处理。并且在发送完数据后需将DE禁能,否则会干扰总线正常工作。

图8 RS-422接口接成RS-485接口
四、带控制脚的RS-485模块实现自动收发
在某些情况下,可以将CON与TXD引脚直接相连,实现模块的自动收发,电路连接如图9所示,其通信波形如图10、图11和图12所示。但是这种应用方式,每帧数据的第一个字节的起始位会有3.8μs的延迟,因此理论上其最高通信速度131kbps,建议使用较低的通信速度,并且发送完数据后保持TXD高电平至少25μs后再进行接收。若需要更高通信速度的自动收发模块可以选择RSM(3)485PHT,可提供最高500kbps的通信速度。

图9 RSM(3)485ECHT实现自动收发

图10 RSM485ECHT自动收发通信波形1

图11 RSM485ECHT自动收发通信波形2

图12 RSM485ECHT自动收发通信波形3

图13 RSM485ECHT自动收发,每帧数据第一个字节的起始位会有3.8μs延时
史海拾趣
|
在测量、控制等领域的应用中,常要求单片机内部和外部RAM中的数据在电源掉电时不丢失,重新加电时,RAM中的数据能够保存完好,这就要求对单片机系统加接掉电保护电路。掉电保护通常可采用以下三种方法:一是加接不间断电源,让整个系统在掉电 ...… 查看全部问答> |
|
是有意从事各种嵌入式软硬件开发,方案、产品设计的创业学生、个人或团队有好消息了,本公司现在面向以上人士提供《创新工作室》的合作。 本公司是致力于采用国产嵌入式SOC芯片开发的高科技公司,主营SOC芯片开发销售。 ...… 查看全部问答> |
|
我司(安徽某科技股份公司)欲招聘以下人员:一、产品经理岗位职责: 1、针对客户需求制定解决方案并进行推广;2、配合销售人员拓展相关市场,与客户进行沟通交流;3、分析研究集成电路的发展趋势和技术进展,为公司战略决策提供建议;4、参 ...… 查看全部问答> |
|
MSP430F541x, MSP430F543x ,MSP430F543xA,MSP430F541x,MSP430F55xxA官方示例代码 附件中代码是TI提供的MSP430F541x, MSP430F543x ,MSP430F543xA,MSP430F541xA, MSP430F55xx 官方示例代码,可以作为MSP430使用过程中最可靠的代码参考 [ 本帖最后由 wstt 于 2012-5-31 20:52 编辑 ]… 查看全部问答> |
|
以下是在使用MSP430中的一些总结: 1.系统时钟问题: 系统默认使用DCO,使用外部高速晶振XT2时必须自己开启XT2,并延时50us等待XT2起振,然后手工清除IFG1中的OFIFG位 !!!!一定要注意操作顺序:打开XT2->等待XT2稳定->切换系统时钟为XT2 若 ...… 查看全部问答> |
|
msp430哪些型号的单片机支持触摸按键,该型号的430单片机有多少IO口支持触摸按键?比如说,msp430g2553,其所有IO口均支持触摸按键。… 查看全部问答> |




