历史上的今天
今天是:2025年03月04日(星期二)
2019年03月04日 | 芯讯通Tbox加速人车交互智能化发展
2019-03-04
车联网已经成为汽车行业发展趋势,网联渗透率不断在提升。据IHS预计,到2020年,全球汽车电子市场规模将接近3000亿美元,市场空间巨大。而从产品层面来看,过去10 年,汽车电子产品应用主要集中于动力系统、底盘、车身等方面进行;将来,车联网将不再局限于对车的认知,更是作为智能终端与外网的连接。这时,GPS、传感器以及通信模组的相互协调成为了关键。
芯讯通作为行业领先的无线通信模组企业,致力于为广大车主提供稳定的连接和极佳的用户体验。芯讯通提供的无线通信模组是车载远程通信终端中的核心零部件,是连接汽车与网络的管道,也是用户体验的开始。没有无线通信模组,汽车相关的车载应用便不能连接到互联网,即不能实现车联网。将来,在车联网应用移动边缘计算和5G网络后,车联网数据可以就近存储于离车辆较近的位置,提供低时延、高可靠性的通信能力,实时进行数据分析,并将分析所得结果迅速传送给临近区域内的其他联网车辆,以便车辆做出决策。芯讯通SIM7800车规级模组将中控台和Tbox连接在一起,由Tbox与外界连接,实现车联环境内大流量的新互联或者娱乐体验。

【图为T-Box客户应用架构】
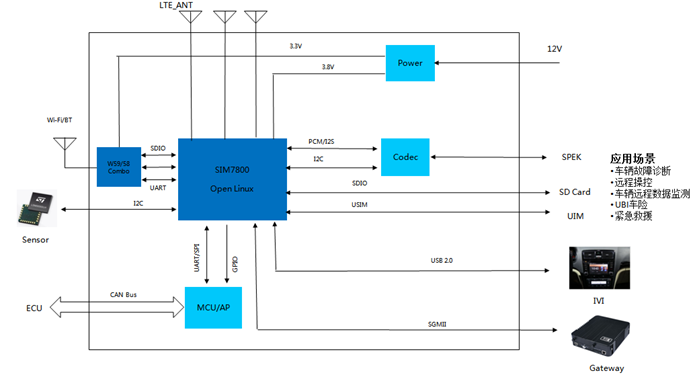
芯讯通SIM7800是基于高通MDM9628 LTE CAT4的车规级模组,LGA封装,尺寸为34*40*2.9mm,最大下行带宽可以达到150Mbps而上行带宽可以达到50Mbps。SIM7800基于全新的网络安全设计,符合汽车网络安全构架标准。SIM7800通过多重安全机制来保障汽车和互联网之间的通信安全,给整车厂和用户提供智能车载解决方案。SIM7800模组是一款提供软件开发工具包和软件二次开发方案的车规级模组,提供的open linux方案可以激发开发者的创造潜力,还提供内置网络安全功能,并支持安全的空中升级。SIM7800预留高速以太网接口,适合车内高速传输数据,为车辆提供稳定可靠的通信能力。

【图为 T-Box成品图】
芯讯通代理商——Excelpoint世健公司产品经理Nicola Chen表示:“Tbox定制开发板将帮助设计者灵活使用芯讯通车规级模组SIM7800,为汽车用户提供更加丰富的业务和服务,并对车辆进行有效的监管和调度,实现更加高效、安全、舒适的车辆管理和用户体验。”
安全是车联网的重中之重,严格把控Tbox与外网的连接的绝对安全是芯讯通的重要任务。首先,从程序的保护上,只有来源合法的产品才能对Tbox进行升级。第二:模块的系统安全性上,由于其本身基于Linux,芯讯通采用SeLinux+把各种非法入侵的途径都堵死。第三:保障文件的私密性,对数据进行加密。

【图为 SIM7800CE 4G模块设计框图】
史海拾趣
|
我的蓝牙模块通信问题,PC和开发板之间采用蓝牙通信,能发不能收,附带测试源码 采用BLUEZ蓝牙协议栈 客户端,开发板上: #include #include #include #include #include \"bluetooth/bluetooth.h\" #include \"bluetooth/l2cap.h\" struct sockaddr_l2 cli_addr; int clientfd,result,byte; int cli_len; char msg ...… 查看全部问答> |
|
[.NET CF 2]发现一个问题,windows ce显示窗口的时候有一个动画效果,怎样才能去掉这个效果? 我窗口使用的640*480的窗口,每次显示的时候都发现先显示1-2个小框,然后才显示窗口,自己感觉应该是一个窗口动画效果。并且,我使用Windows CE自带的软件也发现带有这个效果。我觉得这个效果影响了我程序的窗口显示速度,有什么办法把这个效果去掉 ...… 查看全部问答> |
|
WinCE5.0下U盘显示的是中文“硬盘”,请问如何把它变成英文的? 如题,WinCE5.0下U盘显示的是中文“硬盘”,请问如何把它变成英文的?例如“U Disc”。在bsp的哪个地方可以修改 啊?… 查看全部问答> |
|
本人是学生,刚学完郭天祥的51单片机。打算学习32,32板子,视频都弄好了。可是刚开始看觉得好难,用的书是例说32.有人能指点我一点嘛,我该如何进行有条理的学习? 万分感谢!… 查看全部问答> |
|
本帖最后由 wangfuchong 于 2014-2-26 12:14 编辑 例如电路形式如这个帖子的电容降压供电https://bbs.eeworld.com.cn/thread-429314-1-1.html 那么现在的电子电表对这种电路的耗电计量肯定是一种什么情况?不会多耗电? … 查看全部问答> |
|
25元一片低价处理全新数字红外传感器 MLX90615SSG-DAG 送液晶 有例程 MLX90615是用于非接触温度测量的红外温度计。对 IR灵 敏的热电堆探测器芯片和信号处理 ASSP被集成在同一 TO- 46 密封罐封装里。 由于集成了低噪声放大器,16位 ADC和强大的 DSP单 元,使得高度集成和高精度的温度计得以实现。 温度计具备出厂 ...… 查看全部问答> |




