历史上的今天
今天是:2025年03月08日(星期六)
2019年03月08日 | STM32之DMA原理
2019-03-08 来源:eefocus
一、DMA简介
1、DMA简介
DMA(Direct Memory Access:直接内存存取)是一种可以大大减轻CPU工作量的数据转移方式。
CPU有转移数据、计算、控制程序转移等很多功能,但其实转移数据(尤其是转移大量数据)是可以不需要CPU参与。比如希望外设A的数据拷贝到外设B,只要给两种外设提供一条数据通路,再加上一些控制转移的部件就可以完成数据的拷贝。
DMA就是基于以上设想设计的,它的作用就是解决大量数据转移过度消耗CPU资源的问题。有了DMA使CPU更专注于更加实用的操作--计算、控制等。
2、DMA的工作原理
DMA的作用就是实现数据的直接传输,而去掉了传统数据传输需要CPU寄存器参与的环节,主要涉及四种情况的数据传输,但本质上是一样的,都是从内存的某一区域传输到内存的另一区域(外设的数据寄存器本质上就是内存的一个存储单元)。四种情况的数据传输如下:
外设到内存
内存到外设
内存到内存
外设到外设
当用户将参数设置好,主要涉及源地址、目标地址、传输数据量这三个,DMA控制器就会启动数据传输,传输的终点就是剩余传输数据量为0(循环传输不是这样的)。换句话说只要剩余传输数据量不是0,而且DMA是启动状态,那么就会发生数据传输。
3、DMA是否影响CPU的运行
在X86架构系统中,当DMA运作时(假设我们从磁盘拷贝一个文件到U盘),DMA实际上会占用系统总线周期中的一部分时间。也就是说,在DMA未开启前,系统总线可能完全被CPU使用;当DMA开启后,系统总线要为DMA分配一定的时间,以保证DMA和CPU同时运作。那么显然,DMA会降低CPU的运行速度。
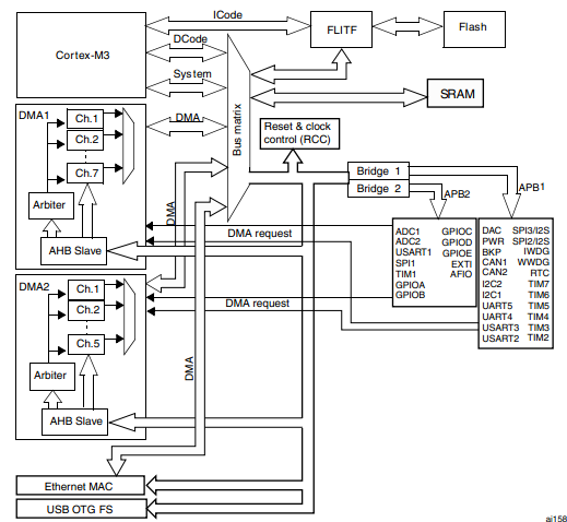
在STM32控制器中,芯片采用Cortex-M3架构,总线结构有了很大的优化,DMA占用另外的总线,并不会与CPU的系统总线发生冲突。也就是说,DMA的使用不会影响CPU的运行速度。
二、STM32的DMA结构
1、DMA的主要特性
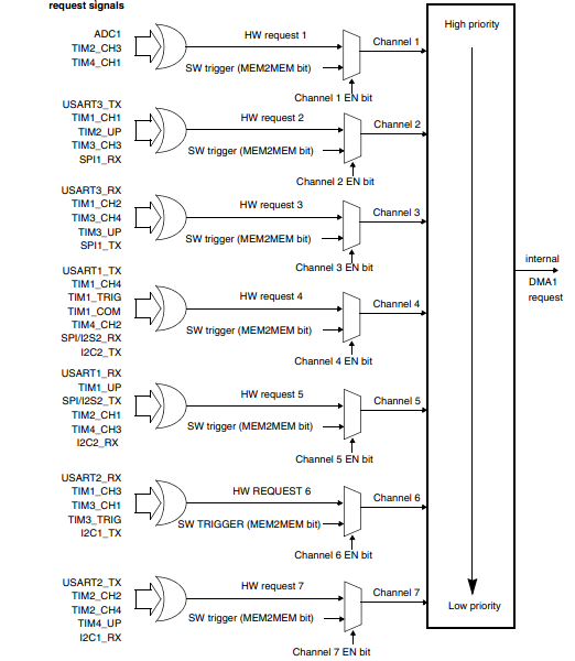
● 12个 独立的可配置的通道(请求)DMA1有7个通道,DMA2 有5个通道
● 每个通道都直接连接专用的硬件DMA请求,每个通道都同样支持软件触发。这些功能通过软件来配置。
● 在七个请求间的优先权可以通过软件编程设置(共有四级:很高、高、中等和低),假如在相等优先权时由硬件决定(请求0优先于请求1,依此类推) 。
● 独立的源和目标数据区的传输宽度(字节、半字、全字),模拟打包和拆包的过程。源和目标地址必须按数据传输宽度对齐。
● 支持循环的缓冲器管理
● 每个通道都有3个事件标志(DMA 半传输,DMA传输完成和DMA传输出错),这3个事件标志逻辑或成为一个单独的中断请求。
● 存储器和存储器间的传输
● 外设和存储器,存储器和外设的传输
● 闪存、SRAM 、外设的SRAM 、APB1 APB2和AHB外设均可作为访问的源和目标。
● 可编程的数据传输数目:最大为65536
下面为功能框图:
2、两个DMA控制器结构
① DMA1 controller

② DMA2 controller

3、DMA寄存器列表

① 中断类
DMA_ISR: DMA中断状态寄存器
DMA_IFCR: DMA中断标志位清除寄存器
说明: DMA1、DMA2分别有一组寄存器。
② 控制传输类
DMA_CCRx: DMA通道x配置寄存器
DMA_CNDTRx: DMA通道x数据数量寄存器
DMA_CPARx: DMA通道x外设地址寄存器
DMA_CMARx: DMA通道x内存地址寄存器
说明:
1> 每一个通道都有一组寄存器。
2> DMA_CPARx、DMA_CMARx是没有差别的,它们都可以存放外设的地址、内存的地址。DMA_CPARx、DMA_CMARx只不过起得名字有差别而已。
4、STM32的DMA工作特点
① DMA进行数据传输的必要条件
剩余传输数据量大于0
DMA通道传输使能
通道上DMA数据传输有事件请求
前两者都好理解,对于第三点确实需要详细的解释,请看下边的三条。
② 外设到XX方向的传输
假设是ADC到存储器的数据传输,显然ADC的DMA传输的源地址是ADC的数据寄存器。并不是说只要DMA通道传输使能后,就立即进行数据传输。只有当一次ADC转化完成,ADC的DMA通道的传输事件有效,DMA才会从ADC的数据寄存器读出数据,写入目的地址。当DMA在读取ADC的数据寄存器时,同时使ADC的DMA通道传输事件无效。显然,要等到下一次ADC转换完成后,才能启动再一次的数据传输。
③存储器对XX的DMA传输
因为数据是准备好的,不像ADC还需要等待数据到位。所以,不需要对应通道的事件。只要使能DMA数据传输就一直传输,直到达到设定的传输量。
example:
1.内存到内存
DMA传输请求一直有效
2.内存到串口
DMA传输请求一直有效
一种解释:
存储器对存储器的置位,就相当于相应通道的事件有效。 对应通道的事件有效和存储器对存储器的置位,就是传输的触发位。每次传输的事件置位一次,完成一次传输。如果是由外设引发的DMA传输,则传输完成后,相应传输事件会置为无效,而存储器对存储器的传输,则一次传输完成后,相应事件一直有效,直至完成设定的传输量。
④外设以DMA方式工作时,能否再以软件方式进行操作?
有一点是肯定的,当外设以DMA方式正在数据传输时,不可能再相应CPU的软件控制命令,否则这不符合逻辑。
但是,倘若外设仅仅配置成DMA工作方式,但是DMA请求并未产生,数据传输并没有进行。此时,软件控制命令仍然能够对外设进行控制。这是笔者在串口以DMA方式发送数据情形下,所得到的测试结论。
上一篇:STM32之串口DMA例程
下一篇:STM32之串口例程
史海拾趣
|
unsigned char pDATA[8]; memset(pDATA,0 ,8); 如果直接在定义处初始化为0,与memset的区别是 什么?… 查看全部问答> |
|
我用EVC4写了个SOCKET通讯的程序,与计算机通讯,连接和接收都很正常,可能保存文件的路径不对,所以文件保存不了.所以请问大家,在WINCE下可用的路径是什么. 目前用的开发板是三星ARM2410,保存的路径是ResidentFlash… 查看全部问答> |
|
求教一个关于mdk下载的问题!!很奇怪 的flash err Contents missmatch at: 0000012FH (Flash=40H Required=47H) ! 程序在keil4下下载,编译与链接都没有问题,但是,下载到8962开发板过程中,出现了这个问题: 提示说是:flash err Contents missmatch at: 00000134H  ...… 查看全部问答> |
|
我刚接触430单片机,总觉得位操作太麻烦,我要置位或清零,需要两种不同的头文件,且占用的程序空间比较大,在判断位时,也很麻烦,总要先读到CPU寄存器中,才能判断,否则就改变了该位所在的RAM的值。 其它单片机,如51,PIC都有专门的位操作,很 ...… 查看全部问答> |
|
我使用的VC5509,硬件仿真器为XDS510,在做外扩SDRAM的时候,写不进去数据。请教各位帮忙解决,谢谢 报错如下: Trouble Reading Memory Block at 0x6005 on Page 1 of Length 0x1: Error 0x80000002/-1143 Fatal Error during: Memory, The ...… 查看全部问答> |




