历史上的今天
今天是:2025年03月27日(星期四)
2019年03月27日 | 技术文章—电源模块输出电压低的原因及解决方法
2019-03-27
为什么输出电压标称为5V的电源模块实际输出只有4.8V呢,这里将为您介绍电源模块输出电压低的原因及解决方法。

一般来说,模块在上板前都会进行功能测试,验证模块的电压输出是否正常。电源模块输出有电压但电压低于标称输出值是测试过程中经常遇到的问题,出现这种情况的原因无非有两种,一是电源模块为不良品或损坏,二是使用方法问题。下文将重点讨论使用方法导致的电源模块输出电压低的情况。
输入电压低
输入电压偏低是最容易被忽略的情况,当输出有问题时我们应该第一时间检查输入是否正常。对于输入为定压或宽压的电源模块,当输入值偏低时将导致输出值也偏低。当然,这种情况是有限度的,对于一个特定的模块来说,当输入电压过低时将导致其不能工作,无输出电压。

图1 输入标称电压及工作电压范围
输出过载
输出过载是指负载工作功率大于电源模块的额定输出功率,过载情况下电源模块的输出电压明显被拉低。以ZY0505FS-1W为例,当负载电流增大到300mA时,输出电压只有4.5V。持续过载将影响到电源模块的工作效率、稳定性以及散热情况,导致模块使用寿命减少。若是过载导致的输出电压过低,则需要提升电源模块的输出功率,可以选择2W或3W的模块。

图2 输出过载
走线阻抗大
电源模块输出与负载连接必然要有一段PCB走线,走线越长、走线越窄则它的等效电阻越大。等效电阻可以认为是串联在负载的工作回路中,将起到分压作用,因此导致负载两端的电压小于模块的输出电压。此外,除了走线问题还有很多情况起到类似的作用,比如焊点接触不良导致等效电阻增加,线路氧化或腐蚀导致等效电阻增加。

图3 等效电阻导致压降
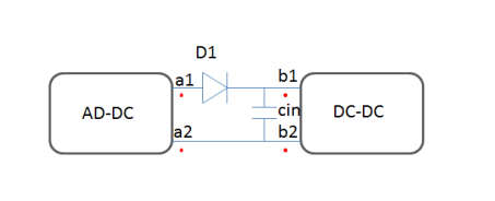
防反接二极管
很多产品的AC和DC部分是不在一块板上的,在生产或终端客户使用中不可避免涉及到插拔电源连接器的情况。为防止此过程中的反接导致的硬件损坏,常串入一只二极管解决。以压降0.7V的二极管为例,b1 b2间的电压将比a1 a2间电压小0.7V,这也就是上面所讨论的输入电压偏低的情况,可以通过选择压降低的管子或者直接提高a1 a1间电压的方法解决。

图4 防反接二极管
总结
电源模块能使工程师规避掉电源设计中的很多问题,选用合适的电源模块不仅能速断产品的开发周期还能提高产品的市场竞争力。以ZLG立功科技-致远电子P_FKS-1W为例,它的效率高达83%,空载电流低至7ma,集成输出短路保护。 P系列全工况定压电源模块集二十年电源设计经验,采用自主研发设计的电源IC,提供优质的电源解决方案。
史海拾趣
|
求助:我通过platform builter5.0下载WINCE nk.bin文件到ARM板中,提示如下错误: Warning: Debugger service map is set to none. If your image has debugging support it may not boot properly. Cannot access selecte ...… 查看全部问答> |
|
主要程序字库定义typedef struct typFont16 // 汉字字模数据结构 { signed char Index[2]; //汉字 uc16 Msk[16] ...… 查看全部问答> |
|
Q1:Cortex-M0是什么?A:它是ARM公司为了占领单片机市场而推出的一款极具竞争力的MCU,该处理器是现有的最小、能耗最低和能效最高的 ARM 处理器。该处理器硅面积极小、能耗极低并且所需的代码量极少,这使得开发人员能够以 8 位的设备实现 32 位设备 ...… 查看全部问答> |
|
Smart Grid and Renewable Energy《智能电网与可再生能源》期刊导读 Smart Grid and Renewable Energy《智能电网与可再生能源》期刊导读 ISSN: 2151-481X (Print) 2151-4844 (Online).《智能电网与可再生能源》SGRE免费下载网址: http://www.scirp.org/journal/sgre. Table of Contents(Vol.02 No.02, May ...… 查看全部问答> |
|
我的5110画图库--Nokia 5110液晶屏实现画点、画线、画矩形、画圆和画图 最近花了好多时间终于完成了5110液晶屏的画图函数库,完善了画图的基本函数,有画点,画直线,画折线,画矩形,画圆和贴图的基本功能。函数库提供了使用缓冲区和不使用缓冲区的函数,可以根据需要灵活使用。单片机使用的是stm32,但是 ...… 查看全部问答> |
|
近日,国家电网公司科技部下达2014年度公司技术标准制修订计划,共计306项技术标准制修订项目和6项技术标准专项研究项目获批立项。 其中中国电科院牵头的109项技术标准制修订项目于此次获批立项,占公司技术标准制修订项目总数的36% ...… 查看全部问答> |
|
请问各位高人: 本人之前主要使用TI2000系列,现刚接触6000系列不久,请问如何用TMS320C6713B捕获外部脉冲的上升沿和下降沿。… 查看全部问答> |




