历史上的今天
今天是:2025年04月19日(星期六)
2019年04月19日 | CAN总线冷知识-边沿台阶是怎么来的?
2019-04-19 来源:电子产品世界
你了解CAN总线波形吗?你知道是什么因素造成CAN信号不稳定的吗?本文将带你探究影响CAN波形稳定的罪魁祸首——边沿台阶。
阻抗匹配是指信号源或者传输线跟负载之间达到一种适合的搭配,阻抗匹配主要为了调整负载功率和抑制信号反射;然而,阻抗不匹配的现象在CAN总线网络中随处可见;如图1所示,阻抗不匹配的将造成7个现象,其中最受关注的为上升沿和下降沿的台阶;下文将针对边沿台阶的现象做详细介绍。

图1 阻抗不匹配波形
解释边沿台阶是怎么出现的,如何消除,对总线有何影响;
一、边沿台阶的源头
在CAN总线的网络布局中,手牵手直线型拓扑是最理想最常规的布局;但是在实际现场中,经常会出现分支的现象。这里重点提一下,在计算CAN总线长度的时候,分支(从收发器端至总线)长度也要加上。为此我们做了分支过长的实验,实验中CAN总线中有三个CAN节点,主干线长度为15米,其中一个节点的分支长度为1米,波特率为250k的情况下进行通信。下图为实验的CAN波形图,明显可以看到上升沿和下降沿存在台阶现象,从而引起波特率变化,导致接收节点采样出错(也称位宽错误)。

所以,边沿台阶出现的源头主要是CAN节点的分支,分支过长形成的反射就变强,将会导致位宽度失调的错误。ISO11898中只规定1M波特率下分支不超过0.3米,但是在其它情况下并没有做声明,这个便取决于现场工程师们的经验。
二、消除边沿台阶
边沿台阶是造成错误波形的罪魁祸首,那么该如何消除边沿台阶的现象呢?下文将从源头以及补救措施上分别介绍一些可靠有效的方法。
1.减少分支长度
在CAN网络布局的根源上解决问题的方式就是减少CAN节点的分支长度,从而降低信号反射,保证位宽的稳定性。在上述实验中,其它条件不变,只将分支长度减少为20cm;下图为CAN波形图,此时并没有看到边沿台阶的出现。由此可见,减少分支长度是消除边沿台阶的最直接方式。

2.长分支上加适当电阻
在网络布局无法改变,分支引起的信号反射必须存在的情况下。最实用的方法就是在长分支末端加上电阻,消除信号反射。同样的在上述实验中,在分支节点处加上一个200Ω的电阻,其它条件不变进行通信实验。下图为实验的CAN波形图,此时可以看到边沿台阶已被消减,但是加了电阻之后差分电压变小,注意差分电压不得小于0.9V。这里值得一提的是:阻值大于500Ω的电阻吸收反射的能力很弱,所以在末端挂电阻的时候应小于500Ω。

3.缩短残端
前面提到分支长度指的是从节点收发器至总线处的距离,在节点设计之初,应选择TTL远传方式,因为TTL电平不受CAN电容影响,所以收发器应靠近接口摆放,以减少分支残段的长度,建议控制在10cm以内,可以保证阻抗连续。
TTL远传最直接的方式就是将CAN收发器紧挨着CAN主干线放置,这样就没有分支长度。光缆星型拓扑结构便是使用这种方式,如下图;CAN光纤收发器内置在盒子里面,使用TTL电平远传到另一个CAN光纤收发器,解决了节点随意变化问题(节点任意上下电或插拔)。

4.消除负载集中
在布局较复杂的CAN网络中,为了避免节点摆放集中导致反射叠加,建议相邻节点的距离不得小于2cm,10m的电缆上所集中的设备最好不要超过4个,否则应加电容以吸收,并且此集中与下一个集中至少有10m的电缆距离。
同样,在复杂网络布局中,分支过长且不等的网络,由于阻抗匹配困难,常使用集线器或中继器进行分支;集线器和中继器有独立的控制器和MCU,将每段形成独立的直线拓扑,如下图。

5.屏蔽层分段接地
屏蔽层多点接地需要注意接地点电位,避免地回流影响信号质量。若屏蔽层太长可以采用分段屏蔽,单点接地方法,如下图,就可以有效避免地回流的问题。

三、边沿一致性测试
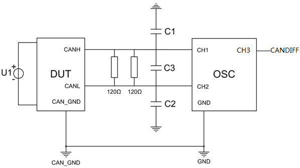
信号边沿是反映信号质量好坏的重要指标。若信号下降边沿变缓造成CAN信号波形一定程度的失真,导致收发器采样出错。参考主流车企的边沿测试,一般把边沿10%到90%所经历的时间作为边沿时间,仿真了DUT接入CAN网络时可能会受到的容抗影响,以使测量结果更具有实际意义。分别在CANDT仿真的小电容、大电容负载的环境,对DUT的边沿进行测量。
l测试目的:分别在小电容和大电容负载下测量CANH、CANL及CANDIFF信号位上升或下降时间;
l测试原理:测试原理如下图,DUT往总线正常传输数据时,传输的数据帧是显性位和隐性位的序列,即传的数据中包含了上升、下降时间信息;

四、CANDT
ZLG致远电子发布的CANDT一致性测试系统可自动化完成CAN节点物理层、链路层及应用层一致性测试,是当前CAN总线测试领域唯一能够进行完善的物理层自动化测试并导出报表的仪器设备。避免了人工测量统计的误差,同时配合自动化测试的方式,减少了测试时间的浪费,提高了测试的准确度,极大节约了人工成本。
CANDT一致性测试系统基于CANScope底层分析能力,集成示波器、电源等必要设备,可覆盖主机厂CAN一致性测试标准,为主机厂及零部件企业建立CAN总线测试及保障体系。

史海拾趣
|
大多数嵌入式产品的显示终端都选择LCD,但在某些需要大屏幕显示的应用中,工业级LCD的价格比较昂贵,且现有的大屏幕显示器(包括CRT显示器和LCD显示器)一般都采用统一的15针VGA显示接口.三星公司ARM9芯片S3C2410以其强大的功能和高性价比在目前嵌入式产 ...… 查看全部问答> |
|
从一开始接触单片机就萌发了这个想法,刚开始想做一个太阳能热水器的温度水位的无线采集装置的,动机很简单,原来的控制器只有一个,我们家农村的房子有5个卫生间和一个厨房都需要知道现在热水器的温度和水位是多少了,所以在实际应用中添加了这些 ...… 查看全部问答> |
|
请问,各位大牛,我现在买了TI的simpliciTI协议下的开发套件,但是现在想换成zigbee协议进行开发,因此想自己画两个Smart RF05 BB的板子,但是在TI的官网上并没有找到其外围电路图,请问哪位有资源分享下一啊,不甚感激!!!… 查看全部问答> |
|
贡献小弟自己写的软件,用NTC设计温度传感器的时候,很好的工具。1、参数设置 NTC的相关参数:R25,B必须依照实际进行设置。 分压电阻与NTC串联分压,有上拉分压和下拉分压接法。按照实际设置分 ...… 查看全部问答> |
|
这是在国赛前做的,为准备国赛练练手,没做全题 动力用的是57步进;步进电机驱动器是 TB-6560;1000线编码器;F103主控。 使用编码器需要注意的问题:虽然使用编码器能够得到准确的角度信息,基本用不上滤波,可以直接使用,但是对角速度信 ...… 查看全部问答> |




