历史上的今天
今天是:2025年07月11日(星期五)
2019年07月11日 | 庖丁解车:车窗系统的硬件开发之方案(三)
2019-07-11 来源:二喵说车

在上一篇文章中小编主要介绍了电源模块设计以及微控制MCU的几个特点,这一次小编将接着介绍微控制的MCU的运用以及LIN通信模块、直流电机驱动模块、A/D采样模块。
驾驶员侧车窗总开关MCU选用PICl6f73见图一, 其它三个车窗的分开关MCU选用PICl6f676见图二。在图一中,J1为程序下载口;LIN_SEND为LIN总线输出信号;RC0~RC7、RB1~RB7为四个车窗上下控制按键输入口或中控门锁按键输入口;W/L为车窗锁按键输入口;RELI、REL2为控制驾驶室车窗电机升降的信号输出口;REL3、REL4为控制中控门锁电机的信号输出口:AD_U为蓄电池电压经分压后的采样输入电压,AD I为电机电流经采样电阻后的输入信号。

图一:PIC16f73电路图
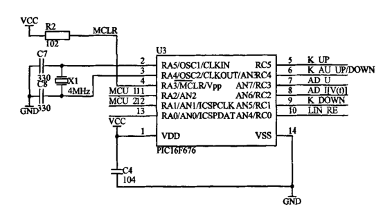
在图二中,LIN_RE为LIN总线接收信号;K_ UP为手动上按键,K_DOWN为手动下按键,K_UP和K_AU_UP/DOWN同时按下就为自动上,K_DOWN和K_ AU_ UP/DOWN同时按下就为自动下,这种方式的组合可以减少I/O端口数量;MCU_1和MCU_2为控制车窗电机转动的信号;AD_U为蓄电池电压经分压后的采样输入电压,AD_I为电枢电流经采样电阻放大后的输入信号。

图二:PIC16f676电路图
LIN通信模块
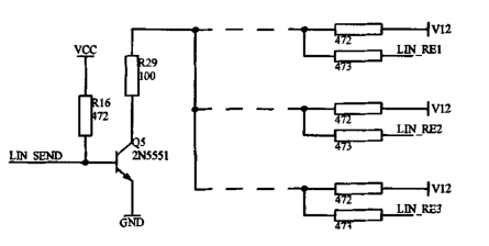
PICl6F676不含UART模块,需用软件模拟来实现。另外根据试验项目要求并不需要从节点向其他节点发送报文,只需主节点向从节点发送报文,有些企业为了节约成本,未采用LIN收发器,而采用图三方式简单实现主节点向从节点发送LIN总线格式的报文。

图三:车窗LIN总线应用电路
图三中虚线分别代表主节点与三个从节点的LIN总线,虚线左侧为主节点侧LIN报文发送电路,虚线右侧为从节点侧LIN报文接收电路。我们从图中可以看出,当主节点发比特”时“1”时,从节点收到比特“0”,而当主节点发比特“0”时,从节点收到比特“1”,采用这种方式,信号的抗干扰能力强,传输距离也比较长。
直流电机驱动模块
中控门锁直流电机和车窗直流电机的驱动,我们都采用继电器驱动方式,示意图四如下;

图四:直流电机的驱动
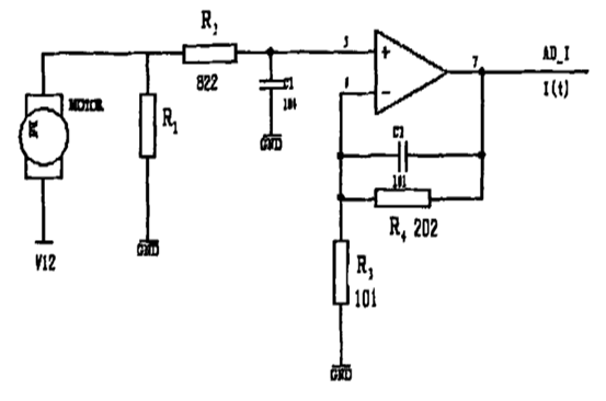
图四中继电器RELAY1和RELAY2的开关受其电感线圈控制。V12为汽车蓄电池电压。三极管导通时,线圈通电,继电器开关闭合。MCU_ 1和MCU _2连接到单片机的I/O口,以控制三极管的导通和关断。MCU _1为高电平MCU_ 2为低电平时,电动机正转:MCU_ 1为低电平MCU _2为高电平时,电动机反转。A/D采样模块包括蓄电池电压的采样和电机电枢电流的采样。图五为蓄电池电压采样,因为蓄电池电压一般为12V左右,必须经过分压到合适的电平才能送入单片机进行A/D采样。图六为电动机电流采样,电动机电流无法直接采样,我们在电枢回路中串入一个很小的采样电阻,然后经过运算放大器放大21倍后送入单片机进行A/D采样。

图五:蓄电池电压采样

图六:电动机电流采样
上一篇:电动汽车无线充电技术解析
下一篇:智能前照灯技术领域的新技术
史海拾趣
|
S3C44B0+uClinux+jffs2遇到的mkjf.jffs2问题 硬件开发环境:s3c44b0+sst39LF160(norflash) 软件环境:uClinux(2.4) 按照网上找的资料现在已经把分区都移植完毕了,但是在运行mkfs.jffs2 -d jffs2 -o jffs2.img的时候,导致开发板直接重新启动了,每次都如此。 记得在编译内核的时候也是出了 ...… 查看全部问答> |
|
最近调试6410出现奇怪的问题,三星6410 PM 090416的BSP包,编译后Eboot通过OTG能正常下载NK,而且系统运行起来后也能看到和PC的连接,但是一旦把连接OTG的线断开重新启动wince,启动到一半时就死掉了,这时把线再连接上wince能够继续启动,启动后显 ...… 查看全部问答> |
|
关于如何让Char[8]与Int[4]一一对应?即Char[0]的地址和Int[0]的地址一样 RT, 不要用 #define Int Char[i*2]*0x100+zero[i*2-1] … 查看全部问答> |
|
我用的是DDK里的打印成位图驱动。并对OEMSendPage进行了Hook。主要是想把位图按页分成多个图片。当我打印多页时(以5页为例),在第一页插入一张图片,结果只打印后2,3,4,5页。当每页都插入图片,则只是打印成一张长长的位图(又回到了原始的DDK ...… 查看全部问答> |
|
该示波器不原则上不用加硬件设备,从MIC输入信号,就能显示了,不过为了保护电脑,建议自己DIY一个隔离器,至于如何做,各思已见!另外还有信号输出功能,只有三种,,正弦波,方波,三角波 点击PAUS保持画面,然后保存! 该软件淘宝上有卖,5元钱,但网 ...… 查看全部问答> |
|
新焊接的板子出现以下问题,求大神解答,谢谢啦。Error connecting to the target: Error 0x00001200/-1166 Error during: OCS, Target, Lost processor clock. Device may be operating in a low-power mode. Do you want to bring it out of this ...… 查看全部问答> |
|
采用计数器、模拟开关CD4066设计一增益可调的放大电路,用MULTISIM来进行仿真。 这里有原电路图和我设计出来的电路图。请高手来帮我改正改正。谢谢了 原理图和我设计出来的电路图都放在压缩包里了… 查看全部问答> |




