历史上的今天
今天是:2025年07月26日(星期六)
2019年07月26日 | 技术文章—总线隔离后如何接地?
2019-07-26 来源:ZLG
CAN与485都是工业通信中常用的现场总线,各位工程师对于总线隔离方案想必都极为熟悉,但可能会遇到总线采用了隔离方案依旧通讯异常的情况,本文将带您一起探讨总线隔离后该如何接地?
前言
为保证总线网络的通讯稳定性,通讯接口通常会做隔离,隔离的主要目的:
安规考虑:保护设备及人身安全,隔开潜在的高压危险;
提高通信的稳定性:消除地电势差的影响;
提高器件的可靠性:消除地环路影响;
低耦合:提高系统间的兼容性。
目前实现总线隔离有两种方案:采用分立元器件搭建或采用集成模块。
隔离接地的原理
总线增加隔离固然可以保证总线稳定可靠地通信,但是带隔离通信接口的设备,在复杂的环境或安装状态下,接口会表现出完全不同的ESD特性,了解ESD对接口的影响机理,才能有针对性地增加保护器件,提升隔离接口的ESD能力。下面以带有隔离CAN或RS-485通信接口为例,对常见的设备状态下,ESD的作用机理进行分析,并提出相应的改善措施。
1、总线侧悬空
此状态下,设备控制侧有接入保护地(PE),总线侧参考地悬空,与PE无任何连接,如下图1。

接下来进行分析:
假设控制侧均做了足够的保护措施,当控制侧接口受到静电放电时,能量通过控制侧保护器泄放至PE,对隔离通信接口基本无影响,如下图。
当总线接口受到静电放电时,由于总线侧悬空,能量只能通过隔离栅的等效电容Ciso进行泄放,由于Ciso非常小,仅有几皮法至十几皮法,Ciso被迅速充电,两端电压Viso会非常高,几乎等同于放电电压,电压全部施加在隔离接口模块的隔离栅,若电压超出了隔离栅的电压承受范围,则会导致内部隔离栅损坏,如下面图3。
注意:对于一般的隔离接口模块,隔离栅可承受的静电放电电压只有4kV,对于更高等级的6kV或8kV的静电来说是非常脆弱的,极易出现损坏情况。


2、设备控制测悬空
此状态下,设备控制侧参考地悬空,与PE无任何连接,总线侧有接入保护地(PE),如下图4。

接下来进行分析:
当总线侧接口受到静电放电时,静电能量通过隔离接口模块内部总线侧器件泄放至PE,但若ESD能量超出了接口模块内部总线侧器件的ESD抗扰能力,总线接口则可能损坏,如下面图5。
当控制侧接口受到静电放电时,由于控制侧悬空,能量只能通过隔离栅的等效电容Ciso进行泄放,由于Ciso非常小,两端电压Viso会非常高,电压全部施加在隔离接口模块的隔离栅,若电压超出了隔离栅的电压承受范围,则会导致内部隔离栅损坏,如下面图6。


3、改善措施
针对上述两种情况,隔离接口模块需要得到有效的静电保护,建议进行隔离接口设计时,增加Cp、Rp以及TVS,提高隔离接口的ESD抗扰能力。
电容Cp的作用:减轻隔离栅的压力,为静电能量提供一个低阻抗的路径,静电能量大部分通过此电容泄放,为达到良好效果,Cp容值应远大于Ciso,建议取100pF~1000pF之间。
TVS管的作用:对于总线侧的静电,静电能量会通过防护器件泄放,注意:其导通电压必须小于隔离接口可承受的最大电压,同时大于信号电压;在通信速率高、或节点数较多时,也需要注意尽量选取等效电容小的器件,以免影响总线正常通信。

注意:若产品无安规要求,可与Cp并联一个大阻值泄放电阻,如1M,以防静电积累;若有安规要求,一般需要去除泄放电阻,同时选择安规电容。
完善的总线接口保护电路
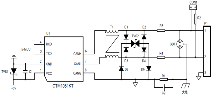
前面只是对ESD的作用机理进行了分析,但随着工业产品对通信接口的EMC等级要求越来越高。许多应用要求满足IEC61000-4-2静电放电4级,IEC61000-4-5浪涌抗扰4级要求。一般的收发器ESD、浪涌的防护等级均比较低,如CTM1051M隔离CAN收发器的隔离耐压为2500VDC,裸机情况下,ESD、浪涌等级均较低。所以有必要增加外围电路,提高通信端口的EMC等级。

以CAN总线为例,上图为完善的外围推荐电路。其中GDT置于最前端,提供一级防护,当雷击、浪涌产生时,GDT瞬间达到低阻状态,为瞬时大电流提供泄放通道,将CAN_H、CAN_L间电压钳制在二十几伏范围内。实际取值可根据防护等级及器件成本综合考虑进行调整,R3 与 R4 建议选用 PTC,D1~D6 建议选用快恢复二极管,参数表如下。
表1 推荐参数表

![]()
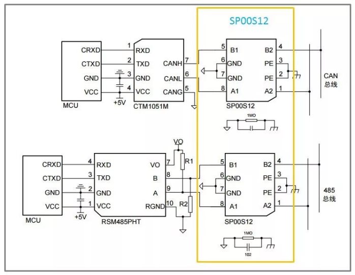
另一种方案则是采用ZLG的SP00S12浪涌保护模块,可用于各种信号传输系统,抑制雷击、浪涌、过压等有害信号,对设备信号端口进行保护。搭配ZLG的全隔离CTM或SC系列的隔离CAN收发器,如下图。可极大程度的提升产品的集成度,于此同时极大程度的缩小开发周期。

图9
阻容回路接地的必要性
前面讲述了总线隔离之后接地的原理以及推荐电路,想必大家已经很清楚了,在现场,很多客户会提到总线隔离之后为什么需要阻容接地呢?这里给大家简单描述一下:
1、电容:从EMS(电磁抗扰度)角度说,这个电容是在假设PE良好连接大地的前提下,降低可能存在的影响(以大地电平为参考的高频干扰信号对电路的影响),是为了抑制电路和干扰源之间瞬态共模压差的。其实GND直连PE是最好的,但是,直连可能不可操作或者不安全。从EMI(电磁干扰)角度说,如果有与PE相连的金属外壳,有这个高频路径,也能够避免高频信号辐射出来。
2、1M电阻:这是对付ESD(静电放电)测试用的。因为这种用电容连接PE和GND的系统(浮地系统),在做ESD测试的时候,打入被测电路的电荷无处释放,会逐渐累积,抬升或降低GND相对PE的电平,累积到一定程度,超过了PE和电路之间的绝缘最薄弱处所能耐受的电压范围,GND和PE之间就会放电,几个纳秒间,在PCB上的产生数十到数百安培的电流,这足以让任何电路因EMP(电磁脉冲)宕机,或者是让PE与电路之间绝缘最薄弱处所在信号连接的器件损坏。但是有时候又不能直接连接PE和GND,那么就用一个1~2M的电阻去慢慢释放这个电荷,以消除二者间的压差。当然1~2M这个数值是根据ESD测试标准选择的,因为IEC61000里面规定最高的重复次数只有10次/秒,如果你搞个1000次/秒的非标ESD放电,那么1~2M的电阻我觉得是不能释放掉累积的电荷的。
ZLG致远电子为您提供优质可靠的隔离CAN收发器、隔离RS-485收发器,电源、信号全隔离,隔离耐压高达3500VDC及以上,可为您的CAN、RS-485总线保驾护航!

史海拾趣
|
使用LPC1114的Flash时遇到些问题,特向各位请教。 (1)LPC1114的Flash是不是每次读写最少得256字节,而不可以一个字节一个字节的进行读写操作? (2)我现在想把一个数组(比较小)的数据随时存储到片内Flash中,并且可以随时读取,是 ...… 查看全部问答> |
|
设备:S3C2440开发板 装的是WindowsCE.net系统 程序开发机:WindowsXP装有EVC4.0和ActiveSync 1:ActiveSync连接开发板有什么要求? 2:若不用ActiveSync那么在EVC4.0中如何设置进行网络连接调试? 3:在创建eVC工程的时候需要选择CPUs 但是 ...… 查看全部问答> |
|
我终于实现了远程控制,这和我的申请题目基上实现了,但还差得很远,最起码这个例程还没彻底吃透,还得钻研一阵子哈! 费话少说,归正题。 每个人每天上网的IP都是不 ...… 查看全部问答> |
|
MSP430串口的硬件数据流控制怎么实现啊,我用的是MSP430F5510,并未看到硬件流控制引脚,是否可用MOSI MISO引脚来实现呢?… 查看全部问答> |
|
型号:TY—ROWU8j 产品说明: USB八口激卡器,可以连接笔记本电脑的激卡器,只须一根USB数据线连接到电脑,安装一个USB的驱动程序,激卡器内置扩展芯片即可扩展出8个COM口来,效果和串口的设备一样稳定,操作和串口的设备一样简单! 激卡器,是 ...… 查看全部问答> |
|
请问有谁能告诉我团购那个TMP006 大小是多大?就是BGA封装那个 本帖最后由 dontium 于 2015-1-23 13:11 编辑 只从手册中看到2个BGA焊盘的间距是0.5MM. 焊盘的大小我用的是11mil 但是现在不知道这个芯片的尺寸.. 只有2MM*2MM??????????? … 查看全部问答> |
|
#include \"iom16v.h\" #include \"macros.h\" #define uchar unsigned char #define uint unsigned int uint Number[]={0x3f,0x06,0x5b,0x4f,0x66,0x6d,0x7d,0x07,0x7f,0x6f,0x00,}; void delay(uint ms) { uint i,j;   ...… 查看全部问答> |
|
从传统意义上讲,测试工程师将进行测试编程,并将其输入计算机或其他控制器。这类程序可能包括测试执行程序以及函数程序与其他子程序。执行程序通过以适当的顺序来调用不同的函数或子程序,从而控制测试流程。函数和子程序通过向测试系统中的仪器 ...… 查看全部问答> |
|
先庆祝一下,得了100分,上图。 对易电源的体验心得: 易电源体积小,节省空间; 功能很强大,效率高; 外电路非常简单,易于实现; 设计使用简单,容易上手,还有专门的设计工具WEBENCH ...… 查看全部问答> |




