历史上的今天
今天是:2025年08月10日(星期日)
2019年08月10日 | S5PC100外设之脉冲宽度调制定时器
2019-08-10 来源:eefocus
1. 概述
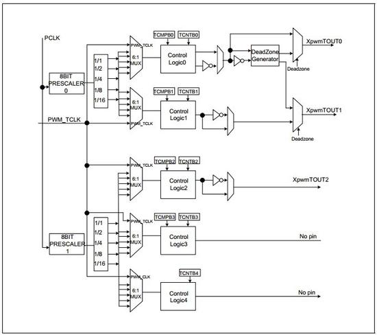
S5PC100有5个32位的计时器。这些计时器能够产生内部中断给ARM子系统。此外,计时器0、1和2包括脉冲宽度调制(PWM)功能驱动外部I / O信号。PWM计时器0有一个可选的死区发生器功能来支持一个大电流装置。计时器3和4内部定时器没有输出的引脚。
计时器工作的时钟来源于APB-PCLK。计时器0和1共享一个可编程的8位预分频器,它提供了从PCLK时钟的第一级分频。计时器2、3和4共享一个不同的8位预分频器。每个定时器有自己私有的时钟分频器,它提供了一个第二层次的时钟分频(预分频器除以2、4、8、或16)。另外,定时器就可以选择一个外部时钟源。计时器0、1、2、3和4选择外部时钟(PWM_TCLK).
每个计时器有自己的32位递减计数器,由定时器的时钟来驱动。这个递减计数器(TCNTn)从计数缓冲寄存器(TCNTBn)装载。如果递减计数器的值递减到零,定时器产生中断请求告诉CPU递减计数器数据递减到零了。如果递减计数器的值递减到零,TCNTBn的值将自动重新装载到TCNTn中,递减计数器开始下一个周期。然而,如果计时器停止,例如,通过清除计时器使一些TCONn在计时器运行模式、TCNTBn的值将不会再装载到计数器。
脉冲宽度调制(PWM)功能是使用TCMPBn寄存器的值来实现的。在定时器控制逻辑中,如果递减计数器的值 匹配 比较寄存器的值,定时器的控制逻辑将更改输出的状态。因此,比较寄存器决定了一个PWM输出开始时间(或关闭时间)。
这个TCNTBn和TCMPBn寄存器是双缓冲机制,允许修改定时器参数来更新下一个周期而不是当前周期。新更新的值不生效,直到当前的递减定时器递减为零在下一个周期才会更新。
2. 特性
PWM所支持的特性包括:
1、5个32位计时器
2、可编程时钟选择逻辑针对单个的PWM通道。
3、四个独立的可编程控制PWM脉宽控制和极性。
4、静态配置:PWM停止
5、动态配置:PWM正在运行。
6、自动重新加载模式和一次性脉冲模式。
7、两个死区发生PWM输出。
8、可以产生中断。

3 预分频和分频
8位预分频器和3位分频器可以输出如下的频率:

4. 寄存器描述

TCFG0 :寄存器用来配置2个预分频器和死区的的长度的寄存器
TCFG1 :寄存器用来配置每个定时器独有的3位分频器
TCON :控制定时器的工作模式的
TCNTB0:定时器0的计数缓冲寄存器
TCMPB0 :定时器0 的比较缓冲寄存器
TCNTO0 :监控的寄存器
上一篇:轻松学ARM系列之玩转蜂鸣器
史海拾趣
|
应用背景:便携式设备使用1.5v干电池供电,需要升压到3-3.3V使用。 boost电路是从网上找的一个升压电路,把稳压二级管改成3v的。 想问几个问题: 1、仿真结果看:绿色线占空比很小,是不是会造成输出不稳 ...… 查看全部问答> |
|
SCSR118是一款基于超再生原理的集成无线接收芯片。SCSR118内部集成了前置低噪放大器,超再生振荡器,熄灭信号发生器,包络检波解调器等电路。芯片工作在315MHz/433MHz的ISM(Industrial, Scientific and Medical)频段,采用OOK(On& ...… 查看全部问答> |
|
对于搞弱电的童鞋们,我们身边肯定有不止一根USB线,不止一根杜邦线,可是你了解他们吗? 在一次点亮7寸触摸屏的时候,我用了一根USB线外接电源驱动,可就是不稳定,总是花屏。咨询老师,老实说你用的USB线材太差劲,当时还不 ...… 查看全部问答> |
|
请各位大侠帮忙看一下如下三条语句,已知(80H)=20H,(81H)=30H, LD #0,DP LD 80H,16,B ADD 81H,B 运行后B等于多少?这到底是属于绝对地址寻址还是直接寻址啊?谢谢!… 查看全部问答> |
|
..\\USER\\stm32f10x_it.c(51): warning: #223-D: function \"EXTI_GenerteSWInterrupt\" declared implicitly..\\USER\\stm32f10x_it.c(58): warning: #223-D: function \"EXTI_GenerteSWInterrupt\" declared implicitlyProject.axf: ...… 查看全部问答> |
|
altera大学计划的SD卡程序,下载了IP核,NIOS程序没有,不知道有没有大侠用过,参考一下。 function forumhottag_callback(data) { tags = data; } … 查看全部问答> |




