历史上的今天
今天是:2024年09月24日(星期二)
2019年09月24日 | 华为Mate30的屏下指纹技术解密
2019-09-24 来源:爱集微
近年来,越来越多的手机采用了屏下指纹技术,华为最新发布的Mate30也是如此。这主要是因为指纹识别技术已相对成熟,具有安全性高、识别速度快、识别成功率高等优点,使得指纹识别技术已经被广泛应用于智能终端中。同时,具有较高的屏占比的智能终端正逐渐成为市场上的主流产品。
为了在保证较高屏占比的同时,兼顾习惯于前置指纹识别用户的使用习惯,屏下指纹检测技术提供了一种解决方案,即将指纹检测(FP)模组通过面贴或框贴的方式贴合在显示屏幕的下方。但是对于传统的屏下指纹设计,在环境光强烈时,人眼能够观察到FP模组位置的呈现紫红色,与显示屏幕的其他位置有明显色差,影响终端的美观性。
为了解决上述问题,华为公司申请了一项名为“一种屏下指纹识别终端”的发明专利(申请号:201880004449.1),申请人为华为技术有限公司。

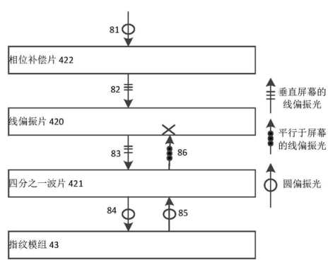
图1
图1是终端中显示屏与指纹模组的结构示意图,主要包括显示屏41、阻光材料层42以及指纹模组43这三个部分。其中,阻光材料层42设置于显示屏41和指纹模组43之间,并且设置于显示屏的非显示面,主要用来阻止入射到指纹模组43被反射出来的光线再经显示屏41出射。目前终端中常见的屏下或屏内指纹识别器件主要为基于光学的指纹模组和基于超声波的指纹模组。
下面主要针对基于光学的指纹模组进行介绍,当该模组采用此结构设计时,阻光材料层42将阻挡大部分光线照射到指纹模组上,则指纹模组可能无法采集到指纹。为了保证指纹模组的性能不受影响并同时降低用户对指纹模组的视觉感知,阻光材料层42中又加入了线偏振片420、四分之一波片421以及相位补偿片422。
线偏振片420仅允许振动面为特定方向的光线透过线偏振片420,而振动方向为其他方向的光线则无法透过线偏振片420。当线偏振光入射到四分之一波片421,且振动方向与四分之一波片光轴夹角为45°时,则从四分之一波片出射的光为圆偏振光;反之,圆偏振光通过四分之一波片后变为线偏振光。
同时,为了使得指纹模组采集到清晰的指纹,即需要有足够经用户手指反射的光线照射到指纹模组上。所以将相位补偿片422设置于线偏振片420与显示屏41之间,可以对经过显示屏41后入射到相位补偿片422的第一入射光线进行相位补偿,使得第一入射光线经过相位补偿片422后的第一出射光线为能够通过线偏振片420的线偏振光,从而保证有足够的光线能够通过线偏振片420进而照射到指纹模组43,使得指纹模组43能够采集到有效的指纹信息。

图2
通常入射光一般为通常为圆偏振光或者是椭圆偏振光(如上图所示),若圆偏振光或椭圆偏振光直接入射到线偏振片上,则仅有少量光线能够通过。由于添加了相位补偿片422对经过显示屏41后的光线81进行相位补偿,使得经过相位补偿的后的光线能够顺利通过线偏振片420,保证了足够的照射到指纹模组上,不会影响指纹模组的性能;此外,被指纹模组表面反射的光线由于再次通过四分之一波片421,变为线偏振光,但振动方向旋转了90°因此无法再次通过线偏振片420。实现了阻止经指纹模组的反射后的光线再经过显示屏射出,避免用户观察到指纹模组所在位置与显示屏其他位置的颜色差异,提高终端的美观性。
因此,当我们使用具备此设计的手机,并受到强烈光照时,它会减少透过显示屏并经指纹模组的反射后再射出的光线,从而使得用户不会观察到指纹模组所在位置与显示屏其他位置的颜色差异,不仅提高了终端的美观性,而且还为用户带来较好的用户体验。
史海拾趣
|
5月的社区明星火热出炉~~~~:D 本月优秀工程师(依据发帖数排名): 最佳风度奖:quanzx 最佳主人奖:wangjiafu1985 最具奉献奖: richiefang 本月博客之星:chbaaic 优秀版主:gaoxiao 请当选的朋友发表感言,并将联系方式(姓 ...… 查看全部问答> |
|
本帖最后由 paulhyde 于 2014-9-15 08:58 编辑 LCD显示好帮手 基于.net的应用程序,请安装.net库方能正常使用 支持各种能输入的文字和符号,转换为点阵。支持颜色转换成相应代码。 … 查看全部问答> |
|
以下是在基于ATmega16写的程序,行是B口的低4位,列是B口的高4位。 程序功能:读取键值,然后通过数码管显示键值。 程序看过很多遍了,没有问题,但就是不能正确的显示健值(12,13,14,15键值能正常显示,其它的键值在数码管的十位会显示0,个 ...… 查看全部问答> |
|
最近在搞三星6410开发板,将6410的bsp中bootloader/eboot/文件夹下的usb.C文件中加入加入键盘的报告描述符,并加入散转的代码case report_descriptor...........,并修改idproduct=ox0001,idvender=ox8888;然后编写返回代码。 用vs2005构建系统, ...… 查看全部问答> |
|
大家有对ARM开发很熟悉的么,我是通信专业的,毕业设计做这东西,对人脸识别算法了解点,对这个MFC编程完全白痴,希望有牛人可以交流下啊~我邮箱zhangtengxss@163.com 希望大家联系我啊… 查看全部问答> |
|
我表哥有个小厂专门做遥控器之类的,由于不能自己开发芯片,多数要高价外出购买,所以我想能不能自己学学这方面的知识,或许可以帮他一些忙。 我现在在搞C#,不知道要达成能自己开发这些芯片需要学习些什么?请大家不吝赐教啊! 分数可以再加,分 ...… 查看全部问答> |
|
我以前用ucosii在s3c44b0上面做的程序,一直运行正常。很来又做了一个不带ucosii的支持外部中断2的程序,使用ISR,工作也正常,但将这个程序写到原 先带ucosII的程序上后,就每次开机就死机。不知道为什么。 我原先不带外部中断2的程序的初始化代 ...… 查看全部问答> |
|
我用的是EK-LM3S811开发板,在移植uCOS的过程中,测试了两个管脚,分别是PB1和PC5(没有复用JTAG管脚),下载调试几次都是可以的,但突然就提示“Could not initialize target device! Please power cycle the board and try again”的典型锁死提示 ...… 查看全部问答> |




