历史上的今天
今天是:2024年09月24日(星期二)
2019年09月24日 | HEV和EV电池管理系统中的标准放大器功能
2019-09-24 来源:eefocus
混合动力电动汽车(HEV)和电动汽车(EV)之所以备受欢迎,是因为它们具有低(零)排放和低维护要求,同时提供了更高的效率和驱动性能。新的HEV/EV公司方兴未艾,而且现有的汽车制造商正大举投资HEV/EV市场,以争夺市场份额。
HEV/EV动力总成的核心在于系统。该系统从电网获取电力,将其存储在电池中(静止时),并从电池获取能量以转动电机并移动车辆。该系统主要包括四个子系统:车载充电器(OBC)、电池管理系统(BMS)、DC-DC转换器(DC/DC)以及逆变器和电机控制(IMC),如图1所示。在HEV/EV的BMS中经常忽略放大器的灵活性和成本效益。因此,本文将重点介绍BMS以及设计人员如何在系统中使用放大器。

图1:典型的带有OBC、BMS、DC/DC、逆变器和电机控制的HEV/EV系统图
BMS的作用是什么?
BMS维护和监控电池,包括有效和安全地充电和放电。BMS相对地平衡每个单体电池的电压和电荷,监控电池的健康状况,使电池保持安全的工作温度,并确保更长的电池寿命。BMS应该防止诸如电池反复过度放电,因为这将缩短电池寿命,或应防止过度充电,因为这可能会损坏电池并引起火灾或爆炸。HEV/EV中的电池是许多串联和并联的锂离子电池组合,可以满足所需的电压和能量。待完全充电后,单个锂离子电池的电压为4.2V,放电时接近2.8V。HEV/EV中充满电的电池电压范围为200V至800V。图2是典型的BMS框图。

图2:BMS系统框图
让我们回顾一下BMS的主要功能。
电池电流感应
监控输入电池组的电流和输出电池组的电流至关重要。在主锂离子电池中,该电流的大小往往高达数百安培。霍尔传感器、感应传感器或分流电阻器上的隔离放大器通常用于电池冷侧(低电压)到热侧(高电压)电流感测。这些隔离电流感测解决方案可以具有模拟差分输出信号。隔离电流感测旨在保持热侧和冷侧分离,并将关于感测到的电流的模拟信息提供给主微控制器中的由低压电源供电的模数转换器(ADC)。这种电流感测通常不需要非常准确。运算放大器将差分信号转换为单端信号(以接地为参考),增加动态范围,并驱动ADC。在BMS中,通常使用电流分流监控器进行精确的热侧电流感测。
图3所示为不同电压域的带隔离放大器和运算放大器电路(用于带直流传递功能的电流感测)。分流电阻上产生的电压VSHUNT由一个隔离放大器放大,作为其隔离输出的差分输出信号VDIFF。运算放大器将差分信号VDIFF转换为单端信号OUT,并通过向信号施加2 V/V的增益来提高动态范围。隔离放大器偏移决定了初始电流感测精度。差分放大器的共模抑制比主要由电阻容差决定。

图3:用于隔离电流感测的带运算放大器的隔离放大器
DC-DC转换器从HEV/EV中的主高压电池生成单独的48V电池子系统。这款48V电池子系统为空调、加热、制动系统和动力转向提供动力,并提供比使用铅酸电池的传统12 V电源轨更高的效率。48V子系统不含主电池那么高的电流负载,但仍然需要电流感测,这就是为何它有自己的本地BMS。在48V BMS中,非隔离精密电流分流监控器用于主电流感测,双向运算放大器电流感测电路用作冗余过流保护。图4所示为进行双向电流感测的运算放大器电路。

图4:低侧双向电流感应运算放大器电路
电池电压感测
需要像电流一样监控电池的电压。在隔离电压检测中,电阻分压器将高电压从电池分压到放大器的共模输入范围。隔离放大器感测到分压电压,差分放大器配置中使用的运算放大器将隔离放大器中的差分输出信号转换为单端输出。若不需要隔离,则差分放大器配置中的运算放大器可以执行直接电压感测。
图5所示为采用隔离放大器和运算放大器的隔离电压感测。隔离放大器隔离热侧和冷侧,并输出增益为1的差分信号。运算放大器将差分信号转换为单端输出,并使ADC增益满足全动态范围。该电压被馈送到冷侧MCU中的ADC。
专为BMS设计的集成功率芯片可跟踪每个锂离子电池的电压并平衡电荷。以菊花链方式连接这些功率芯片可以同时测量所有锂离子电池的电压,平衡这些电池上的电压,并将此信息传递给MCU。

图5:通过隔离放大器和运算放大器感测隔离电压
隔离漏流电流测量
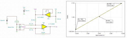
正如我之前提到的那样,高压200至800V侧与车辆底盘接地和其他低压域(12 V和48 V)保持隔离。通过测试隔离中断测量电池电压和漏泄电流还将导致测量高压轨与底盘接地的低压之间的电阻或泄漏。汽车高压和隔离泄漏测量参考设计解释了测试隔离中断。它需要使用已知的电阻路径暂时短接隔离栅,如图6所示。

图6:带运算放大器的隔离漏流电流测量电路
有必要从高压电池的正极或负极侧了解故障漏电流的路径。每当发生隔离中断时,继电器S1位于正极侧或继电器S2位于负极侧。将该已知的隔离电阻与测量的电阻进行比较可以确定通过隔离屏障的泄漏。
例如,当S1关闭时,如果在负极侧无泄漏,则ISO_POS电压将等于Vref。若在负极侧存在漏电流(隔离破坏),则ISO_POS电压将不等于Vref。由于漏电流流过Rps1、Rps2和Rs1、电池的正极侧和负极侧到低压侧接地,闭环增益不同。具有低输入偏置电流的运算放大器适用于此应用,因为连接到反相输入的阻抗可能非常高(在兆欧范围内)。
温度监测
HEV/EV需要高电压和高电流,这可能导致高功耗和快速温升。监测电池及其周围系统的温度非常有必要,以防止功耗过大。若故障导致高功耗,电池控制单元将断开电池,以防止发生火灾和爆炸等灾难性事件。
一种经济有效的温度感测解决方案是使用运算放大器缓冲来自与电阻串联的负温度系数(NTC)热敏电阻的信号。由于BMS和电池占位空间较大,因此整个系统的温度可能不均匀。这种不均匀的温度需要在整个BMS中放置多个温度感测单元。将来自这些单元的信号复用到单个ADC或MCU引脚需要信号调节。还需要缓冲和放大信号,以满足ADC的全动态范围。
图7说明了用于缓冲放大器或同相放大器配置的运算放大器。具有合理偏移和失调漂移的低成本高压运算放大器适用于此应用。

图7:使用NTC热敏电阻和运算放大器进行温度感测
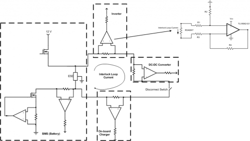
联锁监测
联锁是一个电压和电流回路系统,流经HEV/EV系统中的一系列子系统,如图8所示。联锁从BMS启动并经过逆变器、DC/DC转换器、OBC再返回BMS,以监测任何篡改、打开高压系统或打开维护舱口的事件。汽车高压联锁参考设计解释了联锁系统如何断开高压线路以防止受伤。
联锁回路主要涉及感测不需要高精度测量的以脉冲传输的电流。紧凑的解决方案需求可能会导致基于仪表放大器的解决方案。最经济的解决方案是在差分放大器配置中使用带运算放大器和分立电阻的电流感测电路。联锁回路不是高电流回路;因此,您可以使用高值分流电阻,且不会有高功耗风险。安全和诊断功能需要冗余,以覆盖主系统发生故障时的情况。为检测所有可能的故障,可能存在更多需要二次电压和电流感测的情况,以及低成本解决方案变得更加可行的情况。

图8:BMS中的联锁系统
结论
这些都是使用放大器的BMS中的标准功能,但根据系统设计,您使用运算放大器时可能会有更多功能。当出现新问题或异常问题且不存在集成解决方案时,基于运算放大器的解决方案变得更加实用。EV/HEV中的系统正在发展,且运算放大器提供快速、精确和灵活的解决方案的情况正变得越来越普遍。
上一篇:小功率直流慢充安全问题详细分析
史海拾趣
|
altium designer 和Protel 99se哪个更好? 我只用过protel 99se 但是听说altium designer 很不错,就有打算把protel换成altium designer ,大家说觉得有必要吗,有用过的大侠现身说法一下吧 呵呵多谢了 比如说,altium designer 好不好上手 资料好不好找 呵呵… 查看全部问答> |
|
各位大侠: 我修改了shell.reg里面的内容如下: [HKEY_LOCAL_MACHINE\\init] ;\"Launch50\"=\"explorer.exe\" ;\"Depend50\"=hex:14,00, 1e,00 \"Launch200\"=\"player.exe\" \"Depend200\"=hex:14,00, 1e,00 本意是想开机就运行我的player ...… 查看全部问答> |
|
最近在学校用了一个试验箱,芯片是CYCLONE III,上面有个AT080TN52的TFT液晶,想用VHDL直接驱动显示一副图像,不知道如何实现,请用过的大哥指教一下,谢谢… 查看全部问答> |
|
【项目内容描述】把原来裸机写的3000行代码移植到ucos上,使具有tcp/ip的socket通讯功能,和别的主机通过tcp/ip通信 最好在北京。 费用大概1.5万左右,还可以再商量。 联系qq:340283020… 查看全部问答> |




