历史上的今天
今天是:2024年09月28日(星期六)
2019年09月28日 | STM32复习笔记(七)定时器&定时器中断
2019-09-28 来源:eefocus
一、STM32定时器:
STM32F10x系列总共最多有8个定时器:

二、三种STM32定时器区别:

三、通用定时器功能特点描述:
STM32 的通用 TIMx (TIM2、TIM3、TIM4 和 TIM5)定时器功能特点包括:
位于低速的APB1总线上(APB1)
16 位向上、向下、向上/向下(中心对齐)计数模式,自动装载计数器(TIMx_CNT)。
16 位可编程(可以实时修改)预分频器(TIMx_PSC),计数器时钟频率的分频系数 为 1~65535 之间的任意数值。
4 个独立通道(TIMx_CH1~4),这些通道可以用来作为:
① 输入捕获
② 输出比较
③ PWM 生成(边缘或中间对齐模式)
④ 单脉冲模式输出
可使用外部信号(TIMx_ETR)控制定时器和定时器互连(可以用 1 个定时器控制另外一个定时器)的同步电路。
如下事件发生时产生中断/DMA(6个独立的IRQ/DMA请求生成器):
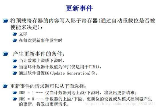
①更新:计数器向上溢出/向下溢出,计数器初始化(通过软件或者内部/外部触发)
②触发事件(计数器启动、停止、初始化或者由内部/外部触发计数)
③输入捕获
④输出比较
⑤支持针对定位的增量(正交)编码器和霍尔传感器电路
⑥触发输入作为外部时钟或者按周期的电流管理
STM32 的通用定时器可以被用于:测量输入信号的脉冲长度(输入捕获)或者产生输出波形(输出比较和 PWM)等。
使用定时器预分频器和 RCC 时钟控制器预分频器,脉冲长度和波形周期可以在几个微秒到几个毫秒间调整。STM32 的每个通用定时器都是完全独立的,没有互相共享的任何资源。
四、计数器模式:
通用定时器可以向上计数、向下计数、向上向下双向计数模式。
①向上计数模式:计数器从0计数到自动加载值(TIMx_ARR),然后重新从0开始计数并且产生一个计数器溢出事件。
②向下计数模式:计数器从自动装入的值(TIMx_ARR)开始向下计数到0,然后从自动装入的值重新开始,并产生一个计数器向下溢出事件。
③中央对齐模式(向上/向下计数):计数器从0开始计数到自动装入的值-1,产生一个计数器溢出事件,然后向下计数到1并且产生一个计数器溢出事件;然后再从0开始重新计数。

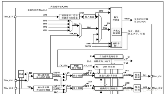
五、通用定时器工作过程:





.

六、时钟选择:
计数器时钟可以由下列时钟源提供:
①内部时钟(CK_INT)
②外部时钟模式1:外部输入脚(TIx)
③外部时钟模式2:外部触发输入(ETR)
④内部触发输入(ITRx):使用一个定时器作为另一个定时器的预分频器,如可以配置一个定时器Timer1而作为另一个定时器Timer2的预分频器。
七、内部时钟选择:
八、时钟计算方法:

九、计数器模式:
通用定时器可以向上计数、向下计数、向上向下双向计数模式。
①向上计数模式:计数器从0计数到自动加载值(TIMx_ARR),然后重新从0开始计数并且产生一个计数器溢出事件。②向下计数模式:计数器从自动装入的值(TIMx_ARR)开始向下计数到0,然后从自动装入的值重新开始,并产生一个计数器向下溢出事件。
③中央对齐模式(向上/向下计数):计数器从0开始计数到自动装入的值-1,产生一个计数器溢出事件,然后向下计数到1并且产生一个计数器溢出事件;然后再从0开始重新计数。

(1)向下计数模式(时钟分频因子=1)


(2)向上计数模式(时钟分频因子=1)


(3)中央对齐计数模式(时钟分频因子=1 ARR=6)


十、定时器中断实验相关寄存器:
(1)计数器当前值寄存器CNT:

(2)预分频寄存器TIMx_PSC:

(3)自动重装载寄存器(TIMx_ARR):

(4)控制寄存器1(TIMx_CR1):

(5)DMA中断使能寄存器(TIMx_DIER):

十一、常用库函数:
定时器参数初始化:
void TIM_TimeBaseInit(TIM_TypeDef* TIMx, TIM_TimeBaseInitTypeDef* TIM_TimeBaseInitStruct);
typedef struct
{
uint16_t TIM_Prescaler;
uint16_t TIM_CounterMode;
uint16_t TIM_Period;
uint16_t TIM_ClockDivision;
uint8_t TIM_RepetitionCounter;
} TIM_TimeBaseInitTypeDef;
TIM_TimeBaseStructure.TIM_Period = 4999;
TIM_TimeBaseStructure.TIM_Prescaler =7199;
TIM_TimeBaseStructure.TIM_ClockDivision = TIM_CKD_DIV1;
TIM_TimeBaseStructure.TIM_CounterMode = TIM_CounterMode_Up;
TIM_TimeBaseInit(TIM3, &TIM_TimeBaseStructure);
定时器使能函数:
void TIM_Cmd(TIM_TypeDef* TIMx, FunctionalState NewState)
定时器中断使能函数:
void TIM_ITConfig(TIM_TypeDef* TIMx, uint16_t TIM_IT, FunctionalState NewState);
状态标志位获取和清除:
FlagStatus TIM_GetFlagStatus(TIM_TypeDef* TIMx, uint16_t TIM_FLAG);
void TIM_ClearFlag(TIM_TypeDef* TIMx, uint16_t TIM_FLAG);
ITStatus TIM_GetITStatus(TIM_TypeDef* TIMx, uint16_t TIM_IT);
void TIM_ClearITPendingBit(TIM_TypeDef* TIMx, uint16_t TIM_IT);
十二、定时器中断实现步骤:
① 能定时器时钟。
RCC_APB1PeriphClockCmd();
② 初始化定时器,配置ARR,PSC。
TIM_TimeBaseInit();
③开启定时器中断,配置NVIC。
void TIM_ITConfig();
NVIC_Init();
④ 使能定时器。
TIM_Cmd();
⑥ 编写中断服务函数。
TIMx_IRQHandler();
Tout(溢出时间)=(ARR+1)(PSC+1)/Tclk
史海拾趣
|
各位大侠,在dxp 2004中有没有三排 15针串口(VGA)这个元件?如果有,那是在哪个库呢?而且还要有封装!我找了很久都没找到!如果有谁有这个元件库,可以给我吗?不胜感激!… 查看全部问答> |
|
我用的是 jxarm9 2410 的板子 实验环境是ADT 中断请求做了 ,中断使能也做了。正常应该是每秒自动触发一次tick中断,进入中断处理函数才对啊。但就是不进入中断服务函数。 请高手们帮帮我吧 感激不尽。 以下是我的代码 /* 包含文 ...… 查看全部问答> |
|
我在学习时查到了到了这些资料,好多以后学习会慢慢用的上,今天把他们归结到一起,放在论坛上,省的大家花时间去找我们一起努力哦 [ 本帖最后由 孤独剑 于 2011-3-22 19:55 编辑 ]… 查看全部问答> |
|
在0.13um工艺下用全定制方法设计一32位ALU模块,然后基于Hspice对电路图进行延时分析与优化;采用模块化的设计方法完成版图设计,通过DRC和LVS检查。 有没有想做的,速度报名! … 查看全部问答> |





