历史上的今天
今天是:2024年10月15日(星期二)
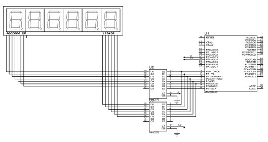
2019年10月15日 | 一个单片机IO口与74HC573及数码管显示应用
2019-10-15 来源:eefocus
这两天总有人问数码管与74HC573的事,现在将数码管与74HC573正确连接图发给大家,并附上代码。代码是阿迪用其他软件编写的,我用ICCV7稍改了一下.发这个代码的另一个意义是他这个代码写的很精练,有很好的启发作用.
单片机源码:
#include #include #define uchar unsigned char #define uint unsigned int uchar du[]={0x3f,0x06,0x5b,0x4f,0x66,0x6d}; void delay(uint S) { uint i,j; for( i=0;i } int main() { uchar i; DDRA =0xff; PORTA |= BIT(3); DDRB = 0xff; while(1) { for(i=0;i<6;i++) { PORTB = 0xff; //暂时关DA码 PORTB &=~ BIT(i) ; //送位码 精华! 不用数组,用PI口变量定义位 PORTA |= BIT(4) ; //开573位 //相当于51 P1^4=1; P1也可是P2,P3 PORTA &=~ BIT(4); //关573位 // 相当于51 P1^4=0; PORTA = BIT(3) ; //开573DA选 PORTB=du[i]; //送DA码 PORTA &=~ BIT(3); //关573DA选 delay(1) ; } } } for(j=0;j<240;j++);
史海拾趣
|
摘要:随着信息技术的快速发展,无线网络技术的应用越来越广泛,但是无线网络传输的效率一直比较低。针对这 种情况提出了一种提高无线局域网传输效率的技术。先在原理上讨论了使用包融合技术在无线局域网中使用的可 行性,然后通过在NS2 下的模拟 ...… 查看全部问答> |
|
看指令表有关与十进制指令 DADD.B 将十进制的进位位和源操作数加至目的操作数 语法 DADD.B src, dst 操作 src + dst + C -> dst (十进制) 有点不理解,大侠,斑竹指点 例如: CLRC ;复位进位位 CLR R5 DADD.B #99, R5 那 ...… 查看全部问答> |
|
三星的eMMC iNAND(型号KLM2G1DEHE)大概还有50片左右,DDR3 SDRAM(型号K4B2G0846C)大概30片的样子都是BGA封装,冰点吐血价5元每片,照例上图 淘宝小店:http://shop34118588.taobao.com/… 查看全部问答> |




