历史上的今天
今天是:2024年10月18日(星期五)
2019年10月18日 | CAN一致性测试系统之边沿时间测试
2019-10-18 来源:eefocus
CAN总线边沿时间会影响采样正确性,而采样错误会造成不断错误帧出现,影响CAN总线通信。那么CAN总线边沿时间标准是什么?边沿时间如何测量呢?
一、CAN测试边沿时间意义
目前在国内汽车电子行业没有明确的标准,也就造成汽车零配件质量良莠不齐,零配件整装到汽车上将会造成CAN总线通信异常,给汽车驾驶带来安全隐患。如下是GMW3122信号边沿标准对CAN总线边沿的规范要求。

表中根据需求不同,波特率不同分为高速CAN、中速CAN。测试的是信号边沿时间,边沿时间是指隐性电平到显性电平时间和显性电平到隐性电平变化的总时间。隐性电平(逻辑值0)到显性电平(逻辑值1)时间为上升沿,显性电平到隐性电平为下降沿。

边沿时间分为上升沿时间、下降沿时间。下降沿时间是按照电压(20%~80%电压区间,有些按照10%~90%电压区间测量边沿时间,文中以20%~80%电压区间测量边沿时间)。表中给出时间范围,如果超出规定时间,会造成波形位宽增加,采样点取值不准确,波特率异常,出现大量错误帧,一直重发数据帧也会造成CAN总线通信瘫痪。

由于现场总线过长,导致总线上挂载电容增加,从而导致线路阻抗增加。在边沿时间测试需要考虑电阻与电容匹配。模拟测试线路短,需要人为添加电容来模拟现场存在实际情况。在上表中典型值是根据现场电容、电阻得出的常用值。

二、CAN边沿时间测试步骤
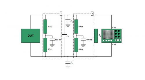
示波器测试CAN波形
用示波器采集CAN总线波形,设置幅值光标为20%~80%,记录上升沿的时间、下降沿时间。
记录多次数据,确认每次求得上升沿、下降沿时间都在标准范围内。

CAN测试问题
只使用示波器测量CAN边沿时间,需要人为操作记录多次时间。整车CAN总线拥有多个零部件,测试CAN边沿时间需要花费大量时间以及人力,而这还只是整车CAN一致性测试的其中一项,完成全部测试要求,需要一个人测试三天。随着效率要求越来越高,整车厂更希望将时间花费在研发汽车应用新技术。
三、CANDT
基于汽车行业对CAN总线测试手段繁杂,致远电子自主研发的CANDT一致性测试系统,可构建CAN总线安全保障体系,自动化完成CAN总线物理层、链路层及应用层自动化测试。保证整车安全四步曲如下:

步骤一:CAN一致性自动化测试
通过将汽车或节点零部件接入CAN一致性测试系统,可自动化完成CAN总线物理层、链路层等自动化测试,覆盖主流主机厂标准要求,保障整车CAN总线安全稳定。

步骤二:详细测试报表导出
单节点测试完成之后,可自动化到处详细CAN一致性测试报表,其包含测试标准引用,评判依据,判断结果等数据,准确判断节点工作情况,一目了然,可作为主机厂准入依据。

步骤三:CAN总线故障定位及排查解决
新能源汽车主机厂和零部件企业在CANDT一致性测试后,对于测试报告中显示测试不通过的问题,可以用CANScope进行故障定位和排查,加快CAN总线稳定的研发速度。

测试结果:保障整车CAN网络安全
新能源汽车CAN节点在通过一致性测试后,质量高度一致,避免了CAN节点良莠不齐带来的安全隐患问题,从而保证了整车CAN网络的安全统一。

史海拾趣
|
各位达人,我在做PCB板的时候对于如何根据元件数值选取元件封装时感到很吃力,举个例子 1.在选取三极管的时候,什么时候选TO-92A,什么时候选TO-92B? 2.一个电容比如一个100N/250V的电容,选取的是RAD0.3,这个电压的要求是不是贴片难以达到, ...… 查看全部问答> |
|
现在要测试的文件比如有test.c和test.h 我需要用TCL写一个自动化测试脚本,为test.c中的变量赋值并运行 请问这个脚本该如何写,最好能给个示例,谢谢… 查看全部问答> |
|
当做为服务端时,测试过程, AT^SICS=0,conType,GPRS0 OK AT^SICS=0,apn,cmnet OK AT^SISS=1,srvType,socket OK AT^SISS=1,conId,0 OK AT^SISS=1,address,\"socktcp://listener:1000\" OK AT^SISO=1 OK at^siso? ^SISO ...… 查看全部问答> |
|
请问各位大侠SRAM与DRAM的区别? 是不是DRAM比SRAM访问速度要快, 两个是不同的存储介质,会不会是内存的某一块是SRAM,另一块是DRAM,只是地址不一样? 请大侠指点指点!谢谢!… 查看全部问答> |
|
嵌入式单片机安卓画板研发和培训,高薪包就业! 改变人生轨迹 规划职业蓝图! ----信盈达成就您的高薪梦想! 技术顾问:欧阳老师15989362803,QQ:877037118 信盈达科技有限公司专业提供嵌入式Arm+Lin ...… 查看全部问答> |
|
本人有四块LPC800miniKIT 欲拿出两块LPC800miniKIT换有关MSP430的东东,如果价值比较高,可以再加上加别的开发板 … 查看全部问答> |




