历史上的今天
今天是:2024年10月24日(星期四)
2019年10月24日 | 基于高稳定电源虚拟测试系统设计方案
2019-10-24 来源:eefocus
为了测试电子显微镜高稳定线圈恒流电源的稳定度,本文提出了一种基于高稳定电源虚拟测试系统设计方案。该方案中所设计的系统硬件平台基于GPIB总线,以8位半数字多用表为高精度电压采集设备,软件系统以LabVIEW为开发平台,可以实时采集处理线圈电流反馈的电压信号。应用该系统测试了稳定度为2 ppm/min的物镜线圈电源。结果表明,该测试系统精度高,反应快,使用方便,满足自动测试高稳定电源的需求。
0引言
一般电源稳定度的测试有众多方法。在220 kV场发射枪透射电子显微镜的研制过程中,其线圈恒流电源的稳定度要求甚高,特别是物镜线圈恒流电源,其线圈电流稳定度达到2 ppm/min.这就迫切需要搭建一套可靠,方便和高效的电源稳定度测试系统来开展工作。目前,高稳定度测试系统常采用记录仪方法,但其操作不方便,精度不高。
根据项目工作需要,作者开发了实用化的基于Lab-VIEW虚拟平台的线圈电源高稳定度的在线自动测试系统。本文以物镜线圈电源电流稳定度测试为例,介绍该系统的组成,测量原理及软件编程实现,并给出数据处理方法及测量结果。
1测试系统硬件组成及原理
1.1系统组成
该测试系统组成结构如图1所示,线圈电源给线圈与采样电阻R提供电流,8位半数字多用表采集采样电阻R上的电压信号,电压数字化数据经GBIB接口连线输入到计算机,计算机进行分析处理并实时显示。

图1 测试系统组成图
本系统数字多用表采用Agilent公司3458A多用数字多用表。3458A直流电压档具体特性为:最高8.5位(28位A/D)分辨率,最高灵敏度10 nV;0.6 ppm /24 h精度,8 ppm/年电压基准电压稳定度。线圈电源稳定度最高为物镜线圈电源,要求线圈电流稳定度为2 ppm/min,因此3458A数字多用表可以满足要求。
该系统的数据采集过程为:数字多用表3458A具有标准的GPIB接口,通过82357B模块转换成标准的USB接口,这样就可以方便地与计算机连接。
1.2稳定度测试方法
根据国标《JB/T 9352-1999 ,透射电子显微镜试验方法》,线圈电源稳定度的定义为在一定时间内采样电压变化量与该时间电压平均值的比值。在上面的系统组成图中,采样电阻为非常稳定的金属膜电阻,且置于恒温油箱中,因此采样电阻的电压可以真实反映线圈电源的状况。
测试过程是:让线圈电源稳定工作一段时间,连续记录采样电压,然后从中取出连续记录10 min比较稳定的数据,以每1 min为一计算区间,10 min共10个区间,计算每个区间的取样电压变化量,然后求10个区间的电压变化量的算术平均值,具体可按式(1)计算线圈电源的分钟电压稳定度:

式中:Sa为1 min电压稳定度;ΔVSV为每分钟取样电压变化量的10次算术平均值;VSV为取样电压的标称值。
2系统的软件设计
本系统在虚拟仪器开发平台LabVIEW 8.5环境下开发,编写的程序完成的主要功能有:配置3458A数字电压表,从电压表内读取数据,数据的实时图形显示,数据的文件存储等功能。该系统设计了将数据存储为。txt文件格式,事后可以用软件Excel进行相关处理。程序流程简图如图2所示。

图2 程序流程简图
设计的采集程序界面如图3所示,当点击开始,设置每秒钟的采样点数与间隔时间(积分时间),点击开始存储文件后就开始采集数据显示并存储。可以根据即时波形图与整体波形图来得到测量电压的信息。
2.1配置3458A的程序设计
本系统中计算机与3458A的通信都使用LabVIEW的VISA函数来完成,有关特点如下:
VISA是在所有LabVIEW工作平台上控制VXI、GPIB、RS 232以及其他种类仪器的单接口程序库。采用了VISA标准,就不考虑时间及仪器I/O选择项,驱动软件相互之间可以通用。对3458A进行远程操作包括三部分:读或改变GPIB地址、给万用表发指令、从万用表读数,为正常使用3458A的各项功能需对3458A进行各项必要的配置。

图3 操作界面图
2.1.1初始化3458A
首先配置GPIB地址,通常3458A出厂时预留的地址默认为22,可以将其地址设置为:GPIB0::22::
lNSTR;其次测试3458A是否与计算机正常连接,如果给3458A发指令“ID-”,仪器将会返回“HP3458A”,因此利用这一点就会很方便的知道3458A是否正常与计算机连接,其程序框图如图4所示。

图4 初始化3458A
2.1.2预设置3458A状态
通电后3458A首先处在power-on状态,此状态下trigger arm,trigger,sample events事件都预设置为AUTO模式,这使得万用表处于不断的读数状态,所以在为万用表的测量设置之前,必须先悬挂读数,使其不在读数状态。解决此问题的方法是presetting万用表,即发送“PRESET NORM”或者“PRESET FAST”命令,其程序框图如图5所示。

图5 预设置3458A
2.1.3定义3458A测量功能
如要测量直流电压,则需发送FUNC DCV命令至3458A,DCV为FUNC的第1个参量,第2个参数口r以定义测量分辨率,其设置方式包括以下两方面:
(1)Autorange方式:在每次读数前万用表3458A取样输入数据,并且自动选择测量范围,因此这种方式需要花费更多的测量时间。在power-on/PRESET NORM状态下,Autorange被使能,也可使用ARANGE ONCE命令选择将Autorange使能一次。
(2)定义范围方式:例如若使用“DCV 2.5”命令,则将设置万用表3458A的最大输入电压为2.5 V,万用表白动选择量程为DC10 V,其程序框图如图6所示。

图6 定义3458A的功能
2.2配置3458A的A/D转换器程序设计
A/D转换器的设置决定测量速度、分辨率、精度和电压或电阻测量时的抗噪声,配置A/D转换器的因素有三个:参考频率、综合时间和分辨率。参考频率与万用表抵制噪声的能力有关,这里应注意当断电或者Reset后,参考频率值恢复为默认值,需重新设置参考频率值;综合时间为A/D转换器测量输入信号的时间,可以用NPIC命令或APER命令来设置综合时间,例如若A/D转换器的参考频率设置为50 Hz,则其周期为1 50 =20 ms,假如设置10PLCs,则综合时间为20 ms×10=200 ms;在测量DC或电阻时,分辨率是取决于A/D转换器的综合时间的,当定义分辨率时,就相当于间接定义了综合时间,其程序框图如图7所示。

图7 配置3458A的A/D
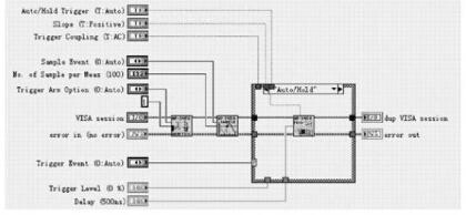
2.3设置3458A的触发事件
若要使万用表读数,则必须按顺序执行以下三个事件:触发端事件、触发事件和取样事件。
(1)触发端事件使能触发事件,用TARM命令定义。
(2)触发事件使能取样事件,用TRIG命令定义。
(3)当取样事件发生时,万用表读一次数。然后按照定义好的读数次数,万用表循环读数。用NRDGS命令定义,第一个参量为每次触发事件后读数个数,第2个参量为定义取样事件方式,其程序框图如图8所示。

图8 设置3458A的触发事件
3测试结果
使用该系统首先对3458A数字表的零漂(测试两表笔短接时电压值即电压表的零漂)进行测量,在实验室环境下得到如图9所示的测试曲线。当3458A数字表稳定工作时,得到其零漂小于1μV ,因此可以看出该系统具有相当高的精度,当测试电压值超过1 V时,可以达到1 ppm的测试精度。

图9 3458A零漂曲线图
然后使用该系统测试了电子显微镜的物镜线圈恒流电源的稳定度。由于线圈恒流电源中,其采样电阻具有非常高的稳定度(置于恒温邮箱中且温漂小于1 ppm/℃),因此采集该电阻两端的电压就可以计算出线圈电流的稳定度。当电源工作比较稳定时,使用该系统采集采样电阻两端的数据以。txt文件格式存储。使用Excel软件可以方便地对存储的数据进行处理。如图10所示,可以得到整体效果图,然后可以选择一段比较平稳的10 min数据来进行处理计算,就可以得到电源的1 min稳定度。

图10 测试数据图
4结语
本文提出了一种基于高稳定电源虚拟测试系统设计方案。该方案中所设计的系统硬件平台基于GPIB总线,以8位半数字多用表为高精度电压采集设备,软件系统以LabVIEW为开发平台,可以实时采集处理线圈电流反馈的电压信号。应用该系统测试了稳定度为2 ppm/min的物镜线圈电源。通过实践应用,在多路高稳定的电源稳定度测试中,该系统具有高精度,方便与高效等优点。由于采用计算机软件采集处理测试数据,可以减少人为的测量、处理误差,同时节省大量的人力物力,提高了工作的效率。
下一篇:基于网络的电能质量监测系统设计
史海拾趣
|
本文来自于HELLODSP交流网 作者:huttu 近来有很多朋友问及MAP文件,下面我就对MAP文件的一点理解和大家分享。 MAP文件是CCS软件编译后产生的有关DSP用到所有程序、数据及IO空间的一种映射文件。 一、生成方法 MAP文件主要有两种 ...… 查看全部问答> |
|
我是一名大四的学生,想向嵌入式方向发展,由于学校学的都是理论 所以我想再找一家培训单位来继续学习,linux+ARM的 但是网上很多,不知道怎么合理的选择,希望大家帮一下我怎么分析那么多的培训班… 查看全部问答> |
|
User command #1: C:WAVE6000\\BIN\\wave.exe /k ---Error:User Command terminated, Exit-Code = 1 \"Web51\" - 1 Error(s), 0 Warning(s). 这个错误很常见吧 哥哥姐姐请指教 … 查看全部问答> |
|
各位师兄师姐好,我是大三的学生,专业学的测量控制,准备读研究生,搞无线多媒体传感器网络。 我看老师的研究领域以前是水下传感器网络,我的研究的主要内容可能是编协议,满足异类多媒体可靠性定义、高网络服务质量预期值、高带宽需求等问题(按 ...… 查看全部问答> |




