历史上的今天
今天是:2024年10月30日(星期三)
2019年10月30日 | avr单片机 Mega16定时器实验报告
2019-10-30 来源:51hei
1、实验目的
通过实验,掌握定时器的使用方法。着重掌握定时中断的使用!
2、实验内容
1 使用Mega16单片机的timer0产生1ms间隔的定时中断(建议采用application builder,既可以用Normal工作模式也可以使用CTC模式),(1)在定时中断中实现4位数码管的动态刷新。(2)在1ms的定时中断中设计100mS的时间标志位,在主程序中查询时间标志位,实现LED闪烁。
2 重新配置TImer0工作在PWM模式,用按键改变PWM的占空比,调节电机转速;
3、实验预习要求
仔细阅读教材中定时中断的范例;
4、实验步骤
1 启动ICCAVR,创建一个工程文件,配置timer0,实现10ms的定时中断,采用Application Builder来生成初始化代码。注意:本次实验使用的IO口也要初始化,包括数码管驱动所使用的IO,按键等。
2 在定时中断中实现四位数码管的定时刷新(注:要使用上次实验课的HC595的驱动),并在定时中断中实现100ms的时间标志(时标),在主程序中查询时标,实现led(PORTC口任何一个LED都可)闪烁;
3 重新配置TImer0工作在PWM模式,初始占空比设置为10%,然后使用按键INT1(在原理图中为SW8,连接到了单片机的PD3引脚上』来改变占空比,例如每按一次按键,占空比增加10%。
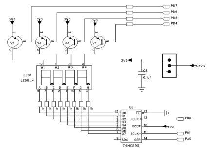
注:实验中要使用的管脚有:PD4、PD5、PD6、PD7、PB0、PB1、PA0,PD3,各管脚连接请参照原理图。

实验三 定时器应用实验
报 告 内 容
1 实验目的
通过实验,掌握定时器的使用方法。着重掌握定时中断的使用!
2 实验内容
1、使用Mega16单片机的timer0产生1ms间隔的定时中断(建议采用application builder,既可以用Normal工作模式也可以使用CTC模式),(1)在定时中断中实现4位数码管的动态刷新。(2)在1ms的定时中断中设计100mS的时间标志位,在主程序中查询时间标志位,实现LED闪烁。
2、重新配置TImer0工作在PWM模式,用按键改变PWM的占空比,调节电机转速;
3 使用Mega16单片机的timer0产生1ms间隔的定时中断(建议采用application builder,既可以用Normal工作模式也可以使用CTC模式),写出采用的工作模式,以及定时器各个寄存器的值。
#include #include void port_init(void) { PORTA = 0x00; DDRA = 0x00; PORTB = 0x00; DDRB = 0x00; PORTC = 0x00; //m103 output only DDRC = 0x00; PORTD = 0x00; DDRD = 0x00; } //TIMER0 initialize - prescale:8 // WGM: CTC // desired value: 1000Hz // actual value: 992.063Hz (-0.8%) void timer0_init(void) { TCCR0 = 0x00; //stop TCNT0 = 0x83; //set count计数 OCR0 = 0x7D; //set compare匹配 TCCR0 = 0x0A; //start timer } //call this routine to initialize all peripherals void init_devices(void) { //stop errant interrupts until set up CLI(); //disable all interrupts port_init(); timer0_init(); MCUCR = 0x00; GICR = 0x00; TIMSK = 0x00; //timer interrupt sources SEI(); //re-enable interrupts //all peripherals are now initialized } 4 在定时中断中实现4位数码管的动态刷新。(只写出定时中断相关的代码,本部分要借用上次实验课实现的HC595的驱动函数) 5、在1ms的定时中断中设计1000mS的时间标志位,在主程序中查询时间标志位,秒表功能。(只写定时中断服务程序和实现秒表的功能代码)
史海拾趣
|
ASIC(Application Specific Integrated Circuit)是专用集成电路。 目前,在集成电路界ASIC被认为是一种为专门目的而设计的集成电路。是指应特定用户要求和特定电子系统的需要而设计、制造的集成电路。ASIC的特点是面向特定用户的需求,ASIC在批量 ...… 查看全部问答> |
|
用单片机一个口接一个光耦TLP521,然后光耦接三极管,三极管驱动继电器,继电器和光耦的右端都是一个电源,单片机和光耦的左端是一个电源。 问题1:这样的设计对提高系统稳定性有效果么 问题2:其中光耦是不是多此一举,可以去掉呢 这里ZC0是接 ...… 查看全部问答> |
|
这阵子都在弄这个论文 需要89c54rd+ 谁那有发给我下 非常感谢 有的麻烦加下我qq 357261209或送发到论坛上 谢谢了 [ 本帖最后由 bawggu 于 2010-4-13 20:14 编辑 ]… 查看全部问答> |
|
目前手头有个项目使用omap3530做了一个显示器,采用wince系统,使用的是广州英码的核心板,本来厂家给定制内核但是不知为什么系统总是不稳定,现在想找一个熟悉wince的高手(要求人在北京)帮忙搞清楚什么原因,或者重新裁剪一下bsp,系统功能很简 ...… 查看全部问答> |
|
哪位在Linux下有做过camera的驱动开放,请进来指点一下! 我是用开源的Moto 代码做的,始终会出现这个问题,I2C-CAMERA in fun:i2c_ov9640_read i2c write error code =-121,请帮忙分析一下是什么原因!… 查看全部问答> |
|
输入能够承受比较大的电流,输入电压大概是在90V以上,要求能够降压到12V(加上滤波电容后这个电压用来作为电源) 我查到了好几本书,都没有发发现合适的集成芯片。… 查看全部问答> |




