历史上的今天
今天是:2024年11月08日(星期五)
2019年11月08日 | 单片机常用芯片MAX7219驱动
2019-11-08 来源:eefocus
MAX7219是MAXIM公司生产的串行输入/输出共阴极数码管显示驱动芯片,一片MAX7219可驱动8个7段(包括小数点共8段)数字LED、LED条线图形显示器、或64个分立的LED发光二级管。该芯片具有10MHz传输率的三线串行接口可与任何微处理器相连,只需一个外接电阻即可设置所有LED的段电流。。它的操作很简单,MCU只需通过模拟SPI三线接口就可以将相关的指令写入MAX7219的内部指令和数据寄存器,同时它还允许用户选择多种译码方式和译码位。此外它还支持多片7219串联方式,这样MCU就可以通过3根线(即串行数据线、串行时钟线和芯片选通线)控制更多的数码管显示。MAX7219的外部引脚分配如图1所示及内部结构如图2所示。

图1 MAX7219的外部引脚分配

图2 MAX7219的内部引脚分配
各引脚的功能为:
DIN:串行数据输入端
DOUT:串行数据输出端,用于级连扩展
LOAD:装载数据输入
CLK:串行时钟输入
DIG0~DIG7:8位LED位选线,从共阴极LED中吸入电流
SEG A~SEG G DP 7段驱动和小数点驱动
ISET: 通过一个10k电阻和Vcc相连,设置段电流
MAX7219有下列几组寄存器:(如图3)
MAX7219内部的寄存器如图3,主要有:译码控制寄存器、亮度控制寄存器、扫描界限寄存器、关断模式寄存器、测试控制寄存器。编程时只有正确操作这些寄存器,MAX7219才可工作。

图 3 MAX7219内部的相关寄存器
分别介绍如下:
(1) 译码控制寄存器(X9H)
如图4所示,MAX7219有两种译码方式:B译码方式和不译码方式。当选择不译码时,8个数据为分别一一对应7个段和小数点位;B译码方式是BCD译码,直接送数据就可以显示。实际应用中可以按位设置选择B译码或是不译码方式。
图4 MAX7219的译码控制寄存器
(2) 扫描界限寄存器(XBH)
如图5所示,此寄存器用于设置显示的LED的个数(1~8),比如当设置为0xX4时,LED 0~5显示。

图5 MAX7219的扫描界限控制寄存器
(3) 亮度控制寄存器(XAH)
共有16级可选择,用于设置LED的显示亮度,从0xX0~0xXF
(4) 关断模式寄存器(XCH)
共有两种模式选择,一是关断状态,(最低位 D0=0)一是正常工作状态(D0=1)。
(5) 显示测试寄存器(XFH)
用于设置LED是测试状态还是正常工作状态,当测试状态时(最低位 D0=1)各位显示全亮,正常工作状态(D0=0)。
各寄存器具体操作见驱动程序详解。
2 读写时序说明
MAX7129是SPI总线驱动方式。它不仅要向寄存器写入控制字,还需要读取相应寄存器的数据。
要想与MAX7129通信,首先要先了解MAX7129的控制字。MAX7129的控制字格式如图6。

图6 控制字(即地址及命令字节)
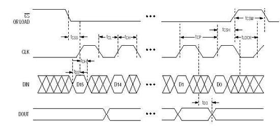
如图,工作时,MAX7219规定一次接收16位数据,在接收的16位数据中:D15~D12可以与操作无关,可以任意写入,D11~D8决定所选通的内部寄存器地址,D7~D0为待显示数据或是初始化控制字。在CLK脉冲作用下,DIN的数据以串行方式依次移入内部16位寄存器,然后在一个LOAD上升沿作用下,锁存到内部的寄存器中。注意在接收时,先接收最高位D16,最后是D0,因此,在程序发送时必须先送高位数据,在循环移位。工作时序图见图7。
由于51是8位单片机故需要分两次来送数据。具体操作见驱动程序详解。

图7 数据读写时序
3 电路原理图
电路原理图
电路原理图如图7,MAX7219与单片机的连接只需要3条线:LOAD(CS)片选引脚、CLK串行时钟引脚、DIN串行数据引脚。其中C1 为电源滤波电容,R1用来设置段电流。 MAX7219的PCB布线有些难度,作者可以提供画好的PCB给读者。有需要的读者请与作者联系。邮箱:zhaoliang_0801@dl.cn

图8 电路原理图
4 驱动程序
//管脚定义
sbit LOAD=P1^2; //MAX7219片选 12脚
sbit DIN=P1^1; //MAX7219串行数据 1脚
sbit CLK=P1^0; //MAX7219串行时钟 13脚
//寄存器宏定义
#define DECODE_MODE 0x09 //译码控制寄存器
#define INTENSITY 0x0A //亮度控制寄存器
#define SCAN_LIMIT 0x0B //扫描界限寄存器
#define SHUT_DOWN 0x0C //关断模式寄存器
#define DISPLAY_TEST 0x0F //测试控制寄存器
//函数声明
void Write7219(unsigned char address,unsigned char dat);
void Initial(void);
//地址、数据发送子程序
void Write7219(unsigned char address,unsigned char dat)
{
unsigned char i;
LOAD=0; //拉低片选线,选中器件
//发送地址
for (i=0;i<8;i++) //移位循环8次
{
CLK=0; //清零时钟总线
DIN=(bit)(address&0x80); //每次取高字节
address<<=1; //左移一位
CLK=1; //时钟上升沿,发送地址
}
//发送数据
for (i=0;i<8;i++)
{
CLK=0;
DIN=(bit)(dat&0x80);
dat<<=1;
CLK=1; //时钟上升沿,发送数据
}
LOAD=1; //发送结束,上升沿锁存数据
}
//MAX7219初始化,设置MAX7219内部的控制寄存器
void Initial(void)
{
Write7219(SHUT_DOWN,0x01); //开启正常工作模式(0xX1)
Write7219(DISPLAY_TEST,0x00); //选择工作模式(0xX0)
Write7219(DECODE_MODE,0xff); //选用全译码模式
Write7219(SCAN_LIMIT,0x07); //8只LED全用
Write7219(INTENSITY,0x04); //设置初始亮度
}
测试程序
void main(void)
{
unsigned char i;
Initial(); //MAX7219初始化
while(1)
{
for(i=1;i<9;i++)
{
Write7219(i,i); //数码管显示1~8
}
}
}
典型应用电路:

史海拾趣
|
摘要:在所研制的新型无触点电力稳压器中,采用晶闸管作为开关器件。文中介绍该系统基本工作原理,详细分析晶闸管在使用过程中存在的一些问题及解决方法。目前流行的电力稳压器大多采用伺服电机带动炭刷移动调整电压。它具有整机效率高、输出波形好 ...… 查看全部问答> |
|
自学成才-电子工程师-找工作 General Electronics Engineer 我从小就有很强的好奇心和动手能力,想知道每一件东西是如何工作的,对自然科学非常着迷。我还记得,小学时因为在课堂上用钉子和电线做电磁铁被批评;初中因为画电路图做收音机被取笑;高中被禁止做一种能开所有教室门锁的万能钥匙。我父亲是一名中 ...… 查看全部问答> |
|
我现在使用c++在pda下需要访问sql server,使用RDA.现在有个问题就是需要实时的和sql server通讯,使用RDA速度总是有2秒左右的延时。 不知道是RDA固有的问题,还是sql server设置的问题? 在PDA上真的没有好的解决方案?不能直接连接sql server?不 ...… 查看全部问答> |
|
最近在看mma7444的资料,看到里面有俩个中断脚,init1和init2,还看到里面讲到脉冲测试,水平测试。不知道脉冲测试和水平测试指的是什么东西?还有为啥有俩个中断引脚?这俩个引脚如何使用?还有大家怎么处理x,y,z轴的校准,以及如何处理得到的数据 ...… 查看全部问答> |




