历史上的今天
今天是:2024年11月09日(星期六)
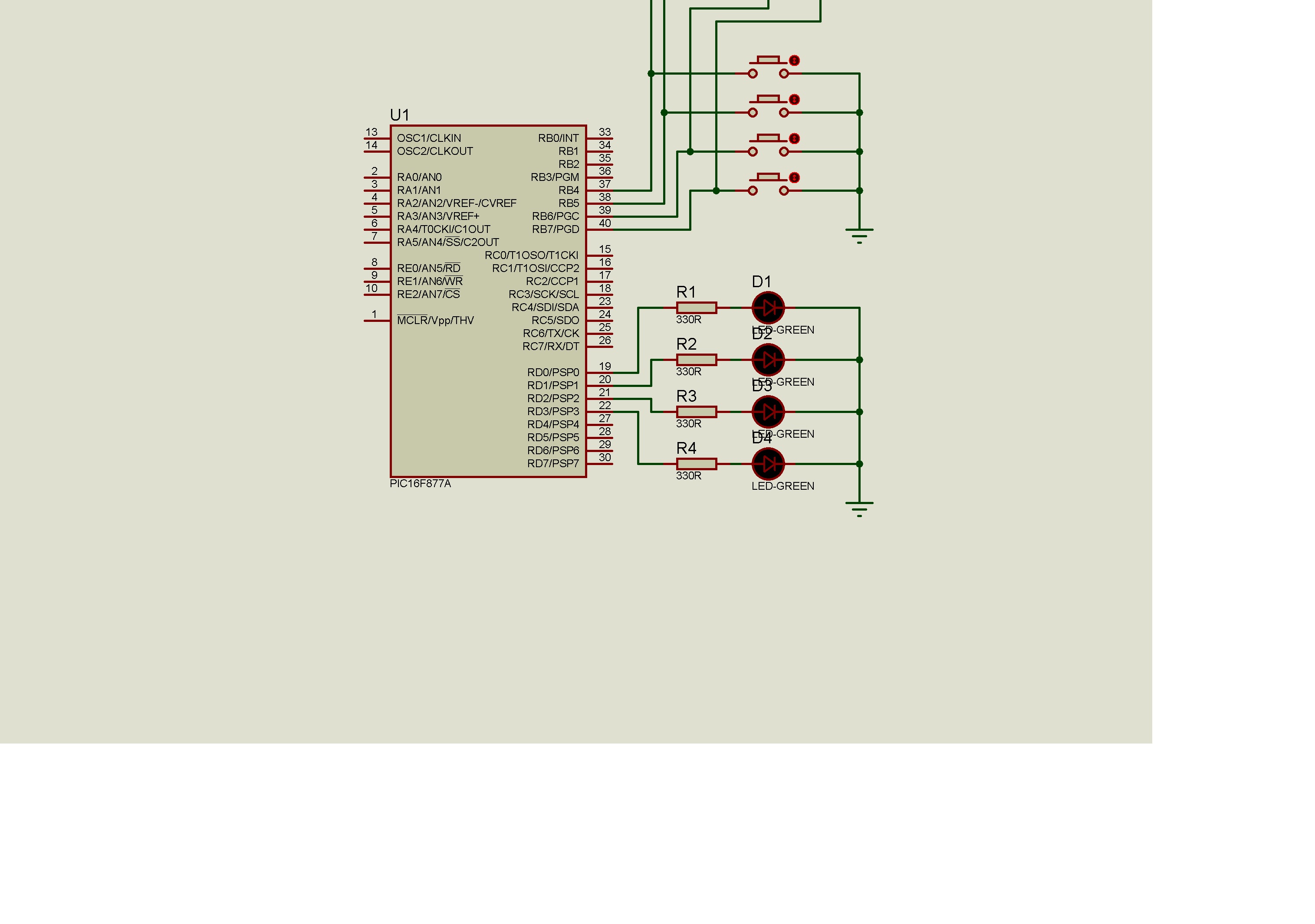
2019年11月09日 | PIC 16f877a PORTB State Change Interrupt仿真与源码
2019-11-09 来源:51hei
PORT Change Interrupt PIC 16f877A

单片机源程序如下:
#define LED_1 PORTd.b0
#define LED_2 PORTd.b1
void interrupt()
{
if(INTCON.RBIF)
{
INTCON.RBIF = 0;
if(!PORTB.B4)
{
LED_1 = 0;
LED_2 = 1;
}
if(!PORTB.B7 )
{
LED_1 = 1;
LED_2 = 0;
}
}
}
void main(){
TRISB = 0XF0;
TRISD = 0X00;
PORTD = 0X00;
OPTION_REG.B7=0; // PORTB dahili pull-up aktif
INTCON.GIE=1; // b黷黱 kesmelere izin ver
INTCON.RBIE=1; // PORTB de餴m kesmesine izin ver
INTCON.RBIF=0; // RBIF bayra瘕n?temizle
LED_1 = 1;
delay_ms(1000);
LED_1 = 0;
while(1)
{
}
}
史海拾趣
|
新手提问,请勿取笑,呵呵。 S3C2410在管脚复用的时候有这样一段代码: //set GPG1 as EINT9 for CS8900A value = INREG32(&pOalPortRegs->GPGCON); OUTREG32(&pOalPortRegs->GPGCON,(value & ~(3… 查看全部问答> |
|
问题是这样的: 现在我用C#做了一个wince的项目,在手持机设备上运行的, 设备上就运行我的这个程序,什么网络,数据库连接,在程序一运行,全部加载完毕 就是让客户有傻瓜式的感觉,现在功能基本上都实现的, 但是如果周围有其余的无线网络,手持机就会 ...… 查看全部问答> |
|
产品最初正常工作,内核和应用程序都好的。过了一段时间后启动异常。 步骤是开机Bootloader启动,启动时加载了LOGO界面填充了液晶的显示缓冲区,后来就停在这里了。 我可以按照原来的方式烧内核,更换了画面也可以显示。 重烧了BOOTLOADER后也没 ...… 查看全部问答> |
|
STTT系列热电偶温度传感器 STTT系列热电偶温度传感器采用不锈钢外壳封装,内部填充导热材料和密封材料灌封而成,尺寸小巧,适用于仪器仪表,精密恒温设备等温度的测量。 综述 温度是表征物体冷热程度的物理量。温度只能通过物体 ...… 查看全部问答> |
|
请问各位我用的是2812,但是定义了2维数组后,就会提示数据溢出,请问为什么?谢谢 我定义了 int a[8][16]; int b[8][16]; 但是在使用中只能用到a[2][16];b[2][16];如果大于就会编译通不过,提示h0溢出, 但是我查看变量时,每个变量又都会有地址,没有重叠,请问为什 ...… 查看全部问答> |
|
LM3S系列的芯片对于芯片有固化驱动库和没有固化驱动库的区别 LM3S系列的芯片对于芯片有固化驱动库和没有固化驱动库的区别 今天在选型的时候发现,有一个区别,对于有Stellarisware in rom 和没有Stellarisware in rom的LM3S型号的芯片在使用驱动库函数的时候有什么区别吗,固化和没固化有什么优势吗?… 查看全部问答> |
|
我淘了红外释电模块今天,接上了。由于就三根线。所以很容易就接上了。 模块5V接SYS_5V 模块输出接P1_7 模块地接GND 当有人接近时,模块输了高电平。其实那人就是我。只是我得动才行。我不动它也不亮。原来是这样。 唉。我原来以为一直高电平 ...… 查看全部问答> |




