历史上的今天
今天是:2025年01月02日(星期四)
2020年01月02日 | 揭秘如何保证EPS稳定可靠
2020-01-02 来源:eefocus
汽车行业蓬勃发展,驾驶汽车的人越来越多,操作汽车方向盘也变得尤为熟悉和重要,其稳定可靠直接影响驾驶员的驾驶体验,而助力转向系统起到关键的作用,本文我们来聊聊当今主流的电子助力转向系统如何保证稳定可靠。

一、汽车助力转向系统发展历程
汽车助力转向系统从最早操作费力的传统机械转向系统,发展到机械液压助力转向系统,到当下普遍的电子液压助力转向系统,已经是在助力转向系统的发展历程中有了质的飞跃。现如今随着节能环保与智慧安全已成为时代发展的主题,电子助力转向系统(Electronic Power Steering,简称 EPS)随之诞生。在电子液压助力转向系统的基础上去除了液压助力系统,使得汽车助力转向系统变得更环保,更节能,更人性化,更安全可靠。
二、如何保证 EPS 工作稳定可靠
为了保证 EPS 电控系统工作稳定可靠,在整个核心控制单元的前端到后端的所有行为应得到相应的监控,并且采用的 IC 都应符合 ISO 26262 标准安全要求,应对在汽车内部恶劣的环境。本文介绍方案采用集成 CAN/LIN 收发器,功能安全等级 ASIL D 的电源 SBC 芯片负责互联互通和电源监控管理,配合功能安全等级 ASIL D 的主控 MCUSPC5744P,主控中集成独立于 MCU 的 FCCU 错误检测控制单元,结合 SBC 对 FCCU 的监视,来提高系统的鲁棒性及稳定可靠。

图 1 功能安全等级故障、失效率指标

图 2 EPS 控制方案介绍
主控 MCU:SPC5744P 除了满足安全等级 ASIL D 以外,还带有相对于 ARM 框架更丰富的外设资源,以及最高能达到 384K RAM 空间和 2.5M 的 Flash 空间,在主频 200MHz 的锁步双核下,提供了更高的系统灵活性,轻松应对各种汽车电子控制应用需求。锁步双核的校验核执行和主核相同的指令,校验运行的指令是否正确。如果出现不匹配,则触发 FCCU 故障进行错误处理。且 FCCU 模块支持高达 74 个错误源,对应不同的错误源做出不同的响应,提高整个系统控制的稳定可靠性。
系统基础芯片:使用 FS6500 家族的芯片,提供稳定可靠的电流电压给系统正常运行工作,还集成了 CAN/LIN 收发器,简化设计,减少系统 PCB 的大小。在主控 FCCU 监控系统的所有行为的同时,SBC 提供监视主控的高级看门狗、电压水平检测、FCCU 监视等功能。
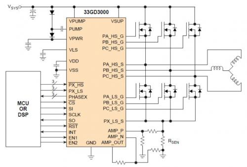
预驱:GD3000 三相预驱,集成三个半桥预驱和一个电荷泵,门极驱动能力可以达到 2.5 A,可以灵活的配置驱动输出能力,同时满足 AEC-Q100 标准。

图 3 GD3000 框图
磁性旋转位置传感器:AS5147 支持 DAEC 动态角度误差补偿,11 位二进制增量脉冲计数,可编程的零位位置,支持 14 位分辨率,满足 AEC-Q100 0 级标准。
场效应晶体管:车规级的 MOSFET,使用电荷平衡技术,具有低导通电阻和较小的栅极电荷性能。以最小化传导损耗,提供优异的开关性能,并能承受极端的 dv/dt 率。
EEPROM:在 EPS 系统中,针对重要的数据,配备车规级的 EEPROM 存储,存储重要的数据以及备份。
史海拾趣
|
本帖最后由 jameswangsynnex 于 2015-3-3 19:57 编辑 然国际金融危机给家电业带来了不小的冲击,但是受益于家电下乡、以旧换新等一系列利好政策,2009年我国的高端冰箱市场出现了快速增长的态势。另外,随着低碳理念的深入人心,企业节能技术不断 ...… 查看全部问答> |
|
问一下MSP430f42xx里的SAD( Sigma-Delta A/D)怎么用啊? 本帖最后由 paulhyde 于 2014-9-15 09:44 编辑 Sigma-Delta A/D 原理基本不懂····和逐次比较的有什么不同?还有怎样操作它? … 查看全部问答> |
|
0 引言 在现场测控系统中,RTU(远程测控终端)存储容量、存储数据的转移问题始终是RTU的重要环节。RTU的存储容量一般为几十K~几百K字节,数据转移通常采用不掉电静态RAM、EEPROM存储模块,或采用便携式计算机通过串行口读取RTU数据。 ...… 查看全部问答> |
|
最近在学习launchpad,中断方面困难重重。。。我想实现这样一个功能:P1.1设为输入,连接一个按键,然后利用中断判断按键按下的时间,要是短按的话就LED1翻转,长按的话LED2翻转。这样的话,我知道应该用捕获模式获取时间信息对吧,但是实现过程一 ...… 查看全部问答> |
|
想玩LCD AND TOUCH BOOSTERPACK的坛友们请看进来 小版今天把手上给LCD AND TOUCH BOOSTERPACK准备的物料都用了,一共做了4个BOOSTERPACK。 其中000号留在我这儿做进一步的开发和调试;001号还有他用,暂时不公布; 独乐乐不如众乐乐,002号和003号就分给坛友们一起玩。 小版收取BOOSTERPACK的工 ...… 查看全部问答> |




