历史上的今天
今天是:2025年01月09日(星期四)
2020年01月09日 | 低边驱动在汽车前照灯随动转向系统中的应用用
2020-01-09 来源:EEWORLD
汽车前照灯随动转向系统(AFS)结合汽车转向等信息实时控制车灯方向,减少盲区。该系统中步进电机的驱动芯片必不可少,本文将简单介绍 AFS 系统的实现,推荐两款能同时驱动两个步进电机的低边驱动芯片NCV7240 和 NCV7754。

一、会动的前照灯
随着技术的发展以及人们对驾驶安全的追求,汽车前照灯随动转向系统(AFS)也越来多地用在各个品牌的车身上。在以往,大部分汽车的前照灯的照射角度是固定的,当汽车在弯道上行驶时,由于光束不能偏转,会因为行驶角度问题出现一定的“盲区”,这在一定程度上会影响驾驶的安全。在光线固定的情况下,这个盲区是不可避免的,如果给汽车的前照灯加装上电机,让车灯能根据汽车转弯的方向跟着转向那就能解决这一问题,让行车更加安全。跟随汽车转向而转动的前照灯就是这里要说的汽车前照灯随动转向系统(AFS)。

图 1 无 AFS 和有 AFS 对比
当汽车转弯时 AFS 系统根据汽车转向盘的的转角以及瞬时车速作为控制器输入参数, 根据设计的控制计算得到与车速和转向相适应的车灯转角调整车灯光束的水平方向,确保车辆在转弯时无延迟地对准即将进入行驶人视野的路面。车身会因为前后负载不同和加速减速等原因,改变纵倾的角度。所以还需要根据车身的前后桥传感器信号来调节前照灯垂直方向,以适应不同道路坡度的照明需求。
1. AFS 执行器构成
一个完整的 AFS 系统包括主控制器,照明灯和控制照明灯调整角度的执行器,执行器主要就是驱动两个步进电机在水平方向和垂直方向控制照明灯的角度。其中驱动芯片可以使用步进电机专用的芯片,也可以使用多通道的低边驱动器,比如 ON 公司推出的汽车级八通道低边驱动器就很适合用于该系统。每个步进电机使用四个低边通道,这样每个八通道低边驱动器就可以驱动两个步进电机。每个执行器只需要一个 MCU,一个低边驱动芯片即可对一个前照明灯进行水平和垂直方向上的控制。

图 2 AFS 执行器框图
2. 低边驱动芯片介绍

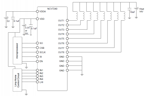
图 3 典型应用电路
NCV7240/NCV7754 是车用八通道低边驱动器,每通道提供高达 600 mA(NCV7754 是 500mA)的驱动能力。NCV7240 和 NCV7754 的主要区别在于驱动能力,NCV7754 的驱动能力稍微弱一点,其他功能基本没有差异。
通过 SPI 端口进行输出控制,可以方便地报告开路负载(或对地短路),过载和温度过高的故障。另外,还可以通过 INx 引脚对输出进行并行控制(成对)。每个输出驱动器都有电流过载保护,内部还有两个齐纳二极管保护驱动晶体管免受因为电机关闭而产生的反电动势的影响。
特点和优势
有 8 路驱动通道,集成度高,节省电路板空间;
16 位 SPI 控制能进行 8 位帧错误检测,进行菊花链连接;
支持 PWM 操作;
休眠和待机模式下静态电流低,能满足汽车模块静态电流要求;
兼容 3.3V 和 5.0V 的输入电平,适用于多种 MCU 接口;
能进行空载,过载和过热的故障报告;
NCV7240 提供 8 个独立的 600mA 功率晶体管,其源极连接参考接地引脚,漏极连接引出到各个引脚,从而产生 8 个独立的低边驱动器。输出驱动器全部位于芯片的同一侧,方便 PCB 设计。内部带有钳位设计,可以在切换感性负载时限制瞬态电压。每个输出的过载检测电流为 0.6A,内部还设置有滤波器设置了 3S 的延迟时间避免正常工作期间出现电流尖峰引起误操作,过流时间超过 3S 后,驱动器将关闭并保持锁定状态,必须要用 SPI 清除相关标志才能继续工作。
NCV7240 包含八个独立的热传感器,位于每个输出驱动器附近。当检测器检测到过热事件(通常为 175℃)时,通道将被锁存。在该通道被锁存的时候还可以操作未受影响的通道。
在芯片的 EN 脚使能后可以通过 SPI 为每个通道选择待机模式,输入模式,开启模式和关闭模式。方便 MCU 对驱动芯片进行控制。空载,过流和过热都可以通过 SPI 进行反馈,方便 MCU 实时了解芯片状况。
史海拾趣
|
current license file does not support the …… device 我用的是Quartus9.1,不过选哪个器件编辑都会有这个问题… 查看全部问答> |
|
bootLoader中“unresolved external symbol”问题 在BootLoader的main.c的OEMPreDownload()函数调用nand.cpp文件中的ReadOSImageFromBootMedia()函数,编译的时候一直出现: BUILD: [01:0000000651:ERRORE] main.obj : error LNK2019: unresolved external symbol ReadOSImageFromBootMedia refere ...… 查看全部问答> |
|
最近接到了一个新的传感器--TCS230. 在网上查了些资料,感觉到这个片子可能很没有像51那样成熟,或者成熟了都商业话了,网上的介绍很少,只能硬着头皮研究官方的英文,初步了解TCS230的工作原理。 首先,了解一下工作流程: 1。校准为白色(白 ...… 查看全部问答> |
|
【玩转C2000 Launchpad】SCI+ADC+NIKIA5110 做了一个下午的PLC实验,晚上才有时间发一个贴! 照例上完整工程: 演示视频: 28027的SCI模块具有以下几个特点: 1、和普通I/O 口共用发送SCITXD 和接收SCIRXD引脚; 2、四种错误判别机制:极性(parity)、溢出(overrun)、帧(framing)、 ...… 查看全部问答> |
|
看safertos_demo这个例程有点晕乎啊,比如我只做两个任务:液晶屏显示以及lwip收发数据这两个任务,具体该怎么操作呢?比如说先建立两个任务源文件,然后启动任务调度器啥的,,,,… 查看全部问答> |
|
我想问一下,目前我已经可以用msp430afe253能实现测量出当机器工作时候的电压,换算成电流之后误差能在1-2mA,可是当机器待机的时候,对于这个精度不行,因为想外接一个ad,能在待机的时候,用这个ad转换器能测出误差在1-2uA,请问各位有没有什么可 ...… 查看全部问答> |
|
将25V左右的电压降至3.3V左右,低功耗要求,不能使用LM2596之类的吗 小白一枚,请教下大神们:我要将25V左右的电压降至3.3V左右给后端的MSP430和加速度传感器使用。要求低功耗(因为是利用的电磁振动发的电),有什么好的降压芯片推荐吗?是不是完全不能使用LM2596这些线性降压芯片哦。。。只能用DCDC吗?如果是,推 ...… 查看全部问答> |




