历史上的今天
今天是:2025年01月15日(星期三)
2020年01月15日 | 什么叫齐纳二极管稳压器
2020-01-15 来源:EEWORLD
目标
稳压器是一种让负载上的输出电压保持恒定而不随负载电流变化的电路。例如,负载可以是微控制器系统,这就要求电源电压保持恒定,即使其电流会随着系统活动的变化而变化。图1中的齐纳二极管稳压器提供了一种非常简单的方法来将负载电压VL保持与齐纳二极管的反向击穿电压相同的值,只要负载电阻RL保持在高于某一下限。电压源VIN和电阻RS通过戴维宁等效电路模拟了输入电路特性,比如将一个高电压(如120 V交流电源)转换为未经调节和滤波的较低直流电压源。
材料
ADALM2000主动学习模块
无焊面包板
1个1 kΩ电阻(RS)
1个5 kΩ可变电阻、电位计(RL)
一个齐纳二极管(1N4735或类似产品)
指导
使用1N4735 6.2 V齐纳二极管在无焊面包板上构建图1所示电路。使用AWG1(5 V恒定)和–5 V Vn用户电源作为直流电源VIN。RL使用各种固定和可变电阻。

图1.齐纳二极管稳压器

图2.齐纳二极管稳压器面包板电路
程序步骤
步骤1
对于下列值的RL,使用Scopy电压表测量 VL以监视并报告负载电压VL:
开路(见图3)
10 kΩ(见图4)
1 kΩ(见图5)
100 Ω(见图6)

图3.RL = 开路齐纳二极管稳压器波形

图4.RL = 10 kΩ齐纳二极管稳压器波形

图5.RL = 1 kΩ齐纳二极管稳压器波形

图6.RL = 100 Ω齐纳二极管稳压器波形
步骤2
用5 kΩ电位计替换负载RL,并调节电位计以确定VL保持在齐纳电压VZ的10%以内的RL的最小值。测量并报告设置的电位计电阻。该阻值与RS的值有何关系?
进一步探索
使用步骤2所述的操作,利用示波器通道2测量RS中的电流,并在示波器XY模式下绘制齐纳二极管两端电压与电流的关系图,研究齐纳二极管的电流/电压特性曲线。务必调整水平电压范围和偏移,以将6.2 V击穿电压包括在内。讨论您的结果,尤其要讨论齐纳二极管与常规二极管的相似和不同之处。
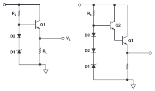
驱动更大负载电流
正如我们在图1的简单齐纳二极管稳压器中看到的那样,最大负载电流由电阻RS决定。另外,相对于最大电流,该电路在较小负载电流下的效率非常低,因为当负载中的电流较小时,额外电流会流入齐纳二极管。相对于如图2所示的稳压电路,增加一个射极跟随器或达林顿射极跟随电流放大器可以大大提高稳压电路的效率。
附加材料
两个NPN晶体管(2N3904和TIP31)
两个小信号二极管(1N914或类似元件)

图7.添加一个电流放大器级
指导
D1使用1N4735 6.2 V齐纳二极管,Q1使用2N3904或TIP31功率晶体管,在无焊面包板上构建图7所示的任一电路。Q2可以是2N3904,D2、D3可以是1N914。
增加二极管D2与齐纳二极管串联,用以部分抵消射极跟随器Q1引起的额外VBE压降。类似地,在达林顿配置中添加两个二极管(D2、D3),同样用来部分抵消达林顿跟随器的两个VBE压降。
史海拾趣
|
就安全防范手段而言,安全防范包括人力防范、实体(物)防范和技术防范三个范畴,其中人力防范、实体防范是古而有之的传统防范的基础。 用于安全防范的专门技术就是安全防范技术。在国外,安全防范技术通常分为三大类:物理防范技术、电子防范技术 ...… 查看全部问答> |
|
本文以经典的80C51单片机为例,利用工作状态及其状态迁移的新概念、新观点和新方法,揭示一些单片机运作的内在规律,对于单片机学习者和应用开发者具有一定的启迪作用和实际意义。 1 单片机的工作状态及其状态迁移 80C5l单片机的各种活动,可以 ...… 查看全部问答> |
|
写第一个基于ARM9的wince驱动的时候,参照人家的例子,加入这个函数,但是本质上的作用是什么我不清楚?看不明白~求教 volatile IOPreg *s2440IOP = (IOPreg *)IOP_BASE; volatile INTreg   ...… 查看全部问答> |
|
哪位能提供SAMSUNG 6410、6400的样片或知道国内哪家有卖的? 提供个联系方式好吗? 或给我Email:haly-5478@sohu.com… 查看全部问答> |
|
我开了2个TCPIP通信,一个作为TCPIP CLIENT连接计算机服务器,一个作为TCPIP SERVER作为WEB服务器,查看模块设置信息等,现在的问题是当计算机服务关闭时,TCPIP CLIENT不停的重连接服务器,这时访问TCPIP SERVER的WEB服务器, ...… 查看全部问答> |




