历史上的今天
今天是:2025年01月15日(星期三)
正在发生
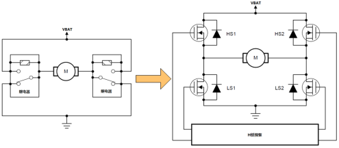
2020年01月15日 | 技术文章—车载有刷直流电机驱动如何选择?
2020-01-15 来源:EEWORLD
摘要:越来越多的电机已被应用到汽车上,选择一个符合汽车等级要求的有刷直流电机驱动,可简化设计以及提高安全性能。本文为您介绍符合汽车等级要求的功能增强型的H桥预驱芯片HCV7535。

历史上的今天
今天是:2025年01月15日(星期三)
2020-01-15 来源:EEWORLD
摘要:越来越多的电机已被应用到汽车上,选择一个符合汽车等级要求的有刷直流电机驱动,可简化设计以及提高安全性能。本文为您介绍符合汽车等级要求的功能增强型的H桥预驱芯片HCV7535。
