历史上的今天
今天是:2025年02月11日(星期二)
2020年02月11日 | 充电电池容量测试仪实现方案
2020-02-11 来源:elecfans
电池容量是衡量电池质量的重要指标。充电电池的容量测试有很多的方法。可以依据电池的放电曲线,进行短时间放电,从而粗略得出电池容量。这种方法最大的优点是快速,但是充电电池的放电曲线并不具有普遍性,很多劣质电池放电初期电压也很平稳,一旦进入中后期,电压下降非常迅速,所以采用这种方法得出的结论将非常不准确的。最可靠最准确无误的还是以标准电流放电,全程测量实际放电时间的方式。不同的放电电流,充电电池最终能够释放出的电量是不同的,有一定的差距。蓄电池的容量标注都是有统一标准的。目前使用最多的是10小时率放电容量与20小时率放电容量两种。10小时率放电容量就是电池以恒定电流放电,至电量耗尽放电时间能够维持10个小时左右,这个电流就被称作10小时率电流(衡量电量用尽的标准,不能以电池放电端电压降低到零为准。电池过度放电,会导致电池容量减少,无法恢复,乃至提早损坏、完全失效。所以每种电池放电终止电压都有严格的规定,这个可以查阅相关资料。过度放电与过度充电是造成充电电池不能达到使用年限、提前报废的主要原因)。实时放电的测量方法最大的缺点就是费时费力,因为耗时久这样测量精度也很容易受到各种外部因素的影响。测量过程中如果用10小时率电流持续放电时间至少都要在5个小时以上,作这样长时间的测试更需要足够的耐心与精力以及充裕的时间。科技的发展是非常迅速,今天单片机已经非常普及了。通过单片机程序控制对放电时间,深度进行自动化控制,就很容易精准测出电池的实际容量,实现整个过程的自动控制。模拟实际放电测量容量的方法虽然对能源有一点浪费,但是对于1A、2A以下的小容量充电电池还是完全可行的,对大容量电池进行抽样检查也是很有必要。
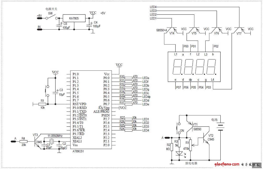
下面介绍的电池容量测试仪采用89S51作为控制芯片,图1就是硬件的电路原理图。

图1 硬件的电路原理图
这个电池容量测试仪由放电电路、单片机控制计时两个完全独立部分组合而成。单片机部分制作费时费力,而且市面上单片机已很普及,没必要亲手制作,随便找一片51单片机实验板就可以了。放电电路则是比较简单的,仅由四五只元件构成。单片机部分主要负责对放电时间计时,最终得到一组可靠的数据,用于电池性能的考量。
这种放电电路的实质就是一模拟可控硅。当我们将待测电池接入电路相应位置时,点按启动键,如果电池尚有余量,则电池两端放电电压将维持在设定值以上,三极管VT1就会瞬间饱和,电池通过电阻R2进行放电。这种电路有可靠精确陡峭的开关特性,VT1绝对工作于饱和截止两种状态之下。通过可调电阻对开关电路临界值(即充电电池放电终止电压)进行调节设定,便可适应于各种不同类型充电电池的全程保护放电。由于个人的应用不需要非常精准的测试结果,所以实际测试中电池模拟放电原则上还是以快些为好,只需要得到一个大致的电池容量。为了较快完成电池测试过程,这里的电路设计采用两小时率电流进行放电。通过对各种电池测量结果的横向比较,容量的差异还是显而易见的,以此作为衡量电池优劣的标准,就已经足够了。这里以1000mAH、1.2V规格镍氢电池测试为例,放电电流500mA就需要采用2Ω的放电电阻,电池终止放电电压应控制在1V以上。放电终止电压通过可调电阻R1来调节设定。普通可调电阻精度较差,且容易产生漂移,会导致设定好的终止电压随时间推移以及使用环境变化产生较大的波动。为了保证放电终止电压的精准且易于设定,R1可以使用3296系列精密可调电位器。3296多圈可调精密电位器的可调范围一般在50T,所以每圈的调节范围为2%,每转动一度,阻值变化大约0.005%,所以很容易调节获得一个精确、稳定的阻值。
终止电压的设定必须在实际放电过程中进行,负载电阻R2阻值变动,已经设定的终止电压也会随之改变,需要重新设置。具体的调试方法就不再详述了,参考一下相关资料。
这个放电电路不需要单独的工作电源,而且与电池种类没有相关性,完全可以适应镉镍、镍氢、锂电池、铅酸电池各种类型蓄电池的保护性放电,只是需要根据电池类型以及容量大小重新设置电路的终止电压及放电电流。如果电池容量相对较高,那么三极管VT1、VT2的耗散功率也要相应加大一些,同时不要忘了加大负载电阻R2的功率。
图2是放电电路的印刷电路图,元件数量少,很容易制作。

图2 印刷电路图
下一篇:开口阱质谱仪的原理及设计
史海拾趣
|
全国硬件工程师实训基地系信息产业部电子教育与考试中心指定的硬件工程师独家教育机构,有着多年的IT业培训经验,与诸多IT企业有着密切联系,经过两年多的精心策划特推出PCB设计工程师,单片机设计工程师,嵌入式系统工程师职业培训,详情请百度搜索\"单 ...… 查看全部问答> |
|
我最近使用W77E58,使用了看门狗复位,原先使用正常,但在其他与看门狗无关的地方作了一些程序修改,之后看门狗工作就不正常了,正常喂狗时没什么问题,但我一停止喂狗后,程序会停下来,只不过它没有从头开始.就死在那里了,不知道为什么,哪位帮帮我.我的看 ...… 查看全部问答> |
|
官方网站有资料,采用的是9B92,有兴趣的可以去看看 [ 本帖最后由 chenzhufly 于 2011-3-5 17:25 编辑 ]… 查看全部问答> |
|
我在使用uC/OSII的时候遇到一些问题:使用ICCAVR专业版6.31编译的时候出现如下的信息:C:\\icc\\bin\\imakew -f MainController.mak iccavr -o MainController -LC:\\icc\\lib\\ -g -uc ...… 查看全部问答> |
|
本帖最后由 jameswangsynnex 于 2015-3-3 20:01 编辑 现在看到很多智能吸尘器(如:KV8,Deepoo等)都带有自动充电功能。 现在想询问一下,是怎样让吸尘器自动找到充电座,然后准确对接的,对这个问题很是困惑,没有一个好的解决方案。 ...… 查看全部问答> |




