历史上的今天
今天是:2025年02月21日(星期五)
2020年02月21日 | DIY自制PIC单片机编程器电路PCB
2020-02-21 来源:eefocus
简介: K128PICP单片机编程器,由国外PIC单片机爱好者制作,适用于对PIC单片机F系列近百种芯片进行读写。该编程器使用USB接口编程,并且从USB取电,编程高压由监控芯片PICl6F628产生的脉冲信号倍压整流后得到。
K128PICP单片机编程器,由国外PIC单片机爱好者制作,适用于对PIC单片机F系列近百种芯片进行读写。该编程器使用USB接口编程,并且从USB取电,编程高压由监控芯片PICl6F628产生的脉冲信号倍压整流后得到。省掉了独立的电源。
通过制作和使用K128,感觉对初学者来说有以下困难:1.USB到RS232串口的转换芯片FT232BM是贴片封装,必须使用PCB板安装。
不能使用万能板,焊接比较困难:2.FT232BM要装驱动程序,上位机软件不能自动找到编程器。
必须在计算机的设备管理器中找到模拟的串口号,再在软件中设置串口,有时候还和其他uSB驱动程序有冲突。
针对上述问题,加之发现上位机软件和编程器的监控软件都是针对串口写的。对该电路做了一些修改,去掉FT232BM.改用串口编程,保留USB口取电,使得制作和使用都很方便,成本也比原来的低。
一、硬件电路编程器
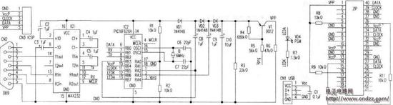
电路见附图,主要由串口电平转换电路、监控电路和编程插座等组成。
串口电平转换电路由MAX232、C2一C5等组成,其作用是进行RS232传输协议电平和TTL电平的相互转换。
监控电路由16F628A、晶振B等组成。用来产生编程所需的各种肘序信号和进行编程数据的传输。VDI—VD3、C8一C10配合16F628A⑴、⑵脚输出的脉冲信号组成三倍压整流升压电路,产生约12.6V的VPP编程电压。发光二极管VD4作编程指示。
ZIF为40脚的万能锁紧插座,8~40脚DIP封装的芯片可以直接插在上面进行编程,其他芯片可采用ICSP下载方式进行编程。使用时程序会根据你所选的芯片自动给出提示。CN3为ICSP编程连线插座。
二、制作过程
1.元器件选择与安装
ICl使用MAX232,IC2使用16F628或16F628A。其余元件参数见附图。使用一块万用PCB板进行安装,串口连线和uSB取电连线可以用插座连接,也可以直接焊接到相关插头。安装时,IC2要使用IC插座,待16F628写好监控程序后再插入。
2.烧写监控芯片
16F628的程序必须借助其他编程器烧写。目标文件为DIYKl28.HEX.可以在编程器控制软件diyPACk25的安装目录中找到。 以使用TOP2005编程器为例。在检查确认硬件电路没有错误后。再将监控芯片插到电路板上。
3.编程控制软件的下栽、安装
编程控制软件的安装只要一步一步按确定键即可。

三、使用说明
1.软件设置使用前要对串口号和编程器的型号进行设置,将编程器接好,先接串口连线,再接USB连线。打开软件。首先点击File子菜单的Port选项,如果计算机只有1个串口(大部分计算机都只有1只串口),端口填1即可,如果计算机有两个串口。只需要填人对应的端口号即可。如果拿不准,l和2都试一下。然后设置编程器的型号。这里选K128。
2.软件使用
在进行编程操作之前,要对芯片型号进行选择。根据你选择的型号。
软件会给出被烧录芯片在锁紧座上的位置,锁紧座上芯片放置的位置就是选择12F675所对应的位置对于那些不能直接在锁紧座上编程的芯片。
软件会提出使用ICSP下载方式。如选择10F200芯片。
选择好芯片后,按Load按钮打开待烧写的目标文件,如果程序中已用一CONFIG命令对单片机的配置字进行了定义,则可以直接按Program按钮进行编程。如果程序中没有对单片机的配置字进行设置,应先打开Fuses按钮进行设置,然后再编程。
编程器和计算机连接后发光二极管是点亮的。在进行编程等操作过程中发光二极管会闪烁。
上一篇:PIC看门狗定时器WDT的理解
下一篇:声音引导系统完整硬件设计和源代码
史海拾趣
|
产品有了新需求:要求长按power键3秒钟,系统进入suspend状态;再长按power键3秒钟,唤醒系统。长按3s让系统suspend这个很好做,但是长按3s唤醒系统就让我郁闷了,这个似乎是控制不了,把power键设置为唤醒源之后,只要短按power键中断上来,系统就 ...… 查看全部问答> |
|
能否实现两个GPRS模块上网后点对点的信息交互? 怎样才能实现两个模块之间的通信呢?哪怕通过中转服务器也可以... 我不是通信专业的,搞不太清楚,请各位大牛帮忙,跪谢. 我的邮箱是veyou@yeah.net… 查看全部问答> |
|
5402和GAL16V8D输入端之间需不需要加164245? 请问,在5402和5V供电的GAL16V8D输入端之间需不需要加一片164245?我看芯片资料,GAL16V8D的VIH是2V。… 查看全部问答> |
|
这是我写的一段测试ad转换速度的程序,但是硬件仿真时发现怎么都进不了定时器中断,换成DCO时钟源也不行,不知问题出在哪里,希望各位牛人指点,谢谢!!!! #include <msp430x14x.h> #define uint unsigned int #define uchar unsi ...… 查看全部问答> |
|
本帖最后由 dontium 于 2015-1-23 13:14 编辑 AC 感应电机 (ACIM) 是消费电子类应用和工业应用中最受欢迎的电机,代表了工业革命的力量。 十九世纪末,Nicola Tesla 首次 ...… 查看全部问答> |




