历史上的今天
今天是:2025年03月03日(星期一)
2020年03月03日 | 技术创新—FPGA运算单元可支持高算力浮点
2020-03-03 来源:EEWORLD
随着机器学习(Machine Learning)领域越来越多地使用现场可编程门阵列(FPGA)来进行推理(inference)加速,而传统FPGA只支持定点运算的瓶颈越发凸显。 Achronix为了解决这一大困境,创新地设计了机器学习处理器(MLP)单元,不仅支持浮点的乘加运算,还可以支持对多种定浮点数格式进行拆分。
MLP全称Machine Learning Processing单元,是由一组至多32个乘法器的阵列,以及一个加法树、累加器、还有四舍五入rounding/饱和saturation/归一化normalize功能块。同时还包括2个缓存,分别是一个BRAM72k和LRAM2k,用于独立或结合乘法器使用。MLP支持定点模式和浮点模式,对应下面图1和图2。

图1 定点模式下的MLP框图

图2 浮点模式下的MLP框图
考虑到运算能耗和准确度的折衷,目前机器学习引擎中最常使用的运算格式是FP16和INT8,而Tensor Flow支持的BF16则是通过降低精度,来获得更大数值空间。下面的表1是MLP支持的最大位宽的浮点格式,表2说明了各自的取值范围。

表1 MLP支持的最大位宽的浮点格式

表2 不同运算格式的取值范围
而且这似乎也成为未来的一种趋势。目前已经有不少研究表明,更小位宽的浮点或整型可以在保证正确率的同时,还可以减少大量的计算量。因此,为了顺应这一潮流,MLP还支持将大位宽乘法单元拆分成多个小位宽乘法,包括整数和浮点数。详见下表3。
值得注意的是,这里的bfloat16即Brain Float格式,而block float为块浮点算法,即当应用Block Float16及更低位宽块浮点格式时,指数位宽不变,小数位缩减到了16bit以内,因此浮点加法位宽变小,并且不需要使用浮点乘法单元,而是整数乘法和加法树即可,MLP的架构可以使这些格式下的算力倍增。
表3是Speedster7t系列1500器件所支持的典型格式下的算力对比,可以看到,单片FPGA的浮点算力最高可达到123TOPS。

表3 Achronix的Speedster7t系列1500器件支持的典型格式的算力对比
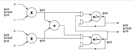
下图3是MLP中FP24/FP16乘加单元的简化结构图,即一个MLP支持FP24/FP16的A*B+C*D,或者A*B,C*D。

图3 MLP中FP24/FP16乘加单元的简化结构图
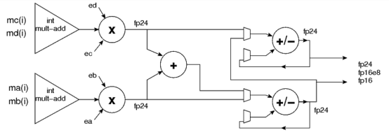
而以下的图4则是块浮点乘加单元结构。

图 4 块浮点乘加单元结构
这里考虑浮点数序列块
,浮点数序列块
,各序列块内均拥有相同的指数ea和eb。则![]()
不难看出,乘法单元的个数取决于尾数(即整数)位宽。

表4 MLP中乘法单元的个数与整数位宽的关系
史海拾趣
|
做芯片这行好几年,各种技术会议也参加了不少,只是飞思卡尔的技术论坛还没有去过。一直想参加,毕竟属于行业的老大啊!可是哪有那么容易! 今年的飞思卡尔大学生智能车赛开办了一个博客大赛,参与投票的工程师就有机会参加技术论坛。赶紧去投 ...… 查看全部问答> |
|
四川省大学生电子设计竞赛西南科技大学赛区竞赛题目-远程温湿度测量系统 本帖最后由 paulhyde 于 2014-9-15 04:20 编辑 电子竞赛题目-远程温湿度测量系统 一、电子竞赛题目任务: 制作一个远程温湿度测量仪,该测试仪具有温湿度测量和远程显示等功能。其结构框图如下: 二、电子竞赛题目要求: 1、基本要求 ( ...… 查看全部问答> |
|
关于AGC(Automatic Gain Control)和ADC “100分哦” 请教各位达人,我想找一款内置AGC功能的ADC,ADC最好为12bit,20MSPS 我网络上找了一些资料都没有发现有这样的ADC,许多电路都是内置模拟AGC再加一个ADC来实现的 谁能告诉我有没有这样的ADC啊?有的话提供型号,最好能有PDF文档,立即送100分… 查看全部问答> |
|
C167CR是汽车电子行业应用比较广泛的一种单片机,我正在做相关项目,在这里介绍一下其存储器及外部总线,和大家分享。 (第四点是针对评估板kitCCON-167评估板所作的相关寄存器配置) 1.最大寻址空间是16M 2.片内存储器 &nb ...… 查看全部问答> |
|
因工作繁忙,本人现转让一全新的ARM7开发板:EasyARM2131开发平台 地点:上海市闵行区 电话:13681848395 清单如下: 1.EasyARM2131开发实验板 1 台 2.EasyJTAG-H 1 只 3.SD CARD PACK 1 块 4.杜邦-1P测试线 9 条 5.20P仿真电缆 1 条 6.R ...… 查看全部问答> |
|
STM32的USB2.0的速度可以到多少?12Mor480M? 手册上说: USB 2.0 full speed interface但是文件又说:The STM32F103xC, STM32F103xD and STM32F103xE performance line embed a USBdevice peripheral c ...… 查看全部问答> |




