历史上的今天
今天是:2025年03月20日(星期四)
2020年03月20日 | 你知道地震信号是如何检测出来的吗
2020-03-20 来源:EEWORLD
摘要
地震对密集的商业和住宅区以及所有类型的建筑物构成了重大威胁。随着这些区域越来越大,建筑物越来越多,地震监测需要实现一个广泛的传感器网络。由于成本高且复杂,传统仪器不能胜任。使用微机电系统(MEMS)加速度计和坚固耐用的小型地震检波器,可以开发低成本物联网(IoT)解决方案。有源元器件和转换器的最新技术使这些传感器能够达到现代仪器标准。ADI公司为地震传感器网络应用提供简单但可靠的仪器设计解决方案。
简介
随着世界相互联系和相互依存的程度越来越高,中型和大型地震可能会造成重大的经济破坏和损失。发生在任何脆弱城市中心地区的大地震,都会对中心地区的国民经济及其企业提供服务和全球参与的能力产生连锁反应1。应认识到地震风险是一个全球性问题,提高地震监测能力以减轻这种风险是至关重要的责任。
改进地震监测的一个关键因素是地震传感器网络的实现,这需要广泛部署地震仪器并将其互连2。然而,安装大量传统地震仪器的成本和复杂性均很高3 。集成物联网技术可提供低成本解决方案,同时维持标准地震数据质量4。本文讨论地震和地动传感器的物理原理、遵循的现代仪器标准以及它们提取的特征。此外,针对不同地震传感器网络应用,我们开发了一个采用ADI解决方案的系统设计。
地震
地震是由构造板块的运动和碰撞引发的事件。碰撞产生的能量以地震波的形式在地球内部表面周围传播。这些波有多个方向,分为体波和面波。
体波有两种类型:纵波(P波)和横波(S波)。P波以一系列压缩波和稀疏波的形式沿传播方向行进。由于其传播的性质,P波呈球面发散。虽然其波能衰减在所有类型的波中是最大的,但其速度最快,介于 5 km/s 至 8 km/s 之间。快速能量衰减也使其成为破坏性最小的一类波。P波不仅可以通过表面传播,还可以通过水或流体传播。
S波也称为剪切波,紧随P波之后到达。其沿地球表面传播的速度约为P波的60%至70%。此类波垂直于传播方向和地球表面行进。S波的能量衰减较少,比P波更具破坏性。P波和S波统称为体波。


图1.地震波的类型:(a) 纵波;(b) 横波;(c) 勒夫波;(d) 瑞利波5
面波比体波慢10%,但破坏力最大。值得注意的是,地震波的传播速度与其经过的土壤类型有很大关系6。面波由瑞利波和勒夫波组成。瑞利波是一种以纹波形式在地表附近传播的面波,它会引起顺行(沿传播方向)或逆行(与传播方向相反)旋转。由于其运动性质,它也被称为地滚波。勒夫波的行进方向与传播方向正交,但与地球表面平行。图1显示了不同类型的波及其对地球本体的影响。
震级、强度和频谱强度
地震震级和地震强度常常被相互混淆。二者有一定的相关性,但却是两个不同地震参数的量度。
地震强度
地震强度(简称强度)在很大程度上取决于测量位置的特性。它描述地震对特定区域的影响,在世界范围内普遍使用,是一种量化振动方式和破坏程度的传统方法。因此,地震强度没有一个真实的值。地震强度值遵循修正的Mercalli强度量表(1至12)或Rossi-Forel量表(1至10)。不过,修正的Mercalli强度(MMI)现已成为世界的主导标准。表1列出了美国地质调查局(USGS)提供的修正Mercalli量表中的强度值及其相应的影响描述。
表1.简易版修正Mercalli强度量表

确定地震强度的方法有很多7。这些方法使用从以往地震中收集的数据,创建自己的地震动预测方程(GMPE)来预测强度值。推导出的方程式至少使用一个地震动参数或地震动参数的组合,即峰值地震动位移(PGD)、峰值地震动速度(PGV)和峰值地震动加速度(PGA)。早期方程主要基于PGA,有几种使用了PGV和PGD。虽然GMPE使用多个数据库中的数据来建立相关性,但不同模型得出的值仍然差异很大。例如,使用Wald的GMPE,10 cm/s2的PGA值得出的MMI值为3.2。而根据Hershberger的GMPE,10 cm/s2的PGA值对应的MMI值为4.43。请注意,大多数GMPE遵循幂律,MMI值每增加一级,PGA值需要指数式增加。式1给出了Wald和Hershberger创建的相关性方程。
式1显示了地震动预测方程:(a) Wald;(b).Hershberger。8
MMI = 2.2log(PGAmax) + 1(1)
MMI = 2.33log(PGA) + 1.5
日本气象厅(JMA)设计了一种地震强度量表,它可以根据强运动三轴加速度数据来计算9。每个轴的加速度时间信号都信息傅立叶变换。图2所示的带通滤波器(由周期效应滤波器、高截止和低截止滤波器组成)应用于每个轴的频率信号。图中还给出了每个子过滤器的数学表示。

图2.计算JMA强度所用加速度计输出信号的带通滤波器:(a) 周期效应滤波器方程;(b) 高截止滤波器方程;(c) 低截止滤波器方程。9
对每个轴的滤波后频率信号进行傅立叶逆变换之后,计算所有三个轴的相应时域信号矢量和的大小。累计持续0.3秒或更长时间的最高加速度值被指定为a0。然后使用式2从a0 计算仪器地震强度,即利用持续时间至少为0.3秒的最高加速度求解JMA地震强度方程9。
IJMA = 2loga0 + 0.94
其中:
IJMA = JMA地震强度(2)
a0 = 持续0.3秒或更长时间的最高加速度
地震频谱强度
地震强度衡量特定位置感受到的地震的影响,而频谱强度(SI)则衡量地震对特定结构施加的破坏性能量的大小10。SI值利用式3所示方程根据速度响应谱来计算。高刚性结构的速度法向周期为1.5 s至2.5 s。SI值针对的是震动速度谱,因此能够轻松区分地震活动与地震或其他来源。所以,SI值可以用作地震对建筑物结构健康影响的标准。此外,与JMA地震强度相比,SI值涉及的计算较为简单,这使其更适合低功率应用。
式3给出了频谱强度方程,即震动速度响应谱对建筑物法向速度周期的积分11。
![]()
其中:
SI = 频谱强度(3)
Sv(T,h) = 频率范围h和周期T的震动速度谱
地震震级
地震震级(简称震级)表示地震在震源处释放的能量。其值不取决于测量位置。实际上,它只有一个真实值,即按照里氏量表指定的数字。有记录的最强地震是1960年代袭击智利瓦尔迪维亚的地震,震级为9.4至9.6。
地震震级与强度之间的相关性尚未完全界定清楚。明确界定二者之间的关系取决于许多因素,包括震源的深度、震源周围的地质组成、震中与测量设备之间的地形类型、设备位置或其距震中的距离等。例如,2017年5月发生在俄勒冈州海岸附近的地震被确定为4级。根据2017年7月的USGS震动图12,蒙大拿州感到的地震强度为5至6级,爱达荷州也感到了相同的地震,但强度只有2至3级。这表明,即使爱达荷州比蒙大拿州更靠近震中,但这并不一定意味着前者感到的地震影响会更强烈。
地震检测
地震检测是指测量和分析地震波的过程。地震波不仅指地震产生的运动,施加在地面上的任何力,即便是人在地面上走路那么小的力,都可能引起足以产生地震波的扰动。地震监测应用感兴趣的地动范围非常大。地震产生的地动可能像纸一样薄,也可能像房屋一样高。
地动可以通过位移、速度和加速度来表征。地动位移通过地球表面行进的距离来衡量。位置变化可以是水平的,也可以是垂直的。地动速度指地表面移动的速度,而地动加速度指地动速度相对于时间的变化速度。地动加速度是确定地震过程中引起结构应力的最重要因素。GeoSIG的一份演示材料中显示了震级、地震动和强度之间的关系13。
用于地震检测的设备属于专用设备。涉及地震检测的应用可以根据其频率范围进行分类。因此,仪器的频率响应曲线必须适合其使用场景。GeoSIG的一张图表显示了不同地震检测应用及其涵盖的频率13。
现代地震仪和地震动传感器概述
地震检测设备通常称为地震仪,已经从使用传统的笔和摆锤发展到使用电子和机电传感器。这些传感器的设计进步产生了具有不同工作频率范围、检测机制和测量不同地震动参数的仪器。
应变地震仪
历史上的地震仪器只能记录地动位移。技术的进步使得通过不同机制来测量地动位移成为可能。应变地震仪或应变仪一般是指记录和测量两个地面点之间位移的仪器14。传统模型使用埋入或安装在钻孔中的实心杆。杆通常注入石英和其他对长度和应变变化高度敏感的材料。长度的变化归因于地动引起的小位移。
另一种实现方式称为体积应变仪,它使用带有充液管的安装在钻孔中的圆柱体15。容器体积的变形会引起液位变化,再通过电压位移传感器转换为地动位移。由于不需要传统模型所需的特殊材料,体积应变仪在该领域得到了更广泛的应用。
激光技术的最新发展使得人们制作出了激光干涉仪,它大大提高了应变仪的精度。此类应变仪使用与不等臂长迈克尔逊干涉仪相同的原理,一点是传感器、激光源和短臂,另一点是反射器,该反射器位于一定距离之外。设备将反射器运动引起的干涉条纹变化转换为地动位移。这种位移测量方法的灵敏度和精度与测量距离的长度成正比。因此,激光应变仪需要非常深的地下设施。
应变仪的精度可以达到十亿分之一。这些设备通常用于测量断层运动和火山活动引起的地球变形或地壳运动。它们可以测量频率非常低的地震波信号。但是,与悬吊质量块相对于地面的运动相比,应变仪的差分地面运动非常小。因此,不建议使用应变仪来检测地震引起的地面运动3。
惯性地震仪
惯性地震仪确定相对于惯性参考的地动参数,惯性参考通常是一个悬吊质量块3。具体来说,地震动参数指的是悬吊质量块的线速度和位移。虽然合成的地震动包括线性和角度分量,但地震波的旋转效应可以忽略不计。这些速度和位移值是从传感器获得的,传感器将悬吊质量块的运动转换为电信号。控制运动的机械悬架与作用在悬吊质量块上的惯性力相关。速度和位移传感器与机械悬架是惯性地震仪的两个主要组成部分。为这两个部分开发精密仪器是现代惯性地震仪的主要设计工作。
力平衡加速度计
机械悬架需要一个较小的恢复力以提高灵敏度,这样较小的加速度也能在悬吊质量块上产生较大位移。但是,当强地震运动产生的大加速度作用于悬吊质量块时,较小恢复力将无法平衡所产生的运动。因此,被动机械悬架的精度和灵敏度只适用于有限范围的地震动加速度。力平衡加速度计(FBA)通过向机械悬架增加负反馈环路来消除此限制。
电磁传感器根据悬吊质量块的位置产生补偿力。该位置由位移传感器转换为电信号,信号随后通过一个积分器模块,产生与地震动加速度成比例的输出电压。FBA的动态范围明显大于采用被动机械悬架的地震仪。因此,该设备通常用于强地震应用。但是,反馈环路引起的延迟会限制设备的带宽。
速度宽带(VBB)地震仪
车辆运动和人为扰动(例如采矿)引起的地震波具有高频地震动加速度。在非常低的频率下,地动加速度以不平衡的悬架、地面倾斜和热效应为主。因此,使用地震动加速度的地震仪的带宽以具体带通响应为限。地震动加速度的带通响应等效于地震动速度的高通响应。因此,为了获得更宽的地震仪带宽,地震信号是以地震动速度记录的。VBB地震仪基于FBA,但不是将悬吊质量块的加速度作为反馈,而是使用其速度和位置。该设备的响应与传统惯性地震仪的理论响应非常相似,但是对于更广泛的作用力,其灵敏度和精度不会降低。
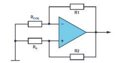
地震检波器和微机电系统(MEMS)加速度计
日益增多的地震应用的趋势是发展地震仪或地震传感器网络和阵列,例如用于地震监测、石油勘探和结构健康监测方面。地震仪的实施、屏蔽和安装是这些应用的三个常见约束条件。设备的规模生产和快速部署能够直接克服这三个常见限制,为此要求地震仪的尺寸和成本相应地缩减。当前有两类传感器技术能够检测地震动;与FBA和VBB相比,它们的尺寸非常小,而且成本低。
地震检波器
地震检波器是一种地震动速度传感器,其重量轻,坚固耐用,不需要任何电源即可工作。现代地震检波器的外壳上固定有一块磁铁,并被一个线圈包围16。线圈被弹簧悬挂起来,可以在磁体上移动。此运动相对于磁铁的速度会感生一个输出电压信号。
图3所示为4.5 Hz地震检波器的仿真频率响应。对于高于其谐振频率的频率范围,地震检波器的频率响应在速度上是平坦的,而对于此频率以下的频率则是下降的。小型且低成本的地震检波器的谐振频率通常高于4.5 Hz。

图3.仿真4.5 Hz地震检波器频率响应,阻尼系数为0.56
根据地震检波器的机械规格可以创建等效电气模型。图4显示了使用SM-6 4.5 Hz地震检波器的机械参数的电气模型。17

图4.使用产品数据表中的机械参数得出的SM-6 4.5 Hz地震检波器的等效电气模型17
为了扩展带宽以覆盖适用于地震检测的较低频率,可以使用周期扩展器。低频响应扩展的三种最常见方法是逆滤波器、正反馈和负反馈。18
逆滤波器
在低于谐振频率的频率上,逆滤波器会补偿地震检波器的滚降。通过级联谐振频率的反相高通滤波器和截止频率为所需降低值的低通滤波器,可以构建逆滤波器。图5显示了逆滤波器的响应以及应用时得到的转换函数。此方法有很多缺点,使得总体结果的信噪比(SNR)较低。粉红噪声会被逆滤波器放大,而且其低频热稳定性很差。

图5.逆滤波器转换函数的频率响应及其对仿真4.5 Hz地震检波器频率响应的影响
正反馈
正反馈是将外部电流馈入地震检波器线圈来实现的,电流会产生一个力作用在悬吊质量块上。此外部电流信号是通过正反馈滤波器(例如积分滤波器)从地震检波器的输出信号中导出的,它会放大低频悬吊质量块的运动。在实际情况中,正反馈滤波器的设计很难保持稳定。
负反馈
与正反馈相反,负反馈会减弱内部悬吊质量块的运动。一种方法是通过降低阻尼电阻来使流过地震检波器线圈的电流过阻尼。但是,这会受到线圈电阻的物理限制。为将阻尼电阻减小到显著低于线圈电阻的值,应添加一个负电阻。负电阻可以通过负阻抗转换器(NIC)等有源器件来实现。这可以通过使用运算放大器(运放)来实现,如图6所示。可以添加带通滤波器和高增益滤波器来对频率响应进行整形并使之稳定。

图6.使用运算放大器的负阻抗转换器的基本架构
史海拾趣
|
目录: 第1章 电沉积量子点――通过半导体与衬底之间的晶格失配控制其尺寸 1.1 引言 1.2 CdSe/Au体系 1.3 半导体点阵间隔的调整――Cd(Se,Te)/Au 1.4 衬底点阵间隔的调整――CdSe/Pd 1.5 在Au和Pd衬底上沉积较厚的层CdS ...… 查看全部问答> |
|
我用T2作中断发生器,串口接收正常,发送不对,不知道哪个设定不比好心人帮帮忙.程序如下#include #include uint08 com1data[15]; uint08 point1=0; uint08 com2data[6]; uint08 point2=0; uint08 sbuf[15]; void initUart(voi ...… 查看全部问答> |
|
看文档SPRAAQ2中用了两个文件,其中对APPCODE的由HEX到BIN用了FILEOSHELL,而对在RAM中运行的程序用了HEX2BIN,这两个有区别吗?… 查看全部问答> |
|
1.紫线电压只有3V左右。 0 C( H\" k3 N/ `2 Y0 D6 H修这么多电源,就见过一个紫线电压低的。这个电源为什么是 最后一个修的呢?因为被折过,盖子也没有。上线,灯炮(修电源喜欢串灯泡)不闪,查看, 保险坏,整流桥没有坏。副电源开关管没有坏, ...… 查看全部问答> |
|
RT。。。 侄儿学校发的组装玩具,是无线遥控的 但我没看到有无线模块 本人对电子又不了解 搞的很是为难 侄儿想知道其工作原理和每种元器件在这个电路中起的作用(其实我也想知道。。。) 恳求各位能帮助解答。。。 图片上有标注“②”的这个是 ...… 查看全部问答> |




